5OM-1343-008_w - 第180页
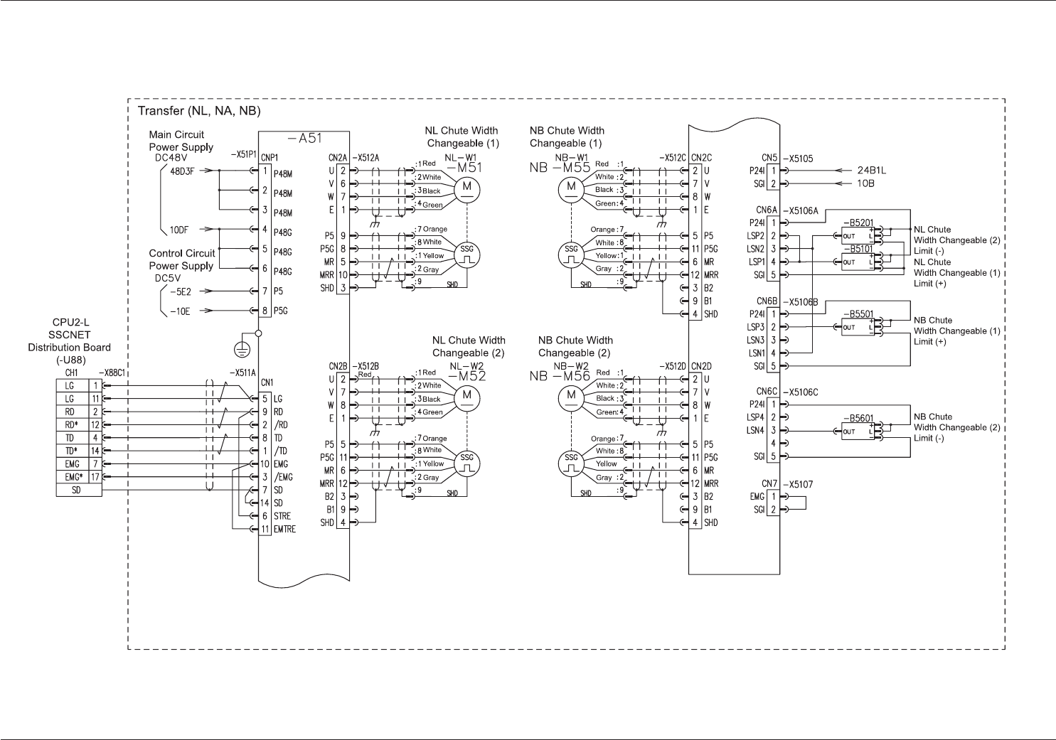
AKFEPED-ID 4-83 00604-003 B(M803WN---2002) NL, NA, NB Conveyor Motor Circuit Diagram (1) NL, NA, NB Conveyor Motor Circuit Diagram (1)

AKFEPED-ID
4-820604-003 F(M803WN---2001)
UB32 I/O Board Transfer L
UB32 I/O Board Transfer L

AKFEPED-ID
4-8300604-003 B(M803WN---2002)
NL, NA, NB Conveyor Motor Circuit Diagram (1)
NL, NA, NB Conveyor Motor Circuit Diagram (1)

AKFEPED-ID
4-840604-003 C(M803WN---2003)
NL, NA, NB Conveyor Motor Circuit Diagram (2)
NL, NA, NB Conveyor Motor Circuit Diagram (2)