5OM-1343-008_w - 第184页
AKFEPED-ID 4-87 0604-003 NO PRINT

AKFEPED-ID
4-860604-003 G(M803WN---2011)
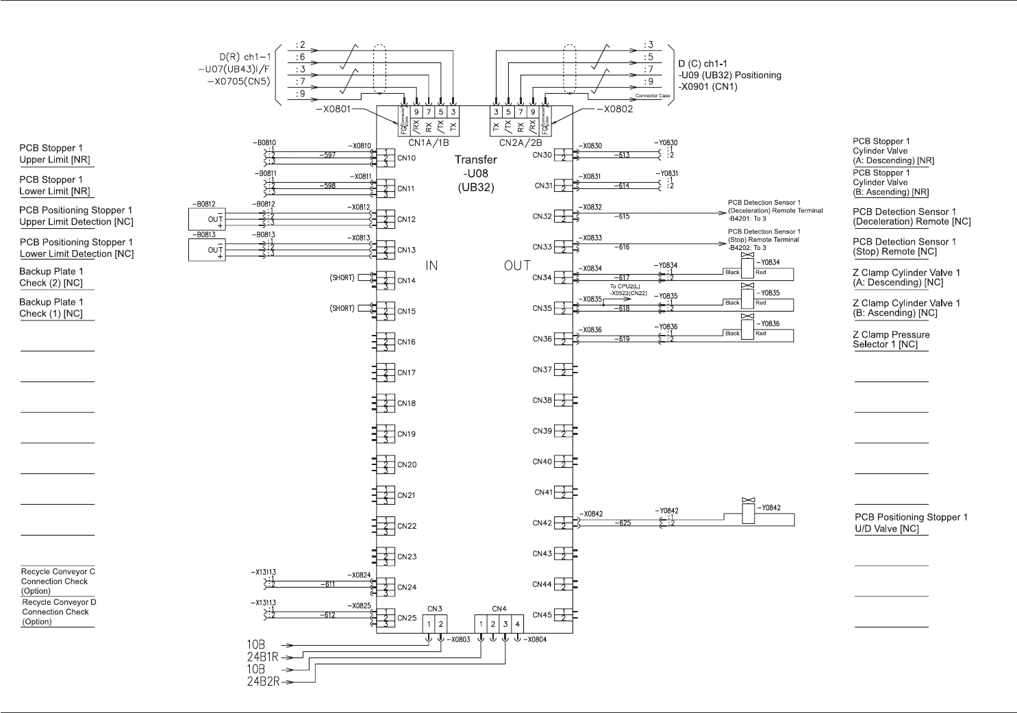
UB32 I/O Board Transfer R
UB32 I/O Board Transfer R

AKFEPED-ID
4-870604-003
NO PRINT

AKFEPED-ID
4-88
NR, NC Conveyor Motor Circuit Diagram (2)
NR, NC Conveyor Motor Circuit Diagram (2)
0604-003 C(M803WN---2013)