5OM-1343-008_w - 第187页
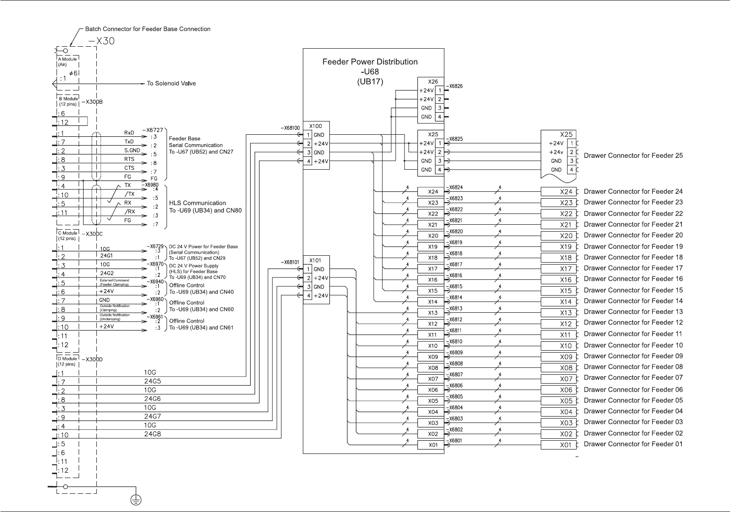
AKFEPED-ID 4-90 0607-004 C(M803WQ---201 1) UB17 Power Distribution Board Feeder Base A UB17 Power Distribution Board Feeder Base A

AKFEPED-ID
4-890711-004 B(M803WN---2014)
NR, NC Conveyor Motor Circuit Diagram (3)
NR, NC Conveyor Motor Circuit Diagram (3)
3
M
SSG
-M53
PE
PE
CN3
2
RD
TD*
TD
RD*
12
7
14
4
EMG
LG
D
C
L21
CN1A
11
1
P
LG
L1
L2
L3
L11
U
W
V
EMG*
CN1B
17
-A53
-X5302
-X5303
-X531A
-X531B
-M53P
+
-
OUT
-B5301
3φAC200V
AC200V
L204A
L104A
L342A
L242A
L142A
EMG
EMG*
17
7
TD
TD*
RD
RD*
2
4
12
14
FG
11
1
LG
LG
-X188C2
FG
L
-M53 :1
:2
:3
:4
:7
:8
:1
:2
:4
:5
:9
CH2
Terminal Connector
20
TxD
LG
11
12
MO1
LG
LG
SD
MO2
COM
VDD
MBR
4
1
5
14
10
13
11
ࡊ࠻
(LSN)DWN
(LSP)STP
RxD
LG
DOG
SG
9
19
1
2
3
20
LG
1
P5
MD
19
16
6
MR
7
17
MRR
MDR
SD
11
LG
P5
20
LG
12
NC-B1 Axis
CPU2-R
SSCNET Distribution Board (-U88)

AKFEPED-ID
4-900607-004 C(M803WQ---2011)
UB17 Power Distribution Board Feeder Base A
UB17 Power Distribution Board Feeder Base A

AKFEPED-ID
4-910604-003 B(M803WQ---2012)
UB34 I/O Board (1) Feeder Base A
UB34 I/O Board (1) Feeder Base A