5OM-1343-008_w - 第190页
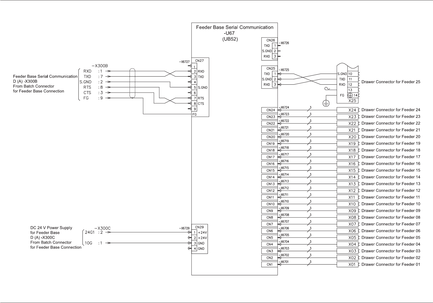
AKFEPED-ID 4-93 0607-003 A(M803WQ---2014) UB52 Serial Communication (Feeder Base A) UB52 Serial Communication (Feeder Base A)

AKFEPED-ID
4-920604-003 B(M803WQ---2013)
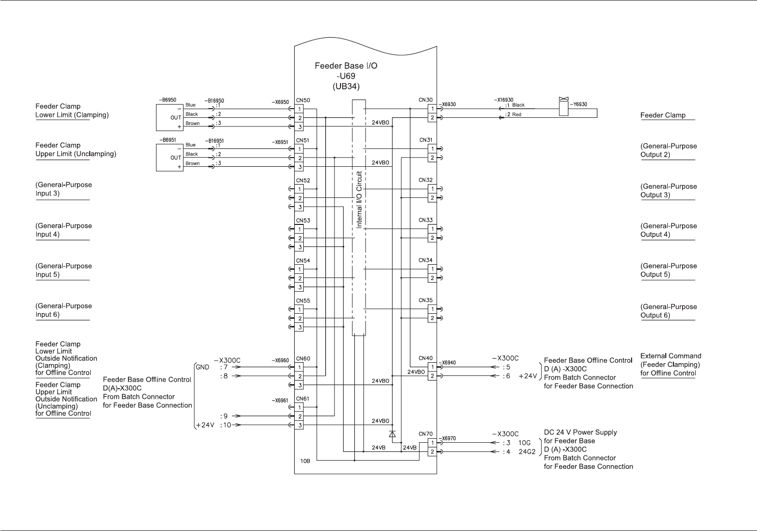
UB34 I/O Board (2) Feeder Base A
UB34 I/O Board (2) Feeder Base A

AKFEPED-ID
4-930607-003 A(M803WQ---2014)
UB52 Serial Communication (Feeder Base A)
UB52 Serial Communication (Feeder Base A)

AKFEPED-ID
4-940607-004 C(M803WQ---2021)
UB17 Power Distribution Board Feeder Base B
UB17 Power Distribution Board Feeder Base B