5OM-1343-008_w - 第195页
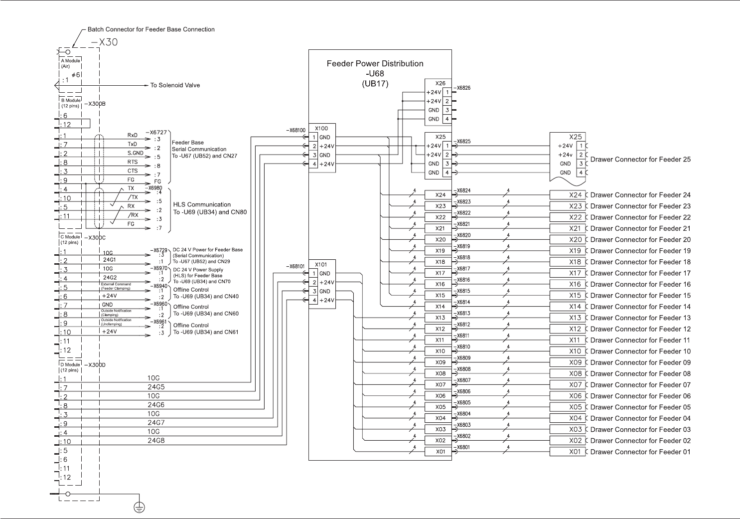
AKFEPED-ID 4-98 0607-004 C(M803WQ---2031) UB17 Power Distribution Board Feeder Base C UB17 Power Distribution Board Feeder Base C

AKFEPED-ID
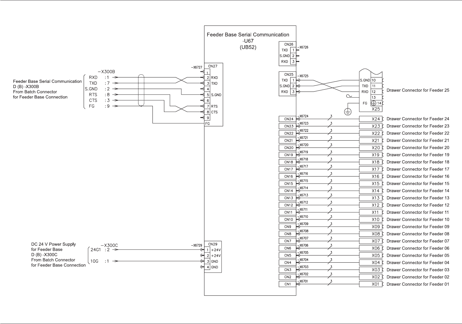
4-970607-003 A(M803WQ---2024)
UB52 Serial Communication (Feeder Base B)
UB52 Serial Communication (Feeder Base B)

AKFEPED-ID
4-980607-004 C(M803WQ---2031)
UB17 Power Distribution Board Feeder Base C
UB17 Power Distribution Board Feeder Base C

AKFEPED-ID
4-990604-003 B(M803WQ---2032)
UB34 I/O Board (1) Feeder Base C
UB34 I/O Board (1) Feeder Base C