5OM-1343-008_w - 第198页
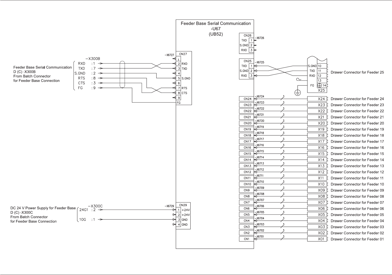
AKFEPED-ID 4-101 0607-003 A(M803WQ---2034) UB52 Serial Communication (Feeder Base C) UB52 Serial Communication (Feeder Base C)

AKFEPED-ID
4-100
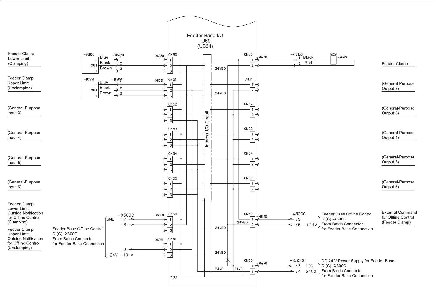
UB34 I/O Board (2) Feeder Base C
0607-004 B(M803WQ---2033)
UB34 I/O Board (2) Feeder Base C

AKFEPED-ID
4-1010607-003 A(M803WQ---2034)
UB52 Serial Communication (Feeder Base C)
UB52 Serial Communication (Feeder Base C)

AKFEPED-ID
4-1020607-004 C(M803WQ---2041)
UB17 Power Distribution Board Feeder Base D
UB17 Power Distribution Board Feeder Base D