5OM-1343-008_w - 第200页
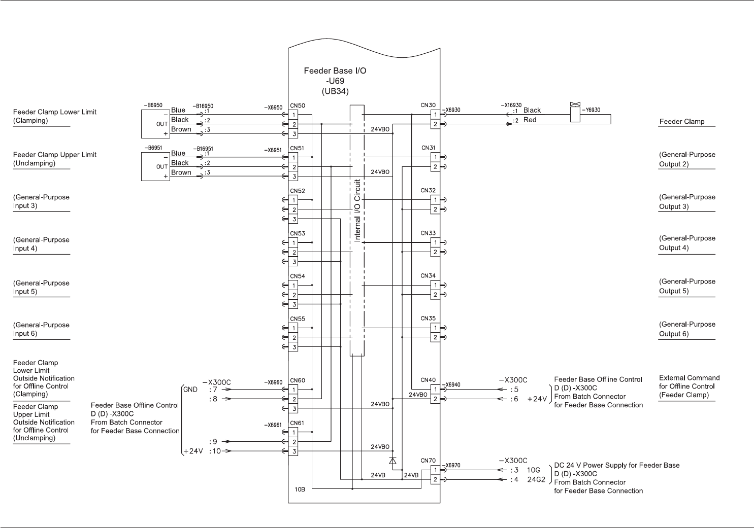
AKFEPED-ID 4-103 UB34 I/O Board (1) Feeder Base D UB34 I/O Board (1) Feeder Base D 0604-003 B(M803WQ---2042)

AKFEPED-ID
4-1020607-004 C(M803WQ---2041)
UB17 Power Distribution Board Feeder Base D
UB17 Power Distribution Board Feeder Base D

AKFEPED-ID
4-103
UB34 I/O Board (1) Feeder Base D
UB34 I/O Board (1) Feeder Base D
0604-003 B(M803WQ---2042)

AKFEPED-ID
4-1040604-003 B(M803WQ---2043)
UB34 I/O Board (2) Feeder Base D
UB34 I/O Board (2) Feeder Base D