5OM-1343-008_w - 第203页
AKFEPED-ID 4-106 0607-003 A(M803WR---2001) Recognition Connection Diagram (1) Recognition Connection Diagram (1)

AKFEPED-ID
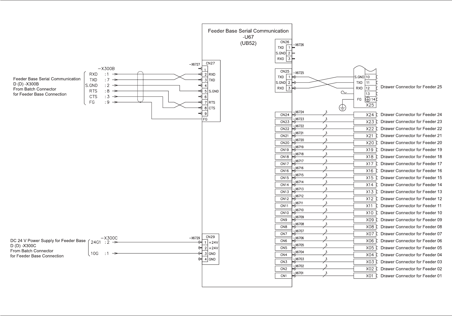
4-1050607-003 A(M803WQ---2044)
UB52 Serial Communication (Feeder Base D)
UB52 Serial Communication (Feeder Base D)

AKFEPED-ID
4-1060607-003 A(M803WR---2001)
Recognition Connection Diagram (1)
Recognition Connection Diagram (1)

AKFEPED-ID
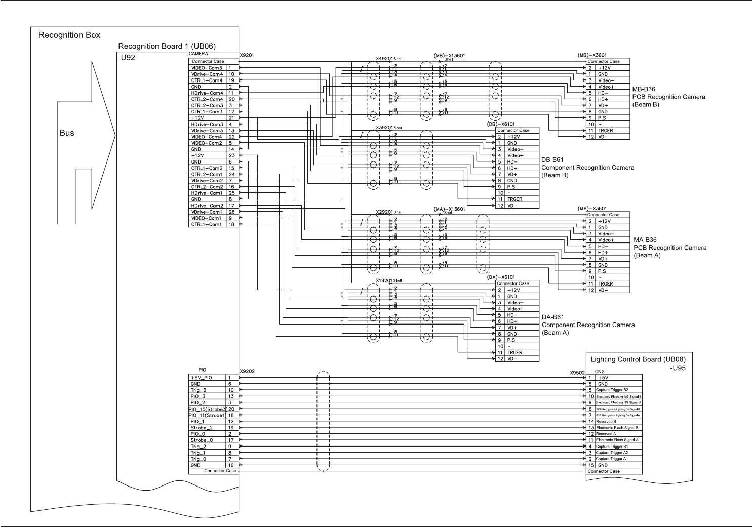
4-1070601-002 -(M803WR---2002)
Recognition Connection Diagram (2)
Recognition Connection Diagram (2)