5OM-1343-008_w - 第206页
AKFEPED-ID 4-109 0601-002 -(M803WR---2004) Recognition Connection Diagram (4) Recognition Connection Diagram (4)

AKFEPED-ID
4-1080601-002 -(M803WR---2003)
Recognition Connection Diagram (3)
Recognition Connection Diagram (3)

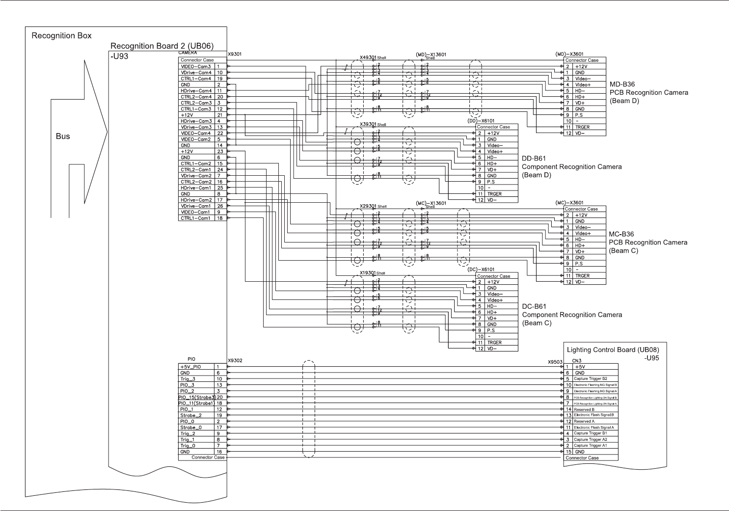
AKFEPED-ID
4-1090601-002 -(M803WR---2004)
Recognition Connection Diagram (4)
Recognition Connection Diagram (4)

AKFEPED-ID
4-1100601-002 -(M803WR---2005)
Recognition Connection Diagram (5)
Recognition Connection Diagram (5)