5OM-1343-008_w - 第214页
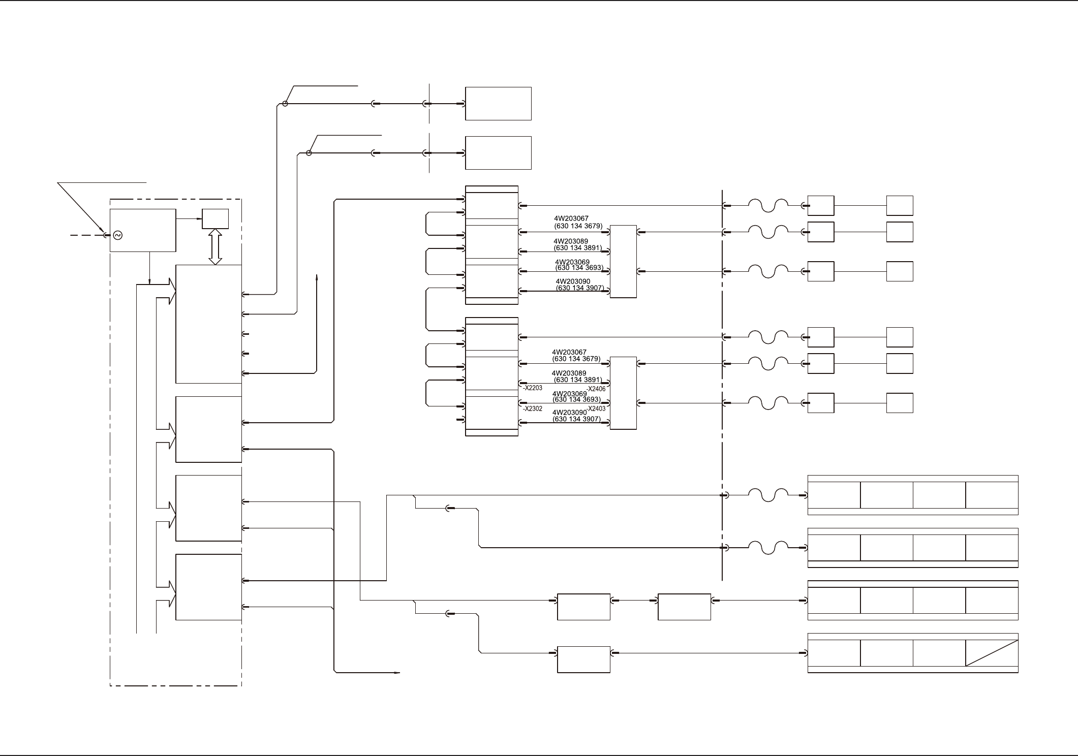
AKFEPED-ID 5-3 CPU2-L Cable Connection 2 CPU2-L Cable Connection 2 0909-005 K(M803JSB--2003) 4W203704 (630 149 9437) 4W203194 (630 137 3003) 4W202889 (630 128 1209) 4W203195 (630 137 3010) 4W203196 (630 137 3027) 4W20320…

AKFEPED-ID
5-2
CPU2-L Cable Connection 1
CPU2-L Cable Connection 1
0909-004 G(M803JSB--2002)
4W202859
(630 126 9801)
B-)V255 (2.1m)
FB)S157 :
4W202121
(630 108 1861)
4W202860
(630 126 9818)
4W203071
(630 134 3716)
4W203072
(630 134 3723)
4W203073
(630 134 3730)
4W203074
(630 134 3747)
4W203072
(630 134 3723)
4W203073
(630 134 3730)
4W203238
(630 138 0780)
4W203066
(630 134 3662)
4W203066
(630 134 3662)
4W203068
(630 134 3686)
4W203068
(630 134 3686)
4W203070
(630 134 3709)
4W203070
(630 134 3709)
4W203081
(630 134 3815)
4W203083
(630 134 3839)
4W203236
(630 138 0742)
4W202843
(630 126 9641)
4W203235
(630 138 0735)
4W202845
(630 126 9665)
4W203237
(630 138 0773)
4W202844
(630 126 9658)
B-)V256 (3.1m)
WS01:
3.0m
WS04:
WS05:
0.2m
2.0m
WS02:
0.2m
WS06:
0.2m
WS03:
0.2m
W10:
1.8m
WS12:
1.8m
W12:
1.8m
WS07:
3.0m
W11:
1.8m
WP04:
WP02:
0.4m
0.4m
0.4m
0.4m
WP09:
WP07:
0.4m
0.4m
0.4m
0.4m
WP03:
WP05:
1.5m
1.5m
1.5m
WP01:
WP08:
WP10:
1.5m
1.5m
1.5m
WP06:
WS10:
3.0m
WS14:
1.5m
WS09:
2.0m
0.2m
WS15:
WS11:
2.0m
4W203080
(630 134 3808)
To HUB(U72)
To BL-U05 (UA54: ILB)
-U84
MR-MC10
SSCNET
I/O
I/O
SSCNET
MR-MC10
-U83
-U82
MR-MC10
SSCNET
I/O
<Connection Relay Panel in Beam Section>
Connector for Bank Feeder Change
<RobotCable>
<RobotCable>
<RobotCable>
<RobotCable>
<RobotCable>
<RobotCable>
<RobotCable>
<RobotCable>
2.0m
NA
-A53
[6]
[5]
[4]
[3]
[2]
[1]
-A23
-U23
-A21
-U22-A22
UB18
-A21
-A23
-A22 -U22
-U23
UB18
CA
CA
CA
CB
CB
CB
[1]
-A31
-A31
[2] [3] [4]
[1] [2] [3] [4]
[5]
-A41
[1] [2] [3] [4]
[1] [2] [3] [4]
-A51
-U21
-U21
CA
-U24
-U24
CB
DB(A)
-A63
[5]
-A63
DB(B)
[6]
CN27
UB52 (Feeder Base B)
-U67
CN27
UB52 (Feeder Base A)
-U67
-X300B
-X300B
-X1300B1
-X1300B1
-U81
xxxxx
CPU2-L
+5V
(-5V)
-12V+5V
+3.3V
+12V
10/100
BASE-T
COM1
/MS
KBD
VGA
AC200V
COM2
SDD
PCI BUS
-X8201
-X87C2
-X8301
MA-NL MA-HLMA-NSMA-DD
MB-DD MB-NS MB-NL MB-HL
-X88C2
-X8401
-X211A
-X211B
-X221A
-X221B
-X231B
-X231A
-X211A
-X211B
-X221A
-X221B
-X231A
-X231B
-X2102
-X2202
-X2302
-X2402
-X2403
-X2401
-X2404
-X12201
-X12301
12U-20121X-
-U22
-U23
-X2102
-X2202
-X2402
-X2404
-X2401
-X12301
-X12201
-X12102
-X531A
-X531B
-X411A
-X511A
-X311A
-X311A
-X187C1
-X187C1
-X8203
-X8303
-X8403
-U23
-U22
-U21
-X631B-X631A
-X631A
-X631B
-X2406-X2203
-X2303 -X2407
-X2303 -X2407
-X18602
-X18601
(6-Axle x2ch)
(6-Axle x2ch)
Cutter (B)
Cutter (A)
Conveyor A
Backup 1
Beam Y2
Beam Y1
Beam X
Beam Y2
Beam Y1
Beam X
Head #1
Head Rotation
Head #1
Nozzle Selection
Head #1
Head U/D
Head #1
Nozzle U/D
Converter
Converter
Converter
Linear
Encoder
Linear
Encoder
Linear
Encoder
Converter
Converter
Converter
Linear
Encoder
Linear
Encoder
Linear
Encoder
Conveyor B
Transfer 1
Conveyor L
Transfer
Conveyor A
Transfer 1
Conveyor B
Conveyor Width 2
Conveyor L
Conveyor Width 1
Conveyor L
Conveyor Width 2
Conveyor B
Conveyor Width 1
Head #1
Head Rotation
Head #1
Nozzle Selection
Head #1
Head U/D
Head #1
Nozzle U/D

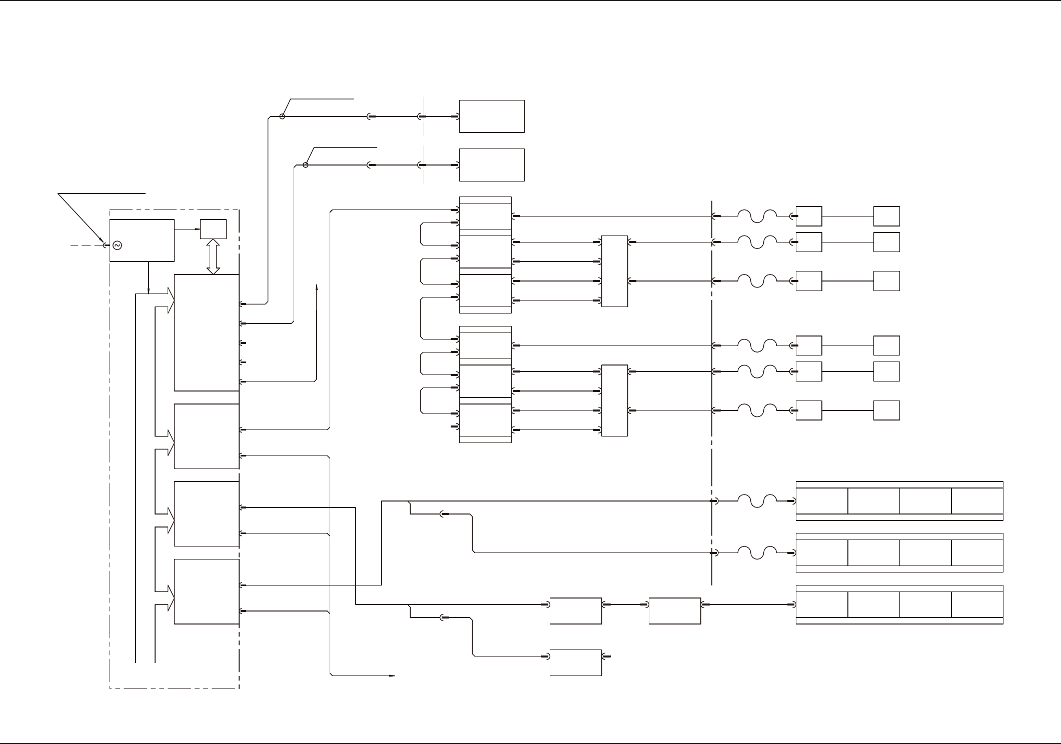
AKFEPED-ID
5-3
CPU2-L Cable Connection 2
CPU2-L Cable Connection 2
0909-005 K(M803JSB--2003)
4W203704
(630 149 9437)
4W203194
(630 137 3003)
4W202889
(630 128 1209)
4W203195
(630 137 3010)
4W203196
(630 137 3027)
4W203203
(630 137 3096)
4W203705
(630 149 9444)
4W203198
(630 137 3041)
4W203199
(630 137 3058)
4W202872
(630 127 4294)
4W202872
(630 127 4294)
4W203102
(630 134 4027)
C-)252
4W203204
(630 137 3102)
4W203706
(630 149 9451)
4W203202
(630 137 3089)
4W202872
(630 127 4294)
4W202872
(630 127 4294)
4W203707
(630 149 9468)
C-)252
4W203102
(630 134 4027)
(ID: ) 50-4060 61):DI( 71):DI( 11):DI( (ID: )
08(ID: )09(ID: )02(ID: )01(ID: )
11(ID: )
32 33 34 35 36 37
(ID: )
08(ID: )09(ID: )01(ID: )
(ID: )
32 33 34 35 36 37
CN1A/1B
UB32
(Power Supply Section)
CN2A/2B
CN6
-X1201 -X1202 -X0503 -X0504
UA54 (ILB)
-X0704 -X0705 -X0801 -X0802
-X0902
-X0101 -X0102 -X1101 -X1102
-X0101 -X0102
CN1
CN2
CH1
CH2
CN2
CN1
CN4 5NC3NC CN4
CN2A/2B B2/A2NCB1/A1NC CN1A/1B
CN2A/2B B2/A2NCB1/A1NC CN1A/1B
CN2A/2BCN1A/1B
CN2A/2BCN1A/1B
-X20201
P9RCS
D-sub_9P
RCSRCS
SCR
RCSRCS
SCR
RJ45
RJ45
RJ45
90U-80U-70U-50U-21U-
-X10201
-U11-U01
-X0421
-U04
CN21
-X0306
-X0901
10201X-10202X-
CN6
-U03
CN22
-X0422
-X0306
bus-Dbus-D
9P
RJ45
D-sub_9P
-U03
-X0422
CN22CN21
-U04
-X0421
-U69
RJ45
CN80
-X6980
-X30
-X1300B
-X1300B
-X30
-X6980
CN80
RJ45
-U69
-U09
-X3701
-X3701
-X0902-X0901
-U01
-U85
HLSB-PCI
PCI BUS
161S)-F061S)-F F-)S162 F-)S163 F-)S164
F-)S168
F-)S169 F-)S170
F-)S165
F-)S166 F-)S167
M-)251
<ROBOT CABLE>
<ROBOT CABLE>
(0.5m)(1.5m)(3.0m)(0.5m)(2.0m)
(0.2m)
(1.0m)(0.5m)
(3.5m)
M-)251 (0.8m)
(2.0m)
(3.5m) (1.0m)
In-House Assembly
(0.8m)M-)251(0.2m)M-)251
B-)S251 (0.6m)
B-)S252 (2.0m)
In-House Assembly
In-House Assembly
In-House Assembly
UB43
(Input/Output Machines)
UB32 (Transfer)
UB32
(Cutter Positioning, Rear)
UB31
(Operation Panel, Rear)
UB31 (Light Tower)
Linear Measure Sensor
Slip Ring
UB31
(Operation Panel, Front)
Linear Measure Sensor
Slip Ring
UB22
(Head Movable Section)
UB22
(Head Movable Section)
UB34 (Feeder Base)
UB34 (Feeder Base)
UB32
(Cutter Positioning, Front)

AKFEPED-ID
5-4
CPU2-R Cable Connection 1
CPU2-R Cable Connection 1
0909-005 G(M803JSB--2004)
4W202868
(630 127 4256)
B-)V266 (2.7m)
FB)S157 : 4W202121
(630 108 1861)
4W202869
(630 127 4263)
B-)V267 (2.5m)
WS16:
4W203071
(630 134 3716)
3.0m
WS19:
4W203074
(630 134 3747)
WS20:
4W203072
(630 134 3723)
0.2m
2.0m
WS17:
4W203072
(630 134 3723)
0.2m
WS21:
4W203073
(630 134 3730)
0.2m
WS18:
4W203073
(630 134 3730)
0.2m
W10:
4W202843
(630 126 9641)
1.8m
WS27:
4W203248
(630 138 3071)
1.8m
W12:
4W202845
(630 126 9665)
1.8m
WS22:
4W203237
(630 138 0773)
3.0m
W11:
4W202844
(630 126 9658)
1.8m
WP24:
4W203069
(630 134 3693)
WP22:
4W203067
(630 134 3679)
4W203089
(630 134 3891)
4W203090
(630 134 3907)
0.4m
0.4m
0.4m
0.4m
WP29:
4W203069
(630 134 3693)
WP27:
4W203067
(630 134 3679)
4W203089
(630 134 3891)
4W203090
(630 134 3907)
0.4m
0.4m
0.4m
0.4m
WP23:
4W203068
(630 134 3686)
WP25:
4W203070
(630 134 3709)
1.5m
1.5m
1.5m
WP21:
4W203066
(630 134 3662)
WP28:
4W203068
(630 134 3686)
WP30:
4W203070
(630 134 3709)
1.5m
1.5m
1.5m
WP26:
4W203066
(630 134 3662)
WS25:
4W203238
(630 138 0780)
3.0m
WS29:
4W203249
(630 138 3088)
1.5m
WS24:
4W203085
(630 134 3853)
0.2m
WS26:
4W203086
(630 134 3860)
2.0m
To HUB(U72)
To BR-U05(UA54:ILB)
-U84
MR-MC10
SSCNET
I/O
I/O
SSCNET
MR-MC10
-U83
-U82
MR-MC10
SSCNET
I/O
<Connector for Bank Feeder Change>
<RobotCable>
<RobotCable>
2.0m
<RobotCable>
<RobotCable>
<RobotCable>
<RobotCable>
<RobotCable>
<RobotCable>
DB(D)
-U24
CD
CC
-U24
-A51
[4][3][2][1]
[5]
[4][3][2][1]
[4][3][2]
-A31
-A31
[1]
CD
CD
CD
CC
CC
CC
UB18
-A22
-A23
-A21
UB18
-A22
-A21
-A23
[1]
[2]
[3]
[4]
[5]
[6]
-A53
NC
[6]
-A63
[5]
-A63
DB(C)
-U21
-U21
-U23
-U22
-U22
-U23
CN27
UB52 (Feeder Base B)
-U67
CN27
UB52 (Feeder Base A)
-U67
-X300B
-X300B
-X1300B1
-X1300B1
-X6727
-X6727
-X18601
-X18602
-U81
xxxxx
CPU2-R
+5V
(-5V)
-12V+5V
+3.3V
+12V
10/100
BASE-T
COM1
/MS
KBD
VGA
AC200V
COM2
SDD
PCI BUS
-X8201
-X8301
-X8401
-X8203
-X8303
-X8403
-X187C1
-X187C1
-X311A
-X311A
-X511A
-X531B
-X531A
-X12102
-X12201
-X12301
-X2401
-X2404
-X2402
-X2403-X2302
-X2202
-X2102
-X12102
-X12301
-X12201
-X2404
-X2401
-X2403
-X2402
-X2302
-X2202
-X2102
-X231B
-X231A
-X221B
-X221A
-X211B
-X211A
-X231A
-X231B
-X221B
-X221A
-X211B
-X211A
-X88C2
MD-HLMD-NLMD-NSMD-DD
LH-CMSN-CMDD-CM MC-NL
-X87C2
-X631B
-X631A
B136X-A136X-
-X2407-X2303
-X2406-X2203
-X2407-X2303
-X2203 -X2406
-U21
-U22
-U23
-U23
-U22
-U21
(6-Axle x2ch)
(6-Axle x2ch)
(6-Axle x2ch)
Cutter (D)
Beam Y1
Beam Y2
Beam X
Cutter (C)
Conveyor C
Backup 1
<Connector Relay Panel in Beam Section>
Converter
Converter
Converter
Converter
Converter
Converter
Linear
Encoder
Linear
Encoder
Linear
Encoder
Linear
Encoder
Linear
Encoder
Linear
Encoder
Head #1
Head Rotation
Head #1
Head Rotation
Head #1
Nozzle Selection
Head #1
Nozzle Selection
Head #1
Head U/D
Head #1
Head U/D
Head #1
Nozzle U/D
Head #1
Nozzle U/D
Conveyor R
Transfer
Conveyor R
Conveyor Width 2
Conveyor C
Transfer L1
Conveyor R
Conveyor Width 1
Beam Y1
Beam Y2
Beam X