5OM-1343-008_w - 第218页
5-7 AKFEPED-ID 0601-002

AKFEPED-ID
5-6
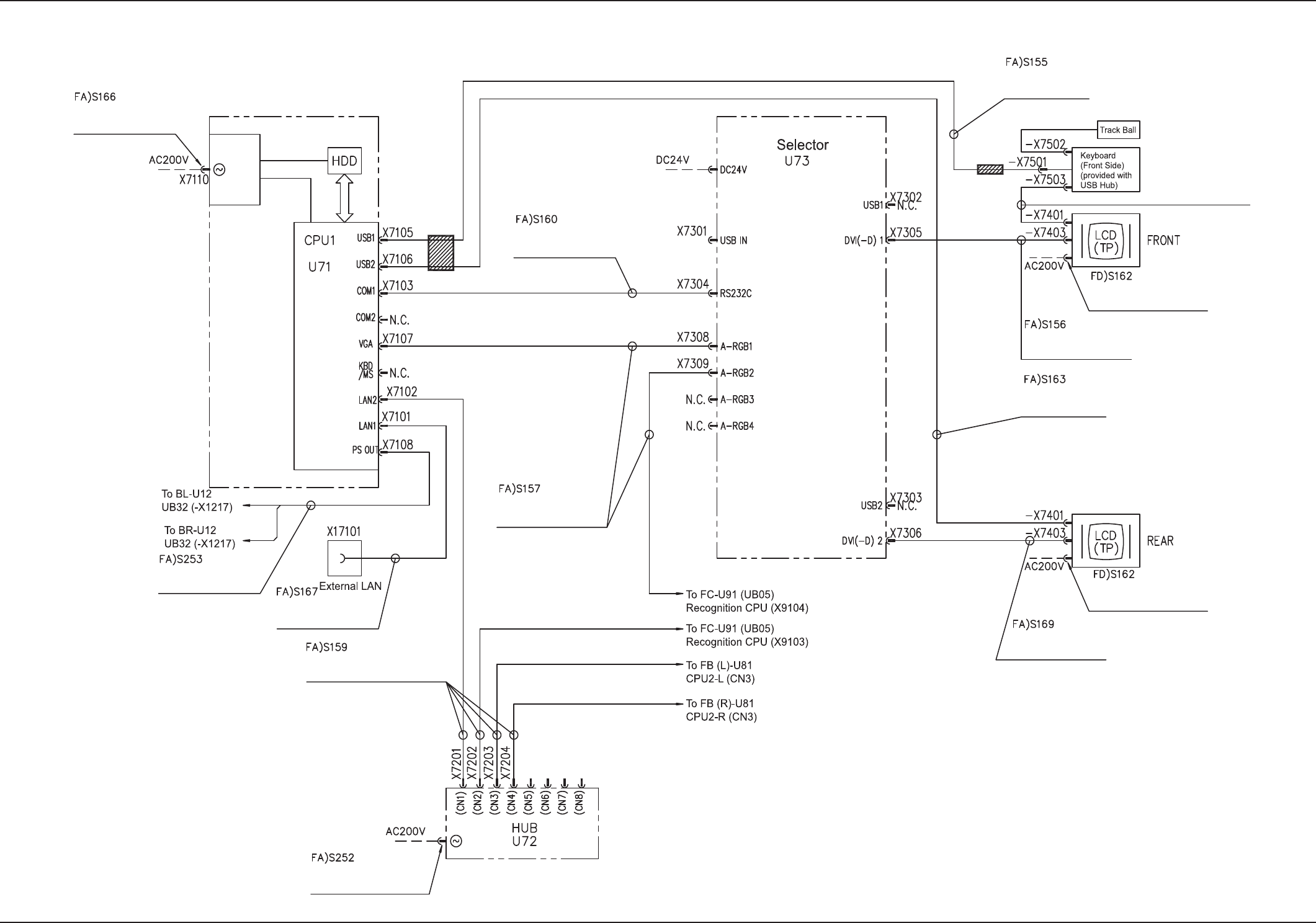
CPU1 Cable Connection
CPU1 Cable Connection
0909-004 C(M803JSB--2006)
4J100867
(630 124 1722)
4W202866
(630 127 0500)
0W200889
(630 126 4233)
4W202217
(630 111 6334)
4W202121
(630 108 1861)
4W202725
(630 124 3948)
4W202696
(630 123 7558)
4W202784
(630 125 2186)
4W202784
(630 125 2186)
4W202121
(630 108 1861)
4W202694
(630 123 7534)
4W202706
(630 124 1890)
4W202121
(630 108 1861)
4W202728
(630 124 4266)

5-7
AKFEPED-ID
0601-002

Copying Prohibited
1st Edition Issued Dec., 2005
8th Edition Issued Sep., 2009
Compiled and Distributed by
0909-008
AKFEPED-ID
6, Menuma-nishi 1-chome, Kumagaya-shi, Saitama 360-0238, Japan
TEL : +81-48-506-6086 FAX : +81-48-567-0084