TSR2000-Series-Hardware-User-Guide-V1.3.pdf - 第24页
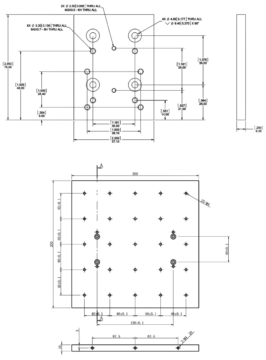
24 5. MOUNTING AND BRACKTR Y 5.1 T ool Plate - V alve Mounting Bracket 5.2 Base Plate – Produ ct Mounting Plate

23
4.4 Off- Line Loop-Work Parameter Setting Interface
1. In the loop-work parameters setting, the unit can start the process without an operator at the location.
2. Press the “LOOP” button at the processing interface and then enter into the “loop–work parameter setting
interface”.
SJ001 N=0000
T=000.0s Rn=0000
Fig.4-5: Loop–work Parameter Setting Interface
3. When setting, select the digit by moving the cursor under the digit. The arrow buttons “ ” & “ ” can
move the cursor left and right and the arrow buttons “ ” & “ ” can move the cursor up and down.
4. After completing adjust, press the “ENT” button to save the parameters and return to the file processing
interface. When the “N=0000” or “N=0001” is displayed, without loop work processing and the file only
processes one time.
4.5 Off-Line Testing Interface
Press the ESC button to enter into the the testing interface. In the testing interface, common system functions can
be tested if they are running correctly or not. The operating interface is as follows:
X 033.3
Z 00000
Y 067.5
R 00000
X 033.3
Z 08.2
Y 000.0
MID
Fig. 4-6: Testing Interface
4.6 Times of Nozzle Interface
At the testing interface, click the ESC button again and click the ESC button twice at the “Processing Interface”, it
comes into the “times of nozzle” interface (Fig.4-7). At “times of nozzle” interface, displays the times of nozzle has
been used and maximal limit times. The interface only can be viewed and cannot be set. Setting methods need refer
“teaching pendant”. “*****/*****”: The front digits mean the used times, the latter digits mean the maximal limit
times. When used times have reached the maximal limit times, the system will alarm and advise to change the
nozzle. If the latter digit is “00000”, this means that it does not limit the using times of nozzle.
Times of nozzle:
00000/00000
Fig. 4-7 Times of Nozzle Interface
N: Loop processing times set
T: Loop processing interval times set
Rn: Reset after loop N times

24
5. MOUNTING AND BRACKTRY
5.1 Tool Plate - Valve Mounting Bracket
5.2 Base Plate – Product Mounting Plate

25
5.3 Syringe Mounting Bracket – Attachment
From the main screen, on the teaching pendant,
press 4. Use the jog keys to move the head into
a central position and lower head until there is
sufficient access to the rear of the bracket. Use
SHF button to change movement speed. Follow
instructions below.
1. Move and lower head using teaching
pendant.
2. Remove mounting plate.
4. Attach attach top bracket.
3. Secondary plate should be exposed
5. Attach bottom bracket from behind.
6. Install syringe and lightly tighten thumb
screws.