Apollo1_Operators_Manuel - 第55页
55 cab - Produkttechnik GmbH / Tharo Systems, Inc. Interface The settings of this parameter determine the method of communication between printer and computer . Therefore, the type of interface and, if necessary , the ba…

54 cab - Produkttechnik GmbH / Tharo Systems, Inc.
Label Sensor
The printers of the Apollo series offer different methods for recognizing the
front edge of the label.
In most cases, the label edge sensor photocell can be used in the see-through
mode ("Gap sensor" mode), where the different transparency of the material is
used to distinguish between the labels and the gaps.
In certain cases, for instance when pre-printed continuous paper is used, the
label edge can also be recognized through reflective marks. (see also section
about label formats; page 20) All versions of the Apollo offer the see-through
mode and reflective mark recognition on the bottom side of the material. In
addition, Apollo 1 and Apollo 2 are also able to recognize reflective marks on
the top of the material.
This parameter can also be changed via software. For different print jobs it is
recommended that you do the changes in the software.
Default Setting : Gap sensor
F
2 Transfer print
3 Label sensor
4 Interface
Selection
Label sensor
Gap sensor
Label sensor
Bottom-Reflect
Label sensor
Top-Reflect
Label sensor
xxx Ye s
Label sensor
xxx No
Confirmation
Selection
Label sensor
Gap sensor
Label sensor
Bottom-Reflect
1 Apollo 1
2 Apollo 2
3 Apollo 3
12
3
Fig. 9 d Set "Label sensor" parameter

55cab - Produkttechnik GmbH / Tharo Systems, Inc.
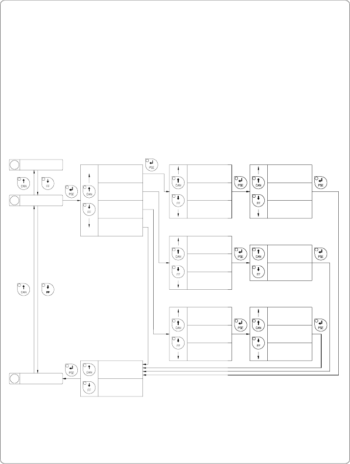
Interface
The settings of this parameter determine the method of communication
between printer and computer.
Therefore, the type of interface and, if necessary, the baud rate, and the
protocol or network address can be specified.
The parameter setting cannot be changed via software.
Default Setting : Interface RS-232, baud rate 9600, protocol RTS/CTS
(network address A)
Baud rate
57600
Interface
xxxxxxx Yes
Interface
xxxxxxx No
Confirmation
Baud rate Protocol
Baud rate
Interface
RS-422
Interface
RS-232C
Interface
RS-485
Interface
Centronics
Type of Interface
Fig. 9 e Set "Interface" parameter
3 Label sensor
4 Interface
5 Cut Position
Baud rate
1200
*
*
*
Baud rate
57600
Baud rate
1200
*
*
*
Baud rate
Baud rate
57600
Baud rate
1200
*
*
*
Network address
A
Network address
Z
Network address
Protocol
- - -
Protocol
RTS/CTS
Protocol
XON/XOFF
Protocol
Protocol
- - -
Protocol
XON/XOFF
*
*
*

56 cab - Produkttechnik GmbH / Tharo Systems, Inc.
Cut Position
Using the optional cutter, the "Cut position" parameter allows you to alter the distance
between the cutting edge and the rear edge of the label. Normally, with the initial
offset value of "0" the cutting edge is in the middle of the gap between two labels.
Adjustments have to be carried out only once after a cutter has been installed.
(range from -.33 to +.33 in or -8.4mm to +8.4mm) If the cut position value is
positive, the media will be advanced before it is cut, that means there is a greater
distance between the cutting edge and the rear edge of the label.
It is recommended that you carry out changes for single print jobs in the software.
(e.g. if the cut is not wanted in the middle of the gap)
The software provides a second value for individual adjustments.
You may also change this value using the software commands. Any front panel value
and software command value are totaled together for printing.
The current field to be changed is flashing in the display.
4 Interface
6 Peel Position
5 Cut Position
Cut Position
+ x.x mm
Cut Position
- x.x mm
Cut Position
± 9.x mm
Cut Position
± 0.x mm
Cut Position
± x.9 mm
Cut Position
± x.0 mm
*
*
*
*
*
*
Cut Position
± x.x mm Yes
Cut Position
± x.x mm No
Confirmation
Sign (+ or -)
1/10 mm
mm
Fig. 9 f Set "Cut Position" parameter
F