Apollo1_Operators_Manuel - 第62页
62 cab - Produkttechnik GmbH / Tharo Systems, Inc. Set T i me The "Set time" parameter allows you to change the system time of the Apollo . The time format shown in the display depends on the selected "Cou…

61cab - Produkttechnik GmbH / Tharo Systems, Inc.
Set Date
The "Set date" parameter allows you to change the system date of the Apollo.
The date format shown depends on the selected "Country" parameter.
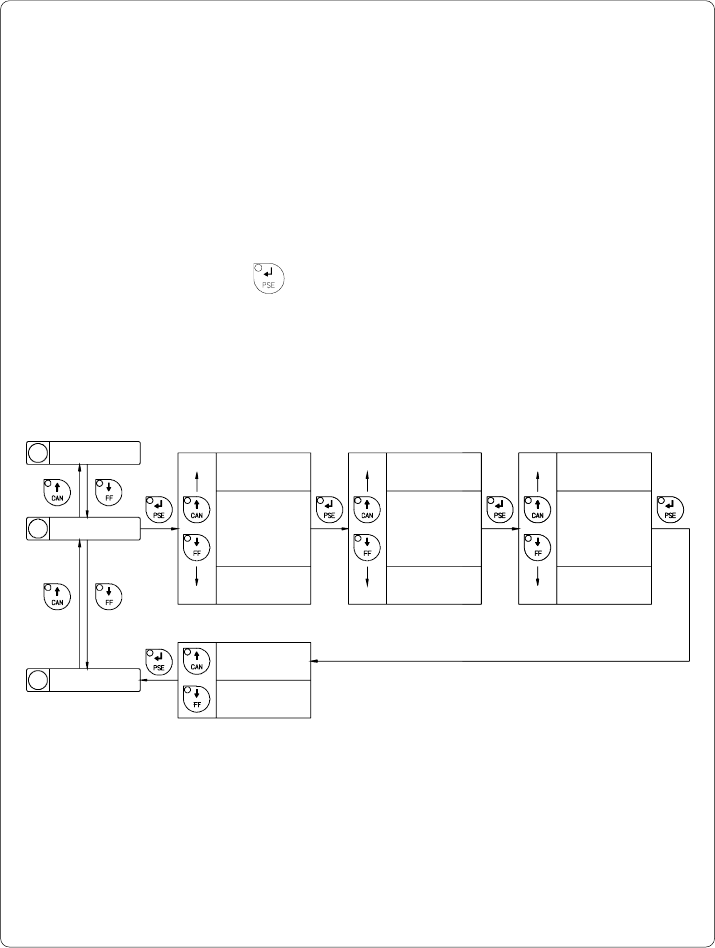
Regardless of the format, the order of data to be changed (day - month - year)
always follows the same routine as shown below. (Figure 9 l)
The date range available is from January 1, 1970, to December 31, 2069.
If an invalid date entry is made, the display shows "Invalid input!"
After pressing the key the parameter may be set again.
Date changes in the software will only influence the date on the printout but not
affect the system date as stored in the setup.
The current field to be changed is flashing in the display.
10 Set date
11 Set time
Day
Month
Year
Confirmation
*
*
*
*
*
*
Set date
xx.12.xxxx
Set date
xx.01.xxxx
Set date
xx.xx.2069
Set date
xx.xx.1970
Set date
31.xx.xxxx
Set date
01.xx.xxxx
Set date
xx.xx.xxxx Yes
Set date
xx.xx.xxxx No
*
*
*
Fig. 9 l Set system date
9 Printer info

62 cab - Produkttechnik GmbH / Tharo Systems, Inc.
Set Time
The "Set time" parameter allows you to change the system time of the Apollo.
The time format shown in the display depends on the selected "Country"
parameter.
Time changes in the software will only influence the printout but not affect the
system time of the printer. The changed time will neither be shown in the
display nor be stored in the printer setup.
The current field to be changed is flashing in the display.
Hour
Minute
Second
Confirmation
*
*
*
*
*
*
Set time
xx.59.xx
Set time
xx.00.xx
Set time
xx.xx.59
Set time
xx.xx.00
Set time
23.xx.xx
Set time
00.xx.xx
Set time
xx.xx.xx Yes
Set time
xx.xx.xx No
*
*
*
Fig. 9 m Set system time
10 Set date
11 Set time
12 Character set

63cab - Produkttechnik GmbH / Tharo Systems, Inc.
Character Set
Before starting to operate the Apollo, the "Character set" of the printer should
be adapted to the character set of the computer.
Adjustment via software is not possible, however, for characters which are not
included in the selected fonts the Unicode character table can be used.
The character set tables are included in Appendix A.
Default Setting : Windows 1252
11 Set time
Selection
Character set
ISO 8859-1
Character set
Codepage 850
Character set
Macintosh
Character set
ISO 8859-8
Character set
Codepage 852
Character set
EBCDIC
Fig. 9 n Set "Character set" parameter
12 Character set
13 Format card
Character set
xxxxxxx Yes
Character set
xxxxxxx No
Confirmation
Character set
Windows 1252
Character set
Windows 1250