OM-1682-001_w - 第77页
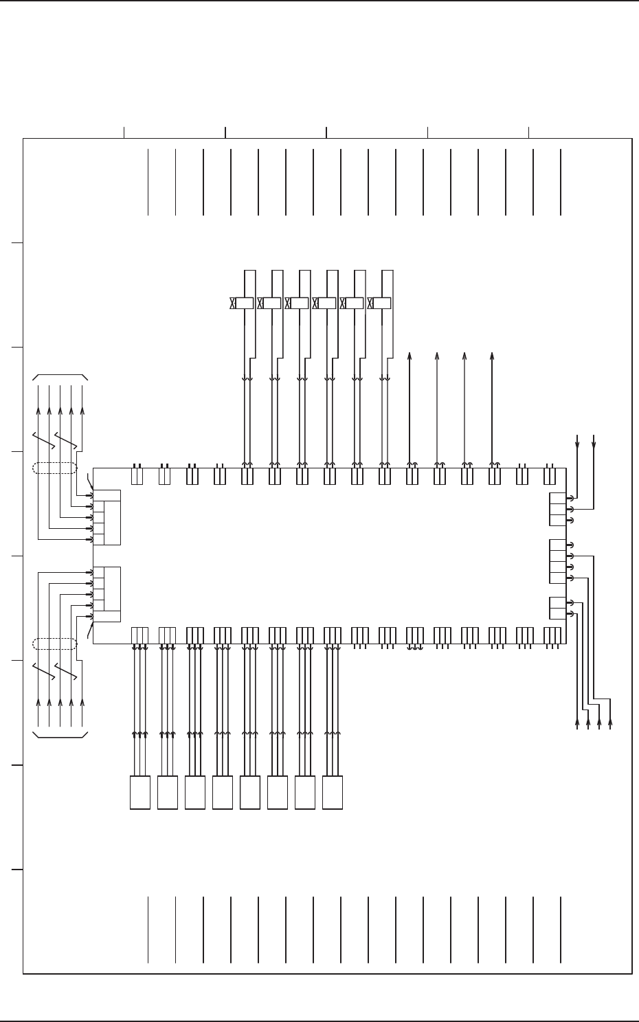
58 OM-1682 1 101-001-(02002-1) 15.5 ケーブル接続図 15.5 ケーブル接続図 デュアル搬送配線接続図 1 M M M M M M M M M M 1091401300-08 BA側面パネル TB:DC1 1091401300-08 BA側面パネル TB:DC1 UB77:X2762 1091401300-09 CPU2(U85) X8513 AE-LINK変換器U181(R) 2091401304…

57
OM-1682
1101-001B(M917WNE--0012)
15.4 電気回路図
24B1
10B
10A
24A3
1
2
3
3
2
1
3
2
1
3
2
1
3
2
1
3
2
1
1
2
3
1
2
3
1
2
3
1
2
3
1
2
3
3
2
1
3
2
1
3
2
1
3
2
1
3
2
1
2
1
1
2
1
2
1
2
1
2
1
2
1
2
1
2
1
2
1
2
1
2
1
2
1
2
1
2
1
2
1
2
X1411
X1410
X1435
X1438
739
738
759
762
X1442
766
765
X1441
X1440
764
RX
/RX
TX
/TX
FG(コネクタケース)
7 39 5 5 93 7
/TX
TX
/RX
RX
FG(コネクタケース)
[NE/13/7D] [NE/13/7E]
[NE/13/7C]
[NE/13/7C]
STRT_CNVR(R)
I/O P.C.B
U14
X1434
758
740
741
X1443
767
B1410
XB1410
:3
+
OUT
-
:2
:1
X1412
X1413
B1411
XB1411
:3
+
OUT
-
:2
:1
B1412
XB1412
:3
+
OUT
-
:2
:1
B1413
XB1413
:3
+
OUT
-
:2
:1
Y1434
:1
:2
XY1434
BK R
Y1435
:1
:2
XY1435
BK R
Y1438
:1
:2
XY1438
BK R
B4301:5へ
A停止センサ 装着部1リモート
[NE/06/2B]
B4401:5へ
A停止センサ 装着部2リモート
[NE/06/2D]
B4302:5へ
A停止センサ 装着部3リモート
[NE/06/2C]
B4402:5へ
A停止センサ 装着部4リモート
[NE/06/2E]
X1416
X1415
X1414
744
743
742
745
X1417
B1414
XB1414
:3
+
OUT
-
:2
:1
B1415
XB1415
:3
+
OUT
-
:2
:1
B1416
XB1416
:3
+
OUT
-
:2
:1
B1417
XB1417
:3
+
OUT
-
:2
:1
X1436
X1437
760
761
X1439
763
Y1436
:1
:2
XY1436
BK R
Y1437
:1
:2
XY1437
BK R
Y1439
:1
:2
XY1439
BK R
X1401 X1402
IN OUT
CN10
CN11
CN12
CN13
CN14
CN15
CN16
CN17
CN18
CN19
CN20
CN21
CN22
CN23
CN25 CN45
CN43
CN42
CN41
CN40
CN39
CN38
CN37
CN36
CN35
CN34
CN33
CN32
CN31
CN30
CN24 CN44
CN1A CN2A
1 2 3
CN4
CN3
21 4
X1403 X1404
1 2 3
CN26
X1426
549
24A3
[NE/13/7C]
X27163:4へ
U27(RLY)
[NE/13/7C]
ch2-1
(U06:X0602)
HLS-LINK HLS-LINK
(-X1300F1(前))
ch2-1
基板ストッパAR
基板ストッパAL 原点センサ
基板ストッパAL 上昇センサ
基板ストッパ5 原点センサ(OP)/L流
基板ストッパ5 上昇センサ(OP)/L流
基板ストッパAR 原点センサ/R流
基板ストッパAR 上昇センサ/R流
Zクランプシリンダバルブ
可動1,2R
Zクランプシリンダバルブ
可動1,2R
(A:降下)
(B:上昇)
A停止センサ 装着部2リモート/R流
A停止センサ 装着部1リモート/L流
A停止センサ 装着部1リモート/R流
A停止センサ 装着部2リモート/L流
装着部3リモート(OP)/L流
(オプション)
装着部4リモート(OP)/R流
A停止センサ
A停止センサ
(オプション)
基板ストッパBL 原点センサ
基板ストッパBL 上昇センサ
基板ストッパ6 原点センサ(OP)/L流
基板ストッパ6 上昇センサ(OP)/L流
基板ストッパBR 原点センサ/R流
基板ストッパBR 上昇センサ/R流
Zクランプシリンダバルブ
可動3R
Zクランプシリンダバルブ
可動3R
(A:降下)
(B:上昇)
基板ストッパBR
(オプション)
M123 アラーム信号
(オプション)
M124 アラーム信号
注1
注1
1 2 3 4 5 6 7 8
A
B
C
D
E
F
U08 I/O P.C.B STLT CNVR(R)

58
OM-1682
1101-001-(02002-1)
15.5 ケーブル接続図
15.5 ケーブル接続図
デュアル搬送配線接続図 1
M
M
M
M
M
M
M
M
M
M
1091401300-08
BA側面パネル TB:DC1
1091401300-08
BA側面パネル TB:DC1
UB77:X2762
1091401300-09
CPU2(U85) X8513
AE-LINK変換器U181(R)
2091401304-02
2091401304-02
X0804
X0803
BA側面パネル TB:DC1
1091401300-08
X0801 X0802
HLS集約部(U12):X1202
フィーダ一括交換コネクタ部(R)
X1300F1
1091401300-11
2091401304-02
A161A45 A47
X14106
X16108
CN8
可動シュート3原点センサー
B16103
B16301
M163
NA-W3
CN8
CN4
M45
NL-LB1
M46
NL-LB2
CN8
CN4
M47
NA-LB1
M48
NA-LB2
A53
バックアップ1原点
B5301
X5304
CN4
バックアップ2原点
B5401
X5308
CN8
M53
NA-BAL
M54
NA-BAR
CN5
X16105
CN1
X4501
CN5
X4505
CN1
X4701
CN5
X4705
CN1
X5301
CN5
X5305
X4510
CN10
X4710
CN10
X16110
CN10
X15306
X5310
CN10
N1 N2 N1 N2 N1 N2 N1 N2
X4509
CN9
X4709
CN9
X16109
CN9
X5309
CN9
X12762
X4504
X4508
CN3
X5303
CN7
X5307
A41
CN8
CN4
CN1
X4101
CN5
X4105
X4110
CN10
N1 N2
X4109
CN9
X4104
X4108
Aレーン減速センサ
Aレーン停止センサ
B4102
B4101
B4102
B4101
M41
NL-LA1
M42
NL-LA2
X16104
CN4
可動シュート1原点センサー
B16101
B16101
Bレーン減速センサ
Bレーン停止センサ
B4502
B4501
B4502
B4501
M161
NA-W1
CN1
X16101
CN2A/2BCN1A/1B
/RX
RX
/TX
TX
9,10
7,8
5,6
3,4
/RX
RX
/TX
TX
9,10
7,8
5,6
3,4
U08
搬送L(UB32)
X0820
CN20
B0820
B0820
可動シュート3 バックアップピン検出3
B0820T
X0833
CN33
X0837
X0836
CN36
CN37
X0839
CN39
Y0836
Y0837
可動3 Zクランプ下降:L
可動3 Zクランプ上昇:L
Y0839
基板ストッパー Bレーン:L
CN4
CN3
X0812
CN12
B0812,0813
X0813
CN13
Y0833
基板ストッパ6(OP)
L
X0810
CN10
B0810,0811
X0811
CN11
X0819
CN19
B0819
B0819
可動シュート2 バックアップピン検出2
B0819T
X0818
CN18
B0818
B0818
可動シュート1 バックアップピン検出1
B0818T
X0832
CN32
X0835
X0834
CN34
CN35
X0838
CN38
Y0834
Y0835
可動1.2 Zクランプ下降:L
可動1.2 Zクランプ上昇:L
Y0838
基板ストッパー Aレーン:L
Y0832
基板ストッパ5(OP)
B0810
B0811
基板ストッパ原点:OP5
基板ストッパ上昇:OP5
B0812
B0813
基板ストッパ原点:OP6
基板ストッパ上昇:OP6
X4704
X4708
Bレーン停止センサ装着部1
B4702
B4701
B4702
B4701
Bレーン停止センサ装着部3
X0840
X0841
B4801
B4801
Bレーン停止センサ装着部2
X0842
X0840
CN40
X0841
CN41
B4701
B4801
X0842
CN42
B4702
1 2 3 4 5 6 7 8
A
B
C
D
E

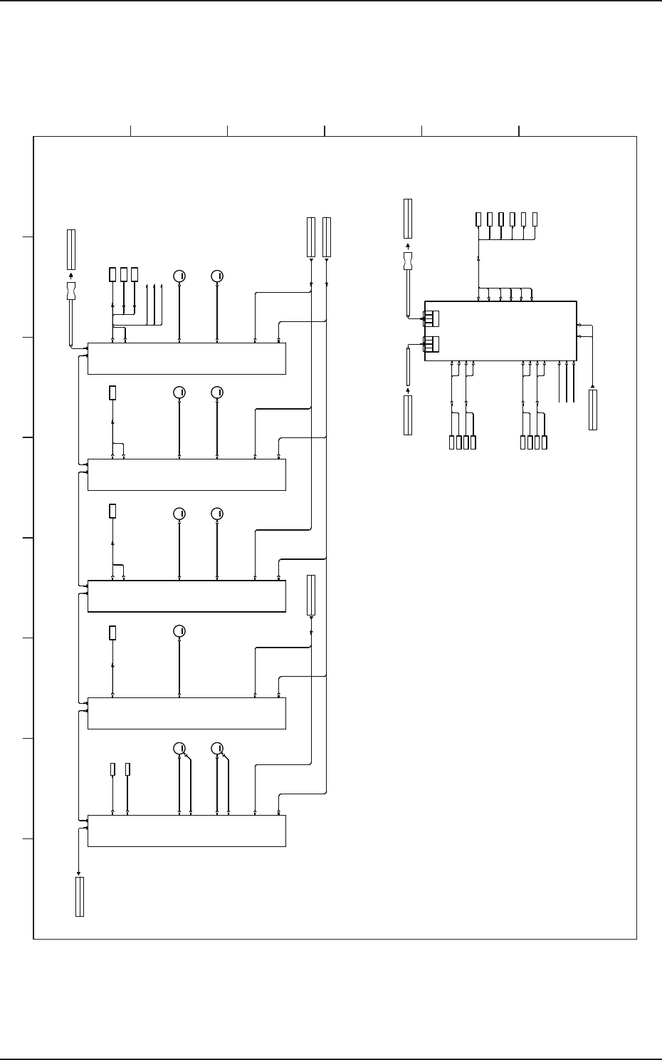
59
OM-1682
1101-001-(02002-2)
15.5 ケーブル接続図
デュアル搬送配線接続図 2
M
M
M
M
M
M
M
M M
AE-LINK変換器U181(L)
UB77:X2763
1091401300-09
2091401304-02
1091401300-08
BA側面パネル TB:DC1
フィーダ一括交換コネクタ部(F)
X1402
X1300F1
2091401304-02
X0803
BA側面パネル TB:DC1
1091401300-08
X0801 X0802
HLS集約部(U12):X1202
フィーダ一括交換コネクタ部(R)
X1300F1
1091401300-11
2091401304-02
1091401300-08
BA側面パネル TB:DC1
X5504
X5508
A55
CN8
CN4
CN1
X5501
CN5
X5505
X5510
CN10
N2 N1
X5509
CN9
X12763
X16204
A162
CN4
M162
CN1
X16201
NA-W2
X16210
CN10
N2 N1
X16209
CN9
X5104
X5108
A51
CN8
CN4
CN1
X5101
NR-LB1
M52
CN5
X5105
NR-LB2
X5110
CN10
N2 N1
X5109
CN9
X4904
X4908
B5101
B5101
A49
CN8
CN4
M49
CN1
X4901
NR-LA1
M50
CN5
X4905
NR-LA2
X4910
CN10
N2 N1
X4909
CN9
X4304
X4308
A43
CN8
CN4
M43
CN1
X4301
NA-LA1
M44
CN5
X4305
NA-LA2
X14906
X4310
CN10
N2 N1
X4309
CN9
M55
NA-BBL
M56
NA-BBR
CN3
X5503
CN7
X5507
バックアップ3原点
B5501
バックアップ4原点
B5601
可動シュート2原点センサー
B16203
B16201
Aレーン停止センサ
B4901
B4901
Bレーン停止センサ
M51
CN2A/2BCN1A/1B
/RX
RX
/TX
TX
9,10
7,8
5,6
3,4
/RX
RX
/TX
TX
9,10
7,8
5,6
3,4
U14
搬送L(UB32)
X1440
CN40
X1441
CN41
X1437
X1438
CN38
CN37
X1439
CN39
Y1436
Y1437
可動3 Zクランプ下降:L
可動3 Zクランプ上昇:L
Y1439
基板ストッパー Bレーン:L
CN4
CN3
B4301
B4401
X1412
CN12
B1412,1413
X1413
CN13
B1412
B1413
R
X1410
CN10
B1410,1411
X1411
CN11
B1410
B1411
X1435
X1434
CN34
CN35
X1436
CN36
Y1434
Y1435
可動1.2 Zクランプ下降:R
可動1.2 Zクランプ上昇:R
Y1438
基板ストッパー Aレーン:R
基板ストッパ原点:AL
基板ストッパ上昇:AL
基板ストッパ原点:AR
基板ストッパ上昇:AR
X0816
CN16
B1416,1417
X0817
CN17
B1416
B1417
X1414
CN14
B1414,1415
X1415
CN15
B1414
B1415
基板ストッパ原点:BL
基板ストッパ上昇:BL
基板ストッパ原点:BR
基板ストッパ上昇:BR
X14906
49W2100448
X1442
CN42
B4302
Aレーン停止センサ装着部1
B4302
B4301
B4302
B4301
Aレーン停止センサ装着部3
X1440
X1441
B4401
B4401
Aレーン停止センサ装着部2
X1442
1 2 3 4 5 6 7 8
A
B
C
D
E