NPM-D3 20151225 - 第431页
Ref No. Remarks R 1 Q'ty 65-E 軽量16ノズ ルヘッド: NPM Light weight 16 Noz zle Head:NP M イラスト No. Part No. 品 名 品 番 数量 R 2 パーツリスト Kit No. キット品番 Kit Name キット名称 N610159207AA Part Nam e 備 考 セク ション No . PARTS LIST Section No. R …

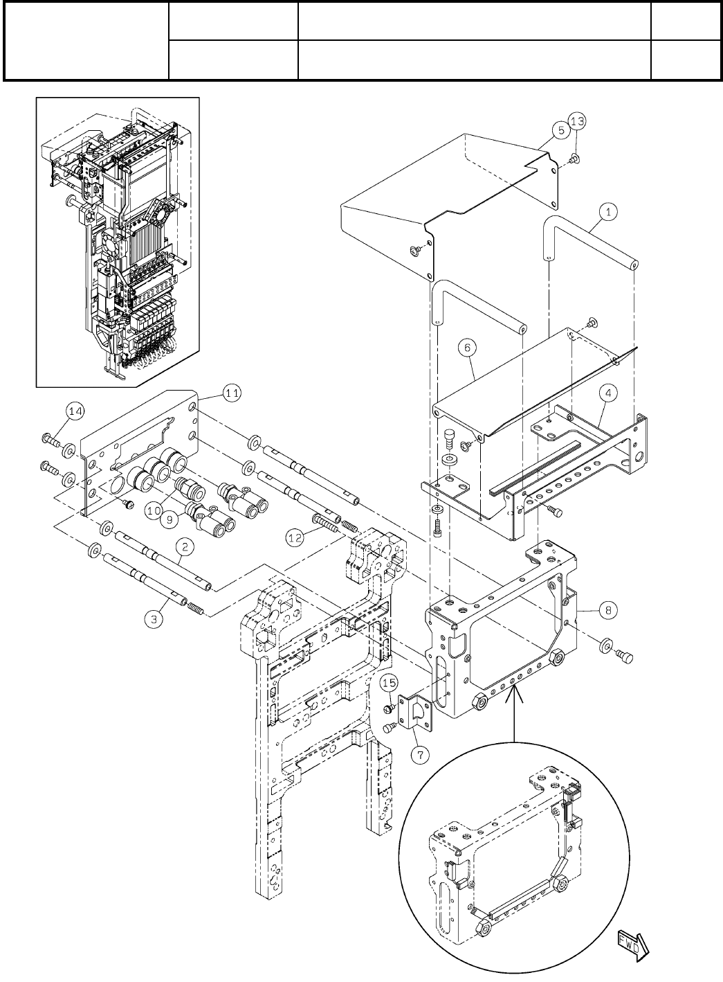
65-E
軽量16ノズルヘッド:NPM
Light weight 16 Nozzle Head:NPM
パーツレイアウト
Kit No.
キット品番
Kit Name
キット名称
N610159207AA
セクションNo.
PARTS LAYOUT
Section No.
--
O237
( KN610159207AA-10-5 )

Ref
No.
Remarks R
1
Q'ty
65-E
軽量16ノズルヘッド:NPM
Light weight 16 Nozzle Head:NPM
イラスト
No.
Part No.
品 名品 番 数量
R
2
パーツリスト
Kit No.
キット品番
Kit Name
キット名称
N610159207AA
Part Name
備 考
セクションNo.
PARTS LIST
Section No.
R
3
MANIFOLD
1
1 N510067606AA VV3Q12-08-X437
MANIFOLD
1
2 N510067608AA VV3Q12-16-X439
MANIFOLD
1
3 N510067607AA VV3Q12-08-X438
VALVE
16
4 N510054843AA VQ111U-5MO-X479
SENSOR
1
5 N510068524AA PFMV530F-1-N-X920B
SENSOR
1
6 N510068525AA PFMV530F-1-N-X921B
ELEMENT
10
7 N510059928AA AXT1197-7A-03
JOINT
16
8 N510054845AA AXT1197-1A
O-RING
10
9 N510059867AA AXT1197-8A
SENSOR
1
10 N510068526AA PFMV530F-1-N-X922B
SENSOR
1
11 N510068527AA PFMV530F-1-N-X923B
VALVE
16
12 N510054844AA VQ111U-5LO-X480
O238
--
( KN610159207AA-10-5 )

65-F
軽量16ノズルヘッド:NPM
Light weight 16 Nozzle Head:NPM
パーツレイアウト
Kit No.
キット品番
Kit Name
キット名称
N610159207AA
セクションNo.
PARTS LAYOUT
Section No.
--
O239
( KN610159207AA-10-6 )