QP-242E-11 - 第270页
QP-242E P ARTS LIST ver1 1 7 1 . 2 . M T U - 6 E 昇降装置( B H T A ) 7 1 . 2 . M T U - 6 E E l e v a t o r ( B H T A ) 7 1 - 5 7 1 . 2 . M T U - 6 E 昇降装置( B H T A ) 7 1 . 2 . M T U - 6 E E l e v a t o ( B H T A ) R e f . 3 3…

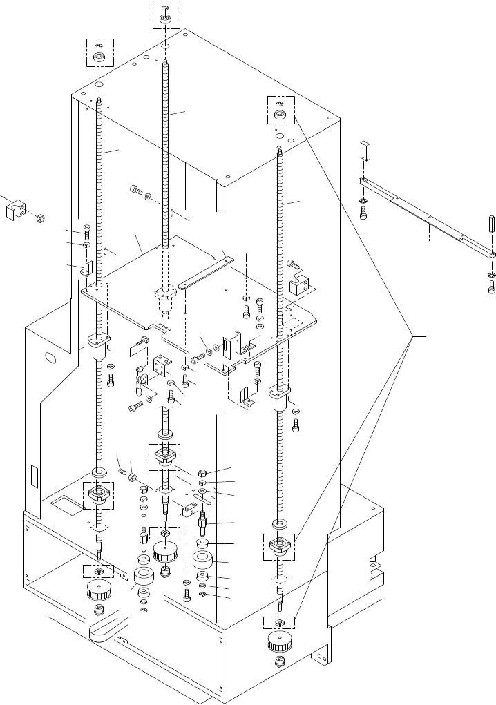
71.1.MTU-6E 昇降装置(BHTA)
71.1.MTU-6E Elevator(BHTA)
番号 図番 & コード番号 個数 品名 規格 備考
No.
Drg. No. & Code No.
QTY Description Rating Remarks
113 BHTA0750 4 NUT ナット
115 S3135A 2 SW, PHOTOELECTRIC SW 光電 PS52
116 A1040H 2 AMPLIFIER アンプ PS2-61
119 BHTA0890 1 COVER, TOP カバー トップ
120 BHTA0921 2 GUIDE ガイド
121 H5142Z 2 BOLT, WING ボルト 蝶 M4X6L
122 H5295A BOLT, HEX SOCKET ボルト 六角穴 M4X35L
123 H5296A BOLT, HEX SOCKET ボルト 六角穴 M4X40L
124 W1041A
WASHER, FLAT
ワッシャ 平
1W-4
131 BHTA1000 1 NAMEPLATE 銘板
132 ABHTA3050 1 DOOR 扉 Brown Smoke
133 ABHTA0941 1 DOOR 扉 Smoke(Option)
134 BHTA3080 4 SPACER スペーサ
135 BHTA3090 2 GUIDE ガイド
136 BHTA3070 1 BKT BKT
137 K5315D 1 CONTROLLER コントローラ S3D2-CKD
138 H5283A BOLT, HEX SOCKET ボルト 六角穴 M3X40L
139 K5175Y
SCREW, C/R PAN
小ネジ 十穴鍋 M2X10L
140 BHTC2510 1 NAMEPLATE, CAUTION 銘板 注意
141 BHUF0650 3 NAMEPLATE, CAUTION 銘板 注意
142 KPA0890 3 SEAL シール
143 BHTA1220 1 PULLEY, MOTOR プーリ モータ
144 BHTA1230 1 CAP キャップ
145 IGK1040 1 COLLAR SPACER カラー スペーサ ・
QP-242E PARTS LIST ver11
71 - 4
71.1.MTU-6E 昇降装置(BHTA)
71.1.MTU-6E Elevator(BHTA)

QP-242E PARTS LIST ver11
71.2.MTU-6E 昇降装置(BHTA)
71.2.MTU-6E Elevator(BHTA)
71 - 5
71.2.MTU-6E 昇降装置(BHTA)
71.2.MTU-6E Elevato(BHTA)
Ref.33-7
タテx173.205
Ref.31-1
Ref.31-1
Ref.31-1
Ref.33-7
58
40
43
31
43
32
73
83
36
42
30
58
40
43
31
43
32
42
30
5
81
85
108
107
101
108
85
81
5
42
30
5
57
63
82
46
7
70
83
65
82
64
82
88
10
23
66
82
88
82
65
64
82
35
34
66
82
16
82
64
1
1
1
41
20
66
82
118
66
A
A
118
105
82
65
A
B
B
119
121
120
8
123
121
120
122
x8
208
176
165
175
161
175
161
175
161
183
162
176
167
175
161
13
13
B
A
139
26

71.2.MTU-6E 昇降装置(BHTA)
71.2.MTU-6E Elevator(BHTA)
番号 図番 & コード番号 個数 品名 規格 備考
No.
Drg. No. & Code No.
QTY Description Rating Remarks
1 BHTA0010 3 BALL SCREW ボールネジ
5 BHTA0150 3 STOPPER ストッパ
7 BHTA0170 1 BKT BKT
8 BHTA1250 1 STOPPER, POSITIONING ストッパ 位置決め
10 BHTA0270 1 DOG ドッグ
16 BHTA0400 1 PLATE, GUIDE プレート ガイド
20 BHTA0530 1 PLATE, LIFTER プレート リフタ
23 BHTA0570 1 BKT BKT
30 BHTA0650 3 PULLEY プーリ
31 BHTA0660 2 PULLEY プーリ
32 BHTA0670 2 SHAFT シャフト
34 BHTA0720 1 GUIDE ガイド
35 BHTA0730 1 GUIDE ガイド
36 BHTA0740 1 BLOCK ブロック
40 IPB0420 2 COLLAR カラー
41 H4567A 3 BEARING UNIT ベアリングユニット WBK08-11-DB
42 R2068T 3 RING, LOCKING リング 締結 TL006X017KE
43 H4242A 4 BEARING ベアリング RF-2280ZZ
46 K30067 1 CLAMPER クランパ HH250
57 H4519K 1 BELT ベルト 1680-3GT-15
58 S1024A 2
CIR-CLIP
サークリップ ST-EW-6
63 H5285A
BOLT, HEX SOCKET
ボルト 六角穴
M4X5L
64 H5287A
BOLT, HEX SOCKET
ボルト 六角穴
M4X8L
65 H5288A BOLT, HEX SOCKET
ボルト 六角穴
M4X10L
66 H5289A
BOLT, HEX SOCKET
ボルト 六角穴
M4X12L
70 H5298A
BOLT, HEX SOCKET
ボルト 六角穴
M5X10L
73 H5301A
BOLT, HEX SOCKET
ボルト 六角穴
M5X18L
81 W1021A
WASHER, LOCK
ワッシャ スプリング 3M/M
82 W1022A
WASHER, LOCK
ワッシャ スプリング 4M/M
83 W1023A
WASHER, LOCK
ワッシャ スプリング 5M/M
85 W1025A
WASHER, LOCK
ワッシャ スプリング 8M/M
88 W1043A
WASHER, FLAT
ワッシャ 平
4W-4
101 . SCREW, HEX SOCKET SET
ネジ 六角穴止め
M3X8L
105 .
NUT, HEX
ナット 六角
M4 P=0.7
107 N1085A
NUT, HEX
ナット 六角
M8 P=1.25
108 N1089A
NUT, HEX
ナット 六角
M10 P=1.5
118 BHTA0880 3 GUIDE ガイド
QP-242E PARTS LIST ver11
71 - 6
71.2.MTU-6E 昇降装置(BHTA)
71.2.MTU-6E Elevator(BHTA)