QP-242E-11 - 第324页
87.MTU-71E リムーバ配管(空トレイ吸着確認)(オプション)(BHTC) 87.MTU-71E Remover air device(Empty tray pick up check)(Option)(BHTC) 番号 図番 & コード番号 個数 品名 規格 備考 No. Drg. No. & Code No. QTY Description Rating Remarks 38 K5207A SCREW, TR…

87.MTU-71E リムーバ配管(空トレイ吸着確認)(オプション)(BHTC)
87.MTU-71E Remover air device(Empty tray pick up check)(Option)(BHTC)
番号 図番 & コード番号 個数 品名 規格 備考
No.
Drg. No. & Code No.
QTY Description Rating Remarks
1 BHTC7130 1 BOX BOX
2 BHTC7020 1 BKT BKT
3 BHTC7031 1 KNUCKLE ナックル
4 BHTC7040 1 BKT, WIPING BKT 配線
5 BHTC7050 1 COVER, PROTECTIVE カバー 保護
6 BHTC7070 1 PIPE パイプ
7 BHTC7140 1 COVER カバー
8 T2061C 1 TUBE チューブ MPS-8-15-4X0.15
9 BHTC7100 1 COVER, WIRING カバー 配線
10 S2110R 1 CYLINDER, AIR シリンダ エアー CDQ2D12-20DM
11 N1001A 1
KNUCKLE
ナックル Y-G012
12 H2014H 2 PIN ピン IYーJ015
13 S1027A 4 CIR-CLIP サークリップ STW5
14 H1130A 1
VALVE, SOL
バルブ SOL VXD2130-02-5G-B
15 . 1 VALVE バルブ VQ1261-5MB-C6
16 H1024F 1 VALVE バルブ VQ1161-5M-C4
17 K5337H 2
CONTROLLER, SPEED
コントローラ スピード AS1201F-M5-04
18 Y3087A 1 UNION, FEMALE ユニオン メス KQE10-02
19 Y3057T 2
UNION, HALF
ユニオン ハーフ KQH10-02S
20 Y3055C 2
UNION, ELBOW
ユニオン エルボ KQL10-02S
21 Y30415 1
UNION
ユニオン KQT10-00
22 K5076T 1 CONNECTOR コネクタ KQU10-99
23 K5075E 1
CONNECTOR
コネクタ KQU06-08
24 Y30403 1 UNION ユニオン KQR08-10
25 Y3040T 1
UNION
ユニオン KQR04-06
26 Y3040Y 1 UNION ユニオン KQR04-10
27 N20336 1 NIPPLE ニップル DHF08-02
28 H31648 1 PLUG プラグ PT1/8
29 H1332T 1 VALVE バルブ VQ1261-5MB-C4
30 H5273A
BOLT, HEX SOCKET
ボルト 六角穴
M3X5L
31 H5278A
BOLT, HEX SOCKET
ボルト 六角穴
M3X15L
32 H5286A
BOLT, HEX SOCKET
ボルト 六角穴
M4X6L
33 H5287A
BOLT, HEX SOCKET
ボルト 六角穴
M4X8L
34 H5298A
BOLT, HEX SOCKET
ボルト 六角穴
M5X10L
35 W1021A
WASHER, LOCK
ワッシャ スプリング 3M/M
36 W1022A
WASHER, LOCK
ワッシャ スプリング 4M/M
37 W1023A
WASHER, LOCK
ワッシャ スプリング 5M/M
QP-242E PARTS LIST ver11
87 - 2
87.MTU-71E リムーバ配管(空トレイ吸着確認)(オプション)(BHTC)
87.MTU-71E Remover air device(Empty tray pick up check)(Option)(BHTC)

87.MTU-71E リムーバ配管(空トレイ吸着確認)(オプション)(BHTC)
87.MTU-71E Remover air device(Empty tray pick up check)(Option)(BHTC)
番号 図番 & コード番号 個数 品名 規格 備考
No.
Drg. No. & Code No.
QTY Description Rating Remarks
38 K5207A
SCREW, TRUSS
コネジ トラス M4X5L
41 A10381 1 AMPLIFIER アンプ AP-80A ・
QP-242E PARTS LIST ver11
87 - 3
87.MTU-71E リムーバ配管(空トレイ吸着確認)(オプション)(BHTC)
87.MTU-71E Remover air device(Empty tray pick up check)(Option)(BHTC)

QP-242E PARTS LIST ver11
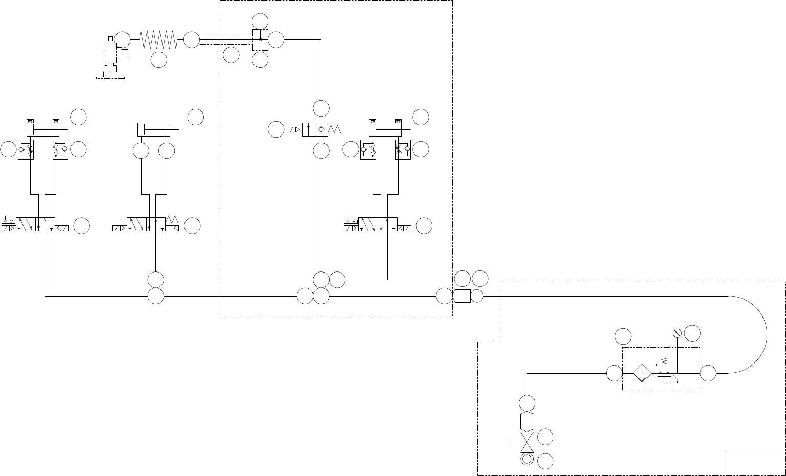
88.MTU-71E リムーバ エアー配管図(BHWB)
88.MTU-71E Remover pneumatic circuit diagram(BHWB)
88 - 1
88.MTU-71E リムーバ エアー配管図(BHWB)
88.MTU-71E Remover pneumatic circuit diagram(BHWB)
Ref.33-7
タテx173.205
Ref.31-1
Ref.31-1
Ref.31-1
Ref.33-7
31
18
30
17
16
29
32
φ1
φ1
21
10
21
OUT
IN
1/4
1/4
13
1111
M5 M5
リム−バリフタ−上下
Remover lifter up/down
φ20X88
上昇
下降
φ2
φ4
φ3
φ4
7
φ1
φ4
A B
2324
2225
φ1
φ10
φ1
φ10
φ1
φ10
φ1
φ6
26
27
89
φ4
φ4
φ5
φ4
φ6
φ6
φ7
φ6
φ1
φ4
28
14
28
A BA B
リム−バ配管リフタ−
Remover tube rifte
φ12X20
リム−バチャック開閉
Remover chuck open/close
φ16X5
M5
M5
down
up
12
15
12
1/8
1/8
up
down
φ1
φ8
20
6 5
21
4
3
21
20
2
1
1/4
1/4
1/4
19
φ1
φ10
φ1
φ10
MTU-71
5Kg/cm
上
下
下
上
rise
lower
閉
close
開
open
φ8
x2
x
208
176
165
175
161
175
161
175
161
183
162
176
167
175
161
13
13
B
A
139
26
2