YG12F_KKS_e
YG12F KKS-0911 (CWD) Contr ol Wiring Diagram

YG12F
KKS-0911 (CWD)
Control Wiring Diagram
YG12F (KKS)
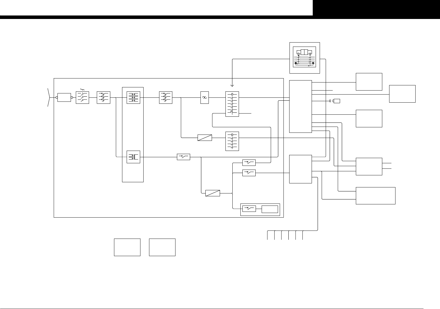
Over view
Control box
I/O conveyor -1-
I/O conveyor -2-
I/O conveyor -3-
Head
Multi camera unit sel.
Operation panel sel.
Front FIX24x2
Front FIX24x2/Rear FIX60(OP)
Ionizer assy option
Power transformer
Power circuit
Emergency circuit
Air circuit
Wiring parts list
Table of contents
Confi dential & Proprietary
P. 1
P. 2
P. 3
P. 4
P. 5
P. 6
P. 7
P. 8
P. 9
P.10
P.11
P.12
P.13
P.14
P.15
P.16

Confidential & Proprietary
PAGE
See Page 10
IONIZER ASSY(OPTION) EMERGENCY CIRCUIT
See Page 14See Page 11
FRONT FIX24x2/REAR FIX60
FRONT FIX24x2
See Page 9
FEEDER STRUCTURE
I/O TF-1,2
MULTI CAMERA UNIT SEL.
See Page 14
ATS15(OPTION)
ATS15
QF26 4A
See Page 13
See Page 12
Rating 4.3KVA MAX.
GS21 300W 14A
Power Supply
DC24V
COMU
COMU
QF21 7A
Transformer
POWER TRANSFORMER
Main Breaker
QF11 20A
TM11 1.7KVA
1.5KVA(with UPS)
1.0KVA(STD)
TC11
Transformer
3∼ 3∼AC230V3∼
Terminal
XB11
QS11 25A
Main Switch
380/400/416V
200/208/220/240
3∼ 50/60Hz
DC24V
DC24V
DC24V
QF25 4A
DC24V
QF23 12A
1∼AC100V
DC48V DC48VDC48V
Contactor
KM12/KM12A
Filter
Noise
NF11
Protector
Circuit
Peak 15.5A 10sec
GS31 DC48V 7A
Power Supply
3∼AC230V 3∼AC230V
1∼AC230V
CONVEYOR MOTOR
Contactor
DC24V
KM11/KM11A
3∼AC230V
KM10
EMERGENCY CIRCUIT
Safety Relay
K2 K1CH1CH2
AC50/60Hz 11.6A(MAX)
AC50/60Hz 4.0A(MAX)
MOTOR:3∼ 230V
CONTROL:1∼ 100V
INPUT:
A1
See Page 2
CONTROL BOX
OUTPUT:
DRIVER
3∼ 200V 0-417Hz
2:2.36KW(TOTAL)
1:1.30KW(TOTAL)
3∼ 200V 0-417Hz
2:2.36KW(TOTAL)
STANDARD
STD+ATS15(OPTION)
1:1.66KW(TOTAL)
OPERATION PANEL SEL.
See Page 8
USB MEMORY
Each Motors
See Page 7
See Page 2
(OPTION)
IT OPTION
BARCODE READER
DC48V
HEAD
COMU
DC24VDC24V
COMU
See Page 6
HEAD SENSOR,VALVE
Z,R SERVO MOTOR
COMU
COMU
P041-P048
I/O CONVEYOR
See Page 3-5
P025
EMG S/W
COVER S/W
SIGNAL TOWER
SENSOR
30W
CONVEYOR MOTOR
VALVE
1∼AC100V
POWER CIRCUIT
TERMINAL
QF31 set5A
(4-6.3A)
CC.V3
1
OVER VIEW
YG12F