YG12F_KKS_e - 第8页
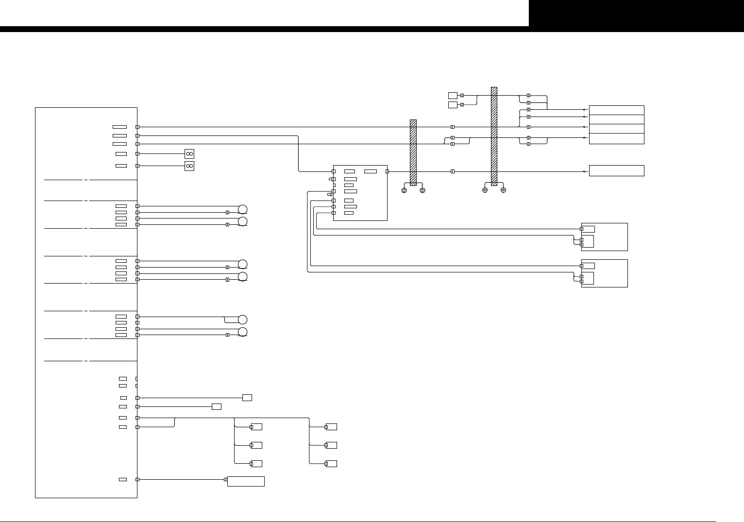
Confidential & Proprietary P A G E CAM2 See Page 13 DC24V CN5 CN4 DUCT Y FLEXIBLE DUCT X FLEXIBLE P087 P086 D.CAM2 D.CAM1 LIGHT2 CN5 CAMOUT DC24V CN11 CN9 LIGHT2 CN8 CAM3 CN10 LIGHT3 SRVB1 SRVB2 SRVB1 SRVB2 VISION BO…

Confidential & Proprietary
PAGE
STACK STICK FEEDER(OPTION)
+24V
+24V
+24V
+24V
J0885
+24VF7 CN36
J0187
J0186
PREV C
NEXT B
NEXT A
PREV B
PREV A
J0199
J0198
INTERFACE PANEL
INTERFACE PANEL
J0224
J0223
PREVIOUS INTERFACE
BA IN/UR IN
BUSY OUT/LR OUT
NEXT INTERFACE
BUSY IN/LR IN
BA OUT/UR OUT
COUNT RESET
3 OUT
4 COM
5
1 4
3
KA01
5 DO
1 0V
PREV
J0185CN25
GATE CN25
LDC2 UP
LDC1 UP
MULTI-CAM2 UP
T0100033
YV008
MULTI-CAMERA2 (OPTION)
T0100025
T0100024
EXIT STOPPER UP
SUB STOPPER UPSUB ST
EXIT ST
YV005
YV006
T0100022
PCB CLAMP
CLAMP 1
YV003
T0100020
MAIN STOPPER UPYV001
MAIN ST1
MULTI-CAM1 UP
T0100032
YV007
ACTIVE CHANGE(T0100027)
OPERATION PANEL SEL.
EX
See Page 8
CN24 J0222
MULTI-CAMERA1 (OPTION)
VLV(CONV.) CN24
MULTI CAM.UP/DOWN CN23
CART PW.ON/OF SIGNAL CN22
CART UP/DOWN VLV CN21
See Page 9,10
FEEDER STRUCTURE
I/O TF BOARD POWER
J0711CN44
+24VS1 CN44
See Page 11
See Page 7
See Page 13
J0871
CN34
IONIZER ASSY(OPTION)
ION I/F BOARD ASSY
See Page 2
SERVO BREAKE +24V
CONTROL BOX
EXT.PWR
CN28
MULTI CAMERA POWER
CAMERA UNIT SEL.
J0049
CN27 J0028
M19
CONVEYOR
J0081
CN32
KM11A
POWER CIRCUIT
J0062
J0047
CONVEYOR DRIVER 1
P011
□60 MAX 300rpm
J0064
DCN1
CN1
CV1 CN2 CV1 CN3
CV1
CONVEYOR MOTOR 1 30W
CN3CN2
P018
J0051CN35
I/O CONVEYOR BOARD
See Page 3
DIP SW(S2)
4 653
ON
OFF
1 2
J0103
CN14 IF1 I/O
J0101
INTERFACE BOARD
CONTROL BOX
See Page 2
J0102
I/O AI/O A
ANC STATION(OPTION)
ANC CTRL BOARD ASSY
NOZZLE STATION OPEN
T0100800
YV022
ANC OPENJ0196
DO00,DO01/ANC
CN11A
CN11
DI04/ANC CN9
CN7DI03/ANC
CN6DI02/ANC
J0056
J0112
ANC CN10
ANC+24V
I/O A
I/O A
ANC CN2
ANC CN1
CN5A
CN3A
NOZZLE STATION CLOSE
NOZZLE STATION OPEN
N0101071
N0101070
SQ062
SQ061
CN5
CN3
CN10 DC24V IN
DI01/ANC
DI00/ANC
COM2CN2
COM1CN1
FAN1
FAN4
FAN3
TRNS ROOM
N01008B6
N01008B7
FAN4
REAR BOTTOM COVER
N01008B5
N01008B4
SIDE PANEL
SIDE PANEL
FAN1
FAN2
FAN3
FAN2
CN39 J0048
HL11
ERROR(YELLOW/BLUE)
ALARM(RED/WHITE)
T01000D6
T01000D1
T01000D0
T01000D2
HL11
RUN(GREEN)
BUZZER
CN40 J0221
CN41 AMF2
AMF1
T0100035
T0100034
J0225
See Page 6
I/O HEAD POWER
I/O HEAD
CN43 J0042
CN35+24VF6
CN34+24E
+24VC2,+24VC3
AMF CN41
CN37
CN38
+24VD1
+24VD2
FAN LOCK ALARM CN39
SIGNAL TOWER CN40
+24VF3,+24VC1 CN43
YTF C/V MOTOR CN33
MCH C/V MOTOR CN32
CN30
CN31
+24VD3
+24VD4
CN28
+24VF5 CN27
SS FEEDER CN29
I/O CONVEYOR BOARD ASSY
P025
REAR RIGHT(R1)REAR LEFT(R2)
J0086J0085
FRONT CENTER
REAR CENTER
J0083
COVER EARTH
FRONT RIGHT(F2)
J0087
J0084
J0099
USB
CC.V3
5
I/O CONVEYOR -3-
YG12F

Confidential & Proprietary
PAGE
CAM2
See Page 13
DC24V
CN5
CN4
DUCT Y
FLEXIBLE
DUCT X
FLEXIBLE
P087
P086
D.CAM2
D.CAM1
LIGHT2
CN5CAMOUTDC24VCN11
CN9 LIGHT2
CN8 CAM3
CN10 LIGHT3
SRVB1
SRVB2
SRVB1
SRVB2
VISION BOARD
See Page 2
CONTROL BOX
INTERFACE BOARD
See Page 2
CONTROL BOX
SRVB
J0122 J0121
CAMERA SELECTOR
J0503 J0502CAM2
H+48V J0055J0043
J0042
J0162
J0190
H+24V
CN12
I/O CONV BOARD
See Page 3
See Page 5
I/O CONV BOARD
DC48V,0V48
KM12,XT31
SQ001
SQ005
POW/EMG
CN43
Y1ORG
Y1OT
Y1ORG
Y1OT
CAMOUT
HEAD EMG
LIGHT1
CN6 CAM2
CN4 CAM1
CN7 LIGHT1
P082
CAM2
CAM1
J0321
J0301
Y1-AXIS ORG
N0100980
N0100981
Y1-AXIS OVER TRAVEL
J0301
J0505
J0300
J0504
FID1
FID2
FCAM2
FCAM1
FIDUCIAL CAMERA 1
FIDUCIAL CAMERA 2(OPTION)
FID.LIGHT BRD. ASSY
CN1
CN2
FID.LIGHT BRD. ASSY
CN1
CN2
J0072
J0073
FAN5
FAN6
CN1 J0044
CN2
J0302
J0123
CN3
J0314
J0313
SENS5
SENS4
IF5
IF4
Z5M
M14
Z5-AXIS 10W
Z4-AXIS 10W
M13
Z4M
MAX 1m/s
MAX 1m/s
□42 MAX 2000rpm
R1-AXIS 15W
R1
M09
SENS1J0310
M10
IF1
Z1M
Z1-AXIS 10W
MAX 1m/s
IF3
IF2 SENS2
M12
Z3-AXIS 10W
Z2-AXIS 10W
M11
Z2M
J0312
Z3M
MAX 1m/sJ0311
MAX 1m/sSENS3
YV306
YV305
YV304
YV303
YV302
T003C000
T002C001/T002C003
T002C000/T002C002
T002C801/T002C803
T002C800/T002C802
T003C001/T003C003
HEAD 5(VACUUM/BLOW)HEAD 5
HEAD 4(VACUUM/BLOW)HEAD 4
HEAD 3(VACUUM/BLOW)HEAD 3
HEAD 2(VACUUM/BLOW)HEAD 2
CN21 VACJ0304
J0305
CN19
CN18
SH BLOW SHAFT BLOW
HEAD 1(VACUUM/BLOW)HEAD 1
YV301
P049
VAC.SENSOR BOARD ASSY
XOT
XORG
ORIGIN
X1-AXIS
SQ301
OVER TRAVEL
X1-AXIS
SQ302
N002D006
N002D005
CN4M1
M0
CN4M1
M0
M1
M0
CN4
HEAD SERVO3 P043
HEAD SERVO1 P042
HEAD SERVO5 P044
SENS1 CN2
CN1SENS0
CN2
SENS1 CN2
CN1SENS0
CN2
SENS1 CN2
CN1SENS0
CN2
POW/EMG
I/O TERMINAL
BOARD ASSY
I/O HEAD BOARD ASSY P041
CN1
TXD/RXD CN3
CN2+24VOUT
CN4FAN1
FAN2 CN5
CN21
AD0
DO0
DO1
CN18
CN19
OT
ORG
CN16
CN17
DI0 CN14
DI1 CN15
HEAD SERVO UNIT ASSY
CC.V3
6
HEAD
YG12F

Confidential & Proprietary
PAGE
CAPTURE2 LIGHT
CAPTURE2 LIGHT
SIDE LIGHT UP/DOWN(OPTION)
SIDE LIGHT UP/DOWN(OPTION)
J0049
SQ704
SQ703
LOWEND
UPEND
J0192
CN4
CAPTURE1 LIGHT
CAPTURE1 LIGHT
LOWEND
UPEND
SQ702
SQ701
J0507
VISION BOARD
CAM3
See Page 2
CONTROL BOX
DIGITAL MULTI CAMERA 2 ASSY(REAR)
DIGITAL MULTI CAMERA 1 ASSY(FRONT)
MULTI CAM. SUB ASSY
MULTI CAM. SUB ASSY
CN4
CN4
SUB COAX
SUB COAX
SUB CX
SUB CX
P061 P062
P072P071
P080P079P078P077P076P075 P074P073
J0513
J0512
J0511CAM3
M.CAM
LIGHT CN6
L+24V
+24V
POCLCN8
M.LIGHT SUB CX. ASSYM.LIGHT MAIN ASSY
SUB CX
SUB CX
MAIN
M I/F
MAIN
MAIN
MAIN
MAIN
MAIN
MAIN
MAIN
MAIN
MAIN SUB CX
MAIN
SUB CX
MAIN
MAIN CN1
M.LIGHT COAX. ASSY
DVRI/FCN5
COAX
CN4
CN3
SIDE
MULTI CAMERA POWER
CN28
VISION BOARD
CAM1
See Page 2
CONTROL BOX
See Page 5
I/O CONVEYOR BOARD
J0501 M.CAM
LIGHT CN6
L+24V
+24V
POCLCN8
CAM1 J0508
M.LIGHT SUB CX. ASSYM.LIGHT MAIN ASSY
P064
SUB CX
SUB CX
P063P065
MAIN
M I/F
P066
MAIN
MAIN
P067
MAIN
MAIN
P068
MAIN
MAIN
P069
MAIN
MAIN
P070
MAIN SUB CX
MAIN
SUB CX
J0509
J0510
MAIN
MAIN CN1
M.LIGHT COAX. ASSY
DVRI/FCN5
COAX
CN4
CN3
SIDE
LDC1 UP
LDC1 LOW
LDC2 UP
LDC2 LOW
CC.V3
7
MULTI CAMERA UNIT SEL.
YG12F