P-092-002e - 第55页
在线预览 P-092-002e PDF 文档。

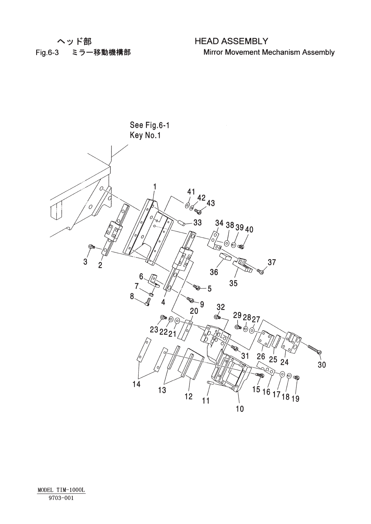
Key No. PART No. PART NAME Q'ty REMARKS REGISTERED No.
51 616 112 0113 PHOTO MICRO SENSOR 2 648CB-11H-509 1CC4V24000050
52 616 111 8981 CONNECTOR 2 648CB-11H-510 1CC4J13000010
53 411 042 0703 SCR PAN 3X8 4 M3X8 PAN
54 411 141 3902 WASHER V 3X7X0.5 4 FW3
55 411 141 2806 WASHER SPR 3 4 SW3
56 630 000 7510 BOLT,HEX-SCT 4 M3X8
57 616 125 8649 HOLDER 1 648CB-11B-037 1CC2FC0506928
58 616 122 2053 SPRING PIN 4 648CB-11H-524 1CC2SD1000240
59 616 122 1995 MIRROR 1 648CB-11H-517 1CC2FK3000141
60 616 122 1810 SHEET 2 648CB-11B-053 1CC2CE0500480
61 616 125 8670 HOLDER 2 648CB-11B-049 1CC2FC0506941
62 411 141 3803 WASHER V 2.5X6.5X0.5 4 FW2.5
63 411 141 6606 WASHER SPR 2.5 4 SW2.5
64 630 061 2868 BOLT,HEX-SCT 4 M2.6X6
65 616 125 7406 BRACKET 1 648CC-11B-045 1CC2FC1006031
66 616 122 2220 BLOCK 1 648CC-11B-043 1CC2FB1003010
66 -1 616 121 5062 L.E.D INDICATOR LIGHT 40 648GL-11D-501 1CC4T42700181
67 630 055 3574 COVER 1 648HH-11B-027
68 411 141 3902 WASHER V 3X7X0.5 4 FW3
69 411 141 2806 WASHER SPR 3 4 SW3
70 630 000 7534 BOLT,HEX-SCT 4 M3X12
71 411 141 3902 WASHER V 3X7X0.5 4 FW3
72 411 141 2806 WASHER SPR 3 4 SW3
73 630 000 7510 BOLT,HEX-SCT 4 M3X8
76 616 125 8632 HOLDER 1 648CB-11B-035 1CC2FC0506913
77 411 141 4008 WASHER V 4X9X0.8 2 FW4
78 411 141 2905 WASHER SPR 4 2 SW4
79 630 000 7664 BOLT,HEX-SCT 2 M4X20
81 411 141 4107 WASHER V 5X10X1 2 FW5
82 411 141 6705 WASHER SPR 5 2 SW5
83 630 000 7756 BOLT,HEX-SCT 2 M5X12
NOTE
6-2
9703-001
MODEL TIM-1000L

