P-092-002e - 第87页
Key No. PART No. PART NAME Q'ty REMARKS REGISTERED No. 1 616 121 9350 BRACKET 1 648FH-11B-009 1CC2FC1005480 2 616 121 9589 INDUCTION MOTOR 1 648FH-11H-505 1CC4M11000060 3 616 121 9596 GEAR HEAD 1 648FH-11H-506 1CC2G…


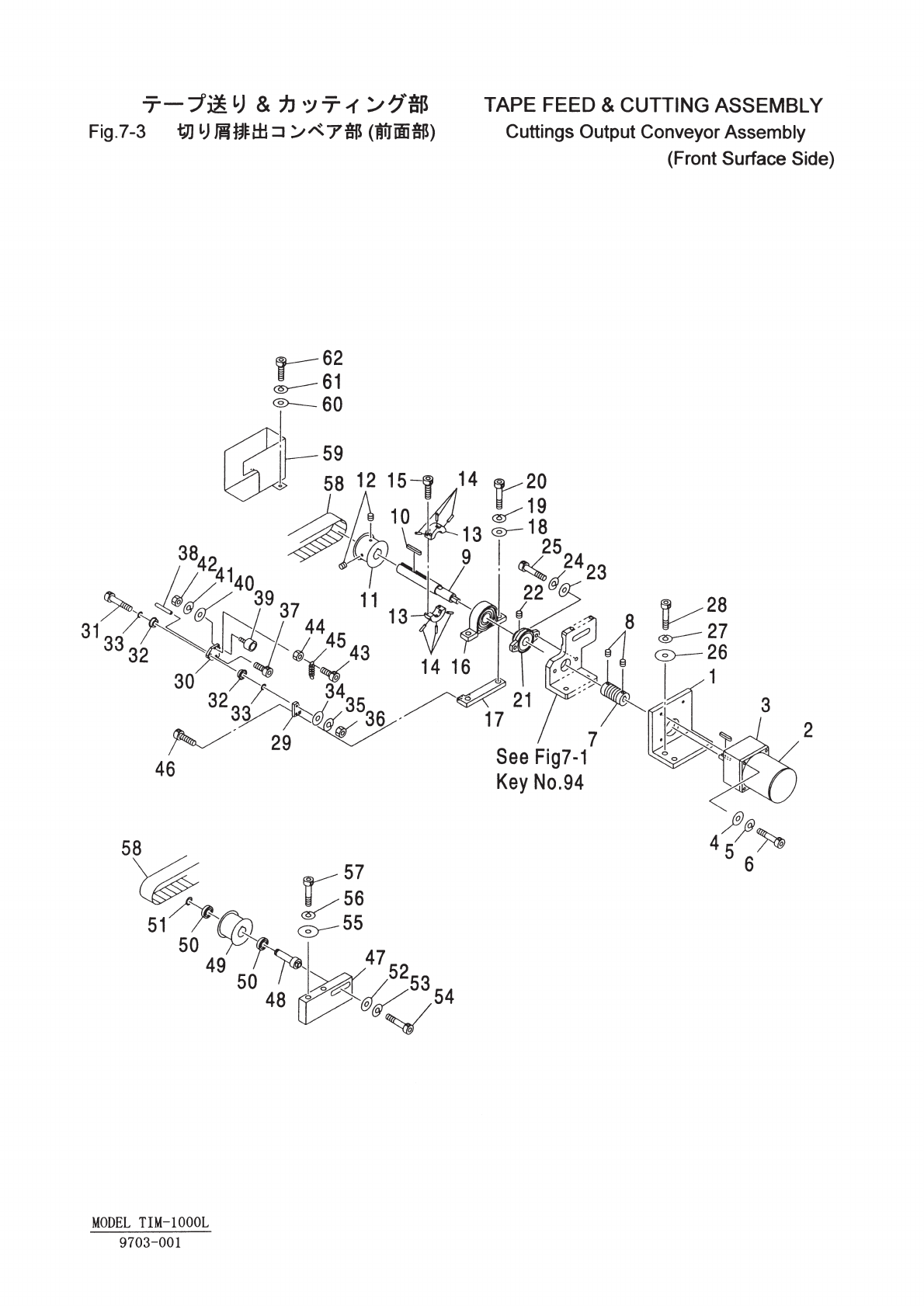
Key No. PART No. PART NAME Q'ty REMARKS REGISTERED No.
1 616 121 9350 BRACKET 1 648FH-11B-009 1CC2FC1005480
2 616 121 9589 INDUCTION MOTOR 1 648FH-11H-505 1CC4M11000060
3 616 121 9596 GEAR HEAD 1 648FH-11H-506 1CC2GB5000810
4 411 141 4107 WASHER V 5X10X1 4 FW5
5 411 141 6705 WASHER SPR 5 4 SW5
6 630 000 7848 BOLT,HEX-SCT 4 M5X60
7 616 121 9572 COUPLING 1 648FH-11H-504 1CC2GJ1000401
8 630 000 8944 SET SCREW 2 M5X6 SET
9 630 054 5432 SHAFT(A) 1 648FH-11B-011
10 616 121 9541 KEY 1 648FH-11H-501 1CC2GJ2000690
11 616 125 7024 PULLEY 1 648FH-11B-017 1CC2GD2003231
12 630 030 4701 SET SCREW 2 M4X10 SET
13 630 054 5449 BUSH,LOCATE 1 648FH-11B-036
14 616 121 9664 PIN 6 648FH-11H-516 1CC2SD0502110
15 630 000 7534 BOLT,HEX-SCT 2 M3X12
16 616 121 9602 BEARING UNIT 1 648FH-11H-507 1CC2GF5000280
17 616 125 7048 BLOCK 1 648FH-11B-032 1CC2FB1003031
18 411 141 4503 WASHER V 8X17X1.6 2 FW8
19 411 141 3100 WASHER SPR 8 2 SW8
20 630 000 8036 BOLT,HEX-SCT 2 M8X30
21 616 121 9619 BEARING UNIT 1 648FH-11H-508 1CC2GF5000270
22 630 000 8906 SET SCREW 1 M3X8 SET
23 411 141 4305 WASHER V 6X12.5X1.6 2 FW6
24 411 141 3001 WASHER SPR 6 2 SW6
25 630 000 7893 BOLT,HEX-SCT 2 M6X20
26 630 001 0237 WASHER 2 BW6
27 411 141 3001 WASHER SPR 6 2 SW6
28 630 000 7893 BOLT,HEX-SCT 2 M6X20
29 616 125 7055 BLOCK 1 648FH-11B-033 1CC2FB1003042
30 616 121 9466 LEVER 1 648FH-11B-034 1CC2CC0501210
31 630 000 7664 BOLT,HEX-SCT 1 M4X20
32 616 121 9657 BALL BEARING 2 648FH-11H-514 1CC2GF4000692
33 616 111 8363 WASHER 2 648FH-11H-518 1CC2SB0500400
34 411 141 4008 WASHER V 4X9X0.8 1 FW4
35 411 141 2905 WASHER SPR 4 1 SW4
36 411 141 0307 NUT HEX 4 1 M4
37 630 000 7503 BOLT,HEX-SCT 1 M3X6
38 616 121 9473 SHAFT 1 648FH-11B-035 1CC2GK0503480
39 616 111 9988 FOLLOWER 1 648FH-11H-515 1CC2GC1000120
40 411 141 3902 WASHER V 3X7X0.5 1 FW3
41 411 141 2806 WASHER SPR 3 1 SW3
42 411 140 9905 NUT HEX 3 1 M3
43 630 000 7534 BOLT,HEX-SCT 1 M3X12
44 411 140 9905 NUT HEX 3 1 M3
45 616 125 7109 SPRING 1 648FH-11H-517 1CC2GM0506750
46 630 000 7503 BOLT,HEX-SCT 2 M3X6
47 616 121 9305 BRACKET 1 648FH-11B-001 1CC2FC1005462
48 616 125 6973 SHAFT 1 648FH-11B-003 1CC2GK0503372
49 616 125 7031 PULLEY 1 648FH-11B-018 1CC2GD2003241
50 616 112 1394 BALL BEARING 2 648FH-11H-509 1CC2GF4000140
NOTE
7-3
9703-001
MODEL TIM-1000L

Key No. PART No. PART NAME Q'ty REMARKS REGISTERED No.
51 616 121 9626 RING C 12 1 648FH-11H-510 1CC2SC1000040
52 411 141 4503 WASHER V 8X17X1.6 1 FW8
53 411 141 3100 WASHER SPR 8 1 SW8
54 630 000 7985 BOLT,HEX-SCT 1 M8X10
55 630 001 0237 WASHER 2 BW6
56 411 141 3001 WASHER SPR 6 2 SW6
57 630 000 7893 BOLT,HEX-SCT 2 M6X20
58 616 125 7079 BELT 1 648FH-11H-503 1CC2GD1504951
59 616 125 7017 COVER 1 648FH-11B-016 1CC2CA0504852
60 411 141 4107 WASHER V 5X10X1 2 FW5
61 411 141 6705 WASHER SPR 5 2 SW5
62 630 000 7749 BOLT,HEX-SCT 2 M5X10
NOTE
7-3
9703-001
MODEL TIM-1000L