EJM8A-E-EP1 - 第45页
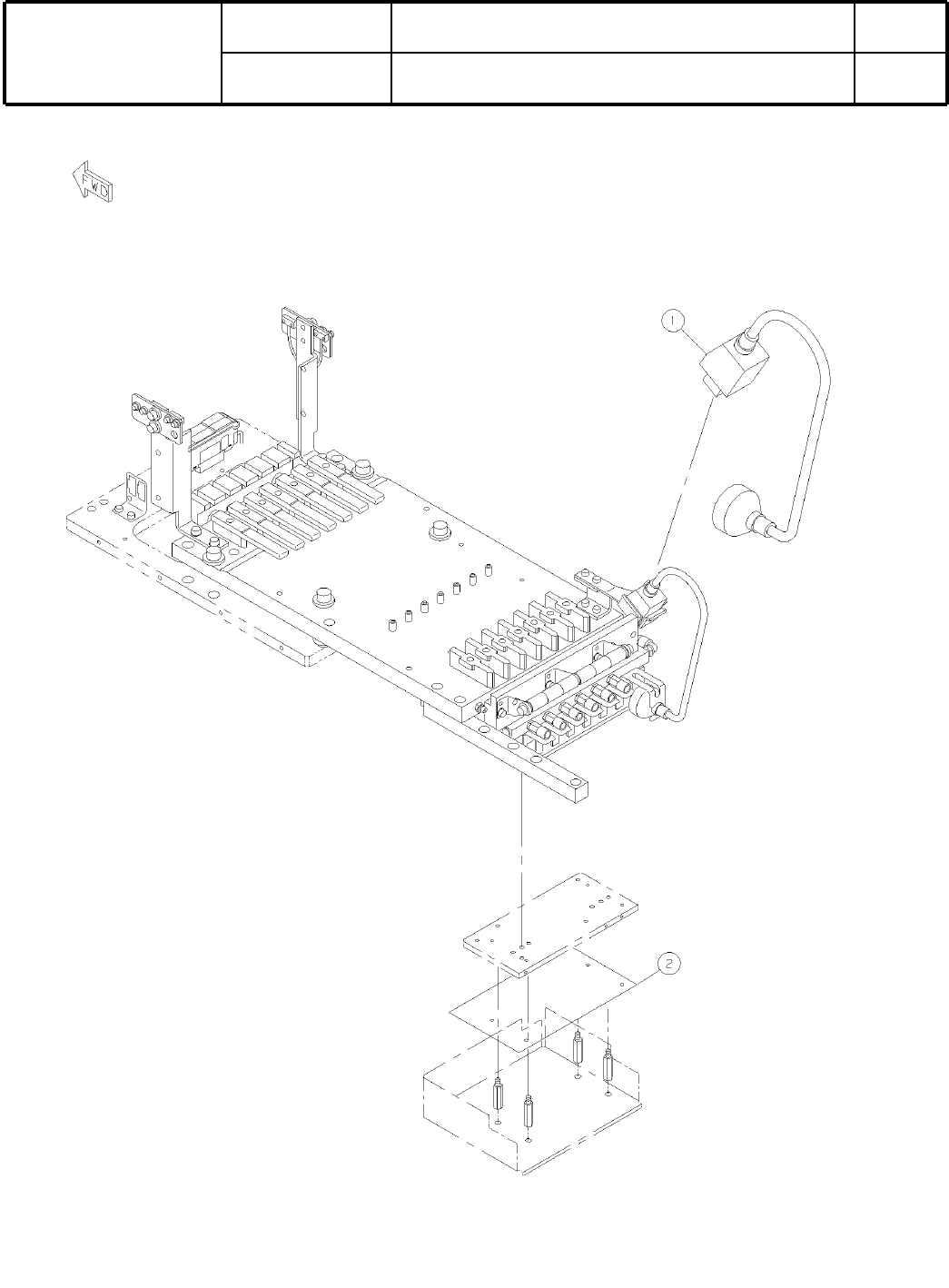
㪉㪈 㪍ㅪ䊐䉞䊷䉻 タㇱ 㪑㪚㪤㪍㪇㪉㪄㪣 Feeder set six reams:CM602-L 䊌䊷䉿䊧䉟䉝䉡䊃 Kit No. 䉨䉾䊃ຠ ⇟ Kit Name 䉨䉾䊃ฬ⒓ N610042277AA 䍜䍖䍚䍌䍻㪥㫆㪅 PARTS LAYOUT Section No. E41 -0##

Ref
No.
Remarks
R
1
Q't
y
㪉㪇
৻
឵
บ
ゞ
Ბข䊡䊆䉾䊃
Change Cart Preparation Unit
䍐䍵䍛䍢
㪥㫆㪅
Part No.
ຠ䇭䇭ฬຠ⇟ ᢙ㊂
R
2
䊌䊷䉿䊥䉴䊃
Kit No.
䉨䉾䊃ຠ
⇟
Kit Name
䉨䉾䊃ฬ⒓
NMEJW1A
Part Name
䇭䇭䇭⠨
䍜䍖䍚䍌䍻㪥㫆㪅
PARTS LIST
Section No.
R
3
SWITCH-PARTS
1
1 KXFP6EYKA00
S
F05SWUA2P
BREAKER
1
2 KXFP6DYAA00
S
NF50-SWU 2P 5A
TERMINAL-BLOCK
1
3 KXFP6F70A00
S
TM-UNIT-AC
CIRCUIT-PROTECTOR
1
4 KXFP02JAA00
S
NRF110-8A
NOISE-FILTER
1
5 KXFP6F67A00
S
SUP-EP5-ER-6
POWER
1
6 KXFP6GE3A00
S
ADA600F-24
SWITCH
1
7 KXFP5GEAA00 AR22PR-220B
SK
1
8 KXFP6DBAA01
S
R.A.V-781BWZ-4(DA KXFP6DBAA01)
PCB
1
9 KXFE000KA00
S
NF5ACA
CONVERTER
1
12 N510002864AA Digi One IA 70001862
E40
-0/',9#

㪉㪈
㪍ㅪ䊐䉞䊷䉻
タㇱ
㪑㪚㪤㪍㪇㪉㪄㪣
Feeder set six reams:CM602-L
䊌䊷䉿䊧䉟䉝䉡䊃
Kit No.
䉨䉾䊃ຠ
⇟
Kit Name
䉨䉾䊃ฬ⒓
N610042277AA
䍜䍖䍚䍌䍻㪥㫆㪅
PARTS LAYOUT
Section No.
E41
-0##

Ref
No.
Remarks
R
1
Q't
y
㪉㪈
㪍ㅪ䊐䉞䊷䉻
タㇱ
㪑㪚㪤㪍㪇㪉㪄㪣
Feeder set six reams:CM602-L
䍐䍵䍛䍢
㪥㫆㪅
Part No.
ຠ䇭䇭ฬຠ⇟ ᢙ㊂
R
2
䊌䊷䉿䊥䉴䊃
Kit No.
䉨䉾䊃ຠ
⇟
Kit Name
䉨䉾䊃ฬ⒓
N610042277AA
Part Name
䇭䇭䇭⠨
䍜䍖䍚䍌䍻㪥㫆㪅
PARTS LIST
Section No.
R
3
CABLE
1
1 N510028646AA CBL-ITF-EXTENTION PbF850
Feeder Cart Board
1
2 N610012674AA
S
PNF0AD-AA
E42
-0##