SLM_TechnicalReference(Eng_Ver14_07) - 第127页
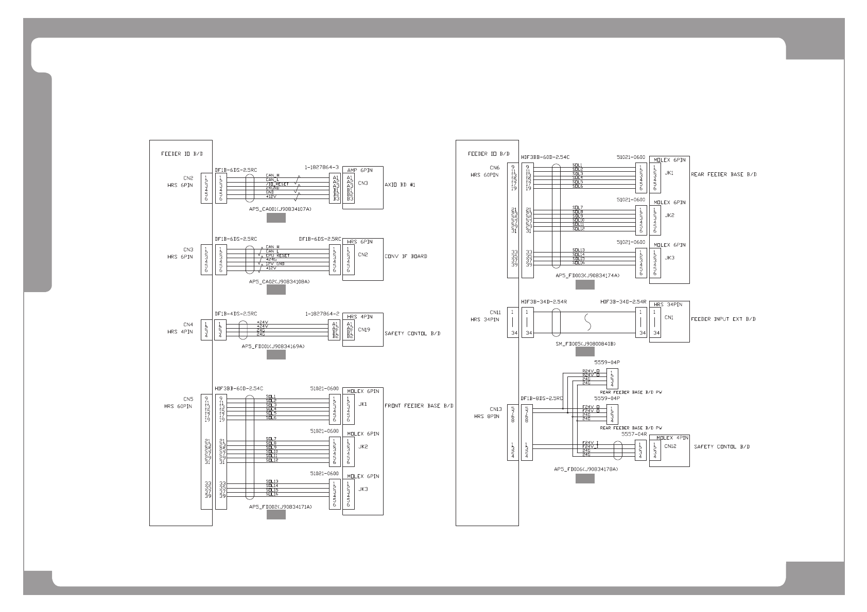
Page SAMSUNG TECHWIN 11 5 SLM120/110 F eeder Board Interface 120 (1/4) NO. Lev . P ART NO. P ART NAME Q'TY Old No. Supply Supply L T Reference 1 J90800840 B FDR INPUT EXT CABLE ASSY 1 2 J90834175A F_FDR_SENSOR_INPUT…

Page
SAMSUNG TECHWIN
114
SLM120/110
Feeder Board Interface 120 (1/4)
^4`
^5`
^6`

Page
SAMSUNG TECHWIN
115
SLM120/110
Feeder Board Interface 120 (1/4)
NO. Lev. PART NO. PART NAME Q'TY Old No. Supply Supply LT Reference
1 J90800840B FDR INPUT EXT CABLE ASSY 1
2 J90834175A F_FDR_SENSOR_INPUT_CABLE_ASSY 1
3 J90834177A R_FDR_SENSOR_INPUT_CABLE_ASSY 1

Page
SAMSUNG TECHWIN
116
SLM120/110
Feeder Board Interface 120 (2/4)
^4`
^5`
^6`
^7`
^8`
^9`
^:`