SLM_TechnicalReference(Eng_Ver14_07) - 第241页
Page SAMSUNG TECHWIN 229 SLM120/110 S afety Interlock Interface 110 (1/2) NO. Lev . P ART NO. P ART NAME Q'TY Old No. Supply Supply L T Reference 1 J90834308 A PS1_SC_CN1_PWR_ CABLE_ASSY AP 5_SC001 1 2 J90834369A RE…

Page
SAMSUNG TECHWIN
228
SLM120/110
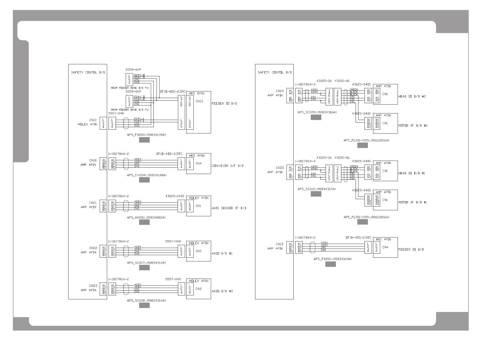
Safety Interlock Interface 110 (1/2)
^4`
^5`
^6`
^7`
^:`
^8`
^;` ^<`
^6`
^9`
-$

Page
SAMSUNG TECHWIN
229
SLM120/110
Safety Interlock Interface 110 (1/2)
NO. Lev. PART NO. PART NAME Q'TY Old No. Supply Supply LT Reference
1 J90834308A PS1_SC_CN1_PWR_CABLE_ASSY AP5_SC001 1
2 J90834369A REAR_EMG_S/W_CABLE_ASSY AP5_OP007 1
3 J90834368A REAR_EMG_S/W_EXT_CABLE_ASSY AP5_OP006 2
4 J90834310A CONVEYOR_SUB_CONN_CABLE_ASSY AP5_SC003 1
5
J70521673A OP_PANEL_ASSY AP5_OP001
1
6 J90831051B FRONT_REAR_DOOR_SW_CABLE_ASSY 1
7 J90834311A MAGNETIC_CONTACTOR_CABLE_ASSY 1
8 J90834313A OVERRIDE_KEY_EXT_CABLE_ASSY AP5_SC006 1
9 J90833071A SAFEGUARD OVERRIDE SW CABLE SM431_SC007 1

Page
SAMSUNG TECHWIN
230
SLM120/110
Safety Interlock Interface 110 (2/2)
^4`
^5`
^6`
^7`
^9`
^7`
^:`
^9`
^8`
^;`