T-Solution2_User_Guide(Chi_Ver11.2)_red(1) - 第126页
2-74 {TzYG|˅Gn {TzYG|˅Gn 33 DOCKING CAR T CABLE 2 SM1-ITJ-012 O 34 DEVICE NET CABLE 4 SM1-ITJ-013 O 35 POWER CABLE 1 KKP-4819KA O 36 AIR HOSE 1 SM1-ITJ-01 1 O 37 PCB COVER 1 SM1-ITJ-010 序号 说…

2-73
附加装置
序号 说明 数量 零件号 维修零件 备注
1 FEEDER BASE PLATE 1 SM1-ITJ-001 O
2 VERTICAL PLATE 1 SM1-ITJ-002 O
3FITTING 8KS-4-M5 O
4 FITTING 8 PC04M5 O
5 INTERFACE PCB 1 8 SLOT O
6 FEEDER BASE BLK 2 SM1-ITJ-003
7 PCB COVER BLK 2 SM1-ITJ-004
8 FITTING 2 PXG0604 O
9 BASE PLATE 1 SM1-ITJ-005
10 CONTROL BOX 1 SM1-ITJ-006
11 REGULATOR 1 PW200-02BG O
12 TERMINAL PANEL 1 SM1-ITJ-007
13 CONTROL BOX COVER 1 SM1-ITJ-008
14 POWER SUPPLY1 1 VSF24-3 O
15 POWER SUPPLY2 1 AP24-3 O
16 CONTROL PANEL 1 SM1-ITJ-009
17 POWER SWITCH 1 8216 O
18 SELETIC-S/W 1 K16-411 O
19 POWER CONNECTOR 1 717 O
20 D-SUP 6 9PIN Female O
21 SLIDE-S/W 1 1202V O
22 FOOT 4 RUB-D13
23 BOLT 12 M5x15L
24 BOLT 6 M4x15L
25 BOLT 2 M4x25L
26 BOLT 4 M4x12L
27 BOLT 6 M3x8L
28 BOLT 4 M4x12L
29 SUPPORT 12 M2.5x5L
30 BOLT 2 M3x10L
31 BOLT 5 M4x12L
32 BOLT 6 M3x10L

2-74
{TzYG|˅Gn{TzYG|˅Gn
33 DOCKING CART CABLE 2 SM1-ITJ-012 O
34 DEVICE NET CABLE 4 SM1-ITJ-013 O
35 POWER CABLE 1 KKP-4819KA O
36 AIR HOSE 1 SM1-ITJ-011 O
37 PCB COVER 1 SM1-ITJ-010
序号 说明 数量 零件号 维修零件 备注

2-75
附加装置
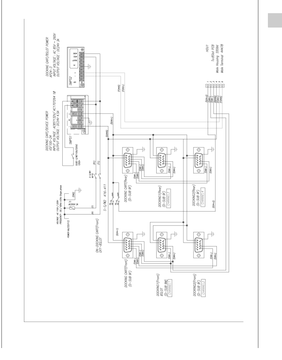
2.5.4.2.
控制方块图