T-Solution2_User_Guide(Chi_Ver11.2)_red(1) - 第93页
2-41 附加装置 2.4. FLMS-SM(Feeder Locati on Management System-SM) 2.4.1. 系统概要 2.4.1.1. 概要 FLMS 是 Feeder Location Management System 的缩略语, 是一种用来在 IT 供料器被安 装到对接台车用供料器底座之前事 先把供料器信息登记到 T -So lution2 的数据库的装 置。 把 IT Setup T ool 与 P…

{TzYG|˅Gn{TzYG|˅Gn
2-40
2.3.4.8.
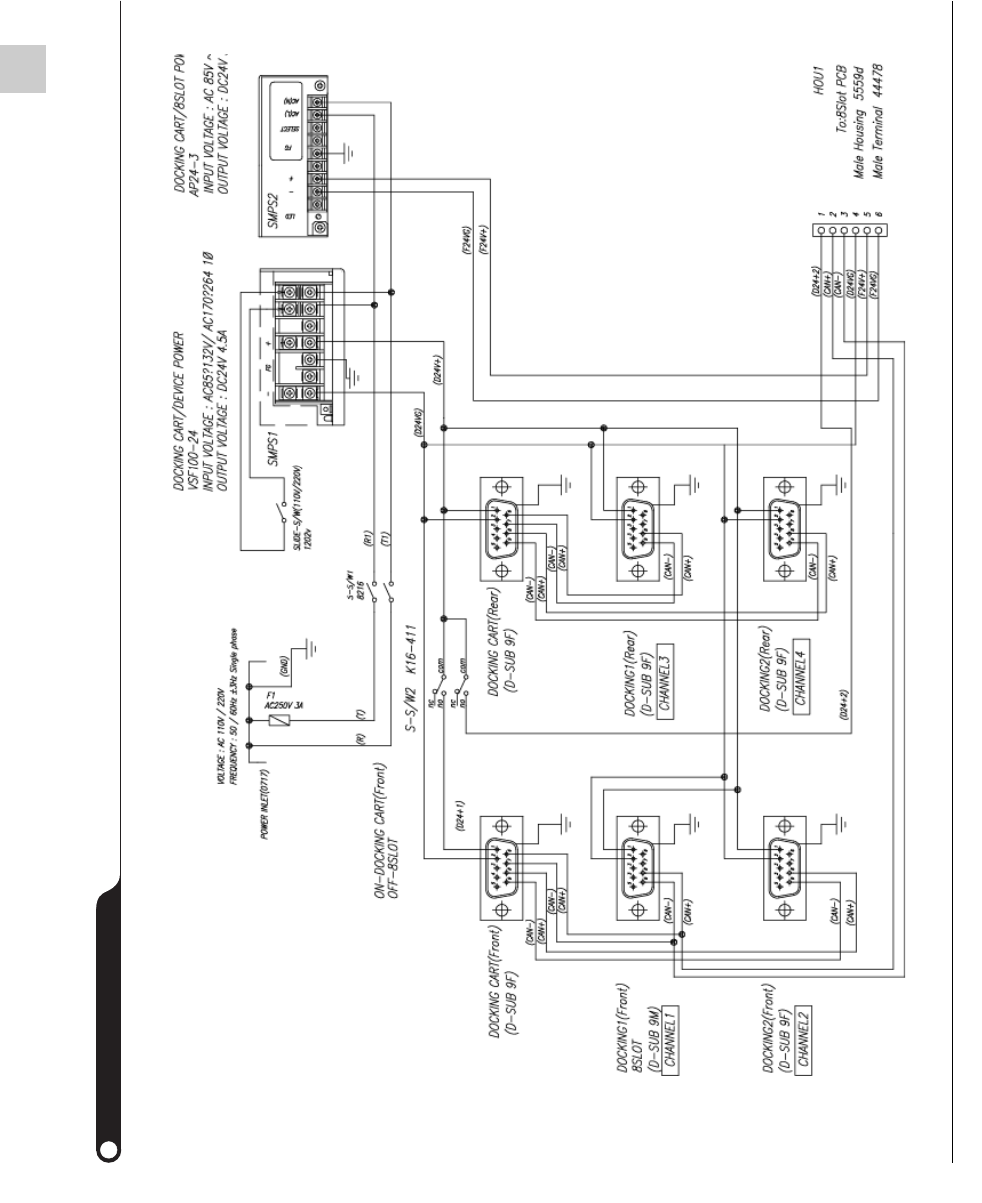
控制方块图

2-41
附加装置
2.4.
FLMS-SM(Feeder Location Management System-SM)
2.4.1.
系统概要
2.4.1.1.
概要
FLMS是 Feeder Location Management System的缩略语,是一种用来在IT供料器被安
装到对接台车用供料器底座之前事先把供料器信息登记到T-Solution2的数据库的装
置。
把IT Setup Tool与PC 结合后制成单一装置,因此提高了使用的便利性。
利用本公司的FLMS把 IT供料器信息事先登记到数据库,把料盘的信息匹配
(Matching)到先前登记的IT供料器的信息上,让T-IT 识别IT供料器与安装在IT 供料
器的元件信息,或者针对安装了料盘的IT 供料器解除IT 供料器信息与料盘信息之
间的连接。
现有的Feeder Workstation可以连接到2 台对接台车,但是FLMS可以连接到最多8 台
对接台车。而且,使用者可以查询安装在对接台车上的供料器信息与元件卷轴信息
后轻易掌握元件位置。
2.4.1.2.
产品规格
项目(Item)
规格 备注
适用设备 SM系列设备
-
可使用的对接台车数量 最多可以同时连接 8台
-
气缸驱动及供料器气压供应 压缩空气(5MPa±10%) 需要另行供应
输入电源 220V或 110V,60Hz 默认值220V

2-42
{TzYG|˅Gn{TzYG|˅Gn
2.4.1.3.
系统配置
FLMS的系统配置如下。