T-Solution2_User_Guide(Chi_Ver11.2)_red(1) - 第96页
2-44 {TzYG|˅Gn {TzYG|˅Gn 2.4.2. 安装 2.4.2.1. 供应电源及气压 供应电源及气压的步骤如下。 把电源电缆连接到 220V 电源后, 打开电源开关。 在关闭了空气供应阀的状态下, 把空气供应管连接到位于 FLMS 背面盖子 的中 间的连接器。 然后打开空气供应阀为 FLMS 供应空气。 为了 FLMS 与 MS-SQL Serve…

2-43
附加装置
2.4.1.4.
装置名称
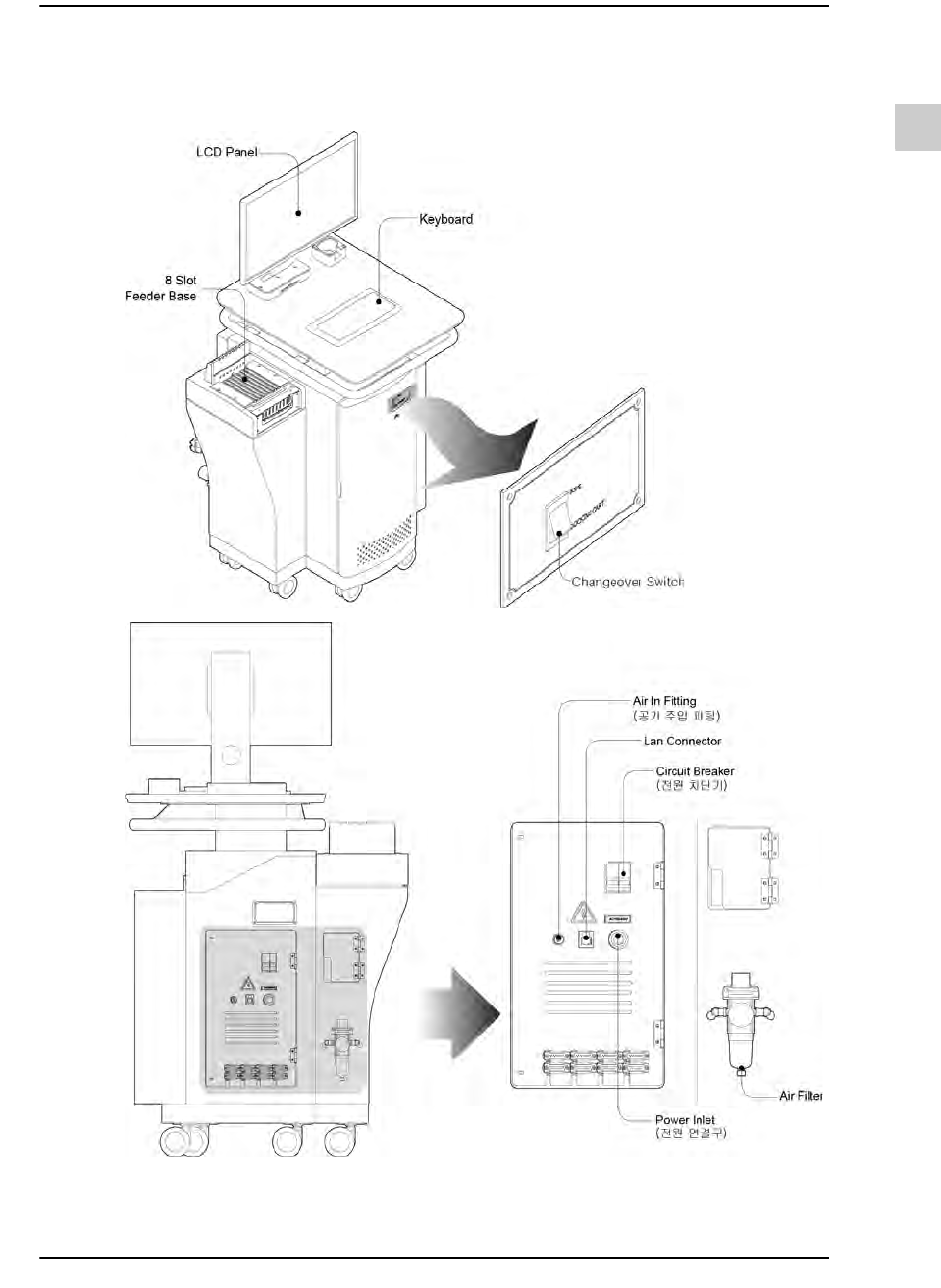
FLMS的外观结构如下。

2-44
{TzYG|˅Gn{TzYG|˅Gn
2.4.2.
安装
2.4.2.1.
供应电源及气压
供应电源及气压的步骤如下。
把电源电缆连接到220V 电源后,打开电源开关。
在关闭了空气供应阀的状态下,把空气供应管连接到位于FLMS背面盖子的中
间的连接器。然后打开空气供应阀为FLMS 供应空气。
为了FLMS与MS-SQL Server之间的通讯,把LAN 电缆连接到LAN 连接器。
背面电源断路器的状态正常时,打开(ON)电源开关。其实行结果,自动引入电
源并且驱使FLMS运转,内置的PC则重新启动。

2-45
附加装置
备注 . 电源断路器
为了防止FLMS 漏电或过电压而内置了主电源断路器。施加了
不适合 电压时,将自动切断电源。
2.4.2.2.
通讯电缆的连接
通讯电缆地连接步骤如下。
如上图所示地,把FLMS的通信线连接到对接台车的连接器。
拟使用对接台车时,需要把切换开关固定在“DOCKING CART”后使用。