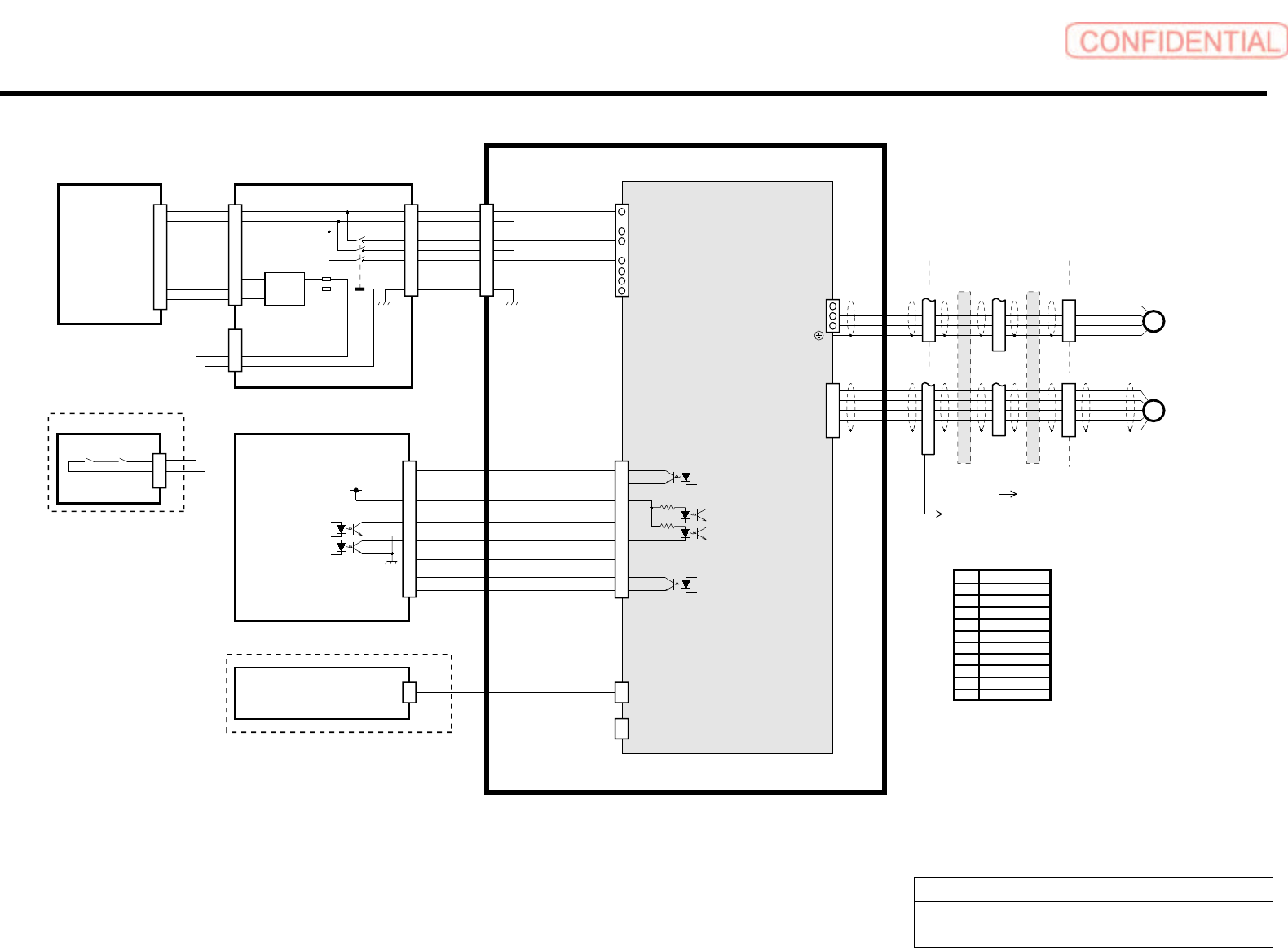
MAN00000772_SI-G200BB_SVCPDFA - 第471页
Motor Control CDGB-10707-01 RTF-Axis Serv o Driver Peripheral Circuit SHEET 1/1 CP5 MC1 PS1 L N FG + - 3 4 6 7 8 9 23 24 1 2 3 4 5 6 7 8 ALM + ALM - +24V IN P-OT N-OT /DEC /SO2+ /SO2- L1C L2C L1 L2 B1 B2 - SV-R TFP 501 5…

Motor Control
CDGB-10706-01
FF-Axis Servo Driver Peripheral
Circuit
SHEET
1/1
CP5
MC1
PS1
L
N
FG
+
-
(Refer:CDGB-10704)
3
4
6
7
8
9
23
24
1
2
3
4
5
6
7
8
ALM +
ALM -
+24V IN
P-OT
N-OT
/DEC
/SO2+
/SO2-
L1C
L2C
L1
L2
B1
B2
-
SV-FFP
500
501
503
505
DRV-FF
SGDS-02A12A
1
2
5
6
FG
CN2 SV-FF2
PG5V
PG0V
PS
*PS
U
V
W
SV-FFM
SE
R
VO
UNI
T
(FRONT)
(Refer:CDGB-10303)
DRIVER UNIT
(Refer:CDGB-10304)
DV-ACOUT1
1
2
3
4
5
6
7
8
9
POWER UNIT
(Refer:CDGB-10401)
PW-2
1
2
3
4
5
6
DV-ACIN1
1
2
3
4
5
6
DV-EMG1
1
2
3
4
1
2
3
4
5
6
7
8
9
SV-ACIN F
500
501
502
503
504
505
IF2 LS BOARD F
(Refer:CDGB-10702)
CN13 LBF-13
SV-FF1 CN1
SV-FF6A CN6A
SV-FF6B CN6B
DRV-RTF (Refer:CDGB-10707)
SV-RTF6A CN6A
H
E
FJ
FG
FF ENCODE
R
1
2
3
4
5
FF MOTOR
FF AXIS
MOTOR
assembly
FF AXIS
ENCODER
assembly
E
M
A 1-833-285-11
REF CABLE PARTS NO.
B 1-833-296-11
C 1-833-858-11
D 1-833-411-12
E
F
1-833-405-12
G
1-833-493-13
H
1-833-407-11
J
1-833-504-13
1-833-503-12
K
1-829-548-21
A B
D
FM1(2/2) FFM2 FFM
FFE2 FFE
Y FLAT
RBT CABLE
X CABLE
CONDUIT
1st CONNECTION
PANEL
3rd CONNECTION
PANEL
1
2
3
4
1
2
3
4
1
2
3
4
5
JEPMC-W6002-A5
(YASKAWA)
DRV-HF (Refer:CDGB-10705)
SV-HF6B CN6B
JEPMC-W6002-A5 (YASKAWA)
I/O UNIT1
SAFETY RELAY BOARD
(Refer:CDGB-10605)
CN21 SR-21
1
2
3
C
5
6
7
8
9
FE1(2/2)
5
6
7
8
9
CR16DCR14D
K
K

Motor Control
CDGB-10707-01
RTF-Axis Servo Driver Peripheral
Circuit
SHEET
1/1
CP5
MC1
PS1
L
N
FG
+
-
3
4
6
7
8
9
23
24
1
2
3
4
5
6
7
8
ALM +
ALM -
+24V IN
P-OT
N-OT
/DEC
/SO2+
/SO2-
L1C
L2C
L1
L2
B1
B2
-
SV-RTFP
501
502
504
505
DRV-RTF
SGDS-04A12A
DRV-FF (Refer:CDGB-10706)
1
2
5
6
FG
CN2 SV-RTF2
PG5V
PG0V
PS
*PS
U
V
W
SV-RTFM
S
ERV
O
UNIT
(
FR
O
NT
)
(
Re
f
er:
C
D
G
B-
10303)
I/O UNIT1
SAFETY RELAY BOARD
(Refer:CDGB-10605)
CN21 SR-21
1
2
3
DRIVER UNIT
(Refer:CDGB-10304)
DV-ACOUT1
1
2
3
4
5
6
7
8
9
POWER UNIT
(Refer:CDGB-10401)
PW-2
1
2
3
4
5
6
DV-ACIN1
1
2
3
4
5
6
DV-EMG1
1
2
3
4
1
2
3
4
5
6
7
8
9
SV-ACIN F
500
501
502
503
504
505
IF2 LS BOARD F
(Refer:CDGB-10702)
CN15 LBF-15
SV-RTF1 CN1
SV-RTF6A CN6A
SV-RTF6B CN6B
SV-FF6B CN6B
DEA-F (JZDP-D003-000)
DEAF-1 CN1
H
K
E
F
F
J
G
RTF ENCODE
R
1
2
3
4
5
RTF MOTOR
RTF AXIS
MOTOR
assembly
RTF AXIS
ENCODER
assembly
E
M
A 1-833-285-11
REF CABLE PARTS NO.
B 1-833-296-11
C 1-833-858-11
D 1-833-413-12
E
F
1-833-406-12
G
1-833-493-13
H
1-833-408-11
J
1-833-504-13
K
1-833-301-11
1-833-503-12
L
1-829-548-21
A B
C
D
FM2(2/3) FM3(1/2) RTFM
FE2(2/3) FE3(1/2) RTFE
Y FLAT
RBT CABLE
X CABLE
CONDUIT
1st CONNECTION
PANEL
3rd CONNECTION
PANEL
5
6
7
8
1
2
3
4
1
2
3
4
1
2
3
4
5
6
7
8
FJ
RTF NOZZLE
DIRECT
ENCODER
1
2
3
4
5
6
7
8
FG
DE
DEF3 DEF2 DEF1
1
2
3
4
5
6
7
8
FG
1
2
3
4
5
6
7
8
FG
JEPMC-W6002-A5 (YASKAWA)
SV-RTF4 CN4
1
2
5
6
FG
+5V
0V
S
/S
FG
6
2
5
1
CN2 DEAF-2
4
2
3
11
1
9
7
14
FG
+5V
0V
+SIN
-SIN
+COS
-COS
+REF
-REF
CR16DCR14D
L
(Refer:CDGB-10705,
CDGB-10708)
(Refer:
CDGB-10708)

Motor Control
CDGB-10708-01
RNF-Axis Servo Driver Peripheral
Circuit
SHEET
1/1
MC1
CP5
PS1
L
N
FG
+
-
3
4
6
7
8
9
23
24
1
2
3
4
5
6
7
8
ALM +
ALM -
+24V IN
P-OT
N-OT
/DEC
/SO2+
/SO2-
L1C
L2C
L1
L2
B1
B2
-
SV-RNFP
500
502
503
505
DRV-RNF
SGDS-02A12A
1
2
5
6
FG
CN2 SV-RNF2
PG5V
PG0V
PS
*PS
U
V
W
SV-RNFM
SERVO
UNIT
(FRONT)
(Refer:CDGB-10303)
DRIVER UNIT
(Refer:CDGB-10304)
DV-ACOUT1
1
2
3
4
5
6
7
8
9
POWER UNIT
(Refer:CDGB-10401)
PW-2
1
2
3
4
5
6
DV-ACIN1
1
2
3
4
5
6
DV-EMG1
1
2
3
4
1
2
3
4
5
6
7
8
9
SV-ACIN F
500
501
502
503
504
505
IF2 LS BOARD F
(Refer:CDGB-10702)
CN16 LBF-16
SV-RNF1 CN1
SV-RNF6A CN6A
SV-RNF6B CN6B
H
E
F
F
J
G
A 1-833-285-11
REF CABLE PARTS NO.
B 1-833-296-11
C 1-833-858-11
D 1-833-414-12
E
F
1-833-406-12
G
1-833-493-13
H
1-833-408-11
J
1-833-504-13
1-833-503-12
K
1-829-548-11
A B
D
FM2(3/3) FM3(2/2)
FE2(3/3) FE3(2/2)
Y FLAT
RBT CABLE
X CABLE
CONDUIT
1st CONNECTION
PANEL
9
10
11
12
5
6
7
8
9
5
6
7
8
9
9
10
11
12
13
14
15
RNF ENCODE
R
1
2
3
4
5
RNF MOTOR
RNF AXIS
MOTOR
assembly
RNF AXIS
ENCODER
assembly
E
M
RNFM
RNFE
3rd CONNECTION
PANEL
1
2
3
4
I/O UNIT1
SAFETY RELAY BOARD
(Refer:CDGB-10605)
CN21 SR-21
1
2
3
C
CR16DCR14D
(Refer:CDGB-10705, CDGB-10707)
(Refer:CDGB-10707)
PC UNIT (FRONT)
SYMC 2 BOARD
PORT2
PCF-
MCPORT2
K
JEPMC-W6002-04 (YASKAWA)