MAN00000772_SI-G200BB_SVCPDFA - 第580页
Pneumatic Piping Diagram f or Door Lock PCGB-10104-01 Pneumatic Piping Diagram for Door Lock SHEET 1/1 3 5 G D 4 2 2 C B 7 7 G F A F 3 3 1 4 E 6 6 5 5 5 3 33 Pneumatic Piping Diagram for Door Lock No. NAME MO DEL MAKER Q…

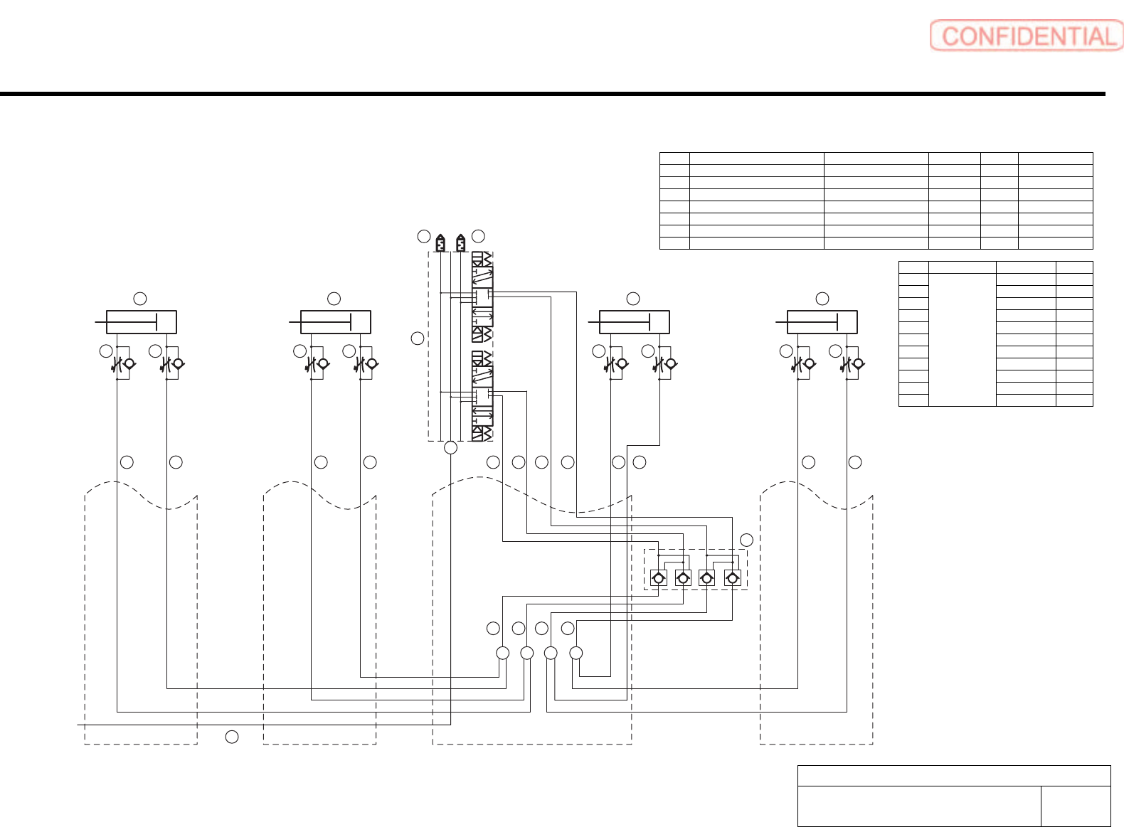
Pneumatic Piping Diagram for Cassette Bank Changer
PCGB-10103-01
Pneumatic Piping Diagram for
Cassette Bank Changer
SHEET
1/1
D
A
E
F G
7 7
IH
7
KJ
1
3
2
2
7
4
B B B B
C C C C
4 4 4
5
66666666
Pneumatic Piping Diagram for Cassette Bank Changer
No. NAME MODEL MAKER QTY PARTS No.
1 ELBOW UNION KQL08-02S SMC 1 2-920-337-02
2 SILENCER AN203-02 SMC 2 4-712-681-11
3 MANIFOLD SOLENOID VALVE VV5QZ25-02-X159 SMC 1 1-455-025-11
4 UNION Y KQU08-00 SMC 4 4-713-775-01
5 MANIFOLD VVQ2000-FPG-02-X9 SMC 1 2-108-828-01
6 SPEED CONTROLLER AS3201F-02-08S SMC 8 2-345-053-01
7 CYLINDER CG1KBN63-75 SMC 4 2-108-826-01
No. NAME LENGTH QTY
A 4800 mm 1
B 80 mm 4
C 750 mm 4
D 3100 mm 1
E 3000 mm 1
F 1750 mm 1
G 1600 mm 1
H 2500 mm 1
I 2350 mm 1
J 1200 mm 1
K
TU0805B
1100 mm 1
MANIFOLD
(PCGB-10101)
FRONT RIGHT COLUMN
FRONT LEFT COLUMN
REAR LEFT COLUMN
REAR RIGHT COLUMN

Pneumatic Piping Diagram for Door Lock
PCGB-10104-01
Pneumatic Piping Diagram for Door
Lock
SHEET
1/1
3
5
G
D
4
2
2
C
B
7
7
G F
A
F
3
3
1
4
E
6
6
5
5
5
3 33
Pneumatic Piping Diagram for Door Lock
No. NAME MODEL MAKER QTY PARTS No.
1 UNION Y KQU06-00 SMC 1 4-701-250-01
2 ELBOW UNION KQ2L06-M5 SMC 2 4-719-686-41
3 ELBOW UNION KQ2L04-M5 SMC 6 4-719-686-31
4 TEES KQ2T04-00 SMC 2 4-720-189-01
5 CYLINDER CQSB20-10S SMC 4 4-720-229-01
6 SILENCER AN120-M5 SMC 2 4-701-306-01
7 SOLENOID VALVE SYJ512-5G-M5-F SMC 2 1-455-028-11
No. NAME LENGTH QTY
A 1600 mm 1
B 100 mm 1
C
TU0604B
120 mm 1
D 170 mm 1
E 1000 mm 1
F 400 mm 2
G
TU0425B
1350 mm 2
REAR LEFT COLUMN
FRONT LEFT COLUMN
FRONT RIGHT COLUMN
REAR RIGHT COLUMN
MANIFOLD
(PCGB-10101)
(SV1115)
(SV1441)

Pneumatic Piping Diagram around Conveyor I/F Panel
PCGB-10105-01
Pneumatic Piping Diagram around
Conveyor I/F Panel
SHEET
1/1
A
4
3
20
21
20 20
21
28
28
20
29
29
22
22
23
24
23 23
24
23
22
22
K
K
19
19
19
19
19
19
16
15
16
J
J
18
18
18
18
J
J
J
J
25
7 7
8
18
18
9
9
9
5 5 5
66
K
K
20
21
20 20
21
20
22
22
13
13
17
16
16
13
13
27
F
F
I
I
I
I
G
H
H
E
13
12
11
10
14
2
1
B C
D
1 2
26
26
26
16
16
13
13
27
26
26
26
Pneumatic Piping Diagram around Conveyor I/F Panel
No. NAME MODEL MAKER QTY PARTS No.
1 BULKHEAD UNION KQ2E06-00 SMC 2 4-719-687-11
2 PLUG KQP-06 SMC 2 4-708-790-01
3 ELBOW UNION KQL06-01S SMC 1 4-701-253-01
4 PRESSURE SWITCH PPD3-R10N-HS CKD 1 1-479-158-11
5 UNIVERSAL ELBOW UNION KQ2VS06-02S SMC 3 4-761-166-31
6 SILENCER AN103-KM6 SMC 2 4-719-968-01
7
TAPER THREAD PLUG FOR PIPING
MSWT2 MISUMI 2 4-707-030-21
8 MANIFOLD VV5QZ25-0401C SMC 1 4-719-967-01
9 SOLENOID VALVE VQZ-2150-5G SMC 3 1-454-918-11
10
HEXAGON SOCKET HALF UNION
KJS06-01S SMC 1 4-714-783-11
11 PLUG M-5P SMC 1 4-702-271-01
12
MINIATURE REDUCING VALVE
ARJ210-M5G SMC 1 4-712-992-11
13 ELBOW UNION KJL06-M5 SMC 7 4-708-141-11
14 NIPPLE KQ2N06-99 SMC 1 4-719-971-01
15 TEES KQ2T06-M5 SMC 1 4-719-684-01
16 SPEED CONTROLLER AS2001F-06 SMC 6 4-708-047-21
17 THIN CYLINDER RDQB25-30-M9NVS SMC 1 1-417-513-11
18
HEXAGON SOCKET HALF UNION
KJS04-01S SMC 6 4-714-783-01
19 SPEED CONTROLLER AS1001F-04 SMC 6 4-708-047-01
20 ELBOW UNION KJL04-M5 SMC 8 4-708-141-01
21 FREE MOUNT CYLINDER CDU6-40D-M9NV SMC 4 1-417-512-11
22 UNION Y KJU04-00 SMC 6 4-708-048-01
23 MINIATURE PIPE UNION M-3AU-4 SMC 4 2-148-081-01
24
MINIATURE FREE MOUNT CYLINDER
CUJB10-DCG927AG-15 SMC 2 2-148-159-01
25 SOLENOID VALVE VQZ-2250-5G SMC 1 1-455-026-11
26 TEES KQ2T06-00 SMC 6 4-720-189-11
27 FREE MOUNT CYLINDER CU-20-30D SMC 2 2-694-374-01
28 CV SENSOR PAIR CABLE 11 SB-Q1976 1 1-824-720-12
29 CV SENSOR PAIR CABLE 12 SB-Q1976
Yoshinogawa
Electric Wire &
Cable
1 1-824-720-22
No. NAME LENGTH QTY
A 4300 mm 1
B 4000 mm 1
C 2610 mm 1
D 1000 mm 1
E 115 mm 1
F 850 mm 2
G 130 mm 1
H 950 mm 2
I
TU0604B
310 mm 4
J 115 mm 6
K
TU0425B
30 mm 4
MANIFOLD
(PCGB-10101)
FRONT LEFT
COLUMN
REAR LEFT
COLUMN
FRONT RIGHT
COLUMN
I/F PANEL
I/F PANEL
I/F PANEL
BACKUP UNIT
CONVEYOR UNIT
EJECTOR CYLINDER
REAR LEFT SIDE
REAR RIGHT SIDE
LOCATING PIN
CYLINDER
DRIVEN PIN SIDE LOCATING PIN SIDE
(SV1093)
(SV1094)
(SV1095)
(SV1091)
(SV1090)
PNEUMATIC UNIT
STOPPER CYLINDER
LEFT SIDE
RIGHT SIDE