MAN00000772_SI-G200BB_SVCPDFA - 第585页
在线预览 MAN00000772_SI-G200BB_SVCPDFA PDF 文档。

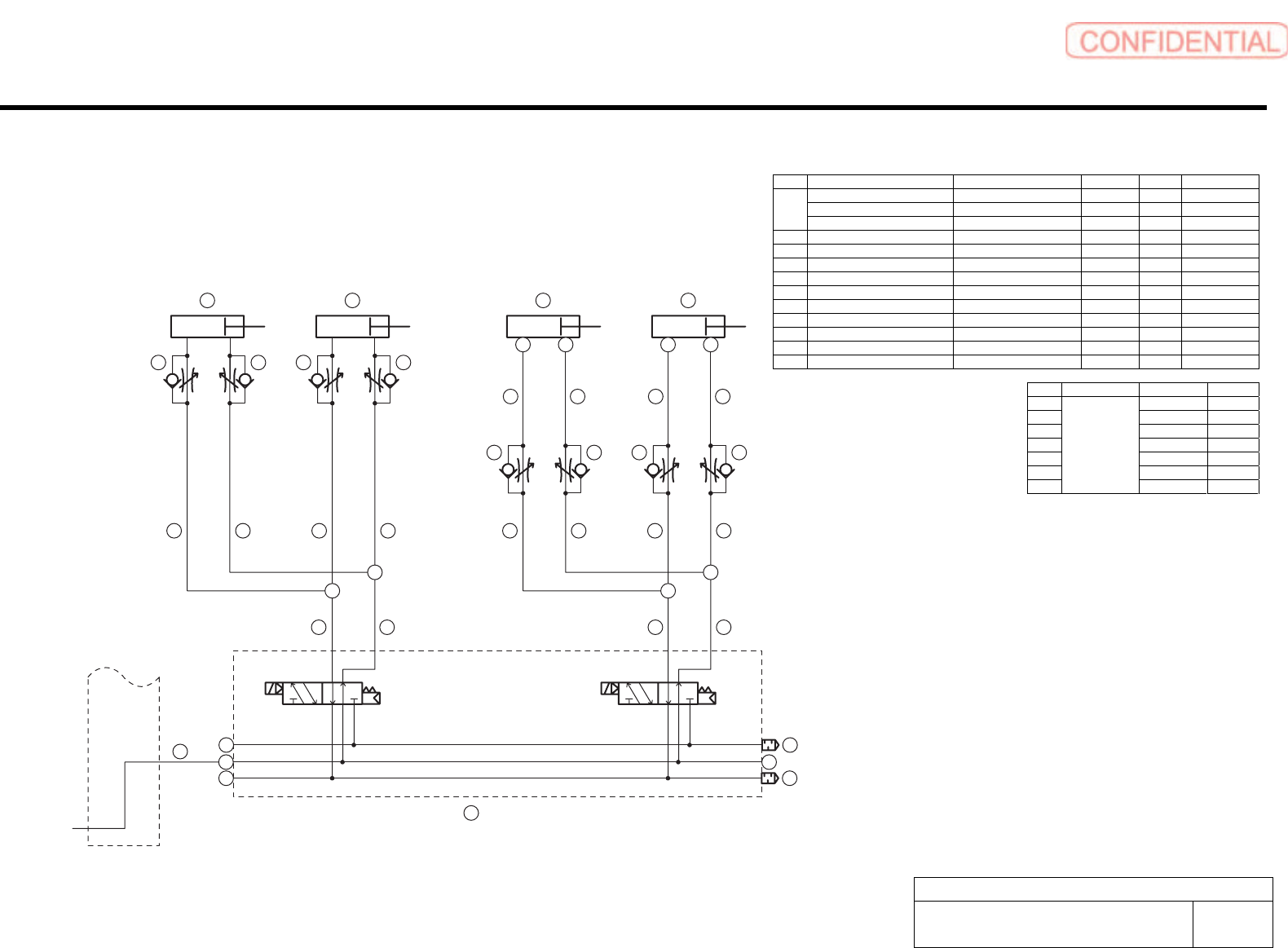
Pneumatic Piping Diagram for S Axis
PCGB-10108-01
Pneumatic Piping Diagram for S Axis
SHEET
1/1
Pneumatic Piping Diagram for S Axis
No. NAME MODEL MAKER QTY PARTS No.
MANIFOLD VV5QZ15-03C6C-D SMC 1 3-870-126-01
1 SOLENOID VALVE VQZ1151-5LB (stn. 1~2) SMC 2 1-418-969-11
BLANKING PLATE VVQZ1000-10A-5 (stn. 3) SMC 1 4-720-656-01
2 COMPACT SLIDE MXU16-20-M9N SMC 4 1-478-936-11
3 SPEED CONTROLLER AS1201F-M5-06 SMC 2 4-714-782-31
4 SPEED CONTROLLER AS1301F-M5-06 SMC 2 4-713-773-01
5 SPEED CONTROLLER AS1001F-06 SMC 4 4-708-047-11
6 FITTING TEES KQ2T06-00 SMC 4 4-720-189-11
7 SILENCER AN110-01 SMC 2 4-701-305-01
8 HALF UNION KQ2H06-01S SMC 1 4-720-646-01
9 ELBOW UNION KQL06-M5 SMC 2 4-706-517-01
10 HOSE ELBOW M-5HL-6 SMC 2 4-702-324-11
11 PLUG MSWT1 MISUMI 3 4-707-030-11
No. NAME LENGTH QTY
A 200 mm 4
B 130 mm 2
C 120 mm 2
D 60 mm 2
E 50 mm 2
F 80 mm 4
G
TU0604B
2000 mm 1
Door Open/Close
Cylinder L
Door Open/Close
Cylinder R
Push Cylinder L Push Cylinder R
G
6
6
7
11
7
1
8
11
11
B C
F F F F
A A A A
B C
4
3
2
4
3
2
6
6
D ED E
5
5
2
5
5
2
9 10
9 10
FRONT RIGHT
COLUMN
MANIFOLD
(PCGB-10101)


8 Alarm List