Schmtic_NXT_03_ - 第61页
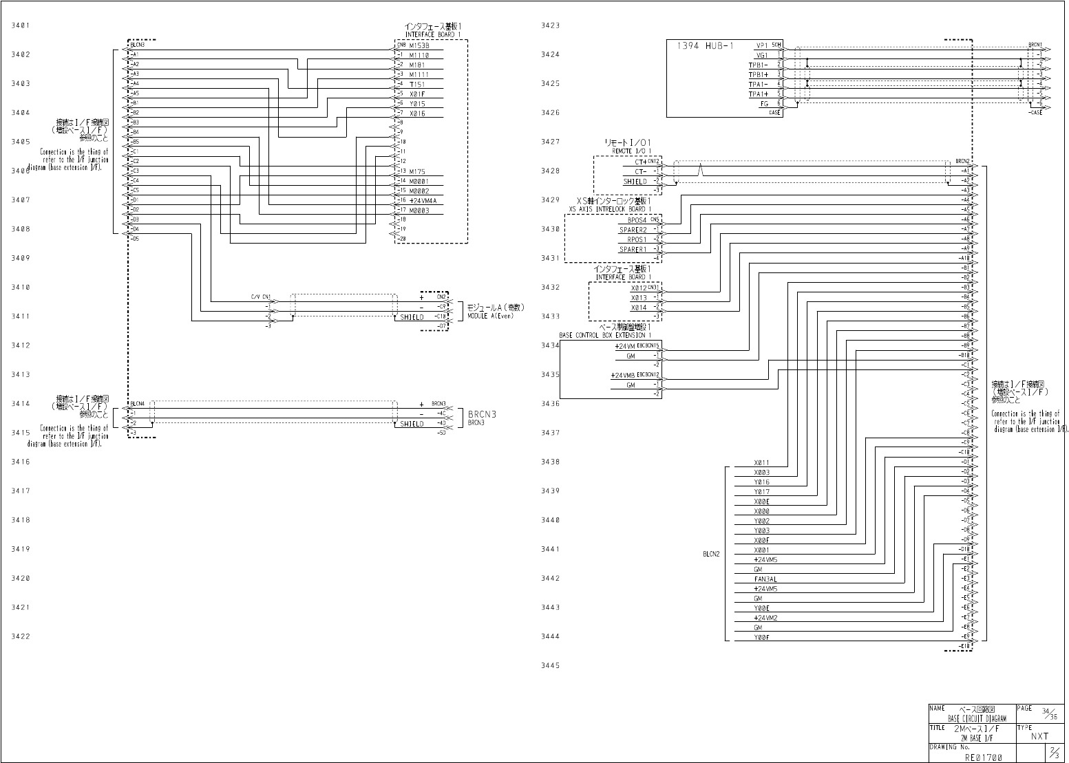
心 夕 〕 工 ( 讓 1 I N T E R F A C E B O A R D 1 3 5 0 I 3 5 2 3 B R C N 3 ■ M 1 5 7 B 3 S 0 2 3 5 2 4 M 1 1 1 0 iCf M 1 1 3 8 M 1 1 1 1 3 5 0 3 3 5 2 5 T 1 5 2 - A : X 0 1 F - B i 丫 0 1 5 3 5 0 4 3 5 2 6 X 0 1 6 接続 ( SI / F …

心夕
〕
工
-
又基板
1
_
_
I
_
NTE
_
RFACE
BOARD
1
JjN
8
M
153
B
、
M
1110
340
I
3423
rBLCN
3
1394
HUB
-
1
VP
1
5
CH
3402
3424
VG
1
M
181
TPB
1
-
3
A
:
TPB
1
+
3
Ml
111
二二
4
T
151
I
3403
3425
人
‘
:
TPA
1
-
J
-
5
A
:
TPA
1
+
1
-
1
X
01
F
>
T
\
36
Y
015
B
1
FG
3404
3426
B
2
:
ASi
X
016
B
:
-
:
>
-
3405
3427
Ut
-
hl
/
OI
REMOTE
I
/
O
1
10
—
^
Connection
is
the
thing
of
refer
to
the
I
/
F
junction
^
iagram
(
base
extension
l
/
F
)
,
.
12
BRCN
2
CT
+
A
340
3428
C
3
13
M
175
CT
-
Li
'
4
M
0001
SHIELD
Cb
M
0002
3407
3429
XS
軸心夕
-
□
'
>
夕基板
1
XS
AXIS
INTRELXK
BOARD
1
BP
0
S
4
CN
5
-
Dl
二
16
+
24
VM
4
A
<
:
i
…
D
2
:
17
M
0003
-
,
v
-
18
-
A
(
3408
3430
:
乂
19
-
A
:
SPARER
2
一 辛
二
RP
0
S
1
-
A
!
SPARER
1
3409
3431
-
AI
O
夕
7
工
_
;
(
麵
1
JNTERFACE
B
0
A
_
RDJ
_
_
X
012
CN
3
,
3410
3432
B
C
/
V
CN
1
X
013
石
(
葡
50
MODULE
A
(
Even
)
X
014
%
V
SHIELD
-
r
34
-
1
I
3433
十又制靈驟
1
BASE
CONTROL
BOX
EXTENSION
1
-
3
H
3412
3434
+
24
VM
EBCBCN
i
GM
3413
3435
+
24
-
VMB
EBCBCN
12
pji
/
Fii
®
,
又増設十
;
U
/
F
)
m
^
Dzt
Connection
is
the
thing
of
refer
to
the
l
/
F
junction
diagram
(
base
extension
I
/
I
)
.
GM
3414
3436
BLCN
4
+
BRC
N
3
4
C
mmzt
Connection
is
the
thing
of
L
refer
to
the
l
/
F
junction
diagram
(
base
extension
l
/
F
)
.
BRCN
3
BRCN
3
-
ci
V
SHIELD
3415
3437
3416
3438
X
011
X
003
丫
016
3417
3439
丫
017
X
00
E
X
000
3418
3440
丫
002
丫
003
X
00
F
3419
3441
-
D
.
X
001
BLCN
2
-
E
.
+
24
VM
5
GM
3420
3442
FAN
3
AL
f
+
24
VM
5
GM
342
1
3443
Y
00
E
+
24
VM
2
GM
3422
3444
Y
00
F
-
El
3445
又回路図
BASE
CIRCUIT
DIAGRAM
NAME
PAGE
%
TITLE
TYPE
2
MX
-
又
I
/
F
2
M
BASE
I
/
F
NXT
DRAWING
No
.
RE
01700

心夕
〕
工
(
讓
1
INTERFACE
BOARD
1
350
I
3523
BRCN
3
■
M
157
B
3
S
02
3524
M
1110
iCf
M
1138
M
1111
3503
3525
T
152
-
A
:
X
01
F
-
Bi
丫
015
3504
3526
X
016
接続
(
SI
/
F
接続図
3505
3527
Connection
is
the
thing
of
refer
to
the
I
/
F
junction
diagram
(
base
extension
l
/
F
)
.
I
3506
3528
M
175
+
24
VM
4
B
-
M
0004
-
3
B
07
3529
M
0023
-
D
:
M
0015
3508
3530
-
Dl
.
3509
353
1
35
1
0
3532
■
CN
2
CN
3
t
'
yn
-
儿
B
(
偶数
)
MODULE
B
(
Odd
)
^
2
351
I
3533
/
SHIELD
T
3512
3534
3513
3535
3514
3536
3515
3537
35
1
6
3538
3517
3539
3518
3540
3519
354
1
3520
3542
352
1
3543
3544
3522
3545
《
-
又回路図
BASE
CIRCUIT
DIAGRAM
NAME
PAGE
TITLE
TYPE
2
Mm
/
F
2
M
BASE
l
/
F
NXT
DRAWING
No
.
%
RE
01700

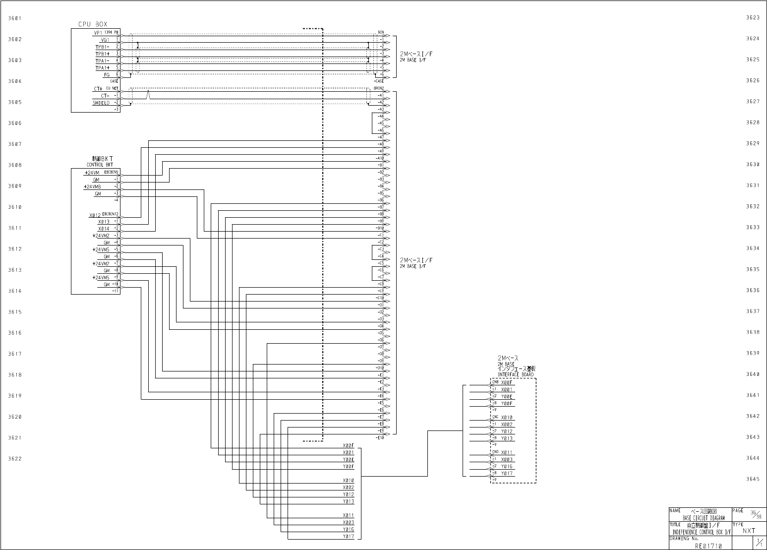
3623
360
I
CPU
BOX
VPl
1394
»
-
I
3624
3602
VG
1
E
3
TPB
1
-
^
TPB
1
+
3
2
M
^
-
7
I
/
F
2
M
BASE
I
/
F
e
>
:
:
i
3625
3603
TPA
1
-
T
TPA
1
+
1
e
>
FG
CASE
3626
3604
CT
+
CU
NE
^
BRC
N
2
A
>
>
-
|
>
CT
-
-
l
-
A
二
3627
3605
SHIELD
>
>
3628
3606
4
*
-
>
3629
3607
-
>
制御
BKT
CONTROL
BKT
3630
3608
+
24
VM
EBCBCN
^
L
IE
GM
363
1
3609
+
24
VMB
IC
GM
3632
36
1
0
-
>
B
8
X
012
EBCBCI
X
013
3633
361
I
-
Bi
X
014
-
3
+
24
VM
2
GM
3634
3612
+
24
VM
5
GM
2
Mm
/
F
2
M
BASE
I
/
F
+
24
VM
2
-
7
IE
3
B
35
3613
GM
GM
-
ILC
e
>
3636
3614
3637
3615
-
D
3
>
-
D
4
^
-
D
5
3638
36
16
-
D
6
3639
3617
2
M
《
-
又
2
M
BASE
—
心刃工
-
又麵
■
■
—
■
CL
6
?
—
JINB
~
X
0
~
0
F
~
"
n
-
>
-
DI
0
3640
3618
-
E
2
-
E
:
X
001
3641
3619
Y
00
E
Y
00
F
-
E
6
3642
3620
CNC
X
0
I
0
-
E
8
X
002
-
>
-
Ef
丫
012
r
>
3643
362
1
-
El
丫
013
X
00
F
D
X
011
X
001
3644
3622
Y
00
E
X
003
Y
00
F
丫
016
丫
017
3645
X
010
X
002
丫
012
Y
013
《
-
又回路図
BASE
CIRCUIT
DIAGRAM
NAME
PAGE
%
X
011
X
003
TITLE
自立制繼
I
/
F
INDEPENDENCE
CONTROL
BOX
i
/
F
TYPE
丫
016
NXT
丫
017
DRAWING
No
.
X
RE
01710