Schmtic_NXT_03_ - 第102页
4 0 2 3 xV ' V 力 5 9 X 塗布 IZ 二外 DIP FLUX DISPENSE UNIT 400 I 腦基板 COMMUNICATION BOARD 4 0 2 4 CONTROL BOARD 4 0 0 2 L S 4 獅前 itV 廿 SURFACE FRONT SENSOR SLOTn + 24 V CNM + 24 V CN 4 . . + 2 4 V j C N 2 + 2 4 V 一 + 24 …

3 9 2 3
3 9 0
I
392 4
X
-
夕
FEEDER
390 2
-
办心基板
FEEDER
MAIN
BOARD
392 5
390 3
392 6
390 4
Ml
SLOTn
<
N
6
+
24
V
/
+
24
V
+
24
V
-
夕
/
\
°
)
以芒
-
夕
FEEDER
PULSE
MOTOR
M
392 7
390 5
-
2
0
V
0
V
»
-
3
0
V
一
EVENT
EVENT
392 8
390 6
-
5
WRITE
WR ITE
-
6
丄
FEED
FEED
COMP COMP
392 9
390 7
-
8
IE R R
ERR
LSI
32
>
f
-
外外
sw
FEEDER
SET
SWITCH
北
SET
SET
-
10
SG
SG
0
V
393 0
390 8
I L T X
TX
-
12 1
RX
^
-
10
_
RX
-
13
1
FG
FG
39 3
1
390 9
原 位 置 频 反
ORIGIN
POSITION
SENSOR
BOARD
-
14
2
393 2
39
1
0
393 3
39
1
I
393 4
X
-
夕肅基板
FEEDER
PANEL
BOARD
391 2
彻
-
夕
iJ
-
SW
SUM
ROTARY
SW
393 5
391 3
+
24
V
0
V
EVENT
I
;
393 6
391 4
WRITE
FEED
COMP
393 7
3915
ERR
SE T
SG
393 8
39
1
6
TX
RX
FG
-
1
393 9
391 7
12
394 0
391 8
394 1
391 9
W
12
FEED E R
394 2
392 0
W
16
FE EDE R
W
24
FE EDE R
394 3
392
1
W
32
FE EDE R
W
44
FE EDE R
394 4
392 2
W
56
FE EDE R
W
72
FEE DER
394 5
W
88
FEE DER
儿回
_
MODULE
CIRCUIT
DIAGRAM
NAME
PAGE
%
TITLE
>
r
-
夕
:
z
二外
FEEDER
UNIT
TY PE
NXT
DRAWING
No
.
%
RE
0
184
-
0

4 0 2 3
xV
'
V
力
5
9
X
塗布
IZ
二外
DIP
FLUX
DISPENSE
UNIT
400
I
腦基板
COMMUNICATION
BOARD
4 02 4
CONTROL
BOARD
4 00 2
L S
4
獅前
itV
廿
SURFACE
FRONT
SENSOR
SLOTn
+
24
V
CNM
+
24
V
CN
4
.
.
+
2 4
V
jCN
2
+
24
V
一
+
24
V
+
24
V
FEED
FEED
LIMITU
夕
<
7
TIMER
4 02 5
4 00 3
-
2
l
0
V
0
V
COMP
COMP
0
V
-
3
l
_
0
V
E RR
+
24
V
0
V
ERR
-
14
EVENT
EVENT EVENT
0
V
LIMITD
-
v
4 02 6
4 00 4
WRITE WRITE WRITE
FG
0
V
、
一
6
FEED
丄
FEED
0
V
-
6
-
9
NC
-
lL
COMP
-
12
COMP
FG
NC
4 027
4 00 5
-
8
-
8
E RR E RR
-
9
-
5
^
S ET
S ET
-
13
-
10
;
'
0
S G
.
S G
力力夕
COUNTER
4
-
0 28
4 00 6
1
T X
.
T X
工
5
-
_
SW
ERROR
RESET
SW
-
I
2
|
_
R X
-
1 2
R X
丄
N
5
+
24
V
+
24
\
CN
300
,
-
13
;
I
3
F G
.
F G
FEED
2
SPARE
3
LIQUID
SEND
VALVE
SOL
3
4 02 9
4 00 7
-
14
-
10
COMP
2
0
V
-
3
NC
ERR
2
□
-
5
+
24
V
0
V
4 03 0
4 00 8
着座確認
SEATING
CHECK
-
6
SPARE
1
LSI
CN
3
SET
-
12
0
V
0
V
+
24
V
SQ
403
1
4 00 9
SQUEEGEE
ADVANCE
VAL
'
S
0
L
4
IC
T
0
V
4 03 2
4 0
1
0
4 03 3
手動液送
MANUAL
LIQUID
SEND
40
1
I
又
5
彳夕碰端桟知廿
SLIDER
ADVANCE
CHECK
SENSOR
祝夕
'
後進鏘知廿
SLIDER
RETRACT
CHECK
SENSOR
LS
2
1
SIDEB
SIDEA
LS
5
0
V
0
V
SQ
LS
3
SYRINGE
LIQUID
REMAINING
CHECK
又牛
-
夕原点位置
SQUEEGEE
ORIGIN
POSIT
]
4 03 4
4 01 2
+
24
V
PAPERS
~
V
:
0
V
SQ
+
24
V
0
V
ll
LS
6
4 03 5
3
N
4 01 3
WPOINT
DESCENT
V
:
+
24
V
0
V
SQ
I
5
-
LED
ERROR
LED
+
24
-
V
0
V
PL
1
4 03 6
手動
tW
儿
MANUAL
CYCLE
SLIDER
RETRACT
VALVE
SLIDER
ADVANCE
VALVE
4 01 4
+
24
V
<
8
>
0
SW
1
COVER
NC
二
10
0
V
NC
SOLI
4 03 7
4 01 5
+
2 4
V
N C
-
1
P
-
'
2
S
0
L
2
SOL
2
二
13
+
24
V
4 03 8
P
4 0
1 6
14
SOLI
Li
5
.
4 03 9
4 0
1
7
4
-
0 40
4 0
1 8
4 041
4 0
1
9
4 04 2
4 02 0
4 04 3
4 02
1
4
-
044
-
4 02 2
4
-
0 45
儿回
_
MODULE
CIRCUIT
DIAGRAM
NAME
PAGE
%
TITLE
,
乃
7
■
塗初
3
卜
DIP
FLUX
DISPENSE
UNIT
TYPE
NXT
DRAWING
No
.
X
RE
04250

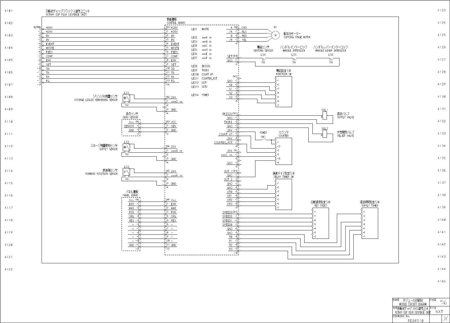
4 12 3
回 転 式
A
、
彡 力 二 外
ROTARY
DIP
FLUX
DISPENSE
UNIT
41 01
制御基板
CONTROL
BOARD
4
124
41 02
A
~
CN
|
y
Ml
SLOTn
.
+
24
V
OR G
LED
1
WRITE
一
+
24
V
+
24
V
/
A
BLU
fc
写台石
-
夕
-
DIPPING
STAGE
MOTOR
41 25
41 03
M
-
2
l
0
V
0
V
B
RE D
LED
2
senA
in
LED
3
senB
in
LED
4
senC
in
LED
5
senD
in
LED
6
senE
in
LED
7
senF
in
-
3
l
_
0
V
0
V
/
B
丫
EL
EVENT
EVENT
-
v
八
〉
夕
-
⑽
夕
-
CIW
HANDLE
INTERLOCK
41 26
4
10 4
WRITE
WRITE
SEATING
SENSOR
HANDLE
LEVER
INTERLOCK
FEED
丄
FEED
LS
4
LS
5
LS
6
-
lL
COMP
SETCN
COMP
V
:
SQ
V
:
SQ
V
:
SQ
4127
4
10 5
-
8
ER R ER R
GN D
-
9
^
SE T
SE T
LED
8
EKI
50
U
LED
9
TAIKI
LED
10
COUNT
UP
LED
11
COUNTER
_
RST
LED
12
OUT
I
LED
13
0
UT
2
-
10
SG
.
SG
機能雖
sw
41 28
4
10 6
彳
TX
.
TX
FUNCTION
5
W
-
I
2
|
_
RX
-
12
RX
-
13
:
13
FG
.
FG
GN D
41 29
4
10 7
-
14
-
2
N
0
N
1
-
i
-
3
LS
1
N
2
LED
14
POWER
yjyjmntyv
-
SYRINGE
LIQUID
REMAINING
SENSOR
4
130
4
108
CN
2
24
V
-
5
N
3
-
6
senD
in
SQ
41 31
4
10 9
GN D
SO U
^
4
原点乜
>
廿
ZERO
SENSOR
SUPPLY
VALVE
EKIS
0
UCN
13
P
GND
41 32
41 10
jN
3
yc c
TA IKI
IE
SE N
GN D
S
0
L
2
GND GND
24
V
大気開放
AW
RELIEF
VALVE
力力夕
COUNTER
POWER
41 33
4
COUNT
UP
SW
1
24
V
LS
2
COUNTER
—
RST
SUPPLY
SENSOR
41 34
41 12
-
12
24
V
-
3
senB
in
24
V
SQ
-
5
senC
in
41 35
4
11 3
-
10
GN D
-
6
GN D
LS
3
4
前進端於廿
FORWARD
POSITION
SENSOR
41 36
41
U
5
24
V
OU T
1
CN
艇夕
<
7
設定
SW
DELAY
TIMER
SW
senA
in
GND
SQ
OUT
2
41 37
4115
GND GND
-
2
GND
八綱板
PANEL
BOARD
-
3
DT
0
41 38
4116
-
4
DTI
19
Vcc
-
5
DT
2
Vcc
液送時間設定
SW
SUPPLY
TIMER
回転速度設定
SW
REV
SPEED
-
6
ERR ERR
DT
3
41 39
4117
WAR WAR
I
!
SPEED
3
CN
15
FOR
-
2
ORG ORG
SPEED
2
4
140
4118
-
6
-
3
RE V RE V
-
4
SPEED
0
-
5
-
4
GND
4
U
1
41 19
-
6
-
2
GN D
-
3
T
0
-
10
T
*
4
14 2
4
12 0
GN D
-
1
>
1
GN D
T
2
12
T
3
41 43
41 21
4
14 4
41 22
41 45
儿回
_
MODULE
CIRCUIT
DIAGRAM
NAME
PAGE
%
TIT
®
転式
⑽
細
ito
卜
ROTART
DIP
FLUX
DISPENSE
UNIT
TY PE
NXT
DRAWING
No
.
X
RE
04510