Schmtic_NXT_03_ - 第104页
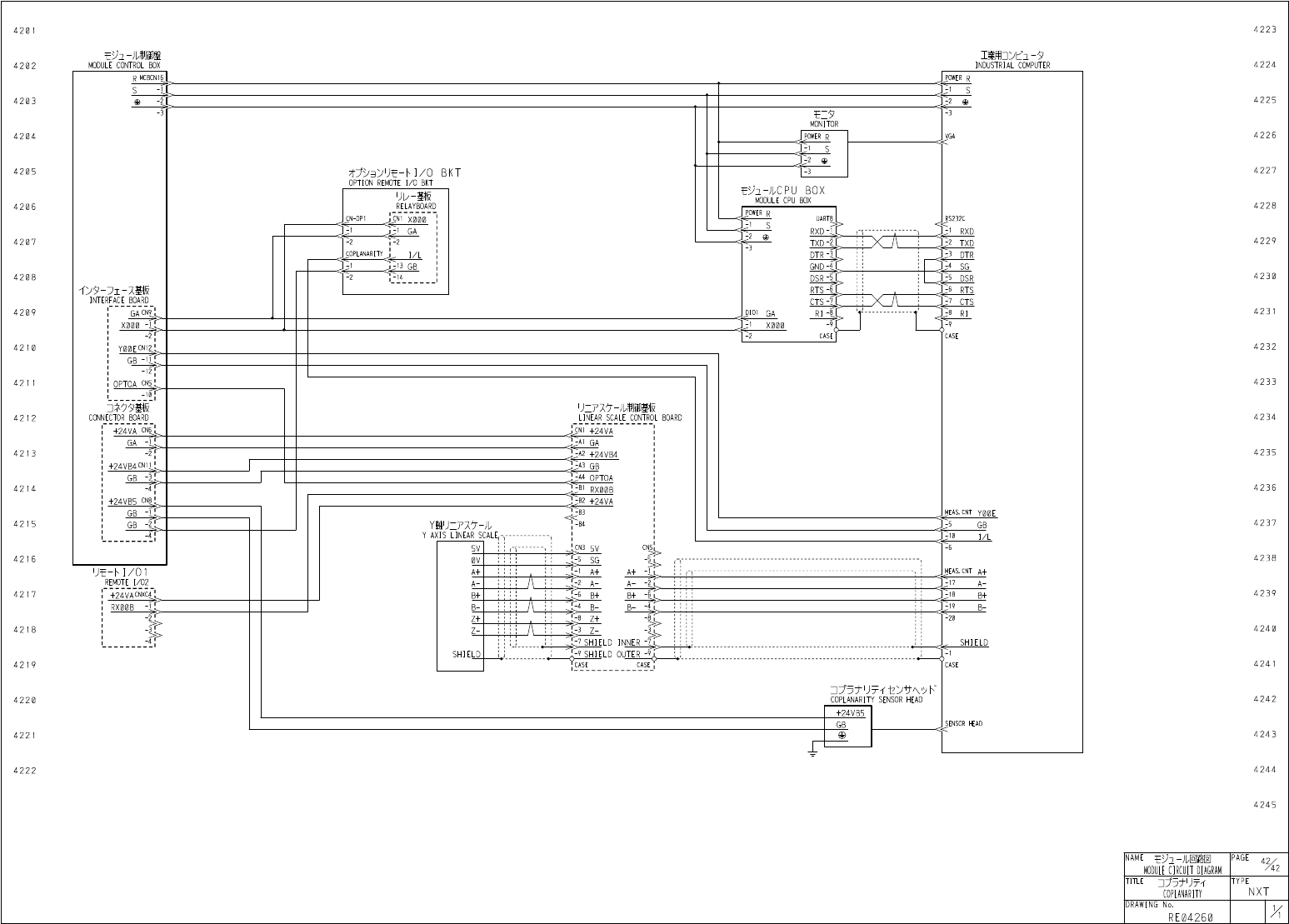
4 2 2 3 4 2 0 I ^ 2 - m m MODULE CONTROL BOX INDUSTRIAL COMPUTER 4 2 2 4 4 2 0 2 S 4 2 2 5 4 2 0 3 © f 二夕 MONITOR - 3 JPOWERR 4 2 2 6 4 2 0 4 J ^ G A s © 4 2 2 7 才力 3 〉 1 开 - 卜 I / O B K T OPTION REMOTE I / O BKT 4 2 0 5…

4 12 3
回 転 式
A
、
彡 力 二 外
ROTARY
DIP
FLUX
DISPENSE
UNIT
41 01
制御基板
CONTROL
BOARD
4
124
41 02
A
~
CN
|
y
Ml
SLOTn
.
+
24
V
OR G
LED
1
WRITE
一
+
24
V
+
24
V
/
A
BLU
fc
写台石
-
夕
-
DIPPING
STAGE
MOTOR
41 25
41 03
M
-
2
l
0
V
0
V
B
RE D
LED
2
senA
in
LED
3
senB
in
LED
4
senC
in
LED
5
senD
in
LED
6
senE
in
LED
7
senF
in
-
3
l
_
0
V
0
V
/
B
丫
EL
EVENT
EVENT
-
v
八
〉
夕
-
⑽
夕
-
CIW
HANDLE
INTERLOCK
41 26
4
10 4
WRITE
WRITE
SEATING
SENSOR
HANDLE
LEVER
INTERLOCK
FEED
丄
FEED
LS
4
LS
5
LS
6
-
lL
COMP
SETCN
COMP
V
:
SQ
V
:
SQ
V
:
SQ
4127
4
10 5
-
8
ER R ER R
GN D
-
9
^
SE T
SE T
LED
8
EKI
50
U
LED
9
TAIKI
LED
10
COUNT
UP
LED
11
COUNTER
_
RST
LED
12
OUT
I
LED
13
0
UT
2
-
10
SG
.
SG
機能雖
sw
41 28
4
10 6
彳
TX
.
TX
FUNCTION
5
W
-
I
2
|
_
RX
-
12
RX
-
13
:
13
FG
.
FG
GN D
41 29
4
10 7
-
14
-
2
N
0
N
1
-
i
-
3
LS
1
N
2
LED
14
POWER
yjyjmntyv
-
SYRINGE
LIQUID
REMAINING
SENSOR
4
130
4
108
CN
2
24
V
-
5
N
3
-
6
senD
in
SQ
41 31
4
10 9
GN D
SO U
^
4
原点乜
>
廿
ZERO
SENSOR
SUPPLY
VALVE
EKIS
0
UCN
13
P
GND
41 32
41 10
jN
3
yc c
TA IKI
IE
SE N
GN D
S
0
L
2
GND GND
24
V
大気開放
AW
RELIEF
VALVE
力力夕
COUNTER
POWER
41 33
4
COUNT
UP
SW
1
24
V
LS
2
COUNTER
—
RST
SUPPLY
SENSOR
41 34
41 12
-
12
24
V
-
3
senB
in
24
V
SQ
-
5
senC
in
41 35
4
11 3
-
10
GN D
-
6
GN D
LS
3
4
前進端於廿
FORWARD
POSITION
SENSOR
41 36
41
U
5
24
V
OU T
1
CN
艇夕
<
7
設定
SW
DELAY
TIMER
SW
senA
in
GND
SQ
OUT
2
41 37
4115
GND GND
-
2
GND
八綱板
PANEL
BOARD
-
3
DT
0
41 38
4116
-
4
DTI
19
Vcc
-
5
DT
2
Vcc
液送時間設定
SW
SUPPLY
TIMER
回転速度設定
SW
REV
SPEED
-
6
ERR ERR
DT
3
41 39
4117
WAR WAR
I
!
SPEED
3
CN
15
FOR
-
2
ORG ORG
SPEED
2
4
140
4118
-
6
-
3
RE V RE V
-
4
SPEED
0
-
5
-
4
GND
4
U
1
41 19
-
6
-
2
GN D
-
3
T
0
-
10
T
*
4
14 2
4
12 0
GN D
-
1
>
1
GN D
T
2
12
T
3
41 43
41 21
4
14 4
41 22
41 45
儿回
_
MODULE
CIRCUIT
DIAGRAM
NAME
PAGE
%
TIT
®
転式
⑽
細
ito
卜
ROTART
DIP
FLUX
DISPENSE
UNIT
TY PE
NXT
DRAWING
No
.
X
RE
04510

4223
420
I
^
2
-
mm
MODULE
CONTROL
BOX
INDUSTRIAL
COMPUTER
4224
4202
S
4225
4203
©
f
二夕
MONITOR
-
3
JPOWERR
4226
4204
J
^
GA
s
©
4227
才力
3
〉
1
开
-
卜
I
/
O
BKT
OPTION
REMOTE
I
/
O
BKT
4205
砍
-
nxpu
BOX
MODULE
CPU
BOX
UU
_
麵
RELAYBOARD
IcNl
X
000
4228
4206
㈢
_
if
I
-
0
P
1
RS
232
C
GA
RXD
X
^
t
4229
4207
-
2
TXD
DTR
GND
-
1
-
3
COPLANARITY
I
/
L
DTR
3
|
'
3
GB
SG
4230
4208
-
14
二
5
DSR
RTS
-
1
-
6
心夕
m
基板
INTERFACE
BOARD
!
GA
'
CN
^
L
!
X
000
-
iC
RTS
yzK
CTS
423
I
4209
DIO
'
GA
二
8
RIRI
Jll
T
-
9
X
000
CASE
CASE
4232
Y
00
ECN
12
'
*
42
1
0
-
12
!
GB
-
4233
42
1
I
OPTOA
CN
|
D
夕基板
CONNECTOR
BOARD
!
+
24
VA
ij
=
7
;
^
7
—
儿制御基板
LINEAR
SCALE
CONTROL
BOARD
丨
+
24
VA
!
4234
4212
l
GA
GA
4235
4213
2
+
24
VB
4
+
24
VB
4
CNI
1
[
3
GB
-
A
4
OPTOA
GB
1
4236
4214
RX
00
B
+
24
VBB
CNi
-
B
2
+
24
VA
-
B
3
JjlEAS
.
CNT
Y
00
E
GB
-
5
4237
4215
mjzy
^
-
n
Y
AXIS
LINEAR
SCALE
,
B
4
GB
GB
-
10
I
/
L
JCN
35
V
5
V
4238
4216
0
V
SG
Uf
-
M
/
01
REMOTE
1
/
02
!
"
+
24
VA
"
CNX
MEAS
.
CNT
A
+
A
+
A
+
A
+
A
52
17
A
-
A
-
A
-
A
-
:
lb
4239
4217
-
18
B
+
B
+
B
+
B
+
A
-
19
B
-
B
-
B
-
B
-
32
-
20
z
-
z
+
4240
4218
Z
-
Z
-
SHIELD
1
SHIELD
OUTER
A
SHIELD
4241
4219
SE
CASE
CASE
COPLANARITY
SENSOR
HEAD
4242
4220
+
24
VB
5
SENSOR
HEAD
GB
4243
④
422
1
4244
4222
4245
儿回
_
MODULE
CIRCUIT
DIAGRAM
NAME
PAGE
%
TITLE
]
方丈
1
COPLANARITy
TYPE
NXT
DRAWING
No
.
X
RE
04260
