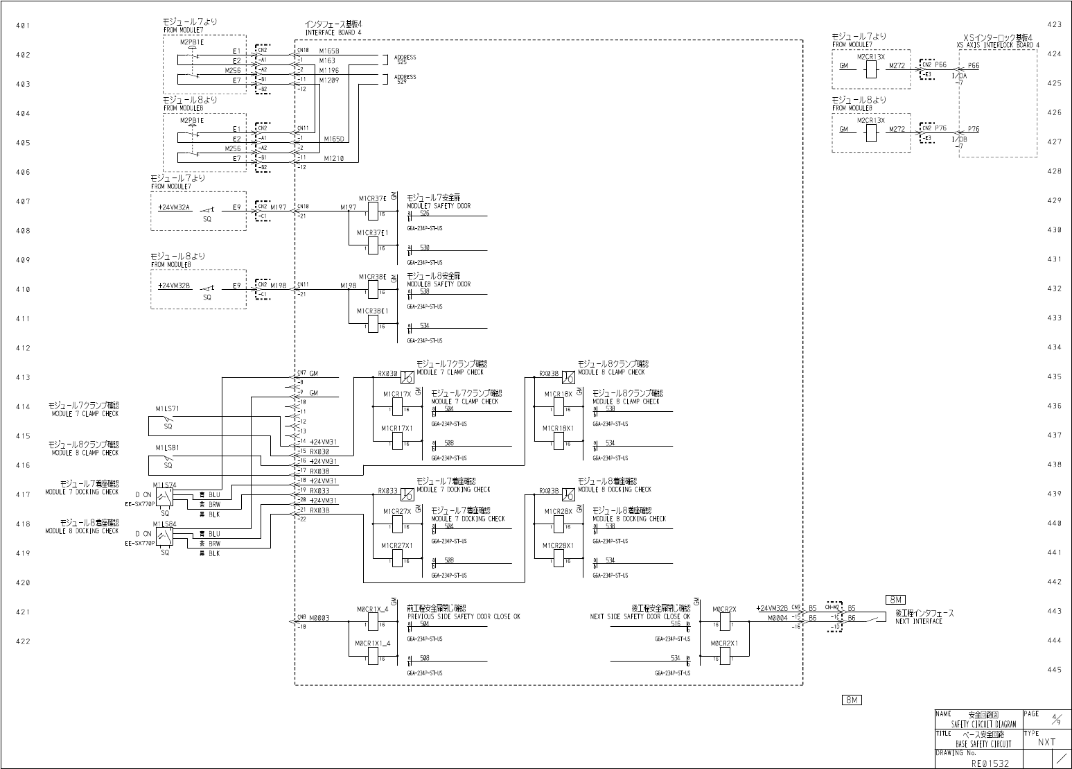
Schmtic_NXT_03_ - 第11页
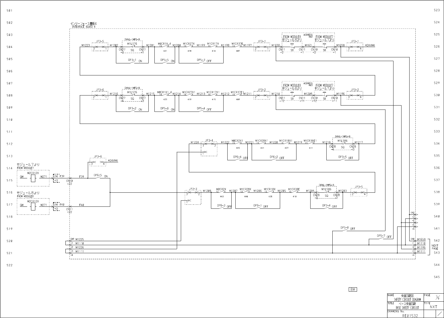
5 2 3 5 0 I 5 2 4 5 0 2 m 4 5 2 5 5 0 3 ADDRESS i y : 402 _ D 4 NLrl . Hf 5 - _ B . M 1 L S 7 6 J P 3 - 5 J P 3 - 1 M 0 C R 1 X — 4 n M 1 C 3 7 / M H 9 9 — M M 9 8 ㈣ E , 9 7 M 1 2 2 3 M l 2 0 2 、 201 . M . 2 0 0 〆 M l 6 …

ty
]
~
jL
/
7
cty
FROM
M
0
DULE
7
心夕
〕
I
(
麵
4
INTERFACE
BOARD
4
423
40
I
—
儿
7
j
:
y
FROM
M
0
DULE
7
XSXA
^
T
^
S
4
M
2
PB
1
E
rcNr
JCN
10
M
165
B
El
424
402
M
2
CRI
3
X
:
ADDRESS
E
2
M
163
^
2
^
66
B
25
P
66
GM
M
272
14
)
A
2
M
256
Ml
196
:
ADDRESS
M
1209
E
7
529
425
403
:
-
BL
-
12
石
y
:
i
-
儿
FROM
M
0
DULE
8
_
M
2
PB
1
E
FROM
M
0
DULE
8
_
M
2
CR
13
X
426
404
rCN
2
P
76
亍
CHU
CN
2
E
1
M
272
P
76
GM
M
165
D
E
2
427
405
-
n
•
A
2
M
256
E
7
M
1210
12
428
406
儿
7
d
:
y
FROM
M
0
DULE
7
晚
-
儿
7
安全扉
M
0
DULE
7
SAFETY
DOOR
ai
S
7
G
M
1
CR
37
E
429
407
12
M
197
10
+
24
VM
32
A
E
9
M
197
-
SQ
16
b
G
6
A
-
234
P
-
ST
-
US
430
408
MICR
37
E
1
ai
16
b
儿
8
cty
FROM
M
0
DULE
8
43
1
409
G
6
A
-
234
P
-
ST
-
US
砍
-
儿
8
安全扉
M
0
DULE
8
SAFETY
DOOR
ai
S
^
R
MICR
38
E
S
■
CN
:
11
+
24
VM
32
B
E
9
MI
98
M
198
-
<
rt
SQ
432
410
16
b
G
6
A
-
234
P
-
ST
-
US
MICR
38
E
1
433
41
I
ai
S
^
4
16
b
G
6
A
-
234
P
-
ST
-
US
4
-
34
412
MODULE
7
CLAMP
CHECK
砍
-
儿
8
为
:
^
遞
2
MODULE
8
CLAMP
CHECK
'
7
GM
RX
030
RX
038
435
413
6
晚
-
儿
795
顧
MODULE
7
CLAMP
CHECK
晚
-
儿
895
>
遞
MODULE
8
CLAMP
CHECK
GM
M
1
CR
17
X
M
1
CR
18
X
'
-
11
MODULE
7
CLAMP
CHECK
436
414
M
1
LS
71
■
538
a
|
a
|
16
16
F
V
:
SQ
-
12
G
6
A
-
234
P
-
ST
-
US
G
6
A
-
234
P
-
ST
-
US
M
1
CR
17
X
1
M
1
CR
18
X
1
-
13
437
415
+
24
VM
31
MODULE
8
CLAMP
CHECK
3
l
508
534
16
16
M
1
LS
81
b
-
'
5
RX
030
G
6
A
-
234
P
-
ST
-
US
G
6
A
-
234
P
-
ST
-
US
V
:
SQ
IB
+
24
VM
31
438
416
-
17
RX
038
衫
]
_
儿
7
鍵確認
MODULE
7
DOCKING
CHECK
晚
-
儿
8
鍵職
MODULE
8
DOCKING
CHECK
+
24
VM
31
找
]
-
儿
7
着座確認
MILS
74
-
19
RX
033
RX
033
RX
03
B
MODULE
7
DOCKING
CHECK
4
439
青
BLU
417
D
ON
EE
-
5
X
770
P
二
20
+
24
VM
31
茶
BRW
晚
-
儿
7
着座確認
MODULE
7
DOCKING
CHECK
a
|
S
(
M
-
晚
-
儿
8
着座職
MODULE
8
DOCKING
CHECK
M
1
CR
27
X
^
M
1
CR
28
X
SQ
黒
BLK
22
儿
8
着座確
MODULE
8
DOCKING
CHECK
440
418
MILSe
A
16
16
bl
D
ON
EE
-
SX
770
P
青
BLU
G
6
A
-
234
P
-
ST
-
US
G
6
A
-
234
P
-
ST
-
US
茶
BRW
M
1
CR
27
XI
M
1
CR
28
X
1
SQ
441
419
黒
BLK
a
|
508
a
|
534
16
16
bl
G
6
A
-
234
P
-
ST
-
US
G
6
A
-
234
P
-
ST
-
US
442
420
I
8
M I
6
前工程安獅
l
:
確認
PREVIOUS
SIDE
SAFETY
DOOR
CLOSE
OK
a
|
S
04
後工程安全扉閉
c
確認
NEXT
SIDE
SAFETY
DOOR
CLOSE
OK
S
16
la
B
5
M
0
CR
1
X
_
4
M
0
CR
2
X
443
42
1
後工程心夕
〕
工
-
乂
NEXT
INTERFACE
M
0004
-
15
!
B
6
M
0003
B
6
16
16
b b
G
6
A
-
234
P
-
ST
-
US
G
6
A
-
234
P
-
ST
-
US
444
422
M
0
CR
1
XU
4
M
0
CR
2
X
1
a
|
S
08
S
切
la
16
16
b b
445
G
6
A
-
234
P
-
ST
-
US
G
6
A
-
234
P
-
ST
-
US
8
M
安全回路図
SAFETY
CIRCUIT
DIAGRAM
NAME
PAGE
X
TITLE
令乂安全回路
BASE
SAFETY
CIRCUIT
TYPE
NXT
DRAWING
No
.
RE
01532

523
50
I
524
502
m
4
525
503
ADDRESS
iy
:
402
_
D
4
NLrl
.
Hf
5
-
_
B
.
M
1
LS
76
JP
3
-
5
JP
3
-
1
M
0
CR
1
X
—
4
n
M
1
C
37
/
MH
99
—
MM
98
㈣
E
,
97
M
1223
Ml
202
、
201
.
M
.
200
〆
Ml
63
、
+
24
VM
4
■
U
K
526
504
T
CN
:
I
I
CN
;
11
CN
;
10
7
:
SQ
SB
SB
421
418
414
407
527
505
DP
3
-
1
DP
5
-
5
DP
5
-
3
ON ON
OFF
528
506
529
507
ADDRESS
撄
-
TO
403
撄
-
T
®
D
4
NL
-
l
.
HfG
-
B
.
M
1
LS
76
JP
3
-
6
JP
3
-
2
_
_
JP
3
.
-
2
.
_
M
^
R
51
-
4
M
,
M
1
CR
27
X
1
M
1213
M
^
CRHXI
M
]
2
]
2
MIIC
^
QE
1
MI
211
.
6
、
Ml
209
、
96
M
12
215
.
2
4
M
1210
530
508
:
CN
|
27
%
CN
|
11
CNj
1
|
10
SQ
SB
SB
423
419
415
409
H
4
_
53
1
509
DP
3
-
2
DP
5
-
6
DP
5
-
4
ON
ON
OFF
532
5
10
533
51
I
_
D
4
NLrl
_
HfG
-
_
B
.
M
1
LS
86
JP
3
-
4
f
^
2
Ml
222
^
3
-
Q
1
MJ
221
M
1220
M
1
CR
18
X
1
M
1
CR
38
E
1
Ml
224
M
1218
.
534
512
8
445
441
437
411
535
513
JP
3
-
6
DP
6
-
4
巧
OFF
巧
OFF
OFF
+
24
VM
4
5
14
FROM
M
0
DULE
7
_
!
M
2
CRI
2
X
536
D
»
N
2
F
39
M
271
F
39
GM
537
515
C
2
CN
^
0
D
4
NL
-
1
.
HFG
-
_
B
_
SQ
CN
|
28
.
.
JP
_
3
-
5
.
_
_
JP
3
-
3
M
0
CR
2
X
M
1
C
58
,
X
M
1206
—
MJ
205
M
1
CR
38
E
Ml
M
1208
9
Ml
207
M
1204
.
538
516
FR
0
_
M
M
0
DULE
8
_
!
M
2
CR
12
X
436
443
440 410
539
517
■
CN
2
F
40
GM
M
271
F
40
DP
6
-
3
DP
^
OFF
^
40
FF
OFF
540
518
DP
^
8
OFF
541
519
DP
^
7
OFF
jN
9
Ml
225
M
1
G
5
B
542
520
M
1
110
11 10
NEXT
-
2
M
1226
_
_
4
,
96
PAGE
-
3
M
1111
543
52
1
^
4
544
52 2
545
8
M
安全回路図
SAFETY
CIRCUIT
DIAGRAM
NAME
PAGE
X
TITLE
令乂安全回路
BASE
SAFETY
CIRCUIT
TYPE
NXT
DRAWING
No
.
RE
01532

623
60
I
624
602
m
3
625
603
ADDRESS
302
_
D
4
NLrl
.
Hf
5
-
_
B
.
M
1
LS
56
JP
3
-
5
JP
3
-
1
M
0
CR
1
X
—
3
n
M
.
171
nC
3
^
-
QX
M
1170
M
1
C
550
X
MM
69
^
C
^
EMII
68
Ml
194
-
MI
173
、
172
J
159
、
+
24
VM
4
'
M
¥
626
6
0
4
SQ
5
G
/
M
1
CN
|
27
CN
:
I
I
CN
;
11
CN
;
10
7
:
SB
SB
321
318
314
307
627
605
DP
3
-
1
DP
5
-
5
DP
5
-
3
ON ON
OFF
628
6
0
6
629
607
ADDRESS
撄
TO
303
撄
-
T
跟
D
4
NL
-
l
.
HfG
-
B
.
MlLS
56
JP
3
-
6
JP
3
-
2
_
_
JP
3
.
-
2
.
_
M
^
R
5
l
-
3
M
185
MIIC
^
QX
1
Ml
184
M
,
1
C
^
QX
1
Ml
183
MMC
^
QE
1
M
1182
Ml
187
、
186
.
81
Ml
180
、
67
Ml
630
608
c
7
SQ
56
/
M
1
C
^
7
%
CN
|
11
CNj
1
|
_
C
_
Nj
10
SB
SB
323
319
315
309
63
1
609
DP
3
-
2
DP
5
-
6
DP
5
-
4
ON
ON
OFF
632
6
10
633
61
I
_
D
4
NLrl
_
HfG
-
_
B
.
M
1
LS
66
JP
3
-
4
f
^
2
M
0
CR
2
X
1
_
3
M
1
CR
26
X
1
M
1
CR
16
X
1
M
1
CR
36
E
M
1195
Ml
193
M
1191
M
1190
Ml
89
.
88
634
612
SQ
66
/
M
1
CN
28
345
341
337
311
B
35
613
JP
3
-
6
DP
6
-
4
巧
OFF
DP
3
-
5
ON ON
+
24
VM
4
石夕
]
-
儿
5
cty
6
14
FROM
M
0
DULE
5
_
!
M
2
CRI
2
X
636
D
»
N
2
F
37
M
271
F
37
GM
637
615
C
2
CN
^
0
D
4
NL
-
1
_
HFG
-
_
B
_
SQ
66
/
MI
CN
|
28
.
.
JP
_
3
-
5
.
_
_
JP
3
-
3
M
0
CR
2
X
_
3
M
1
C
56
,
X
M
1177
—
MH
76
M
1
CR
36
E
Ml
M
1
179
Ml
178
75
.
74
M
1
638
616
FR
0
_
M
M
0
DULE
6
_
!
M
2
CR
12
X
336
343
340 310
639
617
■
CN
2
F
38
GM
M
271
F
38
DP
6
-
3
DP
^
OFF
DP
3
-
4
ON
ON
64
0
618
DP
^
8
OFF
64
I
619
DP
^
-
7
OFF
M
165
BJCN
9
CN
8
:
M
1
GIB
n
_
4
,
642
620
M
111
11 10
NEXT
M
1196
67
PAGE
PREVIOUS
M
1111
PAGE
G
43
62
1
644
62 2
645
8
M
安全回路図
SAFETY
CIRCUIT
DIAGRAM
NAME
PAGE
X
TITLE
令乂安全回路
BASE
SAFETY
CIRCUIT
TYPE
NXT
DRAWING
No
.
RE
01532