Schmtic_NXT_03_ - 第125页
C N C : 说暫屬 3 CNB : 1 / ^ 02 誦故予 SU 」 SIGNAL TOWER 線 番 線 番 線 番 線 番 線 番 線 番 線 番 PIN No PIN No PIN No PIN No PIN No PIN No PIN No WIRE MARK WIRE MARK WIRE MARK WIRE MARK WIRE MARK WIRE MARK WIRE MARK X 010 2 X 002 X 00 F 2…

CN
8
'
PREVIOUS
CONTROL
BOARD
CN
2
:
制 御 回 路
cNmE
CN
10
:
^
1
-
^
©
MODULE
©
CONTROL
CIRCUIT
線 番
線 番
線 番 線 番 線 番 線 番 線 番 線 番
線 番
線 番
PIN
No
PIN
No
PIN
No
PIN
No
PIN
No
PIN
No
PIN
No
PIN
No
PIN
No
PIN
No
WIRE
MARK
WIRE
MARK
WIRE
MARK
WIRE
MARK
WIRE
MARK
WIRE
MARK
WIRE
MARK
WIRE
MARK
WIRE
MARK
WIRE
MARK
M
151
(
E
2
)
M
153
B
2
M
153
B
2
Ml
110
GM
2
X
000
+
24
VM
1
2
GM
2
3
4
3
M
181
4
Mil
11
3
4
X
002
3
M
153
B
4
-
3
M
153
C
4
M
153
X
001
Ml
110
5
6
5
T
151
6
X
01
F
5
X
003
6
X
004
5
M
181
6
5
+
24
VM
1
6
X
00
E
Mil
11
8
8
X
016
8
X
006
8 8
7
Y
015
7
X
005
7
M
171
M
174
7
GM
9
9
10
9
X
007
10
X
008
9
M
175
10
M
1101
9
10
GM
10
M
18
KM
256
)
Ml
82
(
E
7
)
12
12
X
009
12
X
00
A
Ml
102
12
+
24
-
VM
4
12
HI
(
X
017
)
13
M
175
14
-
13
14
M
175
13
X
00
B
14
X
00
C
13
X
012
14
X
013
13
U
H
2
(
X
018
)
H
3
(
X
019
)
16
16
16
16
+
24
VM
4
A
16
15
15
M
0001
M
0002
15
X
00
D
X
00
E
15
X
014
15
+
24
VM
1
RX
000
H
4
-
(
X
01
A
)
H
5
(
+
24
VA
1
)
+
24
VM
4
A
+
24
VM
4
B
+
24
VM
3
17
18
17
18
M
0003
17
X
00
F
18
GM
17
18
17
+
24
VM
1
18
RX
008
19
+
24
VM
4
A
20
GM
19
20
19
NC
20
NC
19
M
100
A
20
M
153
19
+
24
VM
1
20
RX
003
F
33
(
M
271
)
21
M
191
22
21
NC
22
丫
000
21
GM
22
21
+
24
VM
1
22
RX
00
B
23
+
24
VM
1
24
23
丫
001
24
Y
002
23
24
23
24
Ml
101
CN
9
:
MTROL
BOARD
Y
004
25
26
25
丫
003
26
CN
2
Sl
'
DEffi
*
AFETY
C
0
VER
2
CNPRFSSDRE
SW
27
丫
005
28
Y
006
CN
2
SI
®
1
AFETY
COVER
1
線 番
線 番
29
Y
007
30
丫
008
CN
11
:
認
Uif
②
PIN
No
PIN
No
WIRE
MARK
Y
009
WIRE
MARK
32
Y
00
A
線 番
線 番
PIN
No
PIN
No
34
Y
00
C
33
Y
00
B
M
157
B
2
Ml
110
WIRE
MARK
WIRE
MARK
線 番
線 番
PIN
No
WIRE
MARK
35
Y
00
D
36
Y
00
E
PIN
No
PIN
No
3
Ml
138
M
1111
WIRE
MARK
Ml
118
+
24
VM
1
WIRE
MARK
37
Y
00
F
38
NC
Ml
116
5
T
152
6
X
01
F
2
2
Ml
119
X
006
M
151
(
El
)
2
M
153
D
39
+
24
VM
1
4
-
0
+
24
VM
1
2
Ml
117
丫
015
8
X
016
7
I
T
Ml
130
GM
3
4
3
Ml
128
9
10
J
J
Ml
131
+
24
VM
1
5
6
Ml
129
12
5
"
5
"
+
24
VM
1
B
X
007
CNU
:
CPU
基 板
(
I
/
CO
-
2
CPU
B
0
ARD
(
I
/
0
)
-
2
7
8
+
24
VM
1
A
13
U
M
175
6
"
6
"
X
01
F
GM
9
10
6
"
X
018
15
+
24
VM
4
B
16
M
0004
T
T
Y
015
A
+
24
-
VM
1
M
182
(
M
256
)
Ml
83
(
E
7
)
12
線 番 線 番
T
Y
000
A
17
M
0023
18
M
0015
8
"
GM
X
00
A
PIN
No
PIN
No
H
6
mi
)
13
M
175
14
WIRE
MARK
WIRE
MARK
8
"
GM
19
20
▼
X
016
GM
H
7
(
X
018
)
H
8
(
X
019
)
15
16
~
9
X
015
GM
2
X
010
10
T
¥
+
24
VM
1
B
H
9
(
X
01
A
)
HI
0
+
2
侧
17
18
10
+
24
VM
1
A
3
4
X
012
X
01
1
19
+
24
VM
4
B
20
GM
5
X
013
6
X
0
U
CNpARTSyVACdUM
PUMP
CN
30
:
M
1
ATYPE
A
F
34
(
M
271
)
21
M
192
22
7
X
015
8
X
016
CN
32
,
MODULE
ADDRESS
23
+
24
VM
1
24
M
1102
9
X
017
10
X
018
25
26
線 番 線 番
X
019
12
X
01
A
PIN
No
PIN
No
WIRE
MARK
WIRE
MARK
線 番
13
X
01
B
14
X
01
C
PIN
No
WIRE
MARK
X
013
+
24
VM
1
15
X
01
D
16
X
01
E
CN
29
:
77
>
2
X
012
X
008
18
17
X
01
F
GM
H
5
FAN
T
X
0
H
3
+
24
VM
1
19
NC
20
NC
HI
J
MH
1
線 番
21
NC
22
丫
010
T
H
2
PIN
No
5
"
丫
006
WIRE
MARK
23
丫
01
1
24
丫
012
T
H
3
圆溫
、
3
卜
¥
GM
25
丫
013
26
Y
0
H
I
H
4
+
24
VM
2
T
28
丫
016
27
丫
015
H
10
2
GM
8
"
29
丫
017
30
丫
018
T
H
6
3
+
24
VM
2
PIN
No
WIRE
MARK
M
14
-
3
31
Y
019
32
Y
01
A
Q
H
7
T
GM
T
¥
33
Y
01
B
34
Y
01
C
~
9
H
8
T
151
+
24
VM
5
36
35
Y
01
D
Y
01
E
T
¥
H
9
¥
2
GM
NC
37
Y
01
F
38
T
3
+
24
-
VM
5
39
+
24
-
VM
1
40
+
24
-
VM
1
8
"
4
-
GM
~
9
5
FAN
1
AL
6
T
¥
FAN
2
AL
7
GM
FAN
3
AL
J
2
8
GM
FAN
4
AL
FH
1211
C
0
,
D
0
NAME
TYPE
配置図
NXT
PARTS
ARRANGEMENT
TITLE
《
-
7
制御盤
1
BASE
CONTROL
BOX
1
DRAWING
No
.
%
RS
00467

CNC
:
说暫屬
3
CNB
:
1
/
^
02
誦故予
SU
」
SIGNAL
TOWER
線 番
線 番 線 番
線 番 線 番
線 番 線 番
PIN
No
PIN
No
PIN
No
PIN
No
PIN
No
PIN
No
PIN
No
WIRE
MARK
WIRE
MARK
WIRE
MARK
WIRE
MARK
WIRE
MARK
WIRE
MARK
WIRE
MARK
X
010
2
X
002
X
00
F
2
+
24
VM
1
2
Y
004
+
24
VM
1
X
001
3
4
3
4
3
GM
4
+
24
-
VM
1
GM
T
5
6
5
6
5
丫
005
6
GM
丫
01
A
T
8 8
+
24
VM
1
8
Y
01
B
7
丫
012
7
Y
00
E
7
Y
00
A
¥
9
Y
013
9
Y
00
F
10
9
GM
10
+
24
VM
1
Y
01
C
10
¥
12 12
Y
00
B
12
GM
Y
01
D
T
13
U
13
14
13
+
24
-
VM
1
U
丫
018
Y
01
E
8
"
16
+
24
VM
1
15
15
15
GM
Y
01
F
17
丫
019
18
GM
BLNK
10
19
20
CND
:
I
/
F
基 板
4
I
/
F
B
0
ARD
4
CNA
:
I
/
F
基 板
1
I
/
F
BOARD
1
線 番 線 番 線 番
cNm
PIN
No
PIN
No
PIN
No
PIN
No
WIRE
MARK
WIRE
MARK
WIRE
MARK
WIRE
MARK
X
01
1
2
X
003
X
00
E
2
X
000
線 番 線 番
PIN
No
PIN
No
3
4
3
4
WIRE
MARK
WIRE
MARK
5
6
5
6
X
000
S
+
24
VM
1
2
8
丫
016
8
7 7
丫
002
3
GM
4
-
+
24
VM
1
9
Y
017
10
9
Y
003
10
5
X
004
6
GM
12
12
+
24
VM
1
8
X
005
7
13
14
13
U
9
GM
10
15
15
cN
4
m
線 番
線 番
線 番
線 番
PIN
No
PIN
No
CN
22
:
基鷓辦 刀
BOARD
VACUUM
PUMP
PIN
No
PIN
No
WIRE
MARK
WIRE
MARK
WIRE
MARK
WIRE
MARK
$
H B
+
24
VM
1
2
X
019
(
Y
00
E
.
Y
0
I
2
+
24
VM
1
2
Y
002
3
GM
4
+
24
VM
1
線番
3
GM
4
+
24
VM
1
線番
6
5
X
01
A
GM
PIN
No
PIN
No
WIRE
MARK
丫
003
=
、
6
5
GM
WIRE
MARK
7
+
24
VM
1
8
X
01
B
8
7
+
24
VM
1
丫
001
X
012
9
GM
10
+
24
-
VM
1
+
24
VM
1
+
24
VM
1
9
GM
10
2
X
013
X
01
C
12
GM
X
00
B
Y
00
C
12
GM
3
X
014
+
24
VM
1
13
U
X
01
D
+
24
VM
1
13
+
24
VM
1
14
Y
00
D
T
15
GM
16
+
24
-
VM
1
M
142
16
+
24
VM
1
15
GM
CN
23
:
1
开
-
卜
I
/
O
REMOTE
I
/
O
5
"
17
X
01
E
18
GM
Y
007
17
丫
010
18
GM
6
"
19
20
GM
19
+
24
VM
1
20
Y
01
1
T
線番
21
GM
22
+
24
VM
1
PIN
No
¥
WIRE
MARK
丫
014
24
23
GM
T
M
144
RX
000
T
0
2
R
丫
002
I
RY
00
A
T
RX
008
6
"
T
RX
003
8
RX
00
B
FH
1211
C
0
,
D
0
NAME
TYPE
配置図
NXT
PARTS
ARRANGEMENT
TITLE
《
-
7
制御盤
1
BASE
CONTROL
BOX
1
DRAWING
No
.
%
RS
00467

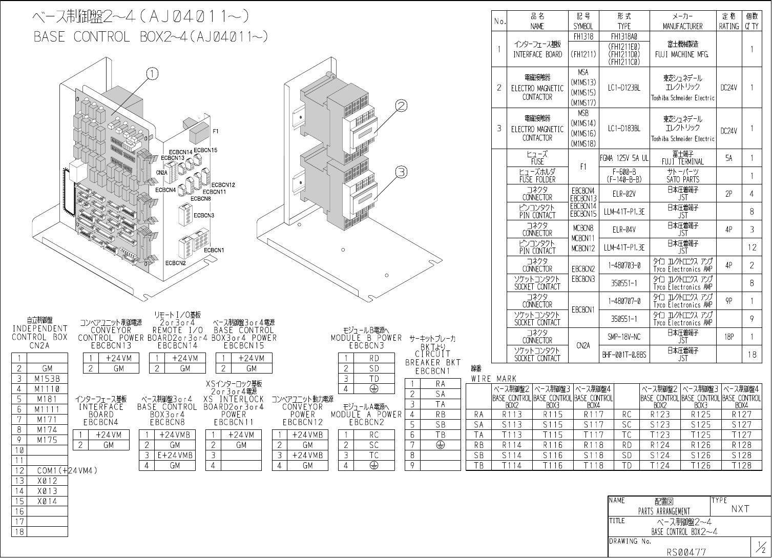
十观廳
2
4
〔
A
」
0401
1
〕
BASE
CONTROL
BOX
2
4
(
A
04011
)
口令
00
-
O
定格
個数
記号
形式
〆一力一
MANUFACTURER
SYMBOL
TYPE
RATING
G
?
TY
NAME
FH
1318
FH
1318
A
0
心夕
-
,
工
-
又麵
INTERFACE
BOARD
富士機腿
FUJI
MACHINE
MF
&
(
FH
1211
E
0
)
(
FH
1211
D
0
)
(
FH
1211
C
0
)
(
FH
1211
)
MSA
(
M
1
MS
13
)
(
M
1
MS
15
)
(
M
1
MS
17
)
LC
1
-
D
123
BL
DC
24
V
2
ELECTRO
MAGNETIC
CONTACTOR
Toshiba
Schneider
Electric
MSB
工
1
/
7
卜
LW
(
M
1
MS
14
)
(
M
1
MS
16
)
(
M
1
MS
18
)
3
LC
1
-
D
183
BL
ELECTRO
MAGNETIC
CONTACTOR
DC
24
V
Toshiba
Schneider
Electric
ECBCN
14
匕
2
-
又
邑士珊子
FUJI
TERMINAL
FGMA
125
V
5
A
UL
SA
FUSE
FI
FUSE
FOLDER
F
-
600
-
B
(
F
-
K
0
-
B
-
B
)
廿
H
(
-
、
y
SATO
PARTS
ECBCN
12
ECBCN
11
巳本圧着端子
C
(
SNECTOR
EBCBCN
4
EBCBCN
13
EBCBCN
14
EBCBCN
15
4
-
ELR
-
02
V
2
P
JST
ECBCN
8
日本圧着端子
PlN
^
COm
'
ACT
LLM
-
41
T
-
P
1.3
E
8
JST
ECBCN
3
日本圧騙子
C
^
NECTOR
MCBCN
8
MCBCN
11
MCBCN
12
ELR
-
04
V
4
P
3
JST
日本圧着端子
PINDCONm
LLM
-
41
T
-
P
1.3
E
12
JST
ECBCN
1
外
]
n
/
^
bnin
TJI
C
^
C
?
OR
ECBCN
2
1
-
480703
-
0
4
P
2
EBCBCN
2
EBCBCN
3
Tyco
Electronics
AMP
外
]
T J J
Tyco
Electronics
AMP
v
外卜
]
>
夕外
SOCKET
CCNTACT
8
350551
-
1
外
]
ru
Tyco
Electronics
AMP
C
^
NECTOR
1
-
480707
-
0
9
P
EBCBCN
1
外
]
T J l
Tyco
Electronics
AMP
Ut
-
卜
I
/
0
基板
_
乃二外制
iW
源
2
or
3
or
4
《
-
;
(
制籠
3
◦
「
4
電源
CONVEYOR
REMOTE
I
/
O
BASE
CONTROL
S
(
li
(
ET
OTACT
350551
-
1
9
i
立制讓
INDEPENDENT
CONTROL
BOX
CONTROL
POWER
B
0
ARD
2
or
3
or
4
BOX
3
or
4
POWER
EBCBCN
15
儿源
MODULE
B
POWER
廿
-
牛外
:
fl
/
-
力
EBCBCN
3
醜
ii
子
C
^
NECTOR
SMP
-
18
V
-
NC
18
P
JST
EBCBCNU
CN
2
A
EBCBCN
13
CN
2
A
CIRC
^
/
T
BREAKER
BKT
EBCBCN
1
BKT
日本圧着
i
子
外
ID
夕外
SOCKET
CCNTACT
BHF
-
001
T
-
0.8
BS
18
1
+
24
VM
1
+
24
VM
1
+
24
VM
RD
JST
2
GM
2
GM
2
GM
2
GM
2
SD
3
M
153
B
3
TD
WIRE
MARK
XS
心 夕
-
基 板
2
o
r
3
o
r
立電原
心夕
-
7
i
-
X
麵
^
-
Xi
«
3
or
4
XS
INTERLOCK
]
>
\
7
]
二外動廳
INTERFACE
BASE
CONTROL
B
0
ARD
2
or
3
or
4
B
0
X
3
or
4
EBCBCN
8
RA
W
BASE
CONTROL
《
-
趨廳
3
BASE
CONTROL
又制謹
2
BASE
CONTROL
气
-
赢盤
3
BASE
CONTROL
BASE
CONTROL
4
Mil
10
4
2
SA
BASE
CONTROL
5
M
181
3
TA
B
0
X
4
-
30
X
4
B
0
X
2
BOX
]
B
0
X
2
BOX
]
晚
-
儿
A
電激
\
MODULE
A
POWER
EBCBCN
2
CONVEYOR
POWER
EBCBCN
12
6
Ml
1
11
BOARD
EBCBCN
4
POWER
EBCBCN
11
A
RB
RA
R
113
R
1
15
R
117
RC
R
123
R
125
R
127
M
171
5
SB
SA
SI
13
SI
15
SI
17
SC
S
123
S
125
S
127
8
Ml
74
1
+
24
VM
+
24
VMB
+
24
VM
+
24
VMB
RC
6
TB
TA
T
1
13
T
1
15
T
1
17
TC
T
123
T
125
T
127
9
M
175
W
SC
R
1
14
R
124
R
126
2
GM
2
GM
2
GM
2
GM
2
7
RB
R
1
16
R
118
RD
R
128
10
E
+
24
VMB
3 3
+
24
VMB
3
TC
8
SB
SI
14
-
SI
16
SI
18
SD
SI
24
S
126
S
128
3
4
-
GM
4
4
4
TB
T
1
14
T
1
16
T
1
18
TD
T
124
T
126
T
128
GM
9
C
0
M
1
(
+
24
VM
4
)
12
13
X
012
U
X
013
NAME
TYPE
配置図
15
X
0
U
NXT
PARTS
ARRANGEMENT
16
TITLE
《
-
遍
D
盤
2
4
BASE
CONTROL
B
0
X
2
4
17
18
DRAWING
No
.
RS
00477