Schmtic_NXT_03_ - 第133页
真 翌 獅 B K T 〔 A 」 0 6 9 1 4 ) VACUUM PUMP CONTROL BKTCAJ 06914 - ~ ) 品 名 定 格 個 数 記 号 形 式 力 - MANUFACTURER N o . GUY NAME SYMBOL TYPE RATING 富士電機 心八 - 夕 ] 二外 INVERTER UNIT 200 V 30 M 1 IV 1 FUJI ELECTRIC 0 . 棚 《 - 又制讓 1 奶…

口
'
U
-
力
BKT
2
~
4
-
〔
A
」
04209
〕
BREAKER
BKT
2
4
(
A
04209
)
o
令
□
o
定格
個数
記号
形式
y
-
力
-
MANUFACTURER
No
.
SYMBOL
TYPE
RATING
G
?
TY
NAME
廿
-
牛外尤
I
CIRCUIT
PROTECTOR
三菱電機
MITSUBISHI
ELECT
AC
250
V
CP
30
-
BA
3
P
1
M
10
A
10
A
CPA
醒具
MOUNT
TOOL
三菱電機
MITSUBISHI
ELECT
FP
3
-
CP
廿
-
牛外尤
I
亍夕夕
CIRCUIT
PROTECTOR
三菱電機
MITSUBISHI
ELECT
AC
250
V
CP
30
-
BA
3
P
1
M
10
A
10
A
2
CPB
埋纖
MOUNT
TOOL
三菱電機
MITSUBISHI
ELECT
FP
3
-
CP
夕力八
,
W
TAB
HOUSING
夕
<
]
TJI
Tyco
Electronics
AMP
1
-
917809
-
2
4
P
3
CNA
夕 夕 夕 夕 卜
TAB
CONTACT
5
K
]
I
\
/
]
V
[
m
TJl
Tyco
Electronics
AMP
CNB
917805
-
2
12
CNA
CNF
CNF
y
'
Ai
.
火 外
PUSH
RIVET
Il
/
7
h
[
T
^
TJl
Tyco
Electronics
AMP
900128
-
2
6
CNB
]
本夕夕
CONNECTOR
夕
-
r
]
TJI
CNC
1
-
480707
-
0
9
P
CND
Tyco
Electronics
AMP
CNC
CNE
、
/
T
外
]
〉
夕外
SOCKET
CONTACT
350551
-
1
7
夕
<
]
Il
/
7
h
[
T
^
TJl
Tyco
Electronics
AMP
]
本夕夕
CONNECTOR
1
-
480703
-
0
4
P
2
CND
、
/
r
外
]
:
y
夕外
SOCKET
CONTACT
CNE
350551
-
1
8
-
力
BKT
1
o
「
2
o
「
3
J
:
LJ
BREAKER
BKT
1
o
r
2
o
r
3
CNA
OPlfo
^
VICE
未使用
BASEto
^
L
BOX
NOTUSED
CND
CNF
CNC
繼号
、
]
衫夕番号
、
藤搬
DEVICE
、
CONNECTOR
No
.
、
WIRE
MARK
CONTRAST
TABLE
A
1
R
1 0 0
RA
A
1
R
100
RA
A
2
S
100
2
SA
A
2
S
100
2
SA
UBKT
2
BREAKER
力
BKT
3
BREAKER
UBKT
4
BREAKER
BKT
4
B
1
T
100
3
TA
B
1
T
100
3
TA
BKT
2
BKT
3
B
2
4
B
2
4
RB
5
SB
CPA
M
1
CP
3
M
1
CP
5
M
1
CP
7
6
TB
CPB
M
1
CP
4
M
1
CP
6
M
1
CP
8
CP
4
CN
1
7
CNA
CP
2
CN
1
CP
3
CN
1
-
力
BKT
3
o
「
4
A
BREAKER
BKT
3
or
A
8
CNB
CP
2
CN
2
CP
3
CN
2
CP
4
CN
2
CP
4
CN
3
9
CNC
CP
2
CN
3
CP
3
CN
3
C N D
CP
2
CN
4
CP
3
CN
4
CP
4
CN
4
CNB
CNE
CP
2
CN
5
CP
3
CN
5
CP
4
-
CN
5
A
1
R
100
OPT
^
Afl
^
V
.
CE
CP
2
CN
6
CP
3
CN
6
CP
4
CN
6
CNF
A
2
S
100
RA
R
1
13
R
115
R
117
B
1
T
100
CNE
SA
S I
1 3
SI
15
S
117
B
2
RB
TA
T
1
13
T
1
15
T
1
17
2
SB
R
1
1 4
RB
R
1
16
R
118
3
TB
SB
SI
14
-
S
116
SI
18
4
TB
T
1
14
T
1
16
T
1
18
NAME
TYPE
配置図
NXT
PARTS
ARRANGEMENT
TITLE
口
V
-
力
BKT
2
4
BREAKER
BKT
2
4
DRAWING
No
.
%
RS
00494

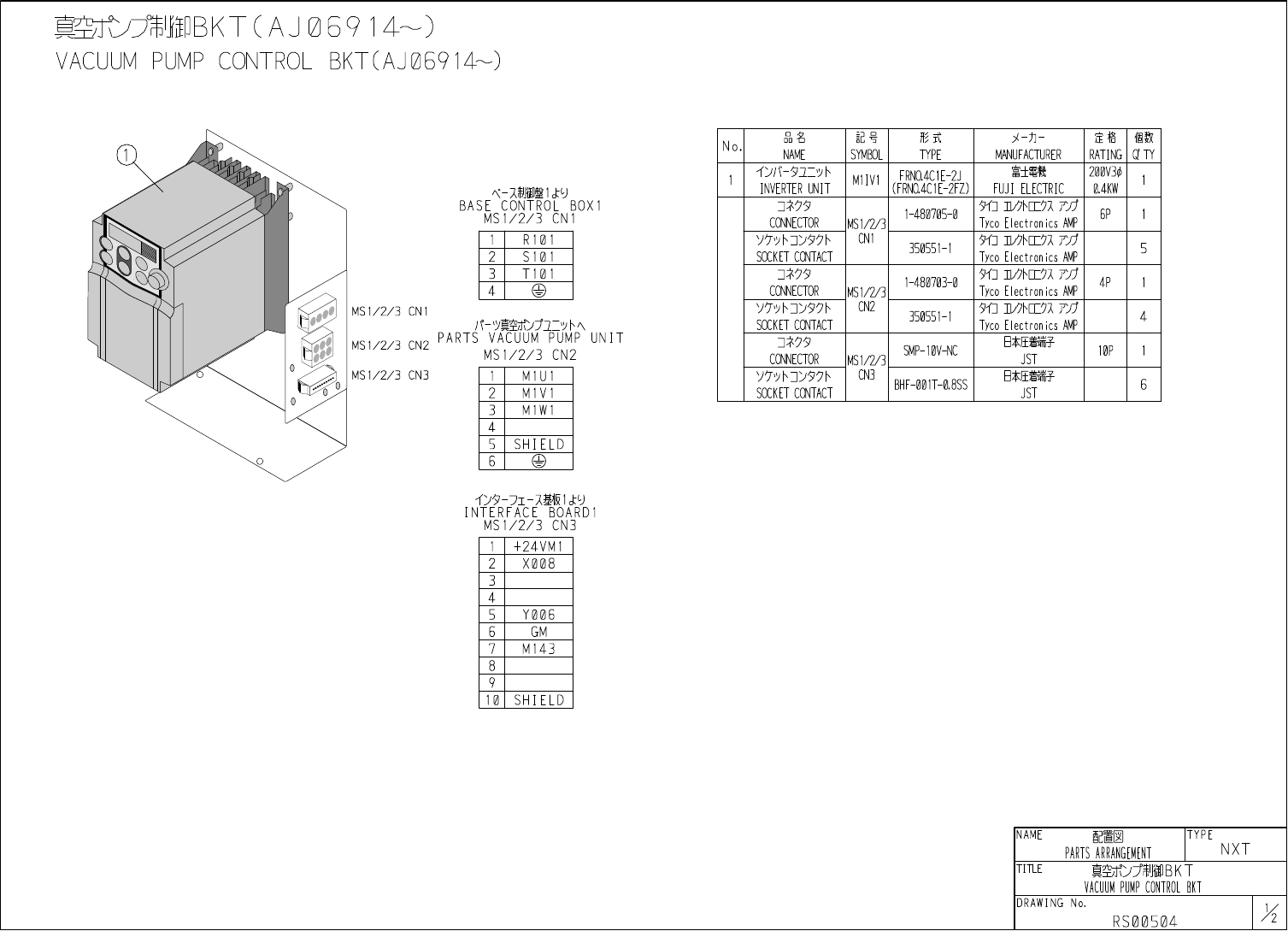
真 翌 獅
BKT
〔
A
」
0 6 9 1 4
)
VACUUM
PUMP
CONTROL
BKTCAJ
06914
-
~
)
品 名
定 格
個 数
記 号
形 式
力
-
MANUFACTURER
No
.
GUY
NAME
SYMBOL
TYPE
RATING
富士電機
心八
-
夕
]
二外
INVERTER
UNIT
200
V
30
M
1
IV
1
FUJI
ELECTRIC
0
.
棚
《
-
又制讓
1
奶
BASE
CONTROL
B
0
X
1
MSI
/
2
/
3
CN
1
夕
<
]
WJVULOl
TJl
]
本夕夕
CONNECTOR
1
-
480705
-
0
6
P
Tyco
Electronics
AMP
MSI
/
2
/
3
CN
1
夕
TJl
外
ID
夕外
SOCKET
CONTACT
R
101
35055
H
5
2
S
101
Tyco
Electronics
AMP
外
]
I
^
hLT
^
TJl
]
卞夕夕
CONNECTOR
3
T
101
1
-
480703
-
0
4
P
4
-
Tyco
Electronics
AMP
MSI
/
2
/
3
CN
2
外
]
JlyOhniOl
TU
外
]
〉
夕外
SOCKET
CONTACT
MS
1
/
2
/
3
CN
1
4
35055
H
/
(
-
'
激
力二外
'
PARTS
VACUUM
PUMP
UNIT
MS
1
/
2
/
3
CN
2
Tyco
Electronics
AMP
日本圧着端子
]
本夕夕
CONNECTOR
MS
1
/
2
/
3
CN
2
SMP
-
10
V
-
NC
10
P
JST
MSI
/
2
/
3
CN
3
日本圧着端子
MS
1
/
2
/
3
CN
3
V
外卜
]
>
夕外
SOCKET
CONTACT
M
1
U
1
BHF
-
001
T
-
0.8
SS
6
2
JST
M
1
V
1
3
M
1
W
1
4
5
SHIELD
6
心 夕 工
-
乂 基 板
INTERFACE
BOARD
1
MS
1
/
2
/
3
CN
3
+
24
VM
1
X
008
2
3
4
5
丫
006
6
GM
7
M
14
-
3
8
9
10
SHIELD
NAME
TYPE
配置図
NXT
PARTS
ARRANGEMENT
TITLE
VACUUM
PUMP
CONTROL
BKT
DRAWING
No
.
RS
00504

真翌
rtx
^
1
獅
BKT
(
-
AJ
06913
)
VACUUM
PUMP
CONTROL
BKTC
-
AJ
06913
)
品 名
定 格
個 数
記 号
形 式
力
-
MANUFACTURER
No
.
GUY
NAME
SYMBOL
TYPE
RATING
富士電機
心八
-
夕
]
二外
INVERTER
UNIT
200
V
30
M
1
IV
1
FUJI
ELECTRIC
0
.
棚
《
-
又制讓
1
奶
BASE
CONTROL
B
0
X
1
MSI
/
2
/
3
CN
1
夕
<
]
WJVULOl
TJl
]
本夕夕
CONNECTOR
1
-
480705
-
0
6
P
Tyco
Electronics
AMP
MSI
/
2
/
3
CN
1
夕
TJl
外
ID
夕外
SOCKET
CONTACT
R
101
35055
H
5
2
S
101
Tyco
Electronics
AMP
外
]
I
^
hLT
^
TJl
]
卞夕夕
CONNECTOR
3
T
101
1
-
480703
-
0
4
P
4
-
Tyco
Electronics
AMP
MSI
/
2
/
3
CN
2
外
]
JlyOhniOl
TU
外
]
〉
夕外
SOCKET
CONTACT
MS
1
/
2
/
3
CN
1
4
35055
H
/
(
-
'
激
力二外
'
PARTS
VACUUM
PUMP
UNIT
MS
1
/
2
/
3
CN
2
Tyco
Electronics
AMP
日本圧着端子
]
本夕夕
CONNECTOR
MS
1
/
2
/
3
CN
2
SMP
-
10
V
-
NC
10
P
JST
MSI
/
2
/
3
CN
3
日本圧着端子
MS
1
/
2
/
3
CN
3
V
外卜
]
>
夕外
SOCKET
CONTACT
M
1
U
1
BHF
-
001
T
-
0.8
SS
6
2
JST
M
1
V
1
3
M
1
W
1
4
5
SHIELD
6
心 夕 工
-
乂 基 板
INTERFACE
BOARD
1
MS
1
/
2
/
3
CN
3
+
24
VM
1
X
008
2
3
4
5
丫
006
6
GM
7
M
14
-
3
8
9
10
SHIELD
NAME
TYPE
配置図
NXT
PARTS
ARRANGEMENT
TITLE
VACUUM
PUMP
CONTROL
BKT
DRAWING
No
.
Vi
RS
00504