Schmtic_NXT_03_ - 第15页
9 2 3 9 0 I 9 2 4 9 0 2 9 2 5 9 0 3 i z — 一 1 J U - I Z 二外 S A F E T Y R E L A Y U N I T 9 2 6 9 0 4 m , 1 ( M 1 S R 1 ) K 1 / M 1 + 2 4 V M 4 1 9 2 7 9 0 5 P o w e r S u pp l y : : : 杉 A K + ) A 2 ㈠ c f 9 2 8 9 0 6 t - …

823
80
I
824
802
m
1
825
803
_
D
4
NLrl
.
Hf
5
-
_
B
.
M
1
LS
16
JP
3
-
5
JP
3
-
1
JP
3
-
1
M
0
CR
1
X
,
5
—
mm
M
1
C
5
lX
M
1113
㈣
Emi
2
Ml
136
11
&
M
153
D
、
^
M
151
、
53
B
+
24
VM
4
Ml
1
7
、
■
U
K
826
804
T
CN
:
I
I
CN
;
11
CN
;
10
7
:
SQ
SB
SB
121
118
1
14
107
827
805
DP
^
OFF
DP
5
-
5
DP
5
-
3
OFF
OFF
828
806
829
807
ADDRESS
恐
M
TO
103
D
4
NL
-
l
.
HfG
-
B
.
M
1
LS
16
JP
3
-
6
JP
3
-
2
JP
3
-
2
M
隱丑
X
1
M
1
l
26
MFii
0
X
1
MH
25
MMC
^
QE
1
M
1124
Ml
129
、
128
Ml
83
M
182
、
127
830
808
c
CI
^
27
%
CN
|
11
CNj
1
|
_
C
_
Nj
10
SQ
SB
SB
123
115
109
H
4
_
83
1
809
DP
3
-
2
DPt
6
oH
DP
5
-
4
OFF
OFF
832
8
10
833
81
I
D
4
NLrl
_
HfG
-
_
B
.
M
1
LS
26
JP
3
-
4
f
^
2
M
0
CR
3
l
-
]
M
.
n
4
M
1133
M
1
CR
12
X
1
M
1
CR
32
E
1
M
1137
Ml
13
B
Mil
32
Ml
3
30
834
812
8
145
141
137
835
813
JP
3
-
6
DP
6
-
4
巧
OFF
DP
3
-
5
ON ON
+
24
VM
4
814
FROM
MODULE
1
836
M
2
CRI
2
X
fa
D
»
N
2
F
33
M
271
F
33
GM
837
815
C
2
CN
^
0
JHNL
-
l
.
HFG
^
B
,
M
1
LS
26
.
.
JP
_
3
-
5
.
_
_
JP
3
-
3
M
1
I
23
M
,
0
,
C
^
-
1
M
1122
^
C
52
,
X
MH
21
—
M J
1 2 0
M
1
CR
32
E
19
,
18
M
1
838
816
FR
0
_
M
—
L
互
2
_
!
M
2
CR
12
X
SQ
CN
|
28
136
143
140
1
10
839
817
■
CN
2
F
34
GM
M
271
F
34
DP
6
-
3
DP
^
OFF
DP
3
-
4
ON
ON
„
CNiLM
840
818
1 11 0
NEXT
-
1
L
M
181
-
LCMIIII
PAGE
DP
^
8
OFF
841
819
DP
^
7
OFF
M
157
Bj
,
jN
9
M
1110
842
820
M
11
PREVIOUS
M
1111
PAGE
843
82
1
844
82 2
845
安全回路図
SAFETY
CIRCUIT
DIAGRAM
NAME
PAGE
X
TITLE
令乂安全回路
BASE
SAFETY
CIRCUIT
TYPE
NXT
DRAWING
No
.
RE
01532

923
90
I
924
902
925
903
iz
—
一
1
JU
-
IZ
二外
SAFETY
RELAY
UNIT
926
904
m
,
1
(
M
1
SR
1
)
K
1
/
M
1
+
24
VM
4
1
927
905
Power
Supply
:
:
:
杉
AK
+
)
A
2
㈠
cf
928
906
t
-
万
dOK
SAFETY
RELAY
OK
MICR
21
E
D
112
&
MICR
4
X
MI
2
IA
M
174
M
174
A
929
907
.
-
I
f
127
16
S
34
129
&
MI
53
B
1
930
908
G
6
A
-
234
P
-
5
T
-
US
S
12
&
I
/
F
MODULE
1
I
/
F
MI
110
1
M
175
M
17
B
93
1
909
Cf
|
j
2
-
i
<
?
^
4
?
^
t
>
S
11
CN
'
10
I
/
F
MODULE
2
I
/
F
-
13
PREVIOUS
PAGE
^
t
>
M
181
CN
'
11
932
9
1
0
<
>
S
22
CN
9
=
3
-
14
Mill
1
933
9
Q
S
21
o
O
夕
-
71
-
7
基板
2
_
[
_
NTERFAC
_
E
_
B
0
AR
_
D
_
2
_
Ml
75
4
-
M
8
M
934
912
c
>
丫
4
衫
]
-
儿
3
I
/
F
MODULE
3
I
/
F
CN
:
M
175
t
^
0
935
913
<
)
a
'
CN
21
U
I
/
F
4
I
/
F
-
13
丫
5
丫
32
J
175
CN
[
H
aS
?
~
~
Test
Pulse
output
936
914
8
-
14
-
14
注
)
夕
-
厶
!
/
;
(
删
Note
)
Seamless
specification
,
937
915
the
safety
relay
unit
is
not
used
,
although
there
is
also
a
machine
furnished
with
.
心夕
-
7
i
-
又麵
3
[
NTERFAC
E
B
0
AR
D
3
>
Ml
75
8
M
938
916
I
/
F
MODULE
5
I
/
F
⑽
丄
M
175
⑽
二
M
175
f
-
B
:
CN
;
10
杉
]
-
儿
6
I
/
F
MODULE
6
I
/
F
-
13
939
917
CN
;
1
I
-
13
8
Cf
|
J
9
940
918
-
14
-
14
941
919
O
夕
-
口工
-
又麵
4
I
NTERFAC
E
B
0
AR
D
4
Ml
75
8
M
CN
2
X
Ml
75
'
-
I
/
F
MODULE
7
I
/
F
CN
2
;
M
175
942
920
f
CN
;
10
砍
-
儿
8
I
/
F
MODULE
8
I
/
F
-
13
943
92
1
-
13
8
-
14
-
14
-
944
922
945
安全回路図
SAFETY
CIRCUIT
DIAGRAM
NAME
PAGE
X
TITLE
十又安全回路
BASE
SAFETY
CIRCUIT
TYPE
NXT
DRAWING
No
.
RE
01532

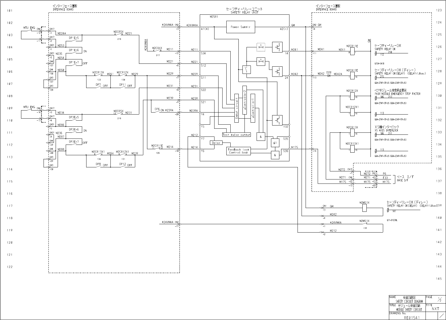
+
24
VM
4
A
M
2
CR
4
X
M
211
217
M
2
CR
5
X
M
221
218
ON
M
221
OFF
M
2
CR
13
X
M
2
CR
12
X
M
229
M
2
SR
1
+
24
VM
4
A
1
A
1
(
+
)
S
34
M
22
IA
S
12
M
229
S
22
M
239
M
239
A
S
21
DP
6
ON
M
239
A
M
239
A
1
^
oX
M
23
I
丫
4
218
c
>
丫
5
ON
M
2
I
2
A
丫
7
OFF
Delay
M
2
CRIIE
M
214
M
2
H
丫
6
-
10
M
2
CR
13
X
1
M
264
M
2
aCR
^
x
1
MZ
39
126
134
131
DP
8
Diy
OFF
OFF
+
24
VM
4
A
CN
2
^
S
1
1
133
130
P
OFF
DP
11
OFF
M
231
M
231
Test
Pul se
output
SL
Feedback
loop
Comtrol
loop
心夕
-
〕
工
-
又基板
INTERFACE
BOARD
0
1
02
MTU
EMG
M
224
-
A
03
DP
1
E
-
5
-
2
M
253
04
DP
1
E
-
G
;
N
21
M
235
M
254
05
DP
IE
-
7
M
260
06
07
08
MTU
EMG
09
M
2
34
DP
3
E
-
5
0
曹
M
286
DP
3
E
-
6
M
236
M
287
DP
3
E
-
7
2
fr
M
288
3
CN
3
-
29
CN
3
4
4
-
30
5
6
7
8
9
20
2
1
22
123
124
125
t
_
万
dOK
SAFETY
RELAY
OK
126
210
bl
112
127
G
7
SA
-
5
AIB
t
-
7
x
<
-
UL
/
-
0
K
(
xVU
-
)
SAFETY
RELAY
OK
(
DELAY
) (
DELAY
:
1.0
sec
)
ai
71
S
128
b
G
6
A
-
274
P
-
ST
-
US
(
G
6
A
-
234
P
-
ST
-
US
)
129
啊
y
]
-
儿非常停止要因
PAIR
MODULE
EMERGENCY
STOP
FACTOR
a
|
?
n
130
b
G
6
A
-
274
P
-
ST
-
US
(
G
6
A
-
234
P
-
ST
-
US
)
13
1
ill
b
G
6
A
-
274
P
-
ST
-
US
(
G
6
A
-
234
P
-
ST
-
US
)
1
32
XS
AXIS
INTERLOCK
a
|
106
211
133
b
G
6
A
-
274
P
-
ST
-
US
(
G
6
A
-
234
P
-
ST
-
US
)
1
34
113
G
6
A
-
274
P
-
ST
-
US
(
G
6
A
-
234
P
-
ST
-
US
)
1
35
136
M
272
CN
M
272
P
6
1
I
/
F
BASE
I
/
F
M
271
CN
6
M
175
-
22
M
271
F
33
1
37
M
175
M
175
-
B
3
;
1
38
t
-
^
-
Ulz
-
OKCrVU
-
)
SAFETY
RELAY
OK
(
DELAY
)
(
DELAY
:
1.0
secD
39
M
2
MS
1
X
GM
bl
141
M
24
-
2
140
LC
1
-
D
123
BL
M
2
MS
1
X
+
24
VM
4
A
139
U
1
M
212
142
143
144
145
安全回路図
SAFETY
CIRCUIT
DIAGRAM
NAME
PAGE
TITLE
-
儿安全回路
MODULE
SAFETY
CIRCUIT
TYPE
NXT
DRAWING
No
.
RE
01541
心夕
-
7
工
-
又基板
INTERFACE
BOARD
万
<
一
1
U
二
1
外
SAFETY
RELAY
UNIT
GM
㈣
Power
Supply
A
2
〔
-
)
5
M
2
CR
11
E
M
241
1
M
241
M
241
It
0
14
A
M
2
CR
12
E
D
20
M
242
1
M
242
M
242
A
16
24
13
M
2
CR
12
X
16
M
2
CR
12
XI
16
O
Y
32
M
2
CRI
3
X
o
S
3
B
^
1
S
36
&
CNI
<
<
-
2
16
M
2
CR
13
X
1
16
VSA
17
CSI
+
CNJ
9
二
OJiow