Schmtic_NXT_03_ - 第17页
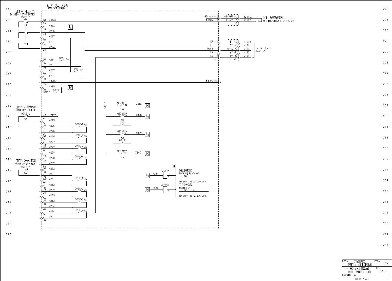
心夕 - 〕 工 - 又基板 I N T E R F A C E B O A R D 2 2 3 2 0 I 非常停止押 L ; K 夕 〉 E M E R G E N C Y S T O P B U T T O N M 2 P B 1 E + 24 VAMCN 1 + 2 4 V A M CN 2 - + 2 4 V A M MTU 非常停止要因 M T U E M E R G E N C Y S T O P F A C T O R …

+
24
VM
4
A
M
2
CR
4
X
M
211
217
M
2
CR
5
X
M
221
218
ON
M
221
OFF
M
2
CR
13
X
M
2
CR
12
X
M
229
M
2
SR
1
+
24
VM
4
A
1
A
1
(
+
)
S
34
M
22
IA
S
12
M
229
S
22
M
239
M
239
A
S
21
DP
6
ON
M
239
A
M
239
A
1
^
oX
M
23
I
丫
4
218
c
>
丫
5
ON
M
2
I
2
A
丫
7
OFF
Delay
M
2
CRIIE
M
214
M
2
H
丫
6
-
10
M
2
CR
13
X
1
M
264
M
2
aCR
^
x
1
MZ
39
126
134
131
DP
8
Diy
OFF
OFF
+
24
VM
4
A
CN
2
^
S
1
1
133
130
P
OFF
DP
11
OFF
M
231
M
231
Test
Pul se
output
SL
Feedback
loop
Comtrol
loop
心夕
-
〕
工
-
又基板
INTERFACE
BOARD
0
1
02
MTU
EMG
M
224
-
A
03
DP
1
E
-
5
-
2
M
253
04
DP
1
E
-
G
;
N
21
M
235
M
254
05
DP
IE
-
7
M
260
06
07
08
MTU
EMG
09
M
2
34
DP
3
E
-
5
0
曹
M
286
DP
3
E
-
6
M
236
M
287
DP
3
E
-
7
2
fr
M
288
3
CN
3
-
29
CN
3
4
4
-
30
5
6
7
8
9
20
2
1
22
123
124
125
t
_
万
dOK
SAFETY
RELAY
OK
126
210
bl
112
127
G
7
SA
-
5
AIB
t
-
7
x
<
-
UL
/
-
0
K
(
xVU
-
)
SAFETY
RELAY
OK
(
DELAY
) (
DELAY
:
1.0
sec
)
ai
71
S
128
b
G
6
A
-
274
P
-
ST
-
US
(
G
6
A
-
234
P
-
ST
-
US
)
129
啊
y
]
-
儿非常停止要因
PAIR
MODULE
EMERGENCY
STOP
FACTOR
a
|
?
n
130
b
G
6
A
-
274
P
-
ST
-
US
(
G
6
A
-
234
P
-
ST
-
US
)
13
1
ill
b
G
6
A
-
274
P
-
ST
-
US
(
G
6
A
-
234
P
-
ST
-
US
)
1
32
XS
AXIS
INTERLOCK
a
|
106
211
133
b
G
6
A
-
274
P
-
ST
-
US
(
G
6
A
-
234
P
-
ST
-
US
)
1
34
113
G
6
A
-
274
P
-
ST
-
US
(
G
6
A
-
234
P
-
ST
-
US
)
1
35
136
M
272
CN
M
272
P
6
1
I
/
F
BASE
I
/
F
M
271
CN
6
M
175
-
22
M
271
F
33
1
37
M
175
M
175
-
B
3
;
1
38
t
-
^
-
Ulz
-
OKCrVU
-
)
SAFETY
RELAY
OK
(
DELAY
)
(
DELAY
:
1.0
secD
39
M
2
MS
1
X
GM
bl
141
M
24
-
2
140
LC
1
-
D
123
BL
M
2
MS
1
X
+
24
VM
4
A
139
U
1
M
212
142
143
144
145
安全回路図
SAFETY
CIRCUIT
DIAGRAM
NAME
PAGE
TITLE
-
儿安全回路
MODULE
SAFETY
CIRCUIT
TYPE
NXT
DRAWING
No
.
RE
01541
心夕
-
7
工
-
又基板
INTERFACE
BOARD
万
<
一
1
U
二
1
外
SAFETY
RELAY
UNIT
GM
㈣
Power
Supply
A
2
〔
-
)
5
M
2
CR
11
E
M
241
1
M
241
M
241
It
0
14
A
M
2
CR
12
E
D
20
M
242
1
M
242
M
242
A
16
24
13
M
2
CR
12
X
16
M
2
CR
12
XI
16
O
Y
32
M
2
CRI
3
X
o
S
3
B
^
1
S
36
&
CNI
<
<
-
2
16
M
2
CR
13
X
1
16
VSA
17
CSI
+
CNJ
9
二
OJiow

心夕
-
〕
工
-
又基板
INTERFACE
BOARD
223
20
I
非常停止押
L
;
K
夕
〉
EMERGENCY
STOP
BUTTON
M
2
PB
1
E
+
24
VAMCN
1
+
24
VAM
CN
2
-
+
24
VAM
MTU
非常停止要因
MTU
EMERGENCY
STOP
FACTOR
^
tZI
224
202
K
3107
-
1
K
3107
K
3107
K
3107
SB
X
00
A
x
:
-
18
225
203
M
256
M
257
-
20
226
204
El
CN
已
El
CN
2
.
^
M
153
B
El
-
21
E
2
E
2
M
151
M
204
^
-
7
I
/
F
BASE
I
/
F
M
2
B
6
M
256
,
M
181
22
B
2
;
227
205
E
7
-
1
E
7
M
182
E
9
-
1
E
9
-
M
191
,
ON
;
N
4
M
204
-
21
-
C
228
206
25
E
2
,
ON
M
257
229
207
27
E
7
<
^
28
K
3207
K
3207
230
208
29
X
00
0
30
+
24
VA
1
23
1
209
M
2
CR
11
E
X
000
M
232
2
10
正面力
/
(
-
開閉確認
FRONT
COVER
CHECK
M
2
LS
1
E
CXJ
126
M
2
CR
13
X
+
24
VA
1
X
008
E
<
rt
233
2
SQ
133
M
225
DP
9
晏
DPJ
-
SON
M
225
234
212
M
226
M
2
CR
12
X
X
009
DP
IE
-
2
ON
M
226
235
213
130
DP
13
M
227
-
10
DPJ
^
-
30
N
CN
4
M
227
236
214
M
2
CR
12
E
M
228
X
00
D
1
^
0
DPJ
5
:
40
N
128
M
228
237
215
正面力開瞧認
FRONT
COVER
CHECK
M
2
LS
1
E
M
252
o
18
M
252
<
rt
238
蘸準 備
OK
MACHINE
READY
OK
216
M
2
CR
4
X
SQ
M
281
104
16
24
DPj
^
-
80
N
CN
4
M
281
239
<
7
217
G
6
A
-
274
P
-
ST
-
US
(
G
6
A
-
234
P
-
ST
-
US
)
7
叉夕
-
ON
MASTER
ON
ai
] ]
\
/
\
-
31
M
282
M
2
CR
5
X
-
32
丫
002
DPj
^
-
20
N
CN
3
M
282
16
240
218
-
25
M
283
G
6
A
-
274
P
-
ST
-
US
(
G
6
A
-
234
P
-
ST
-
US
)
11
i
DPj
^
-
30
N
M
283
241
219
-
33
M
284
-
34
DPj
5
^
0
N
M
284
242
220
-
35
E
9
243
22
1
244
222
245
安全回路図
SAFETY
CIRCUIT
DIAGRAM
NAME
PAGE
2
A
TITLE
杉
]
-
儿安全回路
MODULE
SAFETY
CIRCUIT
TYPE
NXT
DRAWING
No
.
RE
01 54 1

M
3
久
—
又側
+
丨
~
1
側
MODULE
SIDE
BASE
SIDE
CN
1
POWER
51297
-
0401
(
MOLEX
)
55889
-
0401
(
MOLEX
)
——
^
\
R
A
A
R
R
121
®
④
R
[
I
CN
1
|
|
LABEL
|
S
121
T
121
S
2
2
\
/
LA
-
X
.
]
本夕夕電線挿入側
wire
insertion
side
]
物電線挿入側
wire
insertion
side
CN
2
SI
GNAL
56377
-
5000
CMOL
EX
)
E
D
C
B
A
A
B
C
D
E
51233
-
5011
(
MOLEX
)
C
5
、
C
6
_
M
+
24
M
191
M
M
M
+
24
M
C
5
'
emu
E
1
E
9
650
VM
1
181
153
B
256
VM
1
650
COVER
M M
M
151
M M
2
2
5
^
332
-
5001
(
MOLEX
)
SP
F
33
E
2
E
7
SP
182
271
1101
1101
\
M
X
M M
X
M
OH
3 3
SP SP SP
272
005
175
175
005
272
—
n
OPTO
X
X X
OPTO
©
4
4
SP SP SP
HI
006
016
006
B
B
M
X
RY
X
RY
X
M
5 5
H
2
SP SP
273
007
012
017
012
007
273
RY RY
X
6
6
SP
GA
H
3
SP SP
GA
SP
012
A
018
012
A
CX
SHI
X
SHI
CX
7
©
7
H
4
SP
SP
002
ELD
019
ELD
002
CX
+
24
-
CX
8 8
SP SP
00
A
VA
1
00
A
CY
+
24
+
24
CY
9 9
SP SP
002
VM
4
A
VM
4
A
002
CY
CY
10 10
GM
SP SP
GM
007
007
CN
3
]
本夕夕電線择入側
wire
insertion
side
]
衫夕糖入側
wire
insertion
side
I
EEE
1
394
-
55100
-
0600
CMOLEX
)
54280
-
0610
CMOLEX
)
5
6
TPB
*
TPB
A
.
——
1
3
4
TPM
TPA
]
I
CN
3
I I
CN
3
I
2
VP
VG
]
物電線挿入側
wire
insertion
side
]
物電線揷入側
wire
insertion
side
CASE
:
FG
CASE
:
FG
NAME
TYPE
I
/
F
接続図
1
/
F
JUNCTION
mm
NXT
TITLE
i
/
F
BASE
-
MODULE
BETWEEN
1
/
F
DRAWING
No
.
RL
00532