Schmtic_NXT_03_ - 第19页
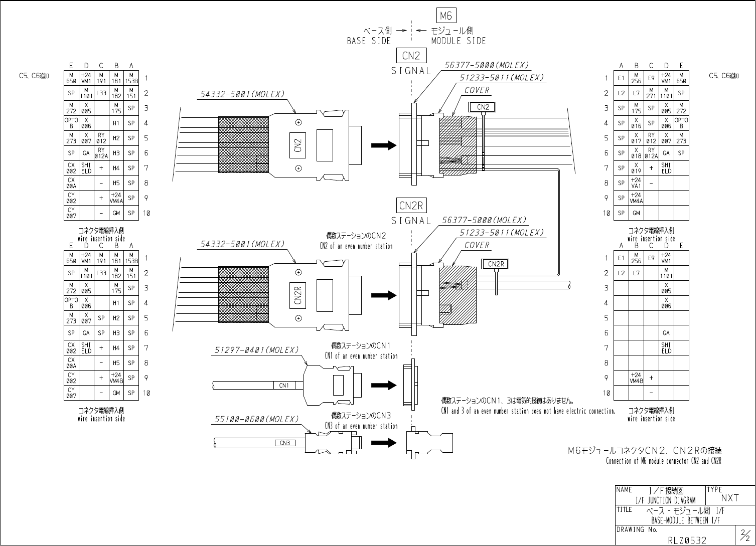
M 6 久 — 又 側 + 丨 ~ 1 側 M O D U L E S I D E B A S E S I D E CN 2 56377 - 5000 CMOLEX ) E D C B A A B C D E S I G N A L C 5 、 C 6 追 ! ) 0 + 24 + 24 - C 5 、 C 6 遨 0 M M 191 M M M M 5123 J - 50 I 1 ( MOLEX ) E 1 E 9 650 181 1…

M
3
久
—
又側
+
丨
~
1
側
MODULE
SIDE
BASE
SIDE
CN
1
POWER
51297
-
0401
(
MOLEX
)
55889
-
0401
(
MOLEX
)
——
^
\
R
A
A
R
R
121
®
④
R
[
I
CN
1
|
|
LABEL
|
S
121
T
121
S
2
2
\
/
LA
-
X
.
]
本夕夕電線挿入側
wire
insertion
side
]
物電線挿入側
wire
insertion
side
CN
2
SI
GNAL
56377
-
5000
CMOL
EX
)
E
D
C
B
A
A
B
C
D
E
51233
-
5011
(
MOLEX
)
C
5
、
C
6
_
M
+
24
M
191
M
M
M
+
24
M
C
5
'
emu
E
1
E
9
650
VM
1
181
153
B
256
VM
1
650
COVER
M M
M
151
M M
2
2
5
^
332
-
5001
(
MOLEX
)
SP
F
33
E
2
E
7
SP
182
271
1101
1101
\
M
X
M M
X
M
OH
3 3
SP SP SP
272
005
175
175
005
272
—
n
OPTO
X
X X
OPTO
©
4
4
SP SP SP
HI
006
016
006
B
B
M
X
RY
X
RY
X
M
5 5
H
2
SP SP
273
007
012
017
012
007
273
RY RY
X
6
6
SP
GA
H
3
SP SP
GA
SP
012
A
018
012
A
CX
SHI
X
SHI
CX
7
©
7
H
4
SP
SP
002
ELD
019
ELD
002
CX
+
24
-
CX
8 8
SP SP
00
A
VA
1
00
A
CY
+
24
+
24
CY
9 9
SP SP
002
VM
4
A
VM
4
A
002
CY
CY
10 10
GM
SP SP
GM
007
007
CN
3
]
本夕夕電線择入側
wire
insertion
side
]
衫夕糖入側
wire
insertion
side
I
EEE
1
394
-
55100
-
0600
CMOLEX
)
54280
-
0610
CMOLEX
)
5
6
TPB
*
TPB
A
.
——
1
3
4
TPM
TPA
]
I
CN
3
I I
CN
3
I
2
VP
VG
]
物電線挿入側
wire
insertion
side
]
物電線揷入側
wire
insertion
side
CASE
:
FG
CASE
:
FG
NAME
TYPE
I
/
F
接続図
1
/
F
JUNCTION
mm
NXT
TITLE
i
/
F
BASE
-
MODULE
BETWEEN
1
/
F
DRAWING
No
.
RL
00532

M
6
久
—
又側
+
丨
~
1
側
MODULE
SIDE
BASE
SIDE
CN
2
56377
-
5000
CMOLEX
)
E
D
C
B
A
A
B
C
D
E
SIGNAL
C
5
、
C
6
追
!
)
0
+
24
+
24
-
C
5
、
C
6
遨
0
M M
191
M M M M
5123
J
-
50
I
1
(
MOLEX
)
E
1
E
9
650
181
153
B
256
650
VM
1
VM
1
COVER
M M M
151
M M
2
54
-
332
-
5001
(
MOLEX
)
2
SP
F
33
E
2
E
7
SP
182
271
1101
1101
II
CN
2
|
|
M
X
M
M
X
M
3 3
SP SP SP
272
005
175 175
005
272
^
n
OPTO
X
X X
OPTO
©
4
A
HI
SP SP SP
B
006
016
006
B
M
X
RY
X
RY
X
M
5 5
H
2
SP SP
273
007
012
017
012
007
273
CxJ
]
s
RY
X
RY
6 6
SP
GA
H
3
SP SP
GA
SP
018
012
A
012
A
CX
SHI
X
SHI
©
7
7
H
4
-
SP SP
002
ELD
019
ELD
CX
+
24
8 8
H
5
SP SP
00
A
VA
1
CY
+
24
-
+
24
-
9 9
SP SP
VM
4
A
VM
4
A
002
CN
2
R
CY
10
10
SP
GM
SP
GM
007
SIGNAL
56
J
77
-
5000
CMOLEX
)
]
衫夕電
_
入側
wire
insertion
side
E
D
C
B
A
]
卞夕夕電線择入側
wire
insertion
side
A
B
C
D
E
51233
-
5011
(
MOLEX
)
徽万
-
、
»
®
CN
2
CN
2
ol
an
even
number
station
5
^
332
-
5001
(
MOLEX
)
COVER
\
+
24
+
24
M M
191
M
M
M
El
E
9
650
181
153
B
256
VM
1
VM
1
lfCN
2
^
1
l
—
yi
M M M
151
麵
M
1101
©
2 2
SP
F
33
E
2
E
7
1101
182
2
M
X
M
X
3 3
SP
CK
:
272
005
175
005
:
Z
1
CN
s
OPTO
X
X
4
A
HI
SP
巳
006
006
M
X
5
0
5
SP
H
2
SP
273
007
6
6
SP
GA
SP
H
3
SP
GA
織 又 〒
-
1
Oil
of
an
even
number
station
cx
SHI
SHI
7
7
H
4
SP
51297
-
0401
(
MOLEX
)
002
ELD
ELD
CX
8 8
H
5
SP
00
A
CY
+
24
+
24
9 9
SP
VM
4
B
VM
4
-
B
002
I
cm
|
CY
10 10
GM
SP
007
\
/
LA
^
偶 数 万
1
、
3
(
損
_
接編
:
紉甜
/
i
。
~
~
~
~~~
~
~
L
CNI
and
]
of
an
even
number
station
does
not
have
electric
connection
.
]
本夕夕電線择入側
wire
insertion
side
]
衫夕電線掙入側
wire
insertion
side
繼亍
-
为
,
CN
3
CN
3
of
an
even
number
station
55100
-
0600
CMOLEX
)
I
CN
3
I
儿二
I
本夕夕
CN
2
、
C N
2
R
①
接続
Connection
of
M
6
module
connector
CN
2
and
CN
2
R
NAME
TYPE
I
/
F
接続図
1
/
F
JUNCTION
mm
NXT
TITLE
i
/
F
BASE
-
MODULE
BETWEEN
1
/
F
DRAWING
No
.
%
RL
00532

S
5
E
M
2
LS
3
E
M
2
LS
2
E
M
2
LS
4
E
SQ SQ
SQ
SQ SQ
DP
IE
-
4
DP
IE
-
3
DP
IE
-
2
DP
IE
-
8
t
2
—
儿
1
安全扉
MODULE
彳
SAFETY
DOOR
M
1
CR
3
IE
M
2
LS
4
E
M
2
LS
5
E
M
2
LS
3
E
M
2
LS
2
E
V
2
D
M
191
E
9
M
284
M
283
mz
M
281
ft
!
-
:
:
3
-
16
Cl
SQ SQ
SQ
SQ SQ
米
1
芒夕
]
一儿目
®
場合
}
In
tie
case
of
1
st
nodule
DP
3
E
-
8
DP
3
E
-
4
DP
3
E
-
3
DP
3
E
-
2
M
1
CR
31
E
1
16
M
1
CR
31
E
2
n
16
'
TTA
-
勝常停止要因
PAIR
MODULE
EMERGENCY
STOP
FACTOR
M
2
CRI
2
X
F
33
運 転 条 件
_
M
271
16
c
?
Safety
relay
module
operation
conditions
SP
n
M
2
CR
12
X
1
SP
16
C
4
残
5
=
-
:
/
力的
-
■
指示
TAPE
CUT
(
M
2
CR
11
E
)
RY
012
M
1
LS
17
残 夕 又 有
y
WASTE
TAPE
BOX
RY
0
I
2
RY
012
次
:
on
C
5
31
SOL
3
SQ
RY
012
A
RY
012
A
RY
012
B
C
6
N
)
K
)
hO
K
)
hO
N
>
in
'
-
AJ
I
'
O
hO
ND
ND
(
S
)
si
CO
(
S
IS
CJ
)
U
1
S
3
UJ
(
S
K
>
IS
IS
)
o
CO
U
1
4
^
K
)
M
3
MODULE
BASE
CN
1
MSI
Ml
R
111
R
121
R
B
1
4.19
一儿制御盤
'
TO
MODULE
CONTROL
BOX
MCBCN
1
S
111
S
121
s
B
2
Till
T
121
!
A
2
W
ck
A
1
M
2
PBIE
非常停止
PB
EMERGENCY
STOP
PB
CN
2
Ml
53
B
E
1
M
204
A
1
SB
運転条仵
DP
2
Safety
relay
nodule
operation
conditions
M
151
E
2
A
/
SP SP
Aj
SP SP
o
:
:
:
A
4
SP SP
A
5
SP SP
A
5
SP SP
A
7
SP SP
A
8
SP SP
A
9
SP SP
<
3
^
A
10
M
2
PB
1
E
非常停止
PB
EMERGENCY
STOP
PB
M
181
M
256
M
257
B
1
SB
運転条件
DPI
4
Safety
relay
nodule
operation
conditions
M
182
E
7
B
2
t
-
万
uu
-
石为
-
儿
SAFETY
RELAY
MODULE
SAFETY
RELAY
MODULE
O
M
175
M
175
24
S
36
B
3
5
MODULE
ADDRESS
CHECK
1
X
016
DP
1
AD
-
1
X
016
H
1
M
~
n
B
4
t
为
-
Jl
^
KV
7
騮
2
MODULE
ADDRESS
CHECK
2
X
017
DPI
AD
-
2
H
2
X
017
■
B
5
tyn
-
jUPKU
又確認
3
MODULE
ADDRESS
CHECK
3
X
018
DPI
AD
-
3
H
3
X
018
圆
B
6
ty
:
i
—
儿
;
PKV
又確認
4
MODULE
ADDRESS
CHECK
4
1
AD
-
4
H
4
X
019
<
3
^
B
7
H
5
+
24
VA
1
]
:
W
:
D
卜
□
-
纖
CONVEYOR
CONTROL
BOARD
CN
3
-
2
B
8
c
扮
-
腑又
0
J
IWile
address
i
扮
-
腑又
1
IWile
address
1
、
^
h
-
mW
2
5
Mile
address
2
c
晚
-
儿肅
3
6
H
)
dile
address
3
MSI
Ml
+
24
VM
4
-
+
24
-
VM
4
-
A
+
24
VM
4
A
十又側電源
安全回路用
*
base
side
poier
supply
,
B
9
419
GM
GM
B
10
GA
COM
IA
17
CN
+
M
:
I
/
F
回疆
1
/
F
CIRCUIT
si
PAGE
TITLES
HS
-
Il
/
F
BASE
-
g
MODULE
1
/
F
|
TYPE
N X T
DRAWING
No
.
RE
0 1 5 5 3