Schmtic_NXT_03_ - 第196页
既 _ N X T N X T B A S E EXISTING MACH N EXISTING MACHINE 前工程基板搬送信号 B K T 後工程麵搬送信号 B K T P A NE L T R A N S F E R I / F B O X P A NE L T R A N S F E R I / F B O X 接続済 接続済 IT CONNECTS IT CONNECTS CN - M 2 I x ~ - \ , 1 &ap…

NXT
A
:
-
^
NXT
BASE
NXT
十又
NXT
BASE
CN
28
A
CN
27
A
CN
28
A
CN
27
A
NXT
NXT
BASE
RH
201
U
RH
201
_
]
一
IHl
後工程基板搬送信号
B
K
T
PANEL
TRANSFER
1
/
F
BOX
前工程基板搬送信号
B
K
T
後工程麵搬送信号
B
K
T
PANEL
TRANSFER
I
/
F
BOX
前工程基板搬送信号
B
K
T
PANEL
TRANSFER
I
/
F
BOX
PANEL
TRANSFER
I
/
F
BOX
CN
-
M
2
CN
-
M
1
RH
0070
太
RH
0067
*
RH
0070
^
RH
0067
*
I
x
~
!
s
~
r
>
c
=
r
r
;
§
i
'
匕
5
\
/
K
\
/
LA
■
/
\
!
1
/
-
V
2
-
R
LANE
2
-
R
F
LANE
2
-
F
l
/
-
>
2
-
R
LANE
2
-
R
U
-
V
2
-
F
LANE
2
-
F
接続 接続
接続 接続
>
<
CONNECTIONCONNECTION CONNECTION CONNECTION
RH
2138
*
(
1.5
m
)
RH
2
l
37
!
C
(
3
m
)
RH
2139
*
(
5
m
)
EEHH
174
*
(
1.5
m
)
EEHH
14
-
3
*
(
3
m
)
EEHH
175
)
1
:
(
5
m
)
RH
2138
*
(
1.5
m
)
RH
2137
*
(
3
m
)
RH
2139
*
(
5
m
)
EEHH
17
tt
(
l
.
5
m
)
EEHH
143
米
(
3
m
)
EEHH
175
^
(
5
m
)
LANE
1
-
R
U
-
>
1
-
F
LANE
1
-
F
U
-
>
1
-
R
LANE
1
-
R
u
-
yi
-
F
LANE
1
-
F
<
—
接続
<
CONNECTION
>
接続一
*
■
CONNECTION
>
接続一
>
CONNECTION
RH
2138
*
(
1.5
m
)
RH
2
l
37
*
(
3
m
)
RH
2139
*
(
5
m
)
EEHH
1740
C
(
1.5
m
)
EEHH
143
*
(
3
m
)
EEHH
175
^
(
5
m
)
RH
2138
*
(
1.5
m
)
RH
2137
t
(
3
m
)
RH
2139
*
(
5
m
)
EEHH
17
«
(
1.5
m
)
EEHHU
3
*
(
3
m
)
EEHH
175
:
C
(
5
m
)
r
後工程側
(
Next
side
)
前工程側
(
Previous
si
後工程側
、
(
Next
side
)
前 工 程 側
、
(
Previous
side
)
de
)
WI
/
F
INTERFACE
BETWEEN
MACHINES
NAME
TYPE
NXT
TITLE
NXTtNXT
®
!
結
CONNECTION
OF
NXT
AND
NXT
DRAWING
No
.
X
RL
00543

既
_
NXT
NXT
BASE
EXISTING
MACH
N
EXISTING
MACHINE
前工程基板搬送信号
B
K
T
後工程麵搬送信号
B
K
T
PANEL
TRANSFER
I
/
F
BOX
PANEL
TRANSFER
I
/
F
BOX
接続済 接続済
IT
CONNECTS
IT
CONNECTS
CN
-
M
2
I
x
~
-
\
,
1
'
5
\
/
K
/
\
J
\
!
RH
0067
米
RH
0070
*
F
LANE
2
-
F
l
/
-
>
2
-
R
LANE
2
-
R
L
/
-
V
2
使用時
、
U
-
〉
1
t
同様
:
接続
b
"
C
下苎
U
。
u
-
w
使用時
、
u
-
同 様
:
接 続
Lr
下 注
u
接続
接続
—
>
—
>
<
—
<
—
Please
connect
I
ike
a
lane
1
at
the
time
of
lane
2
Please
connect
I
Ike
a
lane
I
at
the
time
of
lane
2
use
.
use
.
CONNECTION CONNECTION
[
FUJI
仕様
]
[
FUJI
SIANDADD
]
[
FUJI
删
[
FUJI
STANDADD
]
\
-
本又
CONVERSION
HARNESS
CONVESN
HARNESS
前 工 程 信 号
PANEL
REQUEST
後 工 勧 送
n
信 号
FROM
NEXKBUST
]
t
^
~
i
-
接続
4
i
CONNECTION
!
>
接続
!
CONNECTION
RH
2135
*
(
EEHH
1
m
)
WNOT
[
FU JI
仕 様
]
[
FUJI
SIANDADD
]
Ml
(
EEHH
118
末
)
[
C
=
]
]
後工程的纖信号
FROM
_
_
RH
08
U
*
(
3
m
)
U
-
>
1
-
F
LANE
1
-
F
[
/
-
y
\
-
R
LANE
1
-
R
接続寸
J
接続
應続匕
1
:
下改
、
。
Please
connect
either
.
—
_
塵続
LT
下
3
U
Please
connect
either
.
CONNECTION CONNECTION
I
:
1
祝
tl
句線
[
SMEMA
規格
]
[
SMEMA
STANDARD
]
[
SMEMA
規格
]
[
SMEMA
STANDARD
]
_
接続
接続
CONNECTION CONNECTION
RH
2138
S
:
(
1.5
m
)
RH
2137
*
(
3
m
)
RH
2139
*
(
5
m
)
EEHH
174
*
(
1.5
m
)
EEHH
143
*
(
3
m
)
EEHH
175
*
(
5
m
)
RH
2138
米
(
1.5
m
)
RH
2137
*
(
3
m
)
RH
2139
*
(
5
m
)
EEHH
174
^
(
1.5
m
)
EEHH
143
*
(
3
m
)
EEHH
175
*
(
5
m
)
擇織獅
t
卿
「
◦
在選択
L
订糾
Connection
should
choose
any
one
of
the
figures
.
should
choose
any
one
ot
the
Ii
9
ur
r
mt
Connection
:
前工程側
(
Previous
side
)
後工程側
(
Next
side
)
前工程側
(
Previous
si
後工程側
(
Next
side
)
de
)
WI
/
F
INTERFACE
BETWEEN
MACHINES
NAME
TYPE
NXT
TITLE
NXTt
既纖接続
CjNEMOLMiM
EXISTING
MACHINE
DRAWING
No
.
%
RL
00543

顾
M
(
如卜儿
.
夕
)
PERIPHERAL
EQUIPMENKSHUTTLE
,
DOUBLE
CONVEYOR
ETC
.
)
MZM
o
卜儿
.
RIPHERAL
EQUIPMENT
SHUTTLE
,
DOUBLE
CONVEYOR
ETC
.
)
NXT
十久
NXT
BASE
NXT
NXT
BASE
NXT
十久
NXT
BASE
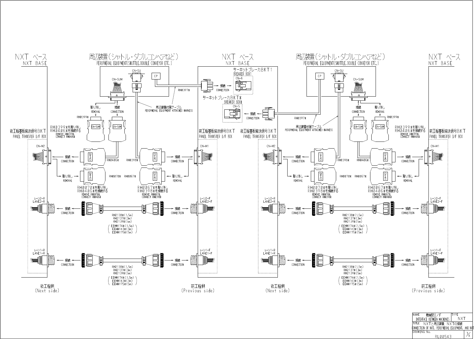
PE
廿
-
牛外九
-
力
BKTI
mmimi
CN
-
SU
CN
-
SU
P
CP
CP
CN
-
SUM
CN
-
SUM
*
ffl
ffi
接続
RH
0397
太
CONNECTION
廿一牛外
〕
V
-
力
BKT
)
K
.
MMMl
1
'
CN
-
5
职胤
REMOVAL
PE
^
PHEMKHA
^
SS
取
m
REMOVAL
CONNECTION CONNECTION
o
—
□
D
口
接続
V
.
,
RH
0399
*
RH
0399
來
CONNECTION
RH
0397
*
|
CN
-
$
UM
| |
CN
-
SUM
|
CN
-
SUM
RH
0399
)
K
»
m
RH
0406
^
^
H
11
-
§
REMOVE
RH
03
m
,
CONNECT
RH
0406
)
!
:
RH
0399
)
K
»
m
R H
0 4 0
6
)
K
^
gI
1
'
§
REMOVE
RHD
399
I
.
CONNECT
RH
0406
*
lii
工程基板搬送信号
BK
丁後工程基板搬送信号
BKT
PANEL
TRANSFER
I
/
F
BOX
前工程基板搬送信号
BKT
PANEL
TRANSFER
I
/
F
BOX
後工程基板搬送信号
BKT
PANEL
TRANSFER
I
/
F
BOX
PANEL
TRANSFER
I
/
F
BOX
CN
-
M
2
CN
-
M
1
/
~
¥
-
接続
^
CONNECTION
^
接続一
CONNECTION
接続
^
接続一
CONNECTION
5
RH
0406
*
RH
0398
*
RH
0398
米
CONNECTION
人
—
^
—
\
/
"
CZZ
/
1
~
/
\
^
^
\
/
xzry
*
1
~
/
\
\
/
L
/
'
K
-
/
s
~
r
\
^
y
~
g
"
<
:
"
o
"
取
1
胤
REMOVAL
取
y
外
L
REMOVAL
取
y
外
L
—
1
REMOVAL
职胤
REMOVAL
RH
0070
纟
RH
0067
米
RH
0070
)
:
RH
0067
太
-
e
—
§
5
\
/
LA
X
-
RH
0067
炫取
y
外
L
RH
0398
)
KS
接続碎
REMOVE
RH
0067
I
,
CONNECT
RH
0398
太
RH
0070
)
K
»
m
RH
0406
炫接続好
REMOVE
mmt
CONNECT
RH
0406
*
RH
0070
)
KW
胤
RH
0
398
純接続好
REMOVE
mmx
.
CONNECT
mmt
RH
0067
)
K
»
m
RH
0406
)
K
■
賴
RH
0067
J
,
mmt
CONNECT
R
LANE
2
-
R
[
/
-
y
2
-
F
LANE
2
-
F
[
/
-
y
2
-
R
LANE
2
-
R
l
/
-
>
2
-
F
LANE
2
-
F
—
>
接続一
>
CONNECTION
<
—
接続
<
CONNECTION
>
接続
~
>
CONNECTION
RH
2138
*
(
1.5
m
)
RH
2
l
37
*
(
3
m
)
RH
2
l
39
!
C
(
5
m
)
EEHH
174
*
(
1.5
m
)
EEHHI
43
t
(
3
m
)
EEHH
175
太
(
5
m
)
RH
2138
*
(
1.5
m
)
RH
2137
*
(
3
m
)
RH
2139
*
(
5
m
)
EEHH
174
*
(
1.5
m
)
EEHH
143
*
(
3
m
)
EEHH
175
太
(
5
m
)
LANE
卜
R
1
/
-
>
1
-
F
LANE
1
-
F
L
/
-
〉
1
-
R
LANE
1
-
R
ly
-
yi
-
F
LANE
1
-
F
II
I
接続
接続
接続
接続
<
CONNECTION CONNECTION CONNECTION CONNECTION
RH
2138
*
(
1.5
m
)
RH
2137
^
(
3
m
)
RH
2
丨
3
W
(
5
m
)
EEHH
174
^
(
1.5
m
)
EEHH
143
^
(
3
m
)
EEHH
175
)
C
(
5
m
)
RH
2138
*
(
1.5
m
)
RH
2137
*
(
3
m
)
RH
2139
*
(
5
m
)
EEHH
174
^
(
1.5
m
)
EEHH
143
^
(
3
m
)
EEHH
175
*
(
5
m
)
後工程側
(
Next
side
)
前工程側
(
Previous
side
)
後工程側
(
Next
side
)
前工程側
(
Previous
side
)
WI
/
F
INTERFACE
BETWEEN
MACHINES
NXT
匕周辺装置
、
NXT
①
接続
:
QNN
[
CT
10
N
QF
NXT
.
PERIPHERAL
EQUIPMENT
,
ANDNXr
NAME
TYPE
NXT
TITLE
DRAWING
No
.
RL
00543