Schmtic_NXT_03_ - 第198页
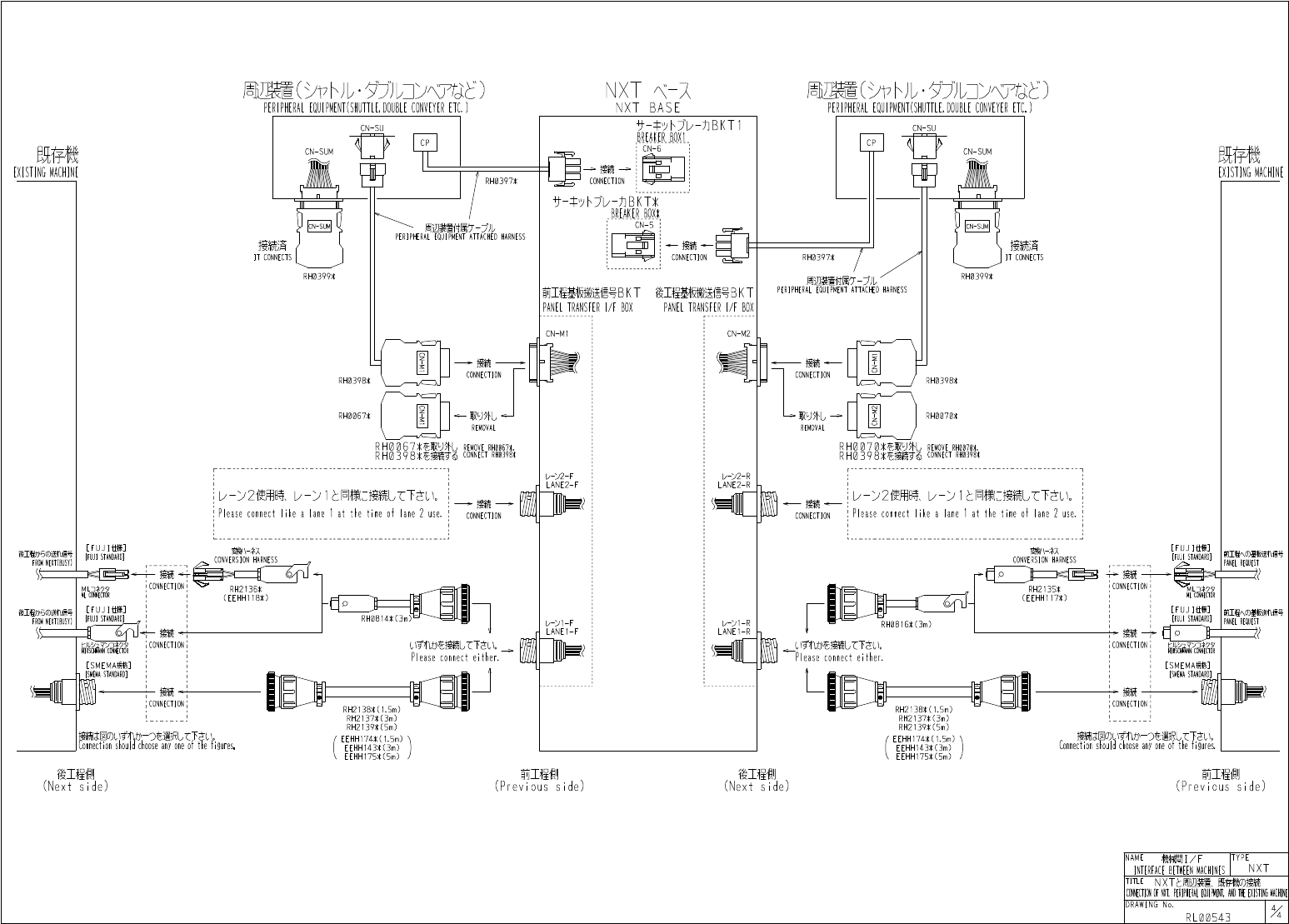
NXT 十久 N X T B A S E PERIPHERAL EQUIPMENKSHUTTLE , DOUBLE CONVEYER ETC . ) PERIPHERAL EQUIPMENKSHUTTLE , DOUBLE CONVEYER ETC . ) ■ r 顾 Ti CN - SU CN - SU 既存機 CN - 6 既繊 CN - SUM ㈣ EXISTING MACHINE EXISTING MACHINE RH 0397…

顾
M
(
如卜儿
.
夕
)
PERIPHERAL
EQUIPMENKSHUTTLE
,
DOUBLE
CONVEYOR
ETC
.
)
MZM
o
卜儿
.
RIPHERAL
EQUIPMENT
SHUTTLE
,
DOUBLE
CONVEYOR
ETC
.
)
NXT
十久
NXT
BASE
NXT
NXT
BASE
NXT
十久
NXT
BASE
PE
廿
-
牛外九
-
力
BKTI
mmimi
CN
-
SU
CN
-
SU
P
CP
CP
CN
-
SUM
CN
-
SUM
*
ffl
ffi
接続
RH
0397
太
CONNECTION
廿一牛外
〕
V
-
力
BKT
)
K
.
MMMl
1
'
CN
-
5
职胤
REMOVAL
PE
^
PHEMKHA
^
SS
取
m
REMOVAL
CONNECTION CONNECTION
o
—
□
D
口
接続
V
.
,
RH
0399
*
RH
0399
來
CONNECTION
RH
0397
*
|
CN
-
$
UM
| |
CN
-
SUM
|
CN
-
SUM
RH
0399
)
K
»
m
RH
0406
^
^
H
11
-
§
REMOVE
RH
03
m
,
CONNECT
RH
0406
)
!
:
RH
0399
)
K
»
m
R H
0 4 0
6
)
K
^
gI
1
'
§
REMOVE
RHD
399
I
.
CONNECT
RH
0406
*
lii
工程基板搬送信号
BK
丁後工程基板搬送信号
BKT
PANEL
TRANSFER
I
/
F
BOX
前工程基板搬送信号
BKT
PANEL
TRANSFER
I
/
F
BOX
後工程基板搬送信号
BKT
PANEL
TRANSFER
I
/
F
BOX
PANEL
TRANSFER
I
/
F
BOX
CN
-
M
2
CN
-
M
1
/
~
¥
-
接続
^
CONNECTION
^
接続一
CONNECTION
接続
^
接続一
CONNECTION
5
RH
0406
*
RH
0398
*
RH
0398
米
CONNECTION
人
—
^
—
\
/
"
CZZ
/
1
~
/
\
^
^
\
/
xzry
*
1
~
/
\
\
/
L
/
'
K
-
/
s
~
r
\
^
y
~
g
"
<
:
"
o
"
取
1
胤
REMOVAL
取
y
外
L
REMOVAL
取
y
外
L
—
1
REMOVAL
职胤
REMOVAL
RH
0070
纟
RH
0067
米
RH
0070
)
:
RH
0067
太
-
e
—
§
5
\
/
LA
X
-
RH
0067
炫取
y
外
L
RH
0398
)
KS
接続碎
REMOVE
RH
0067
I
,
CONNECT
RH
0398
太
RH
0070
)
K
»
m
RH
0406
炫接続好
REMOVE
mmt
CONNECT
RH
0406
*
RH
0070
)
KW
胤
RH
0
398
純接続好
REMOVE
mmx
.
CONNECT
mmt
RH
0067
)
K
»
m
RH
0406
)
K
■
賴
RH
0067
J
,
mmt
CONNECT
R
LANE
2
-
R
[
/
-
y
2
-
F
LANE
2
-
F
[
/
-
y
2
-
R
LANE
2
-
R
l
/
-
>
2
-
F
LANE
2
-
F
—
>
接続一
>
CONNECTION
<
—
接続
<
CONNECTION
>
接続
~
>
CONNECTION
RH
2138
*
(
1.5
m
)
RH
2
l
37
*
(
3
m
)
RH
2
l
39
!
C
(
5
m
)
EEHH
174
*
(
1.5
m
)
EEHHI
43
t
(
3
m
)
EEHH
175
太
(
5
m
)
RH
2138
*
(
1.5
m
)
RH
2137
*
(
3
m
)
RH
2139
*
(
5
m
)
EEHH
174
*
(
1.5
m
)
EEHH
143
*
(
3
m
)
EEHH
175
太
(
5
m
)
LANE
卜
R
1
/
-
>
1
-
F
LANE
1
-
F
L
/
-
〉
1
-
R
LANE
1
-
R
ly
-
yi
-
F
LANE
1
-
F
II
I
接続
接続
接続
接続
<
CONNECTION CONNECTION CONNECTION CONNECTION
RH
2138
*
(
1.5
m
)
RH
2137
^
(
3
m
)
RH
2
丨
3
W
(
5
m
)
EEHH
174
^
(
1.5
m
)
EEHH
143
^
(
3
m
)
EEHH
175
)
C
(
5
m
)
RH
2138
*
(
1.5
m
)
RH
2137
*
(
3
m
)
RH
2139
*
(
5
m
)
EEHH
174
^
(
1.5
m
)
EEHH
143
^
(
3
m
)
EEHH
175
*
(
5
m
)
後工程側
(
Next
side
)
前工程側
(
Previous
side
)
後工程側
(
Next
side
)
前工程側
(
Previous
side
)
WI
/
F
INTERFACE
BETWEEN
MACHINES
NXT
匕周辺装置
、
NXT
①
接続
:
QNN
[
CT
10
N
QF
NXT
.
PERIPHERAL
EQUIPMENT
,
ANDNXr
NAME
TYPE
NXT
TITLE
DRAWING
No
.
RL
00543

NXT
十久
NXT
BASE
PERIPHERAL
EQUIPMENKSHUTTLE
,
DOUBLE
CONVEYER
ETC
.
)
PERIPHERAL
EQUIPMENKSHUTTLE
,
DOUBLE
CONVEYER
ETC
.
)
■
r
顾
Ti
CN
-
SU
CN
-
SU
既存機
CN
-
6
既繊
CN
-
SUM
㈣
EXISTING
MACHINE
EXISTING
MACHINE
RH
0397
*
CONNECTION
廿
-
牛外
〕
U
-
力
BKTt
BREAKER
BOX
*
PE
眶
RAfSfmESS
接続済
接続済
RH
0397
*
IT
CONNECTS
IT
CONNECTS
RH
0399
*
RH
0399
*
P E
,
H A R N E S S
前工程基板搬送信号
BK
丁後工程麵搬送信号
BKT
PANEL
TRANSFER
\
/
\
BOX
PANEL
TRANSFER
I
/
F
BOX
1
]
[
圆
接続 接続
CONNECTION CONNECTION
RH
0398
*
RH
0398
*
职胤
REMOVAL
取亂
REMOVAL
RH
0070
*
閗鯢
l
!
i
詉
SMS
,
RH
0
398
llli
?
§
CONNECT
:
R
l
/
-
>
2
-
F
LANE
2
-
F
l
/
-
>
2
-
R
LANE
2
-
R
U
_
>
2
使用時
、
[
7
—
>
丨匕同様
3
接続
1
^
下社
)
。
U
-
>
2
使用時
、
沱同様
:
接続
L
:
下茁
、
。
~
十接 続
>
CONNECTION
<
:
接続 十
-
CONNECTION
Please
connect
I
ike
a
lane
I
at
the
time
of
lane
2
Please
connect
I
ike
a
lane
1
at
the
time
of
lane
2
use
.
use
.
[
FUJI
仕様
]
[
FUJI
STANDARD
]
[
FUJI
仕様
]
[
FUJI
STANDADD
]
m
\
-
fx
CONVERSION
HARNESS
m
\
-
^
x
CONVERSION
HARNESS
前 工 程 信 号
PANEL
REQUEST
後工祕纖信号
FROM
NEXT
(
BUSY
)
-
dp
続
-
;
CONNECTION CONNECTION
RH
2136
米
(
EEHH
118
米
)
RH
2135
*
(
EEHHim
)
ML
]
W
夕
ML
COtHECTOII
[
FUJI
仕様
]
[
FUJI
STANDARD
]
ML
]
?
夕夕
ML
CONNECTOR
[
FUJI
仕様
]
[
FUJI
STANDASD
]
~
d
°
y
後工勸細号
FROM
NEXT
(
BUSY
)
前工程
/
\
®
基栃
sn
信号
PANEL
REQUEST
RH
0814
*
(
3
m
)
1
LANE
1
-
F
L
/
-
V
1
-
R
LANE
1
-
R
5
d
接続
-
接続
CONNECTION
D
_
_
繊乂下
a
、
。
一
Please
connect
either
.
—
続
mai
Please
connect
either
.
CONNECTION
SllSfiSlNN
^
iaM
[
SMEM
纖
]
[
SMEMA
STANDARD
]
[
SMEMA
規格
]
[
SMEMA
STANDARD
]
-
接続
-
CONNECTION
-
接続一
CONNECTION
RH
2
l
38
*
(
1.5
m
)
RH
2137
*
(
3
m
)
RH
2139
*
(
5
m
)
EEHH
174
*
(
1.5
m
)
EEHH
143
*
(
3
m
)
EEHH
175
*
(
5
m
)
RH
2138
*
(
1.5
m
)
RH
2137
*
(
3
m
)
RH
2139
*
(
5
m
)
EEHH
174
*
(
1.5
m
)
EEHH
143
*
(
3
m
)
EEHH
175
*
(
5
m
)
声織 獅
t
Connection
should
choose
any
one
of
the
figu
,
^
n
^
-
o
^
i
!
RLrTa
:
a
Connection
should
choose
any
one
of
the
figures
.
後工程側
(
Next
side
)
前工程側
(
Previous
side
)
後工程側
(
Next
side
)
前工裎側
(
Previous
side
)
WI
/
F
~
INTERFACE
BETWEEN
MACHINES
NAME
TYPE
NXT
Tfnr
NXTt
■
装置
、
既存微
7
)
接続
Mraopii
PEBipm
mm
,
D
imsMHi
DRAWING
No
.
X
RL
00543

INDEPENDENCE
BOX
2
—
又
%
単独
"
C
使用
?
否場合
When
2
M
base
is
used
independently
N
X
T
(
自立制御盤
f
4
2
M X
—
A
)
八一才又接続図
NXT
(
INDEPENDENCE
CONTROL
B
0
X
<
-
>
2
M
BASE
)
HARNESS
CONNECTION
PICTURE
2
眶
P
[
@
B
讀
2
M
BASE
2
M
BASE
-
2
modulel
-
2
CONTROL
BOX
-
儿左側面
廿仆力
/
t
-
moJule
left
side
cover
RH
0527
*
RH
1691
*
INTERFACE
BOARD
CN
28
A
力八
•
一
module
right
side
cover
RH
0528
*
RH
1692
*
CN
27
翻
BOX
BCBCN
9
control
box
CN
29
RH
1067
)
K
►
CPU
—
BOX
CN
13
DIOI
RH
1062
米
►
CPU
—
BOX
CN
14
DI
02
:
N
2
A
RH
1063
^
(
■
BOX
BCBCN
9
control
box
RHT
067
j
(
iSir
^
BKT
MS
1
CN
3
VACUUM
PUMP
BKT
CN
6
RHI
066
)
K
MIPS
1
URE
SWITH
M
1
PS
2
JRE
SBITH
CN
5
RHI
06
«
T
力
S
'
:
.
CD
cm
PRESS
CPU
—
BOX
1394
P
0
CPU
—
BOX
CU
_
NET
WBOX
BCBCN
5
control
box
麵
BOX
BCBCN
12
control
box
HUB
TM
1
CH
6
RHI
058
)
K
夕伽切
^
T
]
900
A
t
—
j
tide
counter
DCHKa
—
BRCN
2
BLCN
2
出荷時続済
connected
□
圆
圄口
]
.
RH
0584
*
RH
1059
)
1
(
BRCN
3
(
酬
CNB
BLCN
3
CNC
出荷時
f
妾続済
connected
CPU
_
BOX
ETHER
CND
RH
0583
*
RH
107
U
BLCN
4
前 工 程
/
\
中 継 夕 夕
CI
]
[
13
RHI
163
*
(
付属品
)
to
previous
side
terninal
harness
(
attachment
)
Rmi
27
太
RH
1162
來
前工程
X
綱繼彳
I
号
BKT
1
Previous
panel
transfer
BKT
RH
0067
*
R H
0
G
6 7
太汔取
y
外七
RHI
i
remove
M
6
/
1
,
connect
RHIIS
21
TOKSiK
CN
2
front
panel
transfer
CN
2
CN
-
Ml
後工程
出時接続済
圆
=
CN
-
MI
基板紐信号
BKT
next
panel
_
t
_
ran
_
si
connected
RH
00
S
7
米
BKT
圆
]
酵
U
7
SWI
CN
2
panel
transfer
CN
2
RHI
\
S
2
t
CN
-
M
2
rear
出荷時接続済
餸信号
BKT
panel
transfer
BKT
U
-
>
2
-
Fj
LANE
2
-
F
I
HI
connected
Previous
RH
0070
米
l
/
~
]
y
2
-
F
i
LANE
2
-
F
,
CN
-
M
2
CN
-
M
2
J
_
ANE
2
-
R
]
衫夕中継
CN
-
CVIF
adapter
harness
CN
-
CVIF
RHI
153
米
b
-
>
l
-
F
U
-
>
1
-
R
LANEI
-
R
■
J
尸麵搬送
CN
5
LANEI
-
F
"
LANEI
-
F
!
rear
panel
transfer
CN
5
(
IN
Kill
:
廿
-
牛外
7
V
-
力
BKT
circuit
breaker
BKT
fflBOX
BCBCN
1
control
box
□
E
^
c
^
3
B
RH
1070
米
S
前工程側
(
Previo us
side
)
後工程側
(
Next
side
)
前工程側
(
Previous
side
)
後工程側
(
Next
side
)
NAME
\
-
又増設
I
/
F
BASE
[
XTENSIQN
1
/
P
TYPE
NXT
TITLE
自立
-
2
M
1
NDEPME
BQX
-
2
H
DRAWING
No
.
X
2
RL
0178 0