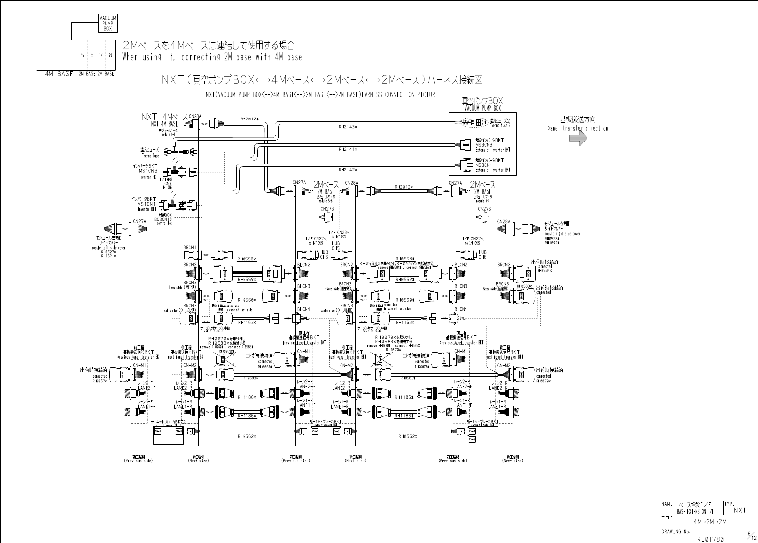
Schmtic_NXT_03_ - 第204页
VACUUM PUMP BOX 2 M X - 又 € 4 M 十 又 ( : 連 結 L r 刪 对 場 lihen u s i n g i t , c o n n e c t i n g 2 M b a s e w i t h I N b a s e □ 5 : 6 7 : 8 4 M BASE 2 M BASE 2 M BASE N X T ( 真 空 犮 B O X — — 4 M 久 — 又 NXT ( VACyyM PUMP…

4
M
BASE
2
M
BASE
2
M
八
-
又在
4
MX
-
又
(
:
連結使用芕否場
W h e n
u s i n g
i t
,
c o n n e c t i n g
2
M
b a s e
w i t h
4
M
b a s e
]
5
;
6
N X T
又
<
~~
>
2 1
^
-
又
)
/
\
_
才 又 接 続 図
NXT
(
4
M
BASE
<
-
)
2
M
BASE
)
HARNESS
CO
匿
CTION
PICTURE
NXT
4
NK
-
又
N X T
4
M
BASE
r
2
IVK
-
又
2
M
BASE
CN
28
A
CN
27
A
基板搬送方向
panel
transfer
direction
RH
2012
*
?
^
2
-
^
1
/
5
;
6
nodule
t
)
'
b
CN
27
B
module
W
-
<
3
CN
27
A
办
-
儿 右 側
ffi
,
仆
.
力
/
卜
right
side
cover
RH
0528
*
RHI
692
*
-
湖 面
]
K
力
/
卜
J
nodule
left
side
cover
随
527
*
RH
1691
*
I
/
F
CN
27
/
\
to
I
/
F
CN
27
I
/
F
CN
28
to
I
/
F
CN
28
CIS
;
RH
^
SSR
^
C
BRCN
2
BLCN
2
出荷時接続済
H
口
1
□
圆
connected
RH
0584
JC
RHI
^
SS
9
)
K
BRCN
3
BLCN
3
flxeil
side
(
出荷時接続済
k
CNrflH
onnected
H
0583
*
最 終 工程 時
connection
-
-
-
^
it
case
of
last
side
』
LCN
4
■
]
RH
1163
*
cable
to
cable
RH
0070
炫 取
1
胤
RH
0583
*
^
T
§
11
,
connect
RH
0070
*
前 工 裎
基 醏 送 信号
BKT
iojs
_
pan
_
eJ
_
t
_
ransfer
CN
-
MI
:
BKT
3
|
'
i
出荷時接続済
remove
園
7
pli
後 工 程
•
V
connected
基 板 搬 送信 号
BrKlT
next
Panel
transfer
麵 送信 号
B
,
K
r
next
Panel
transfer
BKT
基 娜 送 信号
BK
,
T
Previouls
Panel
transfer
m
CN
-
M
1
CN
-
M
2
CN
-
M
2
出荷時接続済
connected
RH
0070
*
H
■
]
出荷時接続済
connected
RH
0067
*
RH
0583
*
U
-
^
2
-
F
\
y
-
'
j
2
-
R
V
2
r
L
/
-
.
_
LANE
2
-
R
LANE
2
-
F
IP
LANE
2
-
R
[
ANE
2
-
F
RH
1
IRR
^
c
l
-
F
U
-
>
1
-
R
LANE
I
-
R
U
-
^
l
-
F
LANE
I
-
I
U
-
>
1
-
R
LANE
1
-
R
U
-
>
LANE
1
-
F
RH
1
18
R
)
K
.
甘
-
抑卜
:
力
BKTg
_
circuit
breaker
BKT
2
牛外
〕
V
-
力
BKTl
circuit
lirealier
BKT
0
CM
-
]
,
前 工 程 側
、
(
Previous
side
)
,
後工程側
'
(
Next
side
)
前工
_
(
Previous
side
)
後工程側
(
Next
side
)
NAME
久
-
又職
I
/
F
BASE
EXTENSION
I
/
F
TYPE
NXT
Tfnr
4
M
^
2
M
DRAWING
No
.
x
2
RL
01780

VACUUM
PUMP
BOX
2
MX
-
又€
4
M
十 又
(
:
連 結
L
r
刪 对 場
lihen
using
it
,
connecting
2
M
base
with
IN
base
□
5
:
6
7
:
8
4
M
BASE
2
M
BASE
2
M
BASE
NXT
(
真 空 犮
BOX
——
4
M
久
—
又
NXT
(
VACyyM
PUMP
B
0
X
<
-
-
)
4
M
BASE
〈
--
>
2
M
BASE
<
-
>
2
M
BASE
)
HARNESS
CONNECTION
PICTURE
2
M
/
\
'
-
X
^
^
2
M
/
x
\
~
X
)
A
—
本又接続図
<
--
>
NXT
4
lvK
-
m
4
M
BASE
1
CN
28
A
基板搬送方向
RH
2012
*
fuse
2
panel
transf
&
r
direction
RH
2143
*
■
odule
1
-
4
種
^
(
-
夕
BKT
MS
3
CN
3
Extension
inverter
BKT
KB
iSStn
-
X
Thermo
fuse
RH
214
U
斷夕
BKT
MS
3
CNI
Extension
inverter
BKT
O
八
-
夕
BKT
MS
1
CN
3
inverter
BKT
a
RH
2142
*
1
/
F
籠
CN
6
CN
27
A
module
5
-
6
CN
27
B
CN
28
A
CN
27
A
RH
2012
*
I
/
F
CN
6
㈣
O
八
-
夕
BKT
MS
1
CNI
Inverter
BKT
ile
7
*
8
CN
27
B
^
<
0
^
0
■
BOX
BCBCN
18
control
box
CN
27
A
CN
28
,
砍
-
細面
nodule
right
side
cover
RH
0528
太
RH
1692
太
I
/
F
CN
28
/
\
to
I
/
F
CN
28
ty
]
-
儿左
ii
1
MT
力
/
卜
raodule
left
side
cover
RH
0527
太
RH
1691
*
I
/
F
CN
27
'
to
1
/
F
CN
27
HUB
I
/
F
CN
27
/
\
to
I
/
F
CN
27
CH
5
HUB HUB
C
3
CTTi
CH
6
CH
6
RH
0558
X
5
^
4
太汔取外
b
R
H
0
5
5
9
太
.
x
=
^
re
*
ove
'
lRH
0584
*
,
connect
RH
0558
*
RH
0
BRCN
2
BRCN
2
」
BLCN
2
BRCN
2
•
[
□
圚
ID
[
□
圈
圓
□
>
RH
0559
*
RH
055
㈧
BRCN
3
BRCN
3
BRCN
3
BLCN
3
r
BLCN
3
RH
0583
X
出荷時
fE
続済
connected
fixed
side
(
fixed
si
c
®
-
S
3
Ci
RH
0560
米
RH
0560
*
—
■
;
connect
ion
in
case
of
last
side
BRCN
3
cable
si
如
BRCN
3
cable
side
(
^
Zz
^
MD
ITO
connection
接插
in
case
of
last
side
mim
BLCN
4
BLCN
4
03
©
•
-
>
n
^
3
圆
圓
9
(
-
RH
1163
*
RH
1163
*
夕
-
办対
7
沖糖
cable
to
cable
7
-
:
^
対 沖 进
cable
to
cable
基
wipBKT
JJineLtjaijsfer
BKT
S
*
BS
1
I
!
BKT
_
PMLtrai
|
sfer
BKT
RH
0070
米苷取
y
外
L
RH
0
S
83
米汔接続
%
remove
RH
0070
*
,
connect
RH
0583
X
RH
0070
X
RH
0583
太在接続嘗态
remove
RH
0070
*
.
connect
RH
0583
*
RH
0070
L
Previous
Previous
前工程
後工程
i
後工程
:
基板搬送信号
E
hext
Panel
_
t
_
rajs
CN
-
M
2
赛板搬送信号
BK
Panel
transfer
BKT
next
Panel
transfer
CN
-
M
1
*
基板粒信号
BKT
基板搬送信号
AKT
lext
PapelJ
.
rans
;
CN
-
M
2
/
~~
'
~
T
\
=
ry
s
\
/
~
L
/
=
3
L
j
~
'
~~
r
^
=
f
E
\
/
~
出荷時接続済 出荷時接続済
BKT
er
BKI
er
BKT
Previous
connected
connected
CN
-
M
2
RH
0067
*
RH
0067
*
出荷時接続済 出荷時接続済
S
3
,
2
-
R
connected
connected
<
>
■
<
>
RH
0583
*
RH
0583
*
RH
0067
*
RH
0070
*
l
/
i
乂
LANE
2
iF
LANE
2
-
iF
LANIE
2
-
R
,
-
;
^
«
c
麗
_
LANE
1
-
|
F
LANEHF
LANE
LAN
|
1
廿
-
丰 外
:
力
BKtz
circuit
breaker
RKT
?
0
3
B
0
}
<
3
B
RH
0562
太
RH
0562
米
CN
-
2
j
,
後工
@
11
(
Next
side
)
f
前遍
N
(
Previous
side
)
r
後工
Si
N
(
Next
side
)
f
前工程側
^
(
Previous
side
)
t
後工程側
、
(
Next
side
)
前工程側
、
(
Previous
side
)
NAME
\
-
又増設
I
/
F
BASE
[
XTENSIQN
1
/
P
TYPE
NXT
TITLE
4
M
—
2
M
—
2
M
DRAWING
No
.
X
2
RL
01780

2
M
BASE
4
M
BASE
2
M
\
-
从
4
M
十
;
1
(
:
遍
K
使 用 好 場
When
using
it
,
connecting
2
M
base
with
4
M
base
八
n
2
N
XT
(
)
八 一 才 又 接 続 図
NXT
(
2
M
BASE
<
--
)
4
M
BASE
)
HARNESS
CONNECTION
PICTURE
基板搬送方向
panel
transfer
direction
RH
1188
米
<
i
CN
28
A
㈣
-
XT
歎
―
又
NXT
4
M
BASE
RH
2012
^
:
校
HU
.
2
Mdule
1
-
2
CN
27
B
•
CN
27
B
投
l
_
i
3
~
6
■
dole
H
《
3
肀 斯
y
V
RH
1
170
^
:
CN
27
A
CN
28
A
RH
0
神
执
-
湖面
-
廿仆
'
力
/
卜
noilule
left
side
RH
0527
*
RHI
691
*
cove
I
/
F
CN
28
/
\
CN
28
cover
Z
鏺
10
:
/
'
to
I
/
F
1
/
FI
CN
27
BRCNI
RH
0715
XCDCN
27
©
夕舰
VC
RH
1170
*
©
CN
27
©
remove
M
7
la
CN
2
l
CN
2
RH
1187
^
RH
0584
*
S
®
y
?
(
-
LRH
I
698
炫藤
?
3
_
©
~
|
remove
RH
0584
H
.
connect
RHIG
98
J
;
RH
1
S
98
米
BLCN
2
BRCN
2
BRCN
2
!
□
H
K
n
|
connect
RHII
70
I
□
圆
RH
09
m
前工程信号
Previous
side
si
9
nal
RH
0258
*
BRCN
3
fixed
side
BRCN
3
fixed
side
(
iEfll
)
後
:
q
呈信号
ne
t
side
signal
RH
0258
*
®
I
/
O
_
F
3
^
osmox
.
RH
0971
*
®
I
/
O
_
11
本
7
夕汔基板差込
C
renove
RH
02581
sjonnecl
RH
097
IH
BLCN
3
出荷時接続済
出荷時接続済
/
'
~
r c r y
1
~
-
\
圍
]
—
[
1
\
〆
LA
J
\
|
、
/
—
I
:
'
:
conrected
-
-
-
'
RH
0583
*
connected
心夕
-
□
竹基板
1
I
/
O
raf
RH
0583
*
IA
)
F
interlock
安全回路
RH
128
M
BLCN
4
safety
circuit
RHI
1
G
3
*
'
RHTr
62
f
前工程
:
斟魁準号
BK
,
T
iou
panel
transfer
RH
0067
X
»
m
RH
1189
炫雕扣
RH
0067
^
,
connect
RHI
18
%
.
RH
0067
*
RH
0070
*
»
m
RHI
remove
RH
0070
*
,
connect
RHII
8
W
.
RH
0070
!
C
.
i
'
-
'
.
vi
'
後工程
Hi
:
-
Y
alls
出荷時接続済
CN
-
M
1
基板搬送信号
B
,
K
rn
xt
pane
]
_
transfer
B
!
CN
-
M
2
CN
-
M
1
!
connected
BKT
M
RH
0067
*
CN
-
M
2
出荷時接続済
C
3
M
connected
RHII
89
X
RH
0070
*
b
-
^
2
-
F
LANE
2
-
F
l
/
-
>
2
-
R
U
-
^
2
-
F
LANE
2
-
f
!
l
/
-
>
2
-
R
LANE
2
-
R
LANE
2
-
R
NC
RH
1186
米
LANE
1
-
F
U
-
>
l
-
R
LANE
I
-
R
LANE
I
-
F
!
U
-
>
1
-
R
LANE
I
-
R
RHII
86
X
jt
-
牛外
circuit
circuit
breaker
BKT
2
H
3
E
^
[
CN
-
l
|
CN
-
^
RHI
190
米
i
I
:
fTfl
-
.
Nlfffie
,
t
前工
■
>
(
Previous
side
)
(
Previ
side
)
ous
NAME
久
-
又職
I
/
F
BASE
EXTENSION
I
/
F
TYPE
NXT
Tfnr
2
M
—
4
M
DRAWING
No
.
%
RL
01780