Schmtic_NXT_03_ - 第208页
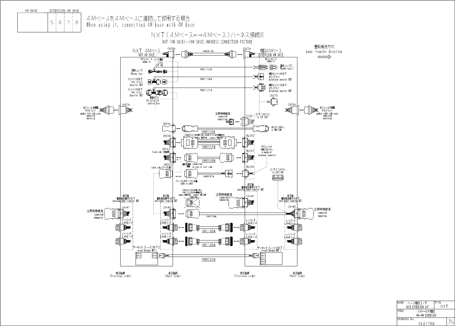
EXTENSION 4 M BASE 4 M BASE 4 M 《 - 说 4 M X - 又 ( : 連結使用 ? § 場 I l i e n u s i n g i t , c o n n e c t i n g 4 M b a s e w i t h 4 M b a s e △ 2 ! 3 ! 4 N X T ( X ) / \ - 接 続 図 NXT ( 4 M BASE < - > 4 M BASE ) HARNE…

EXTENSION
4
M
BASE
4
M
BASE
双
4
M
\
-
X
(
:
連 結
Lr
使 用 好 場
When
using
it
,
connecting
(
M
base
with
1
M
base
△
n
5
;
6
;
7
;
8
NXT
NXT
m
BASE
<
--
>
IM
BASE
)
HARNESS
CONNECTION
PICTURE
基板搬送方向
panel
transfer
direction
CN
28
A
CN
27
A
NXNU
,
RH
2012
*
IN
BASE
#
>
松
-
JU
4
[
/
FS
§
nodule
N
=
e
/
2
-
ii
/
5
-
6
module
S
-
6
CN
6
]
/
F
CN
6
;
U
2
Thermo
fuse
2
RH
2133
太
激
2
-
Z
Thermo
fuse
磨
^
八
-
夕
BKT
MS
3
CN
3
Extension
inverter
BKT
-
翊
心
A
-
夕
BKT
MS
1
CN
3
Inverter
BKT
心
/
卜夕
BKT
MS
1
CNI
Inverter
BKT
RH
2130
米
蜜
^
(
-
夕
BKT
MS
3
CN
1
Extension
inverter
BKT
CN
27
B
RH
213
DK
■
B
0
X
BCBCN
:
18
controMbox
CN
28
A
CN
27
A
左側面
廿仆
力
A
-
module
left
side
co
RH
0527
X
RHI
69
U
^
砂
2
-
湖面
C
廿仆
力
/
卜
module
right
side
cover
RH
0528
*
RH
1692
*
出荷時接続済
I
/
F
CN
27
/
\
to
I
/
F
CN
27
J
/
OR
connected
RH
0259
)
BRCN
1
__
n
rrn
RH
0558
來
四
§
543
找取
y
外
LRH
0559
米妇藤
=
=
/
n
~
o
reiSiive
RH
0543
X
,
connect
RH
0
S
59
?
BLCN
2
BRCN
2
一
[
□
圊
圄 口
>
h
-
)
\
A
J
RH
0559
X
L
BRCN
3
S
'
'
\
BLCN
3
fixed
side
to
nodule
4
terminal
connector
[
圆
、
/
/
v
~
r
\
=
D
,
l
1
]
\
/
~
oCZ
^
j
RH
0560
氺
connection
BRCN
3
cable
side
(
XJUl
)
BLCN
4
'
时
前工程
PiiiSlfBKT
previou
panel
transfer
1
CN
-
M
1
;
in
case
of
last
side
I
/
F
2
CN
9
/
\
to
I
/
F
2
CN
9
(
ii
n
in
j
~
s
~
^
<
=
>
1
圓
]
\
"
i
>
=
Xl
rc
=
>
^
~
'
\
[
圓
LC
=
XJ
~
s
/
RH
0987
木
,
中継
cable
to
BKT
RH
007
嶋取亂
RH
123
(
Z
)
^
接耐圣
reiove
mmt
.
conned
RH
123
W
出荷時接続済
connected
RH
0067
*
前工程
1
|
_
搬送畢号
BKJ
IOU
!
panel
transfer
基板準号色
K
xt
panel
transrei
i
!
CN
-
M
2
基板搬痒信号卟
?
xt
panel
transte
i
i
CN
-
M
2
BKT
Prev
:
出荷時接続済
[
¥
1
X
—
—
\
i
—
、
/
哼
:
出荷時接続済
connected
RH
0070
X
connected
RH
12
谢
RH
0067
*
L
/
-
y
2
-
F
LANE
2
-
F
U
-
y
2
-
R
.
ANE
2
-
R
U
-
y
2
-
F
LANE
2
-
F
IN
JN
NC
1
/
-
V
1
A
;
U
-
>
1
-
R
LANE
1
-
R
LANE
1
-
F
il
/
-
V
1
-
R
j
.
ANE
1
-
R
_
_
ANE
DIN
HE
廿
-
牛外
:
?
u
-
力
BKT
2
!
_
circuit
breaker
BKT
2
L
T
i
^
3
B
RH
0562
X
CN
2
t
前遞
\
(
Previous
side
)
t
前工
_
\
(
Previous
side
)
t
後工程側
、
(
Next
side
)
後工程側
NAME
\
-
又増設
I
/
F
BASE
[
XTENSIQN
1
/
P
TYPE
NXT
TITLE
4
M
—
4
M
増設
EXTENSION
DRAWING
No
.
9
/
\
2
RL
01780

EXTENSION
4
M
BASE
4
M
BASE
4
M
《
-
说
4
M X
-
又
(
:
連結使用
?
§
場
I
l i e n
u s i n g
i t
,
c o n n e c t i n g
4
M
b a s e
w i t h
4
M
b a s e
△
2
!
3
!
4
N X T
(
X
)
/
\
-
接続図
NXT
(
4
M
BASE
<
-
>
4
M
BASE
)
HARNESS
CONNECTION
PICTURE
基板搬送方向
panel
transfer
direction
CN
27
A
N
,
I
/
FSf
:
f
/
Poi
6
i
±
iS
4
M
^
'
-
X
EXTENSION
BASE
L
1
'
RH
2012
X
ea
-
JU
~
4
nodule
1
-
4
技
]
-
儿
5
~
8
nodule
S
-
8
Thermo
fuse
2
RH
2133
*
獲
5
<
>
八
‘
-
夕
BK
丁
r
>
h
心八
■
-
夕
BKT
MS
1
CN
3
Inverter
BKT
心八
"
-
夕
BKT
RH
2130
*
Extension
撞
SOK
—
夕
BKT
MS
3
CN
1
Extension
inverter
BKT
RH
213
ia
<
CN
27
B
:
CN
27
B
BCBCN
18
:
:
'
C
3
.
,
:
.
C
;
CN
27
A
r
-
y
]
-
瓜左麵
廿仆
.
力
n
-
K
side
cove
RHI
170
太
nodule
left
RH
0527
*
RH
1691
*
RH
0
?
二
'
l
/
J
^
I
/
F
CN
28
to
l
/
F
CN
28
HUB
CH
9
\
to
HUB
CH
5
connected
.
■
IIP
.
,
l
/
OR
I
/
F
1
CN
27
RHI
187
太
RH
0715
*
®
CI
]
才
7
夕植
RHI
170
*
]
本
79
«
BRCN
2
:
®
CN
27
©
S
^
C
e
_
a
CN
27
ct
R
«
II
7
W
CN
27
1
.
C
\
/
RH
0258
*
®
I
/
O
_
F
®
in
>
]
i
RHTI
88
*
-
RH
0258
*
reiiove
RHD
258
I
IALF
connect
RH
097
I
*
1
/
OJ
.
後工程信号
出荷時接続済
side
(
I
next
side
signal
fixed
二
y
二
connedeil
RH
0583
*
-
C
/
夕一
oy
夕基板
1
I
/
O
F
interlock
BLCN
3
丫
ilf
PCBI
1
/
0
F
RH
132
S
米
RH
0971
*
terminal
connector
李全回路
safety
circuit
SLCN
4
RHI
280
米
I
/
F
2
C
to
I
/
F
2
C
\
II
-
RH
0987
*
RHT
234
*
.
plls
CN
-
M
1
i
RH
0070
炫取
y
札
RH
1189
)
C
(
aS
?
§
remove
RH
8870
*
,
connect
RHII
89
t
RH
0070
*
BKT
:
'
:
後工程
It
l
^
U
柄
:
U
翻搬送信号
BKT
pre
»
iou
!
_
ppiLLrps
^
r
BKT
基板搬送信号
B
panelJiajs
.
f
(
T
iiiser
-
CN
-
M
2
[
fl
connected
r
IH
next
RH
0067
*
CN
-
MI
CN
-
M
2
卜
ws
)
RHHB
9
.
n
*
*
Q
出荷時接続済
connected
RHI
230
*
RH
0070
*
lA
U
-
S
u
-
>
1
-
R
ANE
1
-
R
U
-
>
l
-
F
;
IANEI
-
I
7
(
.
ANE
1
-
J
_
B
3
r
.
N
i
|
□
^
3
召
RHI
醜
前工程側
vioUS
Si
(
Nelflfl
)
,
後工翻
,
(
Next
side
)
(
Pre
de
) (
Previous
side
)
NAME
久
-
又職
I
/
F
BASE
EXTENSION
l
/
F
TYPE
NXT
Tfnr
4
M
&
4
M
iLEXJENSIOMi
DRAWING
No
.
%
RL
01780

8
M
BASE
8
^
K
-
X
単 体
I
!
麵 对 場 合
(
卜 設 定
)
When
using
it
witli
8
M
base
simple
substance
(
default
setup
)
NXT
(
8
MX
—
X
)
八
-
才又接続図
NXT
(
8
M
BASE
)
HARNESS
CONNECTION
PICTURE
NX
«
r
7
'
Ea
-
»
H
~
4
I
/
F
额
nodule
1
-
4
CN
6
1
I
/
FCN
6
;
RH
2
I
43
S
:
離
t
]
-
x
Thermo
fuse
WT
殿
OA
-
夕
BKT
MS
3
CN
3
Extension
inverter
BKT
RH
214
U
心八
-
夕
BKT
MS
1
CN
3
Inverter
BKT
心
/
卜夕
BKT
MS
1
CN
'
Inverter
I
種
^
八
-
-
9
BKT
S
3
CN
1
tension
inverter
BKT
RH
2
I
421
:
BKT
:
:
:
BOX
BCBCN
18
control
box
CN
27
A
CN
28
A
廿仆
.
力八
-
■
odule
right
side
cover
RH
0528
)
t
RHI
692
*
RHI
69
U
前工程
pJfflffrSK
S
'
SIIE
BKT
'
■
:
CN
-
M
1
CN
-
M
2
出荷時接続済
出荷時接続済
connecled
connedeil
RH
007
IK
RH
0067
*
1
/
-
'
J
2
-
F
;
LANE
2
-
F
;
;
U
-
〉
2
-
R
(
.
ANE
2
-
R
1
/
-
M
-
F
:
LANE
I
-
N
L
1
;
ANE
1
-
R
NC
■
牛外
:
ru
-
力
BKT
2
:
circuit
breaker
BKT
2
L
廿
_
p
^
i
|
,
後工裎側
'
(
Next
side
)
(
Previous
side
)
NAME
久
-
又職
I
/
F
BASE
EXTENSION
l
/
F
TYPE
NXT
Tfnr
8
M
DRAWING
No
.
%
RL
01780