Schmtic_NXT_03_ - 第209页
8 M BASE 8 ^ K - X 単 体 I ! 麵 对 場 合 ( 卜 設 定 ) W h e n u s i n g i t w i t l i 8 M b a s e s i m p l e s u b s t a n c e ( d e f a u l t s e t u p ) N X T ( 8 M X — X ) 八 - 才又接続図 NXT ( 8 M BASE ) HARNESS CONNECTION PICTURE…

EXTENSION
4
M
BASE
4
M
BASE
4
M
《
-
说
4
M X
-
又
(
:
連結使用
?
§
場
I
l i e n
u s i n g
i t
,
c o n n e c t i n g
4
M
b a s e
w i t h
4
M
b a s e
△
2
!
3
!
4
N X T
(
X
)
/
\
-
接続図
NXT
(
4
M
BASE
<
-
>
4
M
BASE
)
HARNESS
CONNECTION
PICTURE
基板搬送方向
panel
transfer
direction
CN
27
A
N
,
I
/
FSf
:
f
/
Poi
6
i
±
iS
4
M
^
'
-
X
EXTENSION
BASE
L
1
'
RH
2012
X
ea
-
JU
~
4
nodule
1
-
4
技
]
-
儿
5
~
8
nodule
S
-
8
Thermo
fuse
2
RH
2133
*
獲
5
<
>
八
‘
-
夕
BK
丁
r
>
h
心八
■
-
夕
BKT
MS
1
CN
3
Inverter
BKT
心八
"
-
夕
BKT
RH
2130
*
Extension
撞
SOK
—
夕
BKT
MS
3
CN
1
Extension
inverter
BKT
RH
213
ia
<
CN
27
B
:
CN
27
B
BCBCN
18
:
:
'
C
3
.
,
:
.
C
;
CN
27
A
r
-
y
]
-
瓜左麵
廿仆
.
力
n
-
K
side
cove
RHI
170
太
nodule
left
RH
0527
*
RH
1691
*
RH
0
?
二
'
l
/
J
^
I
/
F
CN
28
to
l
/
F
CN
28
HUB
CH
9
\
to
HUB
CH
5
connected
.
■
IIP
.
,
l
/
OR
I
/
F
1
CN
27
RHI
187
太
RH
0715
*
®
CI
]
才
7
夕植
RHI
170
*
]
本
79
«
BRCN
2
:
®
CN
27
©
S
^
C
e
_
a
CN
27
ct
R
«
II
7
W
CN
27
1
.
C
\
/
RH
0258
*
®
I
/
O
_
F
®
in
>
]
i
RHTI
88
*
-
RH
0258
*
reiiove
RHD
258
I
IALF
connect
RH
097
I
*
1
/
OJ
.
後工程信号
出荷時接続済
side
(
I
next
side
signal
fixed
二
y
二
connedeil
RH
0583
*
-
C
/
夕一
oy
夕基板
1
I
/
O
F
interlock
BLCN
3
丫
ilf
PCBI
1
/
0
F
RH
132
S
米
RH
0971
*
terminal
connector
李全回路
safety
circuit
SLCN
4
RHI
280
米
I
/
F
2
C
to
I
/
F
2
C
\
II
-
RH
0987
*
RHT
234
*
.
plls
CN
-
M
1
i
RH
0070
炫取
y
札
RH
1189
)
C
(
aS
?
§
remove
RH
8870
*
,
connect
RHII
89
t
RH
0070
*
BKT
:
'
:
後工程
It
l
^
U
柄
:
U
翻搬送信号
BKT
pre
»
iou
!
_
ppiLLrps
^
r
BKT
基板搬送信号
B
panelJiajs
.
f
(
T
iiiser
-
CN
-
M
2
[
fl
connected
r
IH
next
RH
0067
*
CN
-
MI
CN
-
M
2
卜
ws
)
RHHB
9
.
n
*
*
Q
出荷時接続済
connected
RHI
230
*
RH
0070
*
lA
U
-
S
u
-
>
1
-
R
ANE
1
-
R
U
-
>
l
-
F
;
IANEI
-
I
7
(
.
ANE
1
-
J
_
B
3
r
.
N
i
|
□
^
3
召
RHI
醜
前工程側
vioUS
Si
(
Nelflfl
)
,
後工翻
,
(
Next
side
)
(
Pre
de
) (
Previous
side
)
NAME
久
-
又職
I
/
F
BASE
EXTENSION
l
/
F
TYPE
NXT
Tfnr
4
M
&
4
M
iLEXJENSIOMi
DRAWING
No
.
%
RL
01780

8
M
BASE
8
^
K
-
X
単 体
I
!
麵 对 場 合
(
卜 設 定
)
When
using
it
witli
8
M
base
simple
substance
(
default
setup
)
NXT
(
8
MX
—
X
)
八
-
才又接続図
NXT
(
8
M
BASE
)
HARNESS
CONNECTION
PICTURE
NX
«
r
7
'
Ea
-
»
H
~
4
I
/
F
额
nodule
1
-
4
CN
6
1
I
/
FCN
6
;
RH
2
I
43
S
:
離
t
]
-
x
Thermo
fuse
WT
殿
OA
-
夕
BKT
MS
3
CN
3
Extension
inverter
BKT
RH
214
U
心八
-
夕
BKT
MS
1
CN
3
Inverter
BKT
心
/
卜夕
BKT
MS
1
CN
'
Inverter
I
種
^
八
-
-
9
BKT
S
3
CN
1
tension
inverter
BKT
RH
2
I
421
:
BKT
:
:
:
BOX
BCBCN
18
control
box
CN
27
A
CN
28
A
廿仆
.
力八
-
■
odule
right
side
cover
RH
0528
)
t
RHI
692
*
RHI
69
U
前工程
pJfflffrSK
S
'
SIIE
BKT
'
■
:
CN
-
M
1
CN
-
M
2
出荷時接続済
出荷時接続済
connecled
connedeil
RH
007
IK
RH
0067
*
1
/
-
'
J
2
-
F
;
LANE
2
-
F
;
;
U
-
〉
2
-
R
(
.
ANE
2
-
R
1
/
-
M
-
F
:
LANE
I
-
N
L
1
;
ANE
1
-
R
NC
■
牛外
:
ru
-
力
BKT
2
:
circuit
breaker
BKT
2
L
廿
_
p
^
i
|
,
後工裎側
'
(
Next
side
)
(
Previous
side
)
NAME
久
-
又職
I
/
F
BASE
EXTENSION
l
/
F
TYPE
NXT
Tfnr
8
M
DRAWING
No
.
%
RL
01780

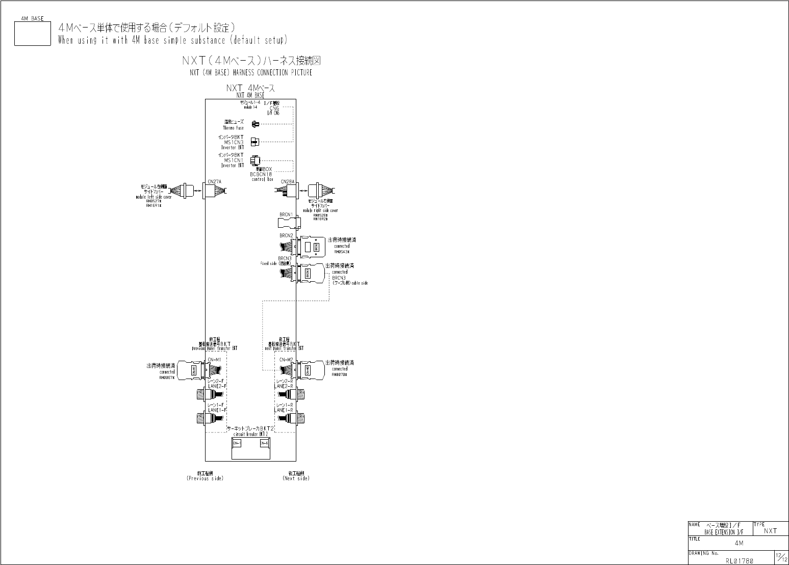
4
M
BASE
4
M
十
X
単体
r
細好場合
O
感卜設定
)
When
using
it
with
4
M
base
simple
substance
(
default
setup
)
NXT
(
4
MX
-
又
)
A
—
才又接続図
NXT
m
BASE
)
HARNESS
CONNECTION
PICTURE
⑽
⑽
―
又
EiO
-
JU
-
4
nodule
H
I
/
F
麵
CN
6
…
尸
I
/
FCN
6
觀
]
-
乂
Thermo
fuse
_
心
/
卜夕
BKT
MS
1
CN
3
Inverter
BKT
心
/
l
夕
BKT
«
-
MS
1
CN
1
S
~
V
Inverter
BKT
B
■
BOX
BCBCN
control
18
:
:
J
:
'
CN
27
A
CN
28
A
側面
.
nodule
left
side
RH
0527
*
RH
1691
*
cover
廿仆
'
力
/
卜
moilule
right
side
=
蔻
j
:
:
v
-
.
BRCN
1
BRCN
2
出荷時接続済
□
圆
connected
RH
0543
*
B
二
CN
3
fixed
side
出荷時接続済
.
.
connected
BRCN
3
(
y
-
yilW
cable
side
声工
I
师送
f
号卟丁
IOU
!
panel
transfer
!
CN
-
M
2
BKT
Jl
'
rV
'
:
CN
-
M
1
出荷時接続済
出荷時接続済
L
…
十
,
connected
connecteil
RH
0070
*
RH
0067
*
l
/
-
^
2
-
F
;
LANE
2
-
F
;
U
-
>
2
-
R
U
-
>
1
-
F
:
LANE
1
-
F
;
'
l
-
R
LAh
I
廿
-
牛外
:
a
/
_
力
BKT
2
!
1
circuit
breaker
BKT
2
L
]
cN
-
l
| |
CN
-
6
|
,
後工翻
(
Next
si
L
,
(
Previous
side
)
NAME
久
-
又職
I
/
F
BASE
EXTENSION
l
/
F
TYPE
NXT
Tfnr
4
M
DRAWING
No
.
%
RL
01780