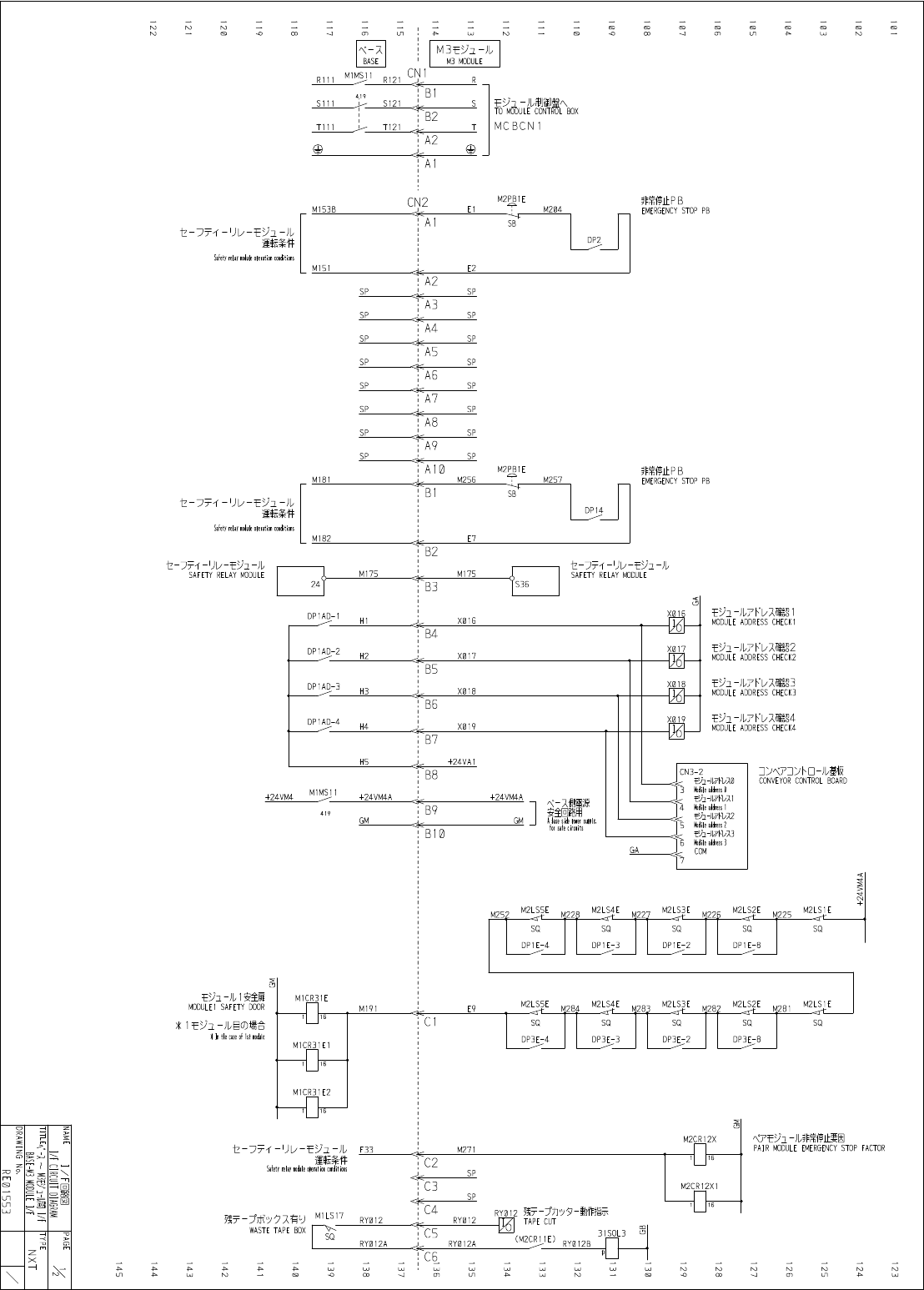
Schmtic_NXT_03_ - 第21页
卜 隣 儿 停 止 M J 力 - FRONT PAIR MODULE STOP TRIGER 听隣 ^ ] - 儿停止卜 1 J 力 REAR PAIR MODULE STOP TRIGER X D 卜 辭 儿 停 止 卜 U P - FRONT PAIR MODULE STOP TRIGER 听隣晚 - 儿停止卜 ⑽ , - REAR PAIR MODULE STOP TRIGER ^ 隣 接 枝 ] - 儿 指 示 M 2 CR …

S
5
E
M
2
LS
3
E
M
2
LS
2
E
M
2
LS
4
E
SQ SQ
SQ
SQ SQ
DP
IE
-
4
DP
IE
-
3
DP
IE
-
2
DP
IE
-
8
t
2
—
儿
1
安全扉
MODULE
彳
SAFETY
DOOR
M
1
CR
3
IE
M
2
LS
4
E
M
2
LS
5
E
M
2
LS
3
E
M
2
LS
2
E
V
2
D
M
191
E
9
M
284
M
283
mz
M
281
ft
!
-
:
:
3
-
16
Cl
SQ SQ
SQ
SQ SQ
米
1
芒夕
]
一儿目
®
場合
}
In
tie
case
of
1
st
nodule
DP
3
E
-
8
DP
3
E
-
4
DP
3
E
-
3
DP
3
E
-
2
M
1
CR
31
E
1
16
M
1
CR
31
E
2
n
16
'
TTA
-
勝常停止要因
PAIR
MODULE
EMERGENCY
STOP
FACTOR
M
2
CRI
2
X
F
33
運 転 条 件
_
M
271
16
c
?
Safety
relay
module
operation
conditions
SP
n
M
2
CR
12
X
1
SP
16
C
4
残
5
=
-
:
/
力的
-
■
指示
TAPE
CUT
(
M
2
CR
11
E
)
RY
012
M
1
LS
17
残 夕 又 有
y
WASTE
TAPE
BOX
RY
0
I
2
RY
012
次
:
on
C
5
31
SOL
3
SQ
RY
012
A
RY
012
A
RY
012
B
C
6
N
)
K
)
hO
K
)
hO
N
>
in
'
-
AJ
I
'
O
hO
ND
ND
(
S
)
si
CO
(
S
IS
CJ
)
U
1
S
3
UJ
(
S
K
>
IS
IS
)
o
CO
U
1
4
^
K
)
M
3
MODULE
BASE
CN
1
MSI
Ml
R
111
R
121
R
B
1
4.19
一儿制御盤
'
TO
MODULE
CONTROL
BOX
MCBCN
1
S
111
S
121
s
B
2
Till
T
121
!
A
2
W
ck
A
1
M
2
PBIE
非常停止
PB
EMERGENCY
STOP
PB
CN
2
Ml
53
B
E
1
M
204
A
1
SB
運転条仵
DP
2
Safety
relay
nodule
operation
conditions
M
151
E
2
A
/
SP SP
Aj
SP SP
o
:
:
:
A
4
SP SP
A
5
SP SP
A
5
SP SP
A
7
SP SP
A
8
SP SP
A
9
SP SP
<
3
^
A
10
M
2
PB
1
E
非常停止
PB
EMERGENCY
STOP
PB
M
181
M
256
M
257
B
1
SB
運転条件
DPI
4
Safety
relay
nodule
operation
conditions
M
182
E
7
B
2
t
-
万
uu
-
石为
-
儿
SAFETY
RELAY
MODULE
SAFETY
RELAY
MODULE
O
M
175
M
175
24
S
36
B
3
5
MODULE
ADDRESS
CHECK
1
X
016
DP
1
AD
-
1
X
016
H
1
M
~
n
B
4
t
为
-
Jl
^
KV
7
騮
2
MODULE
ADDRESS
CHECK
2
X
017
DPI
AD
-
2
H
2
X
017
■
B
5
tyn
-
jUPKU
又確認
3
MODULE
ADDRESS
CHECK
3
X
018
DPI
AD
-
3
H
3
X
018
圆
B
6
ty
:
i
—
儿
;
PKV
又確認
4
MODULE
ADDRESS
CHECK
4
1
AD
-
4
H
4
X
019
<
3
^
B
7
H
5
+
24
VA
1
]
:
W
:
D
卜
□
-
纖
CONVEYOR
CONTROL
BOARD
CN
3
-
2
B
8
c
扮
-
腑又
0
J
IWile
address
i
扮
-
腑又
1
IWile
address
1
、
^
h
-
mW
2
5
Mile
address
2
c
晚
-
儿肅
3
6
H
)
dile
address
3
MSI
Ml
+
24
VM
4
-
+
24
-
VM
4
-
A
+
24
VM
4
A
十又側電源
安全回路用
*
base
side
poier
supply
,
B
9
419
GM
GM
B
10
GA
COM
IA
17
CN
+
M
:
I
/
F
回疆
1
/
F
CIRCUIT
si
PAGE
TITLES
HS
-
Il
/
F
BASE
-
g
MODULE
1
/
F
|
TYPE
N X T
DRAWING
No
.
RE
0 1 5 5 3

卜 隣 儿 停 止
MJ
力
-
FRONT
PAIR
MODULE
STOP
TRIGER
听隣
^
]
-
儿停止卜
1
J
力
REAR
PAIR
MODULE
STOP
TRIGER
XD
卜 辭 儿 停 止 卜
UP
-
FRONT
PAIR
MODULE
STOP
TRIGER
听隣晚
-
儿停止卜
⑽
,
-
REAR
PAIR
MODULE
STOP
TRIGER
^
隣 接 枝
]
-
儿 指 示
M
2
CR
15
X
MODULE
LOCK
1
16
M
273
<
3
^
E
5
SP
E
6
CX
002
E
7
CX
00
A
E
8
CY
002
E
9
CY
007
E
10
SERV O
BOAR D
I
/
O
INTERFACE
夕一
□
夕
9
interlock
OPTOB
0
E
4
R
23
DP
10
CO
~
〆
-
CN
3
VP
VG
2
石夕
;
i
-
儿
CPU
BOX
、
TPM
<
3
^
r
Ule
cpu
box
j
1394
P
0
TP A
4
TPB
*
s
TPB
6
]
>
乂
7
:
1
>
卜
□
—
儿基板
CONVEYOR
CONTROL
BOARD
M
3
ty
]
_
儿
M
3
MODULE
CN
5
a
n
tii
C
7
RS
485
C
8
T
4
l
C
9
4
RS
485
C
10
1
M
2
LS
4
+
24
VM
1
V
:
D
1
SQ
4
/
M
2
M
1
101
D
2
S
M
2
LS
1
BLU
青
L
ON
M
BLK
黒
SQ
BRW
茶
X
005
D
3
BLU
青
L
ON
mm
}
6
BLK
黒
SQ
BRW
茶
X
006
D
4
BLU
青
L
ON
a
BLK
黒
SQ
BRW
茶
X
007
DS
GA
D
6
、
:
z
-
JI
/
K
<
3
^
D
7
<
4
<
D
8
D
9
«
D
10
DP
2
E
-
2
M
650
+
24
VA
1
<
d
^
El
SP
S
xs
軸心夕
-
口竹
XS
AXIS
INTERLOCK
E
2
M
2
CR
13
X
M
272
<
3
^
16
L
」
M
2
CRI
3
XI
16
XS
軸心夕
-
口州
XS
AXIS
INTERLOCK
1
XS
軸心夕
-
口竹
2
XS
AXIS
INTERLOCK
2
XS
軸心夕
-
口竹
3
XS
AXIS
INTERLOCK
3
BASE
+
24
vm
m
i
0
i
X
005
X
006
X
007
GA
M
650
SP
M
272
OPTOB
M
273
SP
CX
002
CX
00
A
CY
002
CY
007
VP
VG
TPA
末
TPA
TPB
米
TPB
I
/
O
A
XS
軸 夕
-
□
竹
1
XS
axis
interlock
I
XS
軸心夕
-
□
、
力
2
16
axis
interlock
2
xsifrf
^
-
n
'
^
^
3
XS
axis
interlock
3
C
_
n
I
/
O
A
M
6
顧
^
=
>
IS
selection
XS
軸心夕
-
CDMOK
ff
XS
axis
interlock
9
(
XS
axis
interlock
01
Contiguity
lodule
lock
directions
予備
Rpsdrvd
衫
2
-
儿
2
心夕
〕
工
-
又
MODULE
2
INTERFACE
CN
1
米
1
^
V
'
2
-
儿目
①
場合
t
In
the
case
of
1
st
nodule
HUB
、
HUB
1
-
C H I
米
1
-
儿目
①
場合
t
In
the
case
ol
1
st
nodule
n
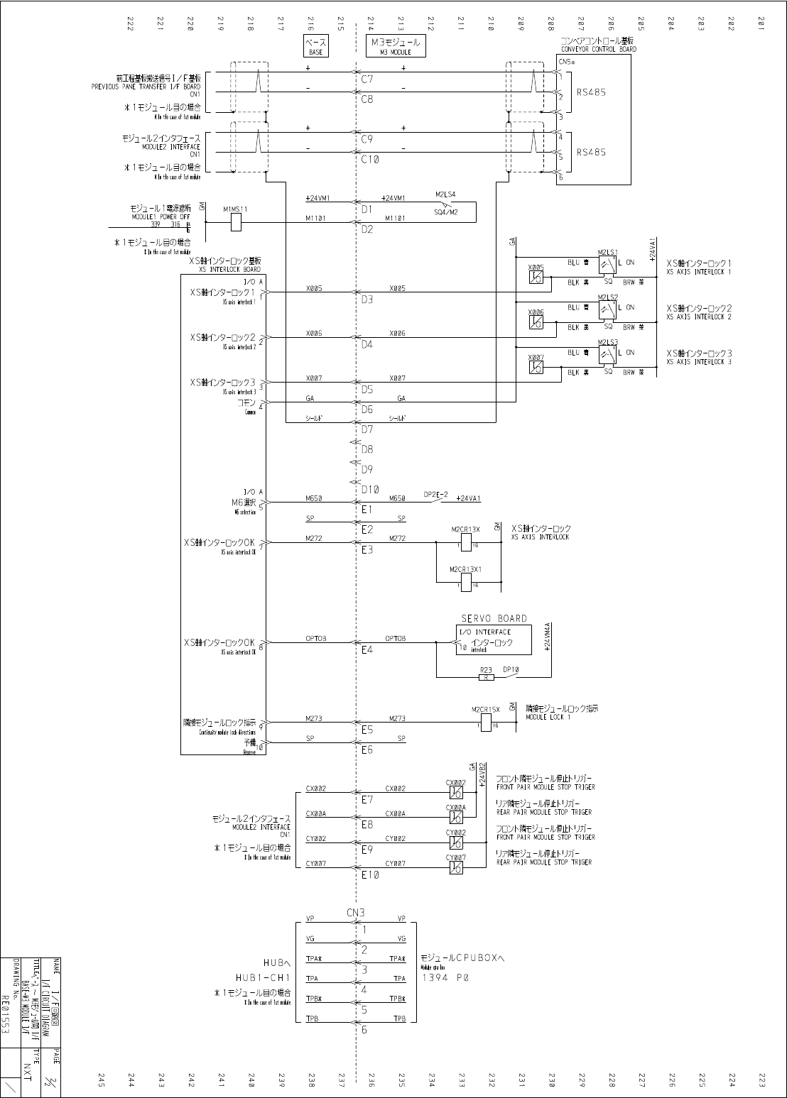
前工程麵臟信号
I
/
F
基板
PREVIOUS
PANE
TRANSFER
I
/
F
BOARD
CN
1
tityn
—
儿目
①
場合
t
In
tie
case
of
1
st
nodule
n
石为
-
儿
2
心夕
7
工
-
又
M
0
DULE
2
INTERFACE
CN
1
t
—
儿目
®
場合
X
In
tke
case
ol
1
st
nodule
M
1
MS
11
MODULE
1
POWER
OFF
m
la
b
米
i
朽
]
-
儿目
0
)
場合
t
In
Ike
cise
ol
1
st
lodule
XS
軸心夕
-
口
9
夕
_
XS
INTERLOCK
BOARD
CNCQAtCN
+
vo
2
_
L
―
A
_
_
_
2
-
1
71
_
—
c
—
_
—
C
~
_
—
c
I
C
~
iA
5
2
-
^
UJ
24
-
4
245
I
/
F
回靈
l
/
「
cliT
DIAGRAM
NAME
PAGE
V
2
TITLES
M
3
f
'
yrll
/
F
BAS
10
DULE
I
/
F
TYPE
NXT
DRAWING
No
.
RE
0
一
553

145
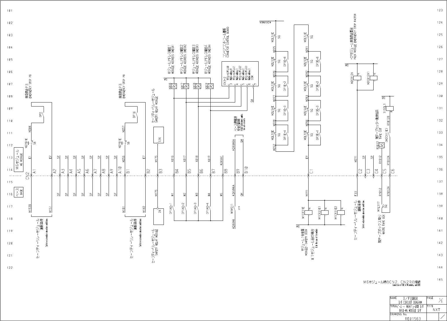
M
6
t
'
>
2
-
Jl
,
Bi
(
7
)
CN
2
.
CN
2
R
①
接続
Connection
of
OB
of
M
6
nodule
,
and
CN
2
t
I
/
F
回路図
1
/
F
CIRCUIT
DIAGRAM
NAME
PAGE
X
TITLEO
I
/
F
MM
MODULE
I
/
F
TYPE
NXT
DRAWING
No
.
RE
01563
123
0
1
nmvz
+
124
02
4
4
4
4
4
4
4
93
o
9
csll
0
Aa
vCNls
vzi
G
11
SZ
5
13
3
dVi
.
_
.
虛
Is
-
孓荇
-
返
210
Aa
OS
LilD
noslrn
xs
3
dVi
31
SVM
s
1
/
_
_
ils
—
lm
50
CNl
0
Aa
z
5
Aa
3
11
f
dS
rno
IXCNSS
dS
s
.
irrp
§
.
i
23
do
aln
'
lb
-
iHlaleoo
C
\
J
3
达涨
?
册
_
3
f
n
洽
-
/
In
—
VK
—
4
15
S
A
3
N
39
£
s
3
lnaowEvd
xCSIlsONlN
Ac
11
cslLUlrngi
13
—
N
9
-
LUrnda
CN
—
LiJrnda
rn
-
LUrnda
srnda
dl
-
ili
1
S
30
dss
-
sl
u
|
》
DS
DS
as
OS
OS
G
ii
:
M
'
.
/
vv
vv
v
'
v
.
vv
63
I
6
i
y
8
a
A
13
JVS
13
—
Jmow
—
f
—
rl
/
a
LUISICNI
LUZSICNJW
Lurnss
LiJLns
_
l
(
N
芝
LLJlsoi
8
3
lda
cvl
-
LLJlda
TLLJldG
DS
DS
DS
DS
DS
uv
urv
uv
vy
31
S
1
CNN
UJZSIZW
3
ES
1
CS
1
N
UJtslcslN
SSIZW
V
i
V
9
fsJi
gr
-
3
率铝
vv
019
zipp
二
lJLnr
-
zmTtlT
态
vvv
■
ilddns
slapls
asjy
5
5
Ili
^
v
61
Z
69
II
—
tL
v
\
Iss
VH
7
CS
1
+
vi
$
CNJ
+
0
$
m
I
s
-
ip
!
3
IJ
§
vs
1
giN
03
gA
3
AN
03
iTD
^
HNXn
cog
CSJ
—
S
4
V
SH
ACQ
s
S
03
H
0
ssssvLIJlnas
610
X
对
H
Tavlda
65
X
Log
s
JY
S
3
H
3
SS
3
_
V
1
rn
_
2
§
Trl
洽
OO
10
X
rnH
Elavlda
810
X
Lng
s
IV
CVJs
3
sss
3
dsv
3
i
CN
_
Kaslri
泣
A
10
X
CSJH
zlavlda
1
>
10
X
s
1
S
35
SS
3
HSV
i
910
X
IH
Tavlda
9
5
X
IV
9
rnCQ
o
3
_
Jn
_
AV
Al
—
3
JVS
fri
泣
—
zl
「
-
—
vIKn
—
4
1
A
—
U
3
JVS
1
lriAm
—
vIKn
—
4
Lni
si
oslCQ
卜
3
si
ir
=
pusuo
!
23
do
alnpMMelaJs
^
2
da
19
9
S
9
d
doisAososs
1
9
S
li
01
V
UJlcadzs
dS
dS
6
V
dS
dS
lx
:
v
IV
dS
dS
5
dS
dS
9
V
dS
dS
dS
dS
tv
dS
dS
2
w
^
v
dS
dS
CNV
著
CNLLJ
S
.
1
—
i
.
l
=
sal
-
i
~
aJsJ
?
呔啉溫脚
1
Tri
>
HJirl
-
vIKm
-
(
Nda
IV
cos
\
/
f
CGd
doisAoNsss
CQdqr
#
粧盘
寸
—
1
L
1
-
I
CQrnLni
31
一
5
窆
S
3
3
_
lnaoN
9
M
frlAiglAI
LLJsva
K
-
Y
4
5
7
0
8
0
9
0
3
0
6
0
2