Schmtic_NXT_03_ - 第29页
《 - 又回路図 BASE CIRCUIT DIAGRAM N A M E P A G E X e T I T L E 動力回路 ( A C ) POWER SOURCE CIRCUIKAC ) T Y P E N X T D R A W I N G N o . R E 01575 廿 - 牛外 H 増設 3 B K T C I R C U I T B R A K E R E X T E N S I O N 3 B K T 8 M P …

廿
-
牛
、
外
7
V
-
力 増 設
2
BKT
CIRCUIT
BRAKER
EXTENSION
2
BKT
8
M
PREVIOUS
PAGE
|
8
M
|
2 2 3
BASE
CONTROL
BOX
EXTENSION
2
M
1
CP
5
UBCN
^
Sii
CP
3
CN
1
R
115
CP
3
CN
3
R
125
EBCBCN
2
224
H
.
35
SI
15
S
125
225
T
125
1115
226
-
4
M
1
CP
6
M
1
MSI
6
R
126
EBCBCN
3
KP
3
CN
2
R
116
CP
3
CN
3
BCBCN
1
-
4
I
1.37
S
116
S
126
<
-
-
1
-
5
-
5
-
2
Til
6
T
126
CP
3
CN
5
<
<
C
纖
NOT
USED
-
2
-
3
CP
3
CN
6
<
<
:
纖
NOT
USED
-
<
<
c
:
<
<
C
M
1
CP
4
,
M
1
MSU
R
124
EBCBCN
3
R
114
CP
2
CN
3
I
^
-
4
l
EBCBCN
10.37
SI
14
S
124
-
5
-
5
-
2
1114
T
124
^
6
-
6
CP
2
CN
5
EH
才 装
11
源
(
OUT
)
OPTIONAL
DEVICE
POWER
(
OUT
)
-
3
CP
2
CN
6
<
<
C
:
次
《
-
又 廿
-
丰 外
7
V
-
力 増 設
BKT
NEXT
CIRCUIT
BRAKER
EXTENSION
BKT
-
2
9
廿
-
切 力 増 設 彳
BKT
CIRCUIT
BRAKER
EXTENSION
1
BKT
I
4
MI
r
8
Mi
PREVIOUS
PAGE
ron
rwi
20
I
BASE
CONTROL
BOX
EXTENSION
1
uo
M
1
CP
3
MS
13
CP
2
CN
1
R
1
I
3
CP
2
CN
3
EBCBCNI
R
123
EBCBCN
2
202
1035
S
1 1 3
S
123
203
T
1 1 3
T
123
204
TT
-
4
-
4
208
CP
2
CN
2
209
<
-
^
2
2
2
2
2
2
2
2
2
2
2
Z
-
4
2
3
4
5
6
7
8
220
242
22
1
243
244
222
245
NEXT
PAGE
NEXT
PAGE
《
-
又回路図
BASE
CIRCUIT
DIAGRAM
NAME
PAGE
Ke
TITLE
動力回路
(
AC
)
POWER
SOURCE
CIRCUIKAC
)
TYPE
NXT
DRAWING
No
.
RE
01575
205
227
CP
2
CN
4
CP
3
CN
4
4
M
綱
NOT
USED
綱
NOT
USED
R
124
206
228
-
2
S
124
207
229
T
124
y
^
ossModGlms
irnllrira
㊉
2
4
3
3
3
3
3
3
3
3
3
3
4
4
2
2
2
2
2
2
2
2
2
2
2
2
3
ynos
SMOdslnaoN
t
9
s
»
llM
^
l
+
J
㊉
-
2
-
3
CN
Luynos
SMOdBlnas
-
2
-
3
;
CN
yyBSsModLnLl
-
llms
1
I
4
J
©

《
-
又回路図
BASE
CIRCUIT
DIAGRAM
NAME
PAGE
Xe
TITLE
動力回路
(
AC
)
POWER
SOURCE
CIRCUIKAC
)
TYPE
NXT
DRAWING
No
.
RE
01575
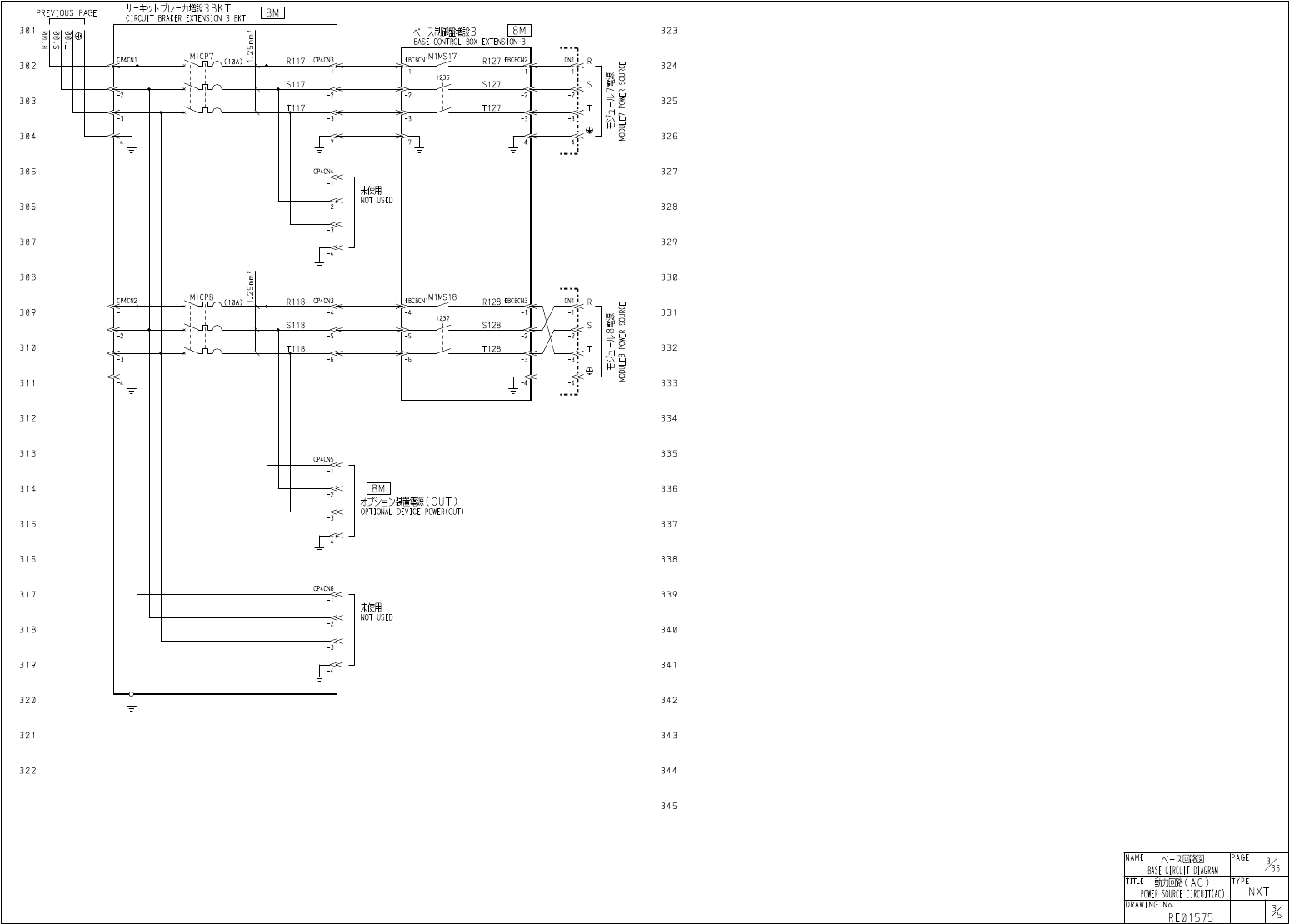
廿
-
牛外
H
増設
3
BKT
CIRCUIT
BRAKER
EXTENSION
3
BKT
8
M
PREVIOUS
PAGE
8
M
30
I
ts
(
S
BASE
CONTROL
BOX
EXTENSION
3
uo
M
1
CP
7
MSI
7
mcH
\
R
117
CP
4
CN
3
EBCBCNI
R
127
EBCBCN
2
^
302
12.35
S
117
S
127
~
^
2
303
T
117
T
127
304
TT
-
4
305
CP
4
CN
4
綱
NOT
USED
306
-
2
307
308
M
1
CP
8
,
M
1
MS
18
R
128
EBCBCN
3
CP
4
CN
2
R
118
CP
4
CN
3
EBCBCN
<
309
1237
SI
18
S
128
<
-
^
2
-
5
-
5
-
2
3
1
0
T
118
T
128
^
6
-
6
3
-
4
312
313
CP
4
CN
5
<
<
C
I
8
M
1
314
<
<
c
-
2
才为装
11
源
(
OUT
)
OPTIONAL
DEVICE
POWER
(
OUT
)
315
3
16
CP
4
CN
6
317
<
<
c
纖
NOT
USED
318
319
1
320
32
1
322
4
7
2
4
2
4
2
2
2
2
2
2
2
3
3
3
3
3
3
3
3
3
3
4
4
4
4
4
4
3
:
wnos
£
Mod
ZJ
_
lm
2
is
-
ri
^
a
3
_
os
as
S
—
Jnas
ffiswoollM
^
HJ
©
©
「
_
3
:
寸寸一
-
2
-
3
;
CN

M
1
MI
M
)
KfS
笛二心
Q
M
1
V
1
-
2
400
W
Q
M
1
W
1
426
-
3
427
o
八
-
、
:
/
温度匕
m
72
C
)
PARTS
THERMO
FUSE
I
M
1
F
2
428
FU
X
008
CX
008
A
)
※
术乂鳴躺
(
二
(
JX
0
08
AtS
§
"
H
IT
IS
SET
TO
X
008
A
^
T
THE
TIME
OF
PUMP
EXTENSION
.
429
+
24
vm
430
43
1
真制
〉
方
-
夕
2
'
PARTS
VACUUM
PUMP
MOTOR
2
o
關
M
-
2
437
400
W
Q
M
1
W
3
-
3
438
o
-
439
八
-
、
V
温度匕
]
-
7
:
2
PARTS
THERMO
FUSE
2
M
1
F
4
FU
440
X
008
X
008
A
441
442
443
444
445
《
-
又回路図
BASE
CIRCUIT
DIAGRAM
NAME
PAGE
X
6
TITLE
動力回路
(
AC
)
POWER
SOURCE
CIRCUIKAC
)
TYPE
NXT
DRAWING
No
.
RE
01575
MI
m
PI
P
2
<
>
R
/
L
1
J
<
>
S
/
L
2
V
<
>
T
/
L
3
W
@
SHIELD
<
>
SHIELD
GM
CM
30
B
\
丫
006
FWD
M
143
30
C
XI
THERMAL
SET
:
2.3
A
<
n
>
Ml
IV
3
PI
P
2
MS
3
CN
1
<
>
R
/
L
1
J
<
>
S
/
L
2
V
多
>
>
—
O
T
/
L
3
W
-
B
©
SHIELD
<
>
SHIELD
IS
3
CN
3
GM
CM
30
B
\
丫
006
FWD
35
M
143
30
C
XI
THERMAL
SET
:
2.3
A
0
MSICN
1
MS
1
CN
1
>
>
-
2
-
2
^
3
-
3
PI
-
6
-
5
32
-
2
+
24
VM
1
M
14
KM
141
A
)
额
^
獅
:
ttM
141
A
⑽
IT
IS
SET
TO
M
141
A
AT
THE
TIME
OF
PUMP
EXTENSION
.
432
433
船心翻寺
VAII
^
^
HS
^
SEATTHET
.
MEOPSPEC
.
P
.
CUNE
COHPOSmON
4
-
34
ir
織
UUBKT
EXTENSION
VACUUM
PUMP
CONTROL
BKT
K
-
'
V
真空
;
IT
乂
/
制御
BKT
PARTS
VACUUM
PUMP
CONTROL
BKT
《
-
應
P
盤
BASE
CONTROL
BOX
40
I
BCBCN
4
BCBCNI
8
R
10
I
402
<
廿
-
牛外
〕
v
-
力
BKT
CIRCUIT
BRAKER
BKT
CPICN
4
S
101
403
>
>
>
-
2
-
2
-
2
ADDRESS
T
101
404
-
3
405
406
心夕
〕
工
-
纖
1
INTERFACE
BOARD
I
M
51
CN
3
-
6
»
407
-
5
-
7
'
-
7
X
008
408
-
1
+
24
VM
1
:
-
2
-
2
M
141
409
10
-
10
Y
006
-
5
MIF
2
+
24
VMU
»
-
1
-
1
»
-
i
f
~
<
3
-
2
-
2
GM
4
1
0
MU
1
41
I
M
143
412
413
4
14
415
T
101
416
417
418
GM
丫
006
M
143
419
X
008
A
X
008
420
42
1
NEXT
PAGE
M
14
-
IA
M
141
422
R
1 01
S
10
i
ziLnCNJ
-
l
M
3
3
eELnCSJ
*