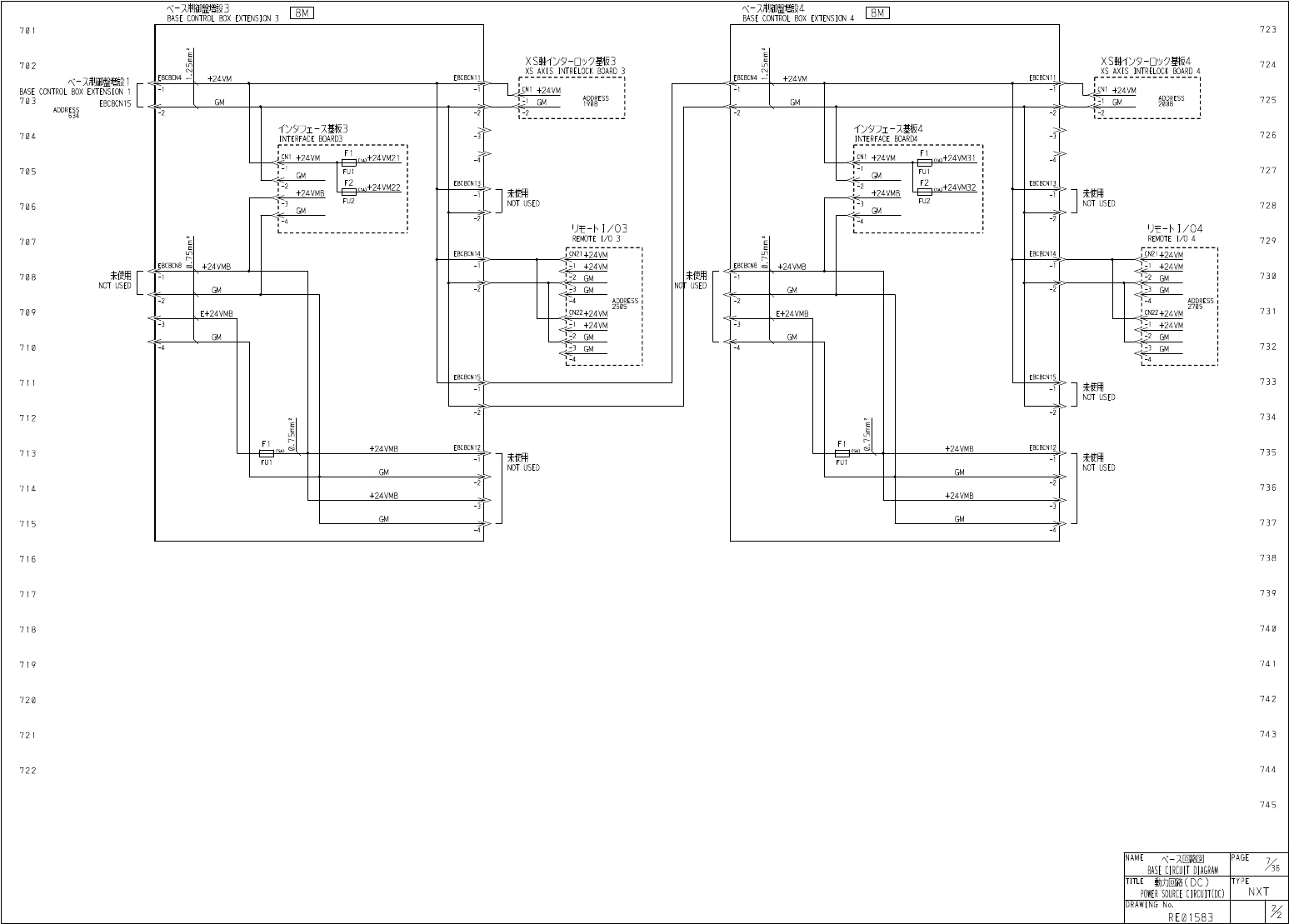
Schmtic_NXT_03_ - 第34页
M 1 5 3 + 2 4 V M 1 X 0 0 E 1 GM GM 0 1 2 13 1 4 + 2 4 V M I - ' 5 R X 0 0 0 : ' 6 + 2 4 V M 1 ' V R X 0 0 8 - ' 8 + 2 4 V M I : ' 9 R X 0 0 3 R X 0 0 B + 2 4 V M 1 - 22 23 • 24 jN 27 M 1116 M l …

8
M
BASE
CONTROL
BOX
EXTENSION
4
jBCBCN
4
二
+
24
VM
GM
-
2
心夕
〕
工
-
遞
4
INTERFACE
B
0
ARD
4
r
1
l
+
24
VM
,
A
)
+
24
VM
31
FU
1
GM
F
2
,
+
24
VM
32
S
+
24
VMB
FU
2
T
?
GM
ri
^
JBCBCN
8
s
+
24
VMB
纖
USED
GM
*
-
^
2
,
E
+
24
VMB
-
3
GM
又瓣卩麟設
3
BASE
CONTROL
BOX
EXTENSION
3
8
M
70
I
702
JBCBCN
4
^
+
24
-
VM
-
又制
■
增設
1
BASE
CONTROL
BOX
EXTENSION
1
EBCBCNI
5
「
<
$
703
GM
ADDRESS
-
2
634
-
心夕
〕
工
-
又麵
3
INTERFACE
B
0
ARD
3
704
FI
:
N
1
+
24
VM
+
24
VM
21
705
FU
1
GM
F
2
-
2
m
汁
24
VM
22
+
24
VMB
FU
2
706
GM
707
JBCBCN
8
s
+
24
VMB
删
NOT
USED
708
GM
-
s
^
2
709
,
E
+
24
VMB
-
3
GM
-
c
-
^
4
723
XS
軸心夕
-
□
竹基板
4
XS
AXIS
INTRELOCK
BOARD
4
724
EBCBCNII
^
CN
1
+
24
VM
ADDRESS
725
GM
2008
^
>
>
-
产
726
727
EBCBCNI
^
>
I
綱
NOT
USED
728
貧
iJt
-
卜
1
/
04
REMOTE
I
/
O
4
729
EBCBCN
14
.
CN
21
+
24
VM
+
24
VM
730
GM
>
-
2
GM
ADDRESS
2705
73
1
CN
22
+
24
VM
+
24
VM
GM
732
GM
EBCBCN
1
733
未使用
NOT
USED
TT
734
EBCBCN
12
^
+
24
VMB
735
未使用
NOT
USED
GM
-
2
736
+
24
VMB
-
3
GM
737
738
739
740
741
742
743
744
745
《
-
又回路図
BASE
CIRCUIT
DIAGRAM
NAME
PAGE
/
^
6
TITLE
動力回路
(
DC
)
POWER
SOURCE
CIRCUIKDC
)
TYPE
NXT
DRAWING
No
.
%
RE
01583
XSiO
夕一口以
9
基板
3
XS
AXIS
INTRELOCK
BOARD
3
EBCBCNII
^
ijNI
+
24
VM
ADDRESS
GM
1908
T
>
>
EBCBCN
13
^
>
-
1
纖
NOT
USED
貧
1
开
-
卜
1
/
03
REMOTE
I
/
O
3
EBCBCN
14
JCN
21
+
24
VM
+
24
VM
GM
T
GM
ADDRESS
2505
jN
22
+
24
VM
+
24
-
VM
GM
GM
EBCBCN
15
-
2
EBCBCN
12
^
+
24
VMB
纖
NOT
USED
GM
1
>
+
24
VMB
>
GM
»
-
-
4
eEELnr
-
.
0
w
3
iLn
/
/
0
Aw

M
153
+
24
VM
1
X
00
E
1
GM
GM
0
12
13
14
+
24
VMI
-
'
5
RX
000
:
'
6
+
24
VM
1
'
V
RX
008
-
'
8
+
24
VMI
:
'
9
RX
003
RX
00
B
+
24
VM
1
-
22
23
•
24
jN
27
M
1116
Ml
1
17
〕
;
2
Ml
128
Ml
129
+
24
VM
1
A
lj
:
5
X
018
=
1
Y
000
A
GM
-
8
X
015
+
24
VM
1
A
0
jN
33
M
1234
M
1235
M
123
GA
M
1237
A
+
24
VM
1
RX
007
A
+
24
VM
1
X
01
C
丫
006
GM
心夕
〕
工
-
遞
1
INTERFACE
BOARD
I
JjN
5
+
24
VM
1
80
I
i
7
-
i
±
rm
AIR
OK
ISE
30
-
01
-
65
ML
M
1
PS
1
茶
BRW
黒
BLK
S
BLU
802
SP
八
°
-
、
训车
2
-
厶圧力確認
PARTS
VACUUM
OK
ZSE
30
-
01
-
65
ML
茶
BRW
803
黒
BLK
SP
青
BLU
804
805
806
M
1
LSI
LJH
-
D
21
x
-
x
正
_
\
u
-
i
翻
is
BASE
FRONT
COVER
I
CLOSED
CHECK
SQ
MILS
1
807
SQ
808
809
MODULE
I
CLAMP
CHECK
M
1
LS
11
V
.
SQ
8
10
^
J
2
-
)
l
205
y
^
MODULE
2
CLAMP
CHECK
M
1
LS
21
V
.
SQ
8
衫
]
-
儿
1
着座確認
MODULE
I
DOCKING
CHECK
1
LS
14
812
A
育
BLU
D
ON
EE
-
SX
770
P
茶
BRW
SQ
黒
BLK
813
-
儿
2
着座確認
MODULE
2
DOCKING
CHECK
8
BLU
茶
BRW
I
BLK
D
ON
EE
-
SX
770
P
814
SQ
815
M
1
LS
16
<
rt
SQ
M
1
LS
16
麵力
/
卜開閉確認前工程
SIDE
COVER
CLOSED
CHECK
-
PREVIOUS
MACHINE
D
4
NL
-
IHFG
-
B
<
rt
8
16
SQ
M
1
LS
16
<
r
^
SQ
817
M
1
S
0
L
19
麵力
Au
_
□
竹前工程
SIDE
COVER
LOCK
-
PREVIOUS
MACHINE
P
818
連
■
前工程
IT
IS
TO
A
PREVIOUS
MACHINE
AT
THE
TIME
OF
CONNECTION
.
819
MILSI
7
MODULE
1
TAPE
BOX
CHECK
V
:
SQ
820
MILS
17
MODULE
2
TAPE
BOX
CHECK
V
^
"
SQ
82
1
MILS
17
砍
-
儿
i
'
2
残亍
-
力
MODULE
12
TAPE
BOX
OK
VC
SQ
822
TM
1
夕汁厶力
0
)
夕
TIME
COUNTER
O
夕
〕
工
-
又基板
1
INTERFACE
BOARD
1
823
+
24
VM
1
CN
1
GM
824
Y
01
A
Y
01
B
Y
01
C
表示
!
t
7
PILOT
LAMP
825
Y
01
D
Y
01
E
OPTION
Y
01
F
826
BLNK
827
Ml
FAN
1
(
CPU
BOX
)
(
CPU
BOX
)
冷奶尸
:
VI
COOLING
FAN
1
^
9
-
+
24
VM
2
CN
2
:
GM
EV
828
+
24
VM
2
GM
M
1
FAN
2
細方
)
2
COOLING
FAN
2
(
制御盤
)
(
CONTROL
BOX
)
+
24
VM
5
829
GM
EV
+
24
-
VM
5
GM
M
1
FAN
3
(
制御盤
)
(
CONTROL
BOX
)
COOLING
FAN
3
830
FAN
1
AL
2
:
FAN
2
AL
EV
FAN
3
AL
-
>
83
1
FAN
4
AL
-
*
M
1
FAN
4
冷奶尸
〉
4
COOLING
FAN
4
(
/
\
°
-
vVl
^
^
)
(
PARTS
VACUUM
PUMP
)
FAN
EV
832
833
834
GM
CN
^
朽
]
-
儿
IIS
遮断
M
1
MS
11
MODULE
1
POWER
OFF
a
|
174
8
^
9
835
Ml
101
iff
ol
LC
1
-
DI
23
BL
836
-
儿
21
^
源遮断
M
0
DULE
2
POWER
OFF
a
|
HI
m
M
1
MS
12
Ml
102
837
LC
1
-
DI
23
BL
+
24
VM
4
838
MSI
Ml
+
24
VM
4
A
835
839
M
1
MS
12
+
24
VM
4
B
837
840
M
153
IIW
非常停止
CONVEYOR
EMERGENCY
STOP
-
2
i
M
1
CR
39
E
GM
841
-
2
842
843
844
845
《
-
又回路図
BASE
CIRCUIT
DIAGRAM
NAME
PAGE
^
36
TITLE
心 夕 工 一 纖
1
INTERFACE
BOARD
]
TYPE
NXT
DRAWING
No
.
%
RE
01594
VM
53
c
6
07
4
0
GM
+
2
X
0
GM
0
0
M
X
0
A
A
-
3
-
6
TTTTT
.
!
•
^
<
-
Ir

二夕卜
SAFETY
RELAY
UNIT
心夕
〕
I
-
又麵
1
INTERFACE
BOARD
1
m
,
1
90
I
923
(
M
1
SR
1
)
K
1
/
M
1
+
24
VM
1
丫
002
+
24
VM
4
、
■
、
+
24
VM
4
1
902
Power
Supply
924
GM
CM
2
A
1
(
+
)
A
2
(
-
)
1
/
◦
補
(
OUT
)
I
/
O
SPARE
(
OUT
)
+
24
VM
1
丫
003
903
925
GM
+
24
VM
1
丫
001
M
174
M
17
I
904
926
GM
S
34
+
24
VM
1
Y
00
C
-
M
153
B
^
M
153
B
1
905
927
GM
SI
2
cf
+
24
VM
1
丫
00
D
M
1110
^
Ml
110
1
<
UH
5
906
928
GM
SI
1
24
+
24
VM
1
丫
010
-
M
18
I
'
MI
81
1
907
929
^
t
>
GM
-
S
22
cf
+
24
VM
1
T
>
丫
011
Ml
111
、
Ml
I
1 1
908
930
O
GM
-
2
!
S
21
cf
+
24
-
VMI
-
21
l
丫
014
909
93
1
0
GM
-
丫
4
+
24
VM
1
CNI
8
^
'
9
1
0
93 2
(
>
<
)
丫
004
丫
5
Y
32
GM
+
24
VM
1
Te st
Pu lse
outp ut
9
933
CN
3
+
24
VM
1
丫
005
Seamless
specification
注
)
t
-
万
<
-
uu
-
]
二外
(
J
取付
(
rc
好苑
?
使用
LU
话甘凡
。
Notes
)
Safety
relay
unit
is
not
used
although
attached
.
I
:
X
000
GM
+
24
VM
1
GM
912
934
3
+
24
VM
1
Y
00
A
X
004
GM
l
/
0
^
i
(
I N
)
I
/
O
SPARE
(
IN
)
二
5
GM
+
24
VM
1
1
/
0
備
OUT
)
1
/
0
SPARE
(
OUT
)
913
935
+
24
VM
1
丫
00
B
X
005
GM
-
+
24
VM
1
-
GM
M
175
丄
914
936
丫
018
Cj
2
GM
CN
19
+
24
VM
1
+
24
VM
1
M
174
丄
915
937
丫
019
X
019
C
^
2
■
GM
GM
-
3
+
24
VM
1
GM
916
938
X
01
A
-
21
GM
■
+
24
VM
1
917
939
X
01
B
GM
二
9
+
24
VM
1
I
/
O
予備
(
IN
)
I
/
O
SPARE
(
IN
)
9
1
8
940
0
X
01
C
GM
-
12
+
24
VMI
9
1
9
94
1
3
X
01
D
-
14
GM
;
I
5
+
24
VM
1
920
942
6
X
01
E
-
17
GM
-
:
^
<
,
9
92
I
943
20
922
944
945
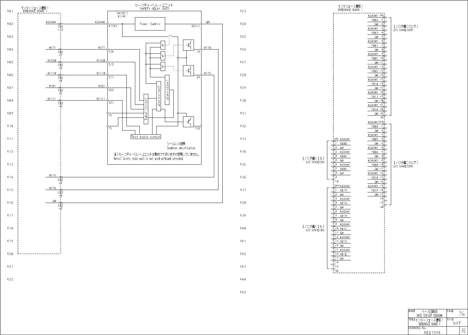
十又回路図
BASE
CIRCUIT
DIAGRAM
NAME
PAGE
^
6
TITLE
心夕
-
-
又麵
1
INTERFACE
BOARD
I
TYPE
NXT
DRAWING
No
.
%
RE
01594