Schmtic_NXT_03_ - 第37页
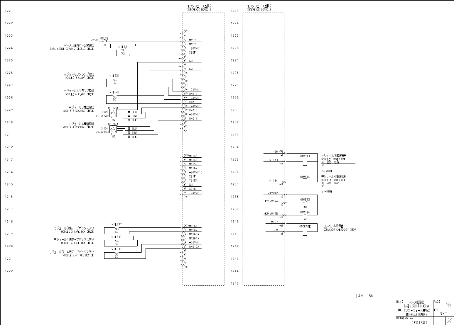
心夕 〕 工 - 遞 3 I N T E R F A C E B O A R D 3 O 夕 〕 工 - 纖 3 I N T E R F A C E B O A R D 3 1 1 0 1 1 1 2 3 I 1 0 2 1 1 2 4 I 1 0 3 1 1 2 5 M 1 L S 3 LJH - D 21 二 2 M 1 6 1 C M 1 B 1 令又正 _ ( - 3 閉確認 B A S E F R O N T C O V E …

心夕
〕
工
-
遞
2
INTERFACE
BOARD
2
O
夕
〕
工
-
纖
2
INTERFACE
BOARD
2
I
00
I
1
023
I
002
1
024
I
003
1
025
M
1
LS
2
LJH
-
D
21
二
2
M
157
C
M
157
令又正
_
(
-
2
閉確認
BASE
FRONT
COVER
2
CLOSED
CHECK
SQ
MILS
2
1
004
1
026
+
24
VM
11
X
00
F
SQ
1
005
1
027
;
7
GM
GM
I
006
1
028
-
10
MODULE
3
CLAMP
CHECK
MILS
31
V
.
SQ
-
12
I
007
1
029
-
13
-
14
+
24
VM
11
MODULE
4
CLAMP
CHECK
M
1
LS
41
15
RX
010
V
:
SQ
I
008
1
030
-
16
+
24
VM
11
z
}
l
RX
018
18
+
24
VM
11
儿
3
着座確認
MODULE
3
DOCKING
CHECK
M
1
LS
34
1
009
1
03
1
RX
013
責 巳
LU
D
ON
EE
-
SX
770
P
M
0
+
24
VM
1 1
^
-
21
RX
01
B
茶
BRW
SQ
黒
BLK
10
10
1
032
晚
-
M
着座確認
MODULE
4
DOCKING
CHECK
1
LS
44
青 巳
LU
D
ON
EE
-
SX
770
P
■
24
茶
BRW
10
11
1033
SQ
I
BLK
1 0 12
1
034
GM
CN
^
衫
]
_
爪
3
電源遮断
MODULE
]
POWER
OFF
ai
iw
mg
CN
28
M
1
145
M
1
MS
13
1013
1
035
Ml
146
Ml
103
Ml
159
b
Ml
160
LC
1
-
D
123
BL
I
0
U
1036
+
24
VM
11
B
故
]
-
儿
4
電源遮断
M
0
DULE
4
POWER
OFF
ai
m
\
m
X
01
F
MIMS
14
<
r
Y
015
A
Ml
104
1 0 1 5
1 0 3 7
G M
¥
X
016
LC
1
-
D
123
BL
+
24
VM
11
B
+
24
VMI
2
10
16
1 0 3 8
M
1
MS
13
+
24
VM
12
A
1035
10
17
1 0 3 9
M
1
MS
14
+
24
VM
12
B
1037
10
18
1
040
M
157
MILS
37
非常停止
CONVEYOR
EMERGENCY
STOP
CN
33
M
126
I
-
2
i
MICR
40
E
MODULE
3
TAPE
BOX
CHECK
SQ
Ml
262
GM
irr
10
19
1
04
1
M
1263
A
MILS
37
M
1264
A
MODULE
4
TAPE
BOX
CHECK
V
^
"
SQ
+
24
VM
1
1
02 0
1
042
RX
017
A
MILS
37
MODULE
1
4
TAPE
BOX
OK
V
.
SQ
1
02
1 1
043
i
^
,
0
1
044
1
02 2
1
045
4
M
8
M
《
-
又回路図
BASE
CIRCUIT
DIAGRAM
NAME
PAGE
%
TITLE
心 夕
-
7
l
-
又 麵
2
INTERFACE
BOARD
2
TYPE
NXT
DRAWING
No
.
X
RE
0160
1

心夕
〕
工
-
遞
3
INTERFACE
BOARD
3
O
夕
〕
工
-
纖
3
INTERFACE
BOARD
3
1 1 0
1 1
123
I
1
02
1
124
I
103
1
125
M
1
LS
3
LJH
-
D
21
二
2
M
161
C
M
1
B
1
令又正
_
(
-
3
閉確認
BASE
FRONT
COVER
3
CLOSED
CHECK
SQ
MILS
]
I
1
04
1
126
+
24
VM
21
X
010
SQ
I
105
1
127
;
7
GM
GM
I
106
1
128
-
10
MODULE
5
CLAMP
CHECK
MILS
51
V
.
SQ
-
12
I
107
1
129
-
13
-
14
+
24
VM
21
衫
2
-
儿
6
乃
'
乂謂
IS
MODULE
6
CLAMP
CHECK
M
1
LS
61
15
RX
020
V
:
SQ
I
108
1
130
-
16
+
24
VM
21
RX
028
18
+
24
VM
21
儿
5
着座確認
MODULE
5
DOCKING
CHECK
M
1
LS
54
I
109
113
1
-
19
RX
023
責 巳
LU
D
ON
EE
-
SX
770
P
M
0
+
24
VM
21
^
-
21
RX
02
B
茶
BRW
SQ
黒
BLK
0
1 1
32
儿
6
着座確認
1
LS
64
MODULE
6
DOCK
IMG
CHECK
青 巳
LU
D
ON
EE
-
SX
770
P
■
24
茶
BRW
1
1
33
SQ
I
BLK
2
1
1
34
GM
CN
^
電源遮断
M
0
DULE
5
POWER
OFF
ai
774
11
^
9
CN
28
M
1
174
M
1
MS
15
3
1 1
35
Ml
175
Ml
105
Ml
188
b
Ml
189
LC
1
-
D
123
BL
4
1
1
36
+
24
VM
21
B
杉
]
-
儿
6
電源遮断
M
0
DULE
6
POWER
OFF
ai
114
^
X
01
F
MIMS
16
<
r
Ml
106
Y
015
A
5
1 1
37
GM
¥
X
016
LC
1
-
D
123
BL
+
24
VM
21
B
+
24
VM
22
6
1 1 3 8
M
1
MS
15
1135
7
1 1
39
M
1
MS
16
1137
8
1
U
0
M
161
MILS
57
非常停止
CONVEYOR
EMERGENCY
STOP
CN
33
M
1265
-
2
i
MICR
4
IE
MODULE
5
TAPE
BOX
CHECK
SQ
M
1266
GM
irr
9
1
U
1
M
1267
A
MILS
57
M
1268
A
MODULE
6
TAPE
BOX
CHECK
V
^
"
SQ
+
24
VM
1
I
12 0
1
U
2
RX
027
A
MILS
57
MODULE
5
、
6
TAPE
BOX
OK
V
.
SQ
1 1 2 1
1
14
3
i
^
,
0
1
144
I
12 2
1
14
-
5
8
M
《
-
又回路図
BASE
CIRCUIT
DIAGRAM
NAME
PAGE
%
TITLE
心 夕 工 一 纖
3
INTERFACE
BOARD
3
TYPE
NXT
DRAWING
No
.
X
RE
01611

心夕
〕
工
-
又基板
4
INTERFACE
BOARD
4
O
夕
〕
工
-
又基板
4
INTERFACE
BOARD
4
20
I
1223
202
1224
f
J
-
2
M
165
C
203
1225
M
1
LS
4
LJH
-
D
21
M
165
又正面力八閉確
12
BASE
FRONT
COVER
4
CLOSED
CHECK
SQ
MILS
4
204
1226
+
24
VM
31
"
if
怎
X
01
1
205
1227
GM
GM
206
1228
^
Ji
-
)
i
795
yym
MODULE
7
CLAMP
CHECK
MILS
7
I
-
S
<
V
-
12
SQ
207
1
229
-
13
+
24
VM
31
MODULE
8
CLAMP
CHECK
M
1
LS
81
;
15
RX
030
V
-
SQ
208
1
230
-
16
+
24
VM
31
;
'
7
RX
038
'
8
+
24
VM
31
故
]
-
儿
7
着座磁
S
N
1
ILS
24
209
1
23
1
:
'
9
RX
033
MODULE
7
DOCKING
CHECK
D
ON
EE
-
SX
770
P
音
BLU
二
20
+
24
VM
31
茶巳
RW
二
21
RX
03
B
SQ
I
BLK
2
10
1232
E
%
-
儿
8
着座確認
MODULE
8
DOCKING
CHECK
I
D
ON
EE
-
SX
770
P
M
BLU
茶
BRW
21
I
1233
SQ
黒
BLK
212
1234
GM
M
1
LS
86
—
儿 遮 断
jN
28
M
1203
MIMS
17
213
1235
M
00
ULE
7
POWER
OFF
ai
-
W
1
?
不
?
Ml
204
Ml
107
M
1
LS
86
MI
217
bl
麵力八
-
開閉確認
SIDE
COVER
CLOSED
CHECK
-
NEXT
\
後工程
夕
M
1218
SQ
M
1
LS
86
LCI
-
D
123
BL
2
U
1236
+
24
VM
31
B
D
4
NL
-
IHFG
-
B
石夕
]
-
儿
8
驗遮断
M
0
DULE
8
POWER
OFF
ai
309
1240
X
01
F
MIMS
18
SQ
Y
015
A
Ml
108
MIS
0
L
89
215
後工程
SIDE
COVER
LOCK
-
NEXT
MACHINE
1237
GM
-
11
bl
P
X
016
匚
」
LC
1
-
D
123
BL
+
24
VM
31
B
^
rr
216
廳餱工
#
\
g
IT
IS
TO
A
NEXT
MACHINE
AT
THE
TIME
OF
CONNECTION
.
^
1 23 8
-
10
M
1
MS
17
1235
217
1 23 9
M
1
MS
18
+
24
VM
32
B
^
rr
1237
218
1 24 0
M l
6 5
MILS
77
DW
非常停止
CONVEYOR
EMERGENCY
STOP
CN
33
M
1269
-
21
MICR
42
E
MODULE
7
TAPE
BOX
CHECK
V
:
MI
270
GM
SQ
219
124
1
M
1271
A
-
2
MILS
77
MI
272
A
MODULE
8
TAPE
BOX
CHECK
V
:
+
24
VM
1
SQ
220
1 24 2
RX
037
A
MILS
77
MODULE
7
.
8
TAPE
BOX
OK
V
:
SQ
22 1
1 24 3
222
1 244
1245
[
8
K
\
NAME
《
-
又回路図
BASE
CIRCUIT
DIAGRAM
PAGE
%
ME
心 夕 工 麵
4
INTERFACE
BOARD
4
TYPE
NXT
DRAWING
No
.
X
RE
01622