Schmtic_NXT_03_ - 第42页
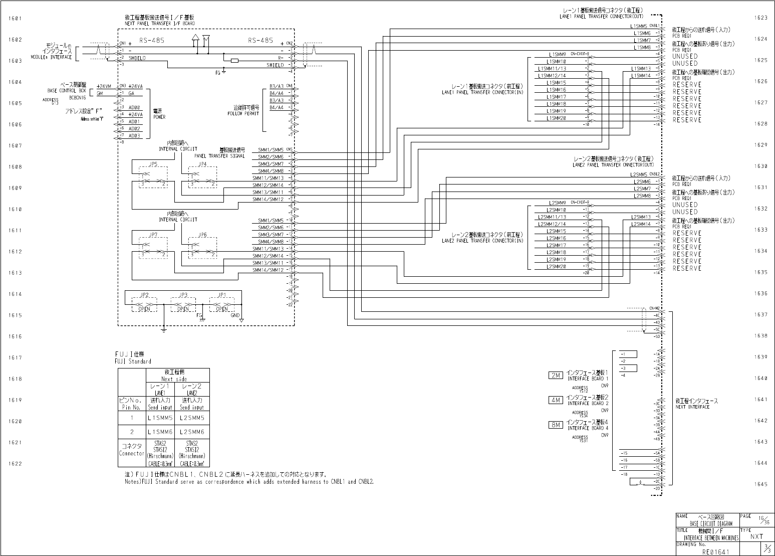
| y - > 1 基板搬送信号 ] 於夕 ( 後工程 ) LANEI PANEL TRANSFER CONNECTOR ( OUT ) 後工程基板搬送信号 I / F 基板 NEXT PANEL TRANSFER 1 / F BOARD 1 623 1 60 1 LISMM 5 隱 後工程廳送 n 信号 ( 入力 ) PCB REQ 1 後工掛基板約信号 ( 出力 ) PCB REQI U N U SE D U N U SE D…

1523
I
50
I
心夕
7
工
-
又麵
4
INTERFACE
BOARD
4
心夕
7
工
-
又基板
1
INTERFACE
BOARD
I
O
夕
〕
工
-
又基板
2
INTERFACE
BOARD
2
4
M
8
M
心 夕 基 板
3
INTERFACE
BOARD
3
1524
I
502
8
M
8
M
jjN
8
M
165
B
4
18
M
153
B
N
8
M
157
B
;
N
8
M
161
B
Ml
110
1
525
1503
M
11
I
0
Ml
110
M
1110
M
1196
M
181
M
1
138
Ml
167
MI
1
I
1
Mil
11
M
1
11
1
Mini
T
154
1526
1504
T
15
I
T
152
T
153
X
01
F
■
X
01
F
X
01
F
X
01
F
前工程
O
夕
7
工
-
又
PREVIOUS
INTERFACE
丫
015
丫
015
Y
0
I
5
丫
015
7
X
016
1527
1505
X
016
X
016
X
016
CN
-
MI
ADDRESS
1422
Ml
225
CN
9
^
1528
15
0
6
10
M
161
B
CN
9
M
165
B
CN
^
Ml
57
B
i
^
n
$
M
1
H
0
Ml
110
M
1
110
Ml
1
10
12
MI
226
12
12
12
Ml
138
Ml
167
M
1196
-
13
M
175
Mill
1
1529
I
507
13
M
175
-
>
3
M
175
二
13
MI
75
Ml
1 1
I
M
1111
M
11
1
I
14
M
0074
T
152
M
0001
-
14
M
00
H
二
14
M
0072
T
154
-
i
T
152
T
153
-
15
M
0063
X
01
F
;
'
5
M
0002
'
5
M
0031
15
M
0047
X
01
F
X
01
F
X
01
F
-
16
+
24
VM
32
A
丫
015
1 5 3 0
1 5 0 8
16
+
24
VM
4
A
-
>
6
+
24
VM
12
A
-
16
+
24
VM
22
A
丫
015
丫
015
Y
015
17
M
0003
X
016
P
M
0003
-
«
7
M
0003
-
17
M
0003
X
016
X
016
X
016
後工程心夕
〕
工
-
又
NEXT
INTERFACE
CN
-
M
2
18
-
18
-
18
-
18
9
153
1
1 5 0 9
9
19
馏
PS
20
:
0
1 5 3 2
1 5
1 0
M
175
-
I
4
M I
M
175
-
1
M
175
-
M
175
-
+
24
VM
32
B
-
'
1
W
]
後工程心夕
7
工
-
又
NEXT
INTERFACE
+
24
VM
22
B
-
1
+
24
VM
4
B
-
+
24
VM
12
B
-
M
0004
-
1 5 3 3
後工程心夕
〕
工
-
又
NEXT
INTERFACE
CN
-
M
2
1 5 1 1
M
0004
-
1
M
0004
M
0004
-
M
0005
CN
-
M
2
M
0055
-
1
M
0023
-
M
0039
-
馏
PS
M
0006
-
'
I
M
0015
-
'
Z
.
M
0073
-
1
M
0071
ADDRESS
1 5 3 4
1 5 1 2
-
21
-
2
i
1 5 3 5
1 5 1 3
1 5 3 6
I
5
U
1 5 3 7
1 5 1 5
1 5 3 8
1 5 1 6
1 5 3 9
1 5 1 7
1
5 4 0
1 5 1 8
1 5 4 1
1 5 1 9
1
5 4 2
1
5 2 0
1
5 4 3
I
5 2
1
1 5 4 4
I
5 2 2
1 5 4 5
《
-
又回路図
BASE
CIRCUIT
DIAGRAM
NAME
PAGE
%
TITLE
機鐧
I
/
F
INTERFACE
BETWEEN
MACHINES
TYPE
NXT
DRAWING
No
.
K
RE
01641

|
y
-
>
1
基板搬送信号
]
於夕
(
後工程
)
LANEI
PANEL
TRANSFER
CONNECTOR
(
OUT
)
後工程基板搬送信号
I
/
F
基板
NEXT
PANEL
TRANSFER
1
/
F
BOARD
1
623
1
60
1
LISMM
5
隱
後工程廳送
n
信号
(
入力
)
PCB
REQ
1
後工掛基板約信号
(
出力
)
PCB
REQI
UNUSED
UNUSED
後工程
、
_
鹏
S
信号
(
出力
)
PCB
REQ
1
RESERVE
RESERVE
RESERVE
RESERVE
RESERVE
RESERVE
L
1
SMM
6
1624
1602
+
RS
-
485
RS
-
485
L
1
SMM
7
夕
7
工
-
又
MODULEn
INTERFACE
tA
A
L
1
SMM
8
L
1
SMM
9
SHIELD
R
-
1
625
I
603
I
:
L
1
SMM
10
-
3
SHIELD
-
l
L
1
SMM
11
/
13
t
L
1
SMM
13
FG
L
1
SMM
12
/
H
L
1
SMM
14
-
1626
1
604
L
1
SMM
15
《
-
又制御盤
BASE
CONTROL
BOX
BCBCN
16
LANEI
PANEL
TRANSFER
CONNECTOR
(
IN
)
+
24
VM
」
;
N
3
+
24
VA
B
3
/
A
3
-
5
"
L
1
SMM
16
:
¥
B
4
/
A
4
GM
GA
L
1
SMM
17
ADDRESS
B
3
/
A
3
1
627
16
0
5
L
15
MM
18
追従許可信号
FOLLOW
PERMIT
AD
00
B
4
/
A
4
7
KV
獅
,
F
”
Address
selling
T
L
1
SMM
19
+
24
VA
POWER
LISMM
20
AD
01
1
628
1 6
0
6
AD
02
AD
03
内部回路
'
INTERNAL
CIRCUIT
:
1
629
I
607
1
«
送信号
PANEL
TRANSFER
SIGNAL
SMM
1
/
SMM
5
CN
;
SW
2
/
SMM
6
u
-
w
謹搬
■
号
]
衫夕
(
後工程
)
LANE
2
PANEL
TRANSFER
ONNECTOR
(
OUT
)
JP
4
SNt
^
3
/
SMM
7
1
630
I
608
SMM
4
/
SMM
8
L
2
SMM
5
CNBL
2
,
後工程炒
5
①
送
n
信号
(
入力
)
PCB
REQI
後工程
,
嶽跡
y
信号
(
出力
)
PCB
REQ
1
UNUS E D
UNUS E D
後工额
SIS
信号
(
出力
)
PCB
REQ
1
RESERVE
RESE R VE
RESERVE
RESE R VE
RESE R VE
RESE R VE
SMM
11
/
SMM
13
L
2
SMM
6
SMM
12
/
SMM
14
163
1
I
609
L
2
SMM
7
SMM
13
/
5
MM
11
L
2
SMM
8
SMM
14
/
SMM
12
L
2
SMM
9
CN
-
CVIF
-
R
:
:
:
:
:
1
632
16
10
L
2
SMM
10
2
"
*
L
2
SMMH
/
13
L
25
MM
13
SNt
41
/
SMM
5
-
i
L
2
SMM
12
/
14
L
2
SMM
14
F
1
633
16 11
L
2
SMM
15
基板搬送
]
衫夕
(
前工程
)
LANE
2
PANEL
TRANSFER
CONNECTOR
(
IN
)
SMM
3
/
SMM
7
乂
!
L
2
SMM
16
SMM
4
/
SMM
8
-
L
2
SMM
17
SMM
11
/
SMMI
3
-
*
1
1
634
1612
p
L
2
SMM
18
SMMI
2
/
SMM
14
-
L
2
SMM
19
SMM
13
/
SMM
11
L
2
SMM
20
SMM
14
/
SMM
12
-
1635
1 6 1 3
-
2
i
1636
1 6
U
JP
2
JP
3
JP
1
»
-
r
OPEN
_
_
;
«
»
!
OPEN
CN
-
M
2
OPEN
1637
1615
FG
GND
ITT
▽
1
638
1616
F U J I
仕様
FUJI
Standard
1
G
39
1 6 1 7
-
2
:
l
<
-
3
後工程側
心夕
〕
I
-
久麵
1
INTERFACE
BOARD
I
riMi
1
640
Next
side
1618
L
/
-
>
2
U
-
V
1
CN
9
im
LM
2
心夕
〕
I
-
X
基板
2
INTERFACE
BOARD
2
ADDRESS
R
¥
]
匕
)
No
.
Pin
No
.
送
n
入力
Send
input
送
n
入力
Send
input
1
641
1 6 19
魟程心夕
〕
工
-
乂
NEXT
INTERFACE
CN
9
LI
SMM
5
L
2
SMM
5
1
642
心夕
〕
工
-
又驅
INTERFACE
BOARD
4
ADDRESS
:
i
I
620
|
~
8
Ml
2
LI
SMM
6
L
2
SMM
6
CN
9
1
643
I
62
I
STAS
2
STAS
2
]
才
7
夕
STASI
2
(
Hirschmann
)
STAS
12
(
Hirschmann
)
1
<
Connector
-
15
-
16
1
644
CABLE CABLE
:
0.3
mrf
1
622
-
17
i
注
)
FUJ
I
仕横
JCNBL
1
'
C N B L
2
(
二延長
/\
—
才又奄追加
Lr
®
対 応 亲
?
。
Notes
)
FUJI
Standard
-
18
correspondence
which
adds
extended
harness
to
CNBL
1
and
CNBL
2
.
serve
as
1645
-
2
D
:
十又回路図
BASE
CIRCUIT
DIAGRAM
NAME
PAGE
%
TITLE
機鐧
I
/
F
INTERFACE
BETWEEN
MACHINES
TYPE
NXT
DRAWING
No
.
RE
01641

心夕
]
工
-
纖
1
INTERFACE
BOARD
1
心夕
7
工
-
又麵
1
INTERFACE
BOARD
I
1723
170
I
M
153
BCN
10
L
M
153
B
CN
2
j
E
1
M
151
CN
2
丄
El
-
AM
M
151
M
151
E
2
MI
53
D
M
153
D
E
2
s
1724
1702
-
A
:
1725
1703
-
Al
I
:
1726
1
704
M
181
-
AI
-
10
M
182
-
A
1
M
181
M
256
M
182
M
256
1727
1705
M
182
-
M
182
-
E
7
M
183
-
M
183
-
E
7
M
175
M
175
-
M
175
-
M
175
M
175
-
M
175
H
1
H
1
X
0
I
6
H
6
-
H
6
X
016
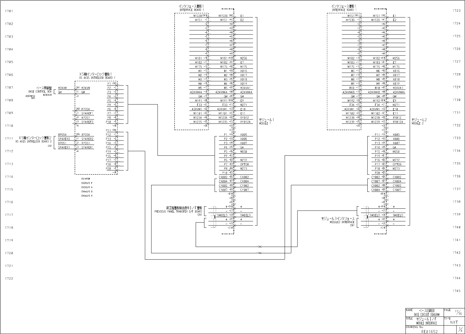
XS
軸心夕
-
口
9
夕基板
1
XS
AXIS
INTRELOCK
BOARD
I
1728
1706
H
2
-
H
2
X
017
H
7
-
H
7
X
017
X
018
H
8
■
H
8
X
018
H
3
-
H
3
-
li
P
1
H
4
-
H
4
-
X
0
I
9
H
9
•
H
9
-
I
X
019
1729
1707
久
-
又制御盤
_
+
24
VM
BASE
CONTROL
BOX
BCBCNI
8
CN
1
+
24
VM
H
5
-
17
P
2
H
5
+
24
VA
1
+
24
VA
1
H
10
乙
H
10
-
I
:
GM
GM
P
3
+
24
VM
4
A
+
24
VM
4
A
+
24
VM
4
B
-
>
1
+
24
VM
4
B
+
24
VM
4
A
li
ADDRESS
P
4
GM
•
GM
-
I
GM
GM
-
GM
-
GM
605
1730
1708
M
191
M
191
-
B
M
192
F
34
-
2
LL
P
5
E
9
M
192
-
E
9
F
33
F
34
-
CiX
P
9
F
33
M
271
M
271
+
24
VM
1
2
FP
0
S
4
+
24
VM
1
E
10
+
24
VM
1
+
24
VMI
E
10
1731
1709
M
1101
-
2
;
SPAREF
1
P
7
M
11 01
E
1
I
Ml
102
M
1102
-
I
Ml
238
M
1239
-
C
^
.
E
11
SC
MI
239
~
2
lC
AP
0
S
1
P
8
Ml
234
M
1238
RY
012
砍
-
JU
MODULE
1
砍
-
儿
2
MODULE
2
M
1235
-
25
^
^
fr
SPAREF
2
P
10
M
1235
-
RY
012
A
RY
012
A
1732
17
10
P
1 1
jN
5
BP
0
S
4
BP
0
S
4
P
12
X
005
P
1 1
X
005
XS
軸心夕
-
基板
2
_
XS
AXIS
INTRELOCK
BOARD
2
1733
17
11
SPARER
2
SPARER
2
P
13
P
2
X
006
P
12
X
006
P
4
免
/
GA
RPOSI
RP
0
S
1
P
14
P
3
X
007
P
13
-
X
007
CN
2
P
14
SPARER
1
SPARER
1
P
15
GA
1734
1712
P
19
P
5
-
M
650
P
15
M
650
ii
P
16
P
9
P
19
-
P
17
P
6
P
16
M
272
M
272
1735
P
18
P
7
OPTOB
P
17
-
l
OPTOB
P
20
P
8
M
273
P
18
M
273
P
20
七
〕
-
10
j
P
10
七丄
1736
CX
002
CY
002
-
I
CX
002
CN
1
=
P
0
W
CN
2
=
I
/
0
F
CN
3
=
I
/
0
A
CN
仁
I
/
O
B
CN
5
=
I
/
0
R
CX
00
A
CX
00
A
CY
002
-
今二
CY
007
CXM
2
_
ZBL
CX
00
A
-
E
CY
002
1737
CY
007
CY
007
-
FI
1738
+
-
D
+
-
D
前工程基板搬送信号
I
/
F
基板
「
一
PREVIOUS
PANEL
TRANSFER
I
/
F
BOARD
_
1
-
1739
CNI
.
--
V
SHIELD
-
C
—
V
SHIELD
SHIELD
SHIELD
MODULE
]
INTERFACE
CNI
1740
1741
1742
I
720
1743
I
72
1
1744
I
722
1745
《
-
又回路図
BASE
CIRCUIT
DIAGRAM
NAME
PAGE
%
TITLE
MODULE
INTERFACE
TYPE
NXT
DRAWING
No
.
RE
01652